*  EL84 Single Ended Amplifier

counter 7th July 2004


Japan

조선인을 쫓아내라

tube--Wel come to Site----------This site shown D.I.Y Single Ended Amplifiers-----almost valve amplifiers----some of digital staff--- ----Ham Radio --------Hi Fi sound to suppose be high end audio---etc etc-----from Yachiyo Chiba---Japan-------small city of Yachiyo located around 30Km west of down town of Tokyo ------very close to Narita International Air Port--- tube

Your OS of PC is
If did you see X11 ,Linux means family of UNIX and Navigator.
smart phone are kind of UNIX






ssl

6V6

EL84 DIY

EL84 Single Ended Amplifier DIY


This site will be finish end of Aug 2025 at all no more single-ended.com





Marlhori Auuuddio


Flag Counter 🇯🇵Japanese

if you have time please visit Japanese
site for my site continue.


lagarto

aleman

Please see only Germany man




Artisan Audio

South of Chile Sr Omar Villegas Alvarez site



nagashima

Mr Masaru Nagashima's Circuit Good Desinger of Valve Amplifier in Japan



4P1L

EL11 single ended amplifier

My wife Marlhori passed way 27th May 2024

My beloved wife Marlhori passed away yesterday.
She could easily die from a small wound due to inflammation.
She put it away. It was so hard for her to do anything to help.
It's a sad fact. She was my partner for 42 years.
I sincerely pray for her soul.


Marlhori's Pages  marlhori

please click picture above for visit her page



home

Home




el3N

EL3N family Single Ended Amplifier



suzuki amplifier

Mr. Yoshio Nasu is a pen name, Mr. Suzuki of ISO transformer is a circuit diagram written 1992

This schematic is copied due to copyright, but most of it is the circuit designed by him. He drew this circuit around 1992.
afterwards
Perhaps the boom in making small tube amps happened around that time.
I don't think it's an exaggeration. Perhaps the boom in making small tube amplifier came around that time.
I think Mr. Suzuki was the president of TANGO around 1992. He stopped continuing for health reasons.
After that, old staff of TANGO and new CEO started a new business on 2016
ISO TRANSFORMER JAPAN. He is still in good health and is experimenting with many prototypes as an engineer.
About Transformer for Audio:Japanese trance and famous European trance are sandwich-wound because of the characteristic of how to wind the trance.
Moreover, the transformer with good high-frequency characteristics is wound like this. There is a gap in the core to improve the low frequencies.
A normally wound transformer can only take a band of about 100Hz to 20Khz.
It is possible for a famous transformer company to manufacture a transformer that covers from 10Hz to 130Khz by adding a gap or winding it in a sandwich.

NOTE: I will start para feed EL84 single ended amplifier ASAP .thinking on 2nd Oct 2022.

additional comment: Many audiophiles don't like feedback, but use light local feedback on Pentodes because the bare DF is low, below 0.5.
The feature of this circuit is a pentode, but the cathode voltage is returned to the output.
It's called cathode feedback. This will apply about -3dB of NFB to lower the internal resistance.
A little less gain and less power. Since the cathode of the first stage does not have a bypass capacitor, a small amount of NFB is applied.
This will add about -5dB of NFB in total. If possible, it would be better to use a transformer with a tap as the output transformer and use it as a UL connection.
The transformer at the time of production did not have an SG tap for UL.
The UL connection is generally said to have an NFB of about -3dB, and it is possible to raise the DF of the Pentode.
Even with a 2-stage NFB like this circuit, the DF can be set to 2 or more.
If you attach a transformer with UL to the output, you can make a small but good amplifier. It is said that a 96dB speaker can be compared to the sound of a 100W or higher amplifier.



slow Train

Slow Train EL84 Single Ended Amplifier on 1st June 2023 USD $ 2300 shipping cost include

2 input un balance(RCA)) and out out is 8 Ω but at least 95dB/m/w speaker need to buy.less than 90dB/m/w does not work



Slow Train demo by Youtube EL84 Single Ended Amplifier with ISO FC-12S



By Piano Keith Jarrette



Slow Train

This is the final circuit diagram.The 12AU7/ECC88 is an audio tube with a straightforward sound.I have a lot of NOS, so why not try it? Aug 7th 2023


probably can be use this amplifier enough at home




price


fine met

Amplifier price USD $ 2900 dollers Fie Met



caja






EL3N single ended amplifier by Joe MacBride



slow train

youtube

para feed

El84 Para feed single ended Amplifier on 2022



para feed

Para feed EL84 single ended Amplifier on 1st Jan 2025



para feed el84

only image of para feed el84 single ended Amplifer



para feed Test machine

started build up EL84 para feed Single Ended Amplifier on 11st Jan 2023



para feed

para feed EL84 Single Ended Amplifier when built up on 2022



sandwitch wound


el84 Single


I'm waking up little by little,
I'm starting to make a 300bsingle ended amplifier ordered from China, then I'm going to make this EL84 single amplifier with a new circuit.


start EL84

It's time for this one to start building a 300B single-ended amp, while It's still motivated he'll start an EL84 single-parafeed amp



Audio Transformar how to make

This is New Amplifier by 4P1L single ended amplifier on 2023


FC 12S

4P1L Single Ended Amplifier for new on 2023



slow train

This is Europian model name is Slow Train USD 2200 FineMet Type is $ 2600



EL3N

experimental amplifier on 2024 Jan


4P1L

New Version II 4P1L Single Ended Amplifier for Spain " Slow Train" USD 1800



Special Amplifier for Sale


slow train

This is Europian model name is Slow Train USD 2200 Fine Met Trans is USD 2600



fine met   caja

4P1L

USD 1500 3W max this one is 4P1L but can be use for EL84 same price


this amplifier has 2 option 2 type of Audio Transformer above Amplifier is 4P1L but can be use for EL84 .same price.
This Amplifier using PMF 15WS. and if using PMF7WS small size of Audio Transformer Amplifier cost is USD $1800.
ISO Japan is good transformer but 3rd party's audio transformer are good sound getting .old type of wound transformer.
Using a large and heavy transformer will increase the cost, but it will increase the shipping cost to send the amplifier to your country.

from you tube ,show you using PMF7WS and 4P1L Amplifier.


PMF 7WS 4P1L Single Ended Amplifier transformer size is small one.



PMF 15WS using 4P1L Single Ended Amplifier ,Transformer is big size USD $ 1800


Both Transformer can be use 6V6, EL84 and 4P1L .



4P1L Single ended amplfier

USD $ 1800 on 2024 this amplifier 's shipping cost was high.




A word
The sound quality is different between 2A3 3.5W and EL84 5W. Pentodo's DF is 0.5, the same with high power. EL34 has more than 8W power,
but the sound that 2A3 can produce is larger than EL34's 8W. that is
There are 2 or more DFs. How to make Pentodo sound like 2A3
You need an NFB. Or it will be a triode connection of EL34. It will be 4W, but it will sound like 2A3, but it is not quite an approximate sound,
it is generally said that a physically thick vacuum tube
The sound will be fat. A thin vacuum tube like EL84 makes the sound thinner. The low range does not come out.
It's different in many ways. EL84 is still
It is generally used in push-pull, but the characteristic of a single amplifier is that it produces overtones.
Push-pull amplifiers cancel out the overtones. Sounds that are pleasing to the human ear are overtones.
Push-pull produces only odd-numbered harmonics.
Singles only produce even-numbered sounds. Which one is better is a matter of taste.
It is generally said that push-pull does not produce a hum due to its structure. The hum will be offset
Therefore, it has the feature that the power supply circuit can be easily completed. traduce by google from Japanese.

Various living environments and lives have gone crazy with convid 19.
Successful development will be after 2023. However, I am doing minor updates. Thank you for visiting this site.


indicatorparafeed en

EL84 Para Feed Single Ended Amplifier



300Bsingle ended amplifier

Best sale my product



menu

Menu for this site



new page

very beautiful tubes

we call it's EL84 ,6BQ5 and 6P15 by china and High Spec as 7189


Toshiba 6BQ5


el84 diy




Change the circuit to make it a cathode drive Application of Mr. Nasu's circuit



some fried of mine sent Video clip around first el84 Amplifier of Mr Marco Scuderi .sound is very good and good bass

Thank you so much Marco san

First Amplifier of Mr Marco Scuderi / he is using decware kit



This amplifier is a 6N1P and 6P15 (EL84) amplifier. The circuit is EL84 with a normal 3-pole connection. I think it's about 1.5 W. This is enough. Anyone can make it, not a special good amp.
The transformer is about using EDCORE's USA made transformer. It is an efficient and expensive-looking speaker that produces low-frequency sounds here. I think it's about 91dB. It is a kit of decware.




Nasu

This circuit is not a new circuit, I remember making a single pentode amplifier with the same circuit in the past. You can see it by looking at the pages on my site.
I think it is good to input with low impedance. This circuit is 4P1L, but it can also be used with EL34 and EL84 as well.



Radiko

Japanese Radio Network on Line



para feed


EL84 Single Ended Amplifier by Nobsound very much good sound making

I think it sounds so good that you can't think of it as a Chinese amplifier. The music source is Nanopi-neo2 Music Server



EL84 Single Ended Amplifier


EL84 Single Ended Amplifier new type will be 2021 USD $ 1500 dollars include Shipping

Audio Transformer are General Transformer sales co.Japan PMF-5WS-TB and Para feed .current is AC 120V and 220V depend your country.
4.0 W rms x2 in stereo. 2 line input from RCA.one control volume.valve are 6AQ5 and EL84 EH or JJ .


Power is 4.5 W max. Para feed EL84 Single Ended Amplifier. inside is point to point wire. transformer is using general transformer PMF 5WS-new



Let's me show you EL 84 Single Ended Amplifier D.I.Y

EL Single Ended Amplifier

EL84 Single Ended Single Ended Amplifier



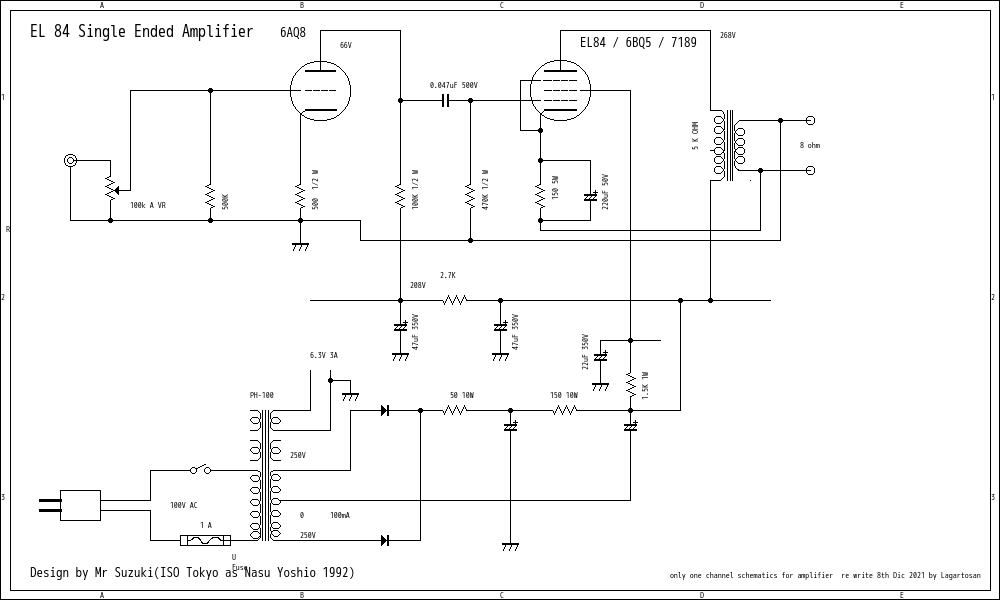
EL84 original circuit

this circuit is original Mr Suzuki EL84 Single Ended Amplifier on 1989 as Mr Nasu circuit and using H-S5 Tango


Mr Nasu is pen name of Mr Suzuki. Mr Suzuki was ex Tango Engineer at Hirata Transformer co.so still he is doing make many product for around valve Amplifier.
in ISO Tokyo Japan



For Smart phone direct see menu of this site



para feed

Para Feed EL84





PCL86 Differential Push Pull Amplifier




radio garden

Listen to music from any countryside radio station in the world, a music station in the middle of the desert, a seaside station, a station in various places, or your countryside station




What I've been up to lately:


In April 2020, a number of engineers, including myself,
were laid off from the company after the government's regrettable policy notified the wireless communications equipment maintenance company I was working for in Tokyo that all employees over the age of 70 must be laid off immediately. There is no guarantee.
I have fallen into a situation where I am not subsidized by the government and have no money until I find a new job.
some one from USA orderd build up a 2A3 single amp a little before April, but it is not finished yet, and all the parts were purchased in April.
The problem is that we have not been able to find a way to send the finished amp out of the country. I have received orders for several amplifiers from the U.S.A. within the past six months,
but I have politely refused them all.
That is because there is no problem in the distribution of parts, but there is no way to send the finished products.
Amplifiers made in a hobbyist's workshop are a risk. It is not possible to do that unless you have a main job. Due to my age, getting a new job is a very important task at the moment.
I will continue to manage the site as it is, and I will continue to make small items without any changes. It's true that I am encouraged by the fact that you can view this site.
Thank you for visiting this site.

add:
Basic idea: A single amplifier is when there is only one output tube. Two push-pulls are used per channel. One for amplifying the 90-minute to 180-degree side of the sine, and one for amplifying the waveform of the lower 180-360 degree part. Efficient amplification in one cycle
That's why. It makes it easier to get low frequencies. On the other hand, in the case of a single, the core is saturated in the low range and it becomes difficult to output the low range. When a current is passed through the transformer, it becomes saturated and becomes a loss. So, with a chalk transformer
A voltage is applied to the plate, and a capacitor is used to cut the direct current so that no current flows to the transformer side of the plate circuit. The method of producing low frequencies as in the past when there was no good magnetic material has been an issue since the invention of the vacuum tube amplifier.
Therefore, it is easy to make a good choke transformer in modern times, and it is better to obtain a good quality capacitor. In the old days, that is, when I was in the lower grades of elementary school, the maximum was 10uF 350V. I had a hard time getting a condenser.
It was a hobby world. Elementary school students could not buy capacitors above 10uF 350V. The same was true for power tubes, and at best, a used 42 was a good reward.
42 is an output tube, which is a power tube that outputs about 3W. Besides, 76 is a driver tube. It was a very easy-to-use vacuum tube. At first, I used a pentode called 6Zp1, but I wanted a little more power, so my brother gave me this used 42.
(this part text traduced by google from original japanese sentence)
Kenji

RIAA LCR by Mizushima



This RIAA using LCR, uploaded by Mr Victor Serrano in Germany

All of Amplifier are made by Mizushima Japan



sale

USD $ 1600 dollars include shipping and valves,only RCA input MM.



Customers say that they have purchased quite a few RIAA equalizers in the last 20 years.
Some of them cost thousands of dollars, but I was interested in the RIAA that Mr Mizushima made because I had the opportunity to use it.
He said he had time to listen to the thousands of vinyl records again. He said that he was very satisfied with the reproduction sound that was close to the original sound.
I think you can understand it even on youtube.

I think that the sound of recent vinyl discs can be played with a RIAA equalizer manufactured and sold by any major audio manufacturer and feel that the sound is thin.
I think that this LCR type equalizer can give you a relaxed and comfortable sound that you can feel when you listen to it.
You can make your own, but I don't think $1600 is an expensive price.
Mr Victor Serrano says that the sound is highly praised. In his case, it was a prototype, so it cost US$3,000, but he said that there would be people who would buy it for US$5,000.
Only this time, I am thinking of making and selling it for $1600 US dollars only for customers in the USA. We do not have stock, so it will take about 3 months.
Customers are limited to USA. One reason is that due to covid19, EMS distribution is only enabled in the United States.

The best sounding phono equalizer in the world at a low price. A very good sounding equalizer preamp that few people have experienced. make a sound
I'm sure you'll be impressed. This is an equalizer preamp designed in line with the RIAA.
Note:
The Recording Industry Association of America (RIAA) is the trade association of the recording industry in the United States.
Many record labels and distributors are members, and it accounts for 85% of the total distribution volume in the United States




42 and 76

UY 42 and UY 76 old used valves almost 3 W rms will be get.76 is triode driver




mini EL84 Amplifier



This small amp is an EL84 single amp made by myself

This amp only outputs about 4W, but since I listen to it in stereo, it also outputs 8W. I was in Chile around 2002. When I asked if I could demo at a famous audio store, I was a little silly, and the owner said that he should always do it.
What can you do with such a small amp? There was a question. I'll leave it here for two weeks so feel free to use it. After that, I heard that the audio store sold many high-end speakers thanks to the 5-watt amplifier.
The owner of the audio store said that it was a small amplifier that was perfect for speaker demos. It's a small amp, but it sounded good enough for high-end speakers. This amp made the tube amp famous in Chile. Such
There is an old tale. It is Santiago Chile around 2002
If you use efficient speakers, the volume will be loud enough to bother your neighbors. There is a number called speaker efficiency when listening as sound in the performance of the amplifier.
Even with such a small amplifier of 4W, if you use a speaker of 98dB/m/w or more, the output will be 100W or more 1 m before. Sound is difficult to produce with low-efficiency speakers of 86 dB or less. This is a general idea.
I brought the word of " high-end audio "to Chile.


arrowsold in Chile

those amplifier show in above site .sold in santiago chile and many country's audio phile's using my hand made product

Canada,USA and mid east ,south asia and some place of Europa 's audiophile's using my product




NFB loop



What do you think this sound ??? do you like ? Russian valve 4P1L Single-Ended Amplifier just over 2W rms



EL84 single ended amplfieir

EL84/6BQ5 Single Ended Amplifier with Daniel Speaker 2006 Chile



MINIWATT EL84

Philips MINIWATT EL84




EH EL84

almost 10 years using ,nothing problem EH EL84



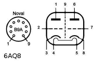
6AQ86BQ5

6P15 (6П15) is substitutes valve



7189 will be get 6 W rms Plate dissipation is 13.5W /6.3V 0.76 A heater and 6BQ5 as 5.7W and Plate dissipation is 12W


Duncan amp

If you need information of any valves,please check up by Duncan Amp Site.

And if would you like to study How to learn amplifier
How to lean build up valve amplifier but this version is only spanish.





Start 5th Mar 2017



Facebook

EL3N Single Ended Amplifier re-build up on Mar 2019


el3n single ended amplifier


EL3N Single Ended Amplifier re-built on Mar 2019





el84 single-ended amplifier

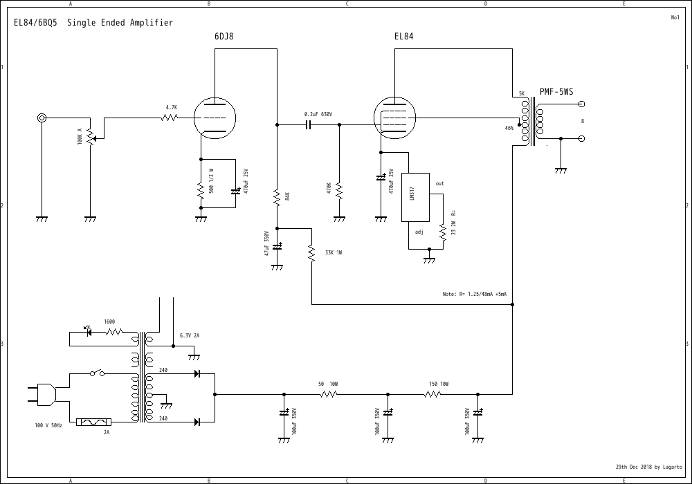
CCS + EL84 Single-ended Amplifier by Genaral Trans Sales PMF-5WS on Dec 2018




Do not think that such a poor amplifier will produce sound, depending on the speaker you can get a loud volume.
DiY Amplifier is not too difficult, I think that the presentation is very good. Be sure to use speakers with efficiency of more than 90 dB with 8 Ω.
The sound of 3.5 W of 2A3, the sound of 5 W of EL 34, the sound of 5 W of 6L6 and the sound of 4 W of EL 84 come out differently,
which are related to the internal resistance and are related to the impedance of the output transformer, of course. Each sound is different.
A thick vacuum tube is thick sound, and a thin vacuum tube gives a thin sound. They are all about the same 5W. EL 84 is a thin vacuum tube.
Of course the sound will be different from that shape.
Some people say that sound is hard, but it is also determined by the structure of the ear, listening speaker and room. Even with just 5 W amplifier the tube amp sounds awesome sound
Structurally thin vacuum tubes tend to have thin sound. The thick tube tends to make the sound thicker.
If you want EL84 single, 6L6 or EL34 is recommended from experience. EL 84 tends to produce high frequency sounds that are too nervous.
6L6 series and EL34 series require large output transformers because they consume much power, but we can produce reasonably satisfying sounds.
what do you think which is better to build up.one for you.



Very easy to build up one of EL84 Single Ended Amplfier then I tested at all ,getting Df 2.2 at 1 Khz and rms power is 4.5 W max.

very good,DF 2.2 is not so bad value ,,

sound just like a EL34 family sound .EL84 family does not good power if using triode connection so this time using as penthod modo.

long time I am using small vertical twin Yamaha NS 300 91db/m speakers until now and getting
sound great.It's enough to use at home.

I like to listen modern classic music like a Vent Vent
,,,by  James Macmillan and mostly using modern Jazz ,piano by Kieth Jarrett and Fusion.

this amplifier getting peak power are almost 4.5W and at 5% distortion is 3.8 W.Freq response are 20Hz
to 50Khz -3dB at 1W rms. very natural if using good core of transformer.

how about try to build up these kind of small amplifier ? looks like toy but sound is good enough for your first audio room for 1st time.
but these kind of small power amplifier sound depend on good efficiency speaker.at least need 91dB/m/w or more.
I think easily to make one of amplifier by your pocket money.???from US $100 ~ $ 250 ..will be fine..But you have to seach where to get component in your country and electronics shop
and some time good get from digikey and rs component in your country.


Mr Yoshio Nasu writer and builder of valves Amplifier in Japan .Mr Nasu is writer name. real name is Mr Suzuki ex owner of ISO Tango.this small amplifier designed by
Mr Nasu( Mr Suzuki )he made many of amplifier from a to z. even 300B and RCA 50 Single Ended Amplifier and many push pull amplifier too.
let's me show you one of old book of Mr Nasu. call it's 「Produced a collection of 24 different tube amp to be able to make sure」
this old book is still Has been published under IAR Japan.but only Japanese version can to get.

book

please ask to them if would like to get good book but only Japanese version.inside show 6V6,VT62,45,50,6BX7,2A3,6BQ5,DA60,6BM8,843,6CA7,50 as single ended amplifier.
and VT52,6F6,KT66,2A3,6V6G,6BQ5,6L6 as Push Pull Amplifier.and few pre amplifiers.all of Amplifier using off course Tango Transformer.

How to fixed position of Power Transformer and Audio Transformer

As you know ,,Power Transformer made some noise( Ham noise)from AC line through to Audio Transformer .always each power transformer core and Audio Transformer line are
90 degree vertical. exactly how to make position of each transformer are,,,please see how to make fixed position of Audio Transformer
ans Power transformer on chassis. and made ground line in chassis.
and see ground linevery important.when make plan to build up one of valve amplifier.

ground line

ground line(we call it's mother line in Japan)kind of Cupper wire 2 m/m just like photo.some time use nickel wire or gold wire too)


AnySingle Ended Amplifier getting one of problem with Hum noise from Power Transformer.
so one's have to test for postion of transformer position before fixed up position of transformer.
relationship of positon of audio transformer and power transformer are always 90 degree core of each other.
many expensive Japanese Transformer are "does not care position of transformer".because
they are already has shield.both way of electric shield and magnetic shield.but make sure must test position each other.
like next

transformer

Power transformer for audio

Testing position of Transformer

like this.fixed position of transformer


power

Power and Effiency of Speaker System

At least 90dB/m/w needed but enough to use in small room


translate from Japanese version of EL84 DIY
6AU6 It was a single amp of 6SH7 drive. It was also about 17 years ago and transformers were tango
H - 5S It was a transformer of the Orient core of the black bifilar figure. After that it became 45 single and then
It became PEN 45 single and is currently in use in South America Chile. It is an amplifier with only 3 W UL connection. 6SH7 is also made in USA
If it is not Hitachi made mesh plate here brightness increases to sound. Very tight sound, the metal pipe
It was strange that it would not go like this, too. It should be the same standard, but the trend of sound is different (45 single amplifier)
6SH7 say 6AU6 MT tube as compatible vacuum tube, but using this will make a completely different sound.
This also happens with an output vacuum tube. 6AQ5 and 6V6, 807 and 6 L 6 And since the structure is different, I think that it comes out of course to the sound.
There are many such examples. Who defined the compatibility? It is strange. Note: When using it as a 3-stage amplifier as a feature of the 6L6 and EL84 series, the power is very low. If you emphasize one characteristic
Good, but very little about the power is obtained. The common point is 1.5W or less in a single.even 6AQ5 under Class C will 10 W rms but RF frequency.this 6AQ5 and 6V6 can be use as
A2 Class A will be get much more power than Class A,which means 6V6 and 6AQ5 can be use as A2 Class Amplifier as much more power.I don't tried yet.A2 Class Amplifier.

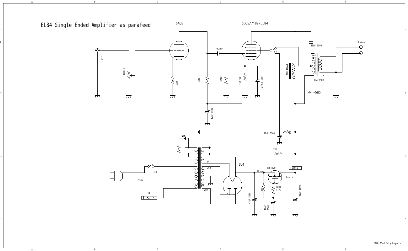
EL84 Single Ended Amplifier as New Circuit / Parafeed circuit

Here's about the single-ended amplifier scheme that has been recently talked about in 2020. It's a single-ended amplifier that uses a parafeed circuit. The features of single-ended amplifiers are that they are more efficient than push-pull amplifiers.
The problem is that the low frequency range is difficult to get out, and it drops from around 50Hz. It seems that NFB can solve this problem at around 20Hz, but in reality, it is more difficult to get low frequencies out of an amplifier compared to a push-pull amplifier.
As you know, this is because the core of the transformer is saturated. It is possible to improve this problem by changing the material of the core, but this is the homework of transformer manufacturers. A transformer with a gapped transformer will extend the mid and high range, but
It is said that this gapped transformer prevents low frequencies from coming out. The inductance of the transformer with the gap becomes small, and as a result, it is difficult to produce low frequency range. This is due to the saturation by the current, so the B voltage will be lowered through the choke
>The output circuit blocks DC voltage with a capacitor. It is necessary to experiment to find out what value is appropriate for these values. The larger the choke transformer is, the more DC resistance it will have and the lower the plate voltage will be.
The result is that the power cannot be extracted, so we need to find a choke coil of a moderate value. The following is the approximate schematic of the parafeed. Recently, Mr. Maekawa found a transformer maker who can make a proper transformer for this parafeed.
>I think it's a good thing that you've started a business and that it's a good thing to get the right trans. The variety is still small, but I think it's a good trans to use. I will include a link to it.
The purpose of these suggestions is to create an amplifier that will guarantee push-pull-like low frequencies in a "single-ended amplifier".
The official name is called the Clough circuit. It has existed for a long time.

Arito 's Trans
.



Link :introduce parafeed el84 Single Ended Amplifier from Audio Elektronik-Sho-de




parafeed EL84

No Tested 23rd July 2030









RIAA

How to build up easy RIAA for LP player



radio garden

Radio Garden warld wide live radio


any where place in the world ,any place of country side ,you can watch try this site




1st EL84 Single Ended Amplifier


How about Raspberry Pi B+ or Pi2 for Your Music Server with small IS2 DAC Raspberry Pi Music Server 2015

Raspbrry Pi B+ and Pi2 ,Most small PC using as Music Server with I2S DAC DIY on Mar 2015

Raspbbery Pi B+ on 2015 Enero

Raspberry Pi B+ ,Volumio 1 Tera USB HDD(SATA))y USB DAC es FN1242A Single DAC on 2015 Enero



Raspberry Pi 2 Cantata

Work Station Raspberry Pi2 and Music Server Volumio and Cantata MPD show alubum



NanoPi-Neo2 DAC DIYNanoPI

Any one can build up micro Music Server by your pocket money,very cheap but good



6BQ5 Single Ended Amplifier

USD $ 900 dollars for make for you



Mr Vidal his small audio line in concepcion chile

Still he is using TA2020 digital amplifier and EL84 Single ended amplifier in Chile


Circuit diagram show

above png file.I got 2 of different EL84 one of JJ and
EH . both are good but JJ is a little bit narrow sound to get other wise EH is
very wide range. power transformer is 250V 100mA small one.out put transformer are
Toei trans Co Japan OPT-5S ( 5W 40Hz  small transformer  US$ 19 each ) 1/3 size of
Tango U-808.valve are 1 of 6AQ8(ECC85) and EH EL84 .they are better than any other
combinations.EH EL84 is very good tone has.even Mullard EL84 old tube if you can
get too.with 6AQ8 and Mullard EL 84 using very beautiful sound you can get and instead of ECC85(6AQ8) can be use 6DT8 .just like same sound of 6AQ8(ECC85).same circuit can be use for EL34 single ended amplifier only 2 parts need replace ,Power Trans and Out put transfomer for mejor type.

I am using small one

and I think many person heard 1st time this
Toei transfomer Co Japan.they are  making  many  small  transfomer  for
maching  transfomer as a PA system.and making some of clone of Tango trans recently. OPT-5S is clone of Tango U-608 .same you can use
Hammond mini transfomer 125CSE instead of Toei Transformer.
next one is same circuit as above but added 2 volume control and 2 Input line.
valuve are same family can be use .like a 6BQ5 and 7189 audio tubes.





dimension : 230mm X 160mm X 120mm(high) very cute amplifier but sound like
EL 34 Single Ended Amplifier .just enough to use your living room.



     
     Testing proto type Back View




123movie free movie

Free Movie and TV from USA 、very nice site if do you understand english




About Noguchi Transform
, rumored to close from the mid-2018 and closed on 30th September New information is the same in the same place

It becomes. Please browse. It seems that we can secure the lineup of Noguchi Transformers. I hope this will be more flexible with good news.
Site started on 2018 30th Sep g trans co
Original site is only Japanese but they said will be update by in English.g trans


I will report on this page when I have decided about this mail order.

Procurement of parts for amplifier production:.


A collection of specially selected parts from Japan.
Item Capacitors, Capacitors for Vacuum Tube Amplifiers
High quality carbon resistors, high quality metal film resistors
Lug plates, small output transformers for vacuum tubes, about 5W
Power transformers, etc. require delivery.
Not necessarily made in Japan, some are made in China.

Chassis for vacuum tubes made by Takachi 
Volume control Cosmos, made by Alps
Made in Japan Copper 3 mm screw assembly 
I would like to show you some of the parts I have on my DIY site.
Please contact me by email for details on obtaining these parts.
Special audio transformers will require a delivery date.
It will take 2 to 3 months to ship.
We will use Japan Post EMS for shipping.
Parts cost and processing fee for ordering parts (in Japan)
We will estimate the weight of the entire part, including air freight.
+Cost of parts + air freight (EMS) + handling fee (100 USD)
We would like to offer this service when the corona-related obstacles have subsided.
Thank you very much for your cooperation.



Audio Transformer informations



The sound of a vacuum tube amplifier is determined by the characteristics of the output transformer. This PMF-5WS is a band type transformer and is not in a case.
Generally speaking, a transformer that is not in a metal case is said to have a better sound. The usual method is to put it in the chassis or in a non-ferrous metal box.


if would like to get PMF-5WS transformer . call me by mail and send you to over sea . if can you deposite my account but or PayPal transfer.
this kind audio transformer is each one USD $ 40 dollars each one .and power transformer is depend on input voltages where you using.
if would like to component from Japan. I will find for you. ask me by mail.mail address indicated end of this page by webmail.labor is USD $ 50 dollrs.
and please add shipping charge . ex Germany send 2 of PFM-5WS by EMS 80+10(ship from shop) and USD $ 70 shipping and labor 60 = USD $ 220 dollars USD 220 dollars is price of 2 transformers.

General transformer PMF-5WS


charactor of transformer.
























show you 3 type of Transformer one is Touei Transformer and other one is Kasuga Transformer and General Transformer Sales .they are for 5 W Single Ended Amplifier.
Touei is OPT-5 (OPT-5SR) for Lower frequency amplifier suppose be for Jazz, Violin Classic, Rocks
Kasuga is KA-54B57 (KA-54B57T)for plan . reach to high frequency response for Fusion and Classic.
and General Transformer Sales(ex Noguchi)PMF-5WS .
almost each other diffrent maker but almost same price.



General transformer PMF-5WS

General Transformer Sales CO PMF-5WS (ex Noguchi) 70mm X 50mm x 49 mm has UL sg tap


PMF-5WS chara

OPT-5S TOUEI

TOUEI TRANSFORMER OPT-5S 85mm x 46mm x 55mm



Case Type OPT-5SR

TOUEI TRANSFORMER OPT-5SR (Shield Type)77mm x 56mm x 64mm


primary
segndary
2.5K - 3.5 K
4 ohm -8 ohm
5  K - 7   K
8 ohm -16 ohm



Audio Transformer's、impedance and output impedance、relation show next 5k ohm can be use as 10K ohm impedance input impedance.

 トランスの関係


What kind of valves can be use:71A,45,2A3,VT-25,6AC5,6F6,6V6,6BM8,6BQ5(EL84),7189

Max Power is 5W/100Hz primary DC current s 80mA 347±5% ohms(20C 3.5K ) weight is 640g each one.
And Kasuga Transformaer is Next


OUT-54B57 KasugaKASUGA TRANSFORMER OUT-54B57    77mm x 44mm x 49mm 60mA Max

KA-54B57T KASUGAKASUGA TRANSFORMER KA-54B57T (Shield Type )   72mm x 51mm x 57mm 60 mA MAX

impedance are 5K and 7 K ohm primary and 2ndary are 4,8,16 ohms.and DC resistance are 7K = 285 ohms and 5K = 233 ohms 488g each one.

if would like to get one pair ,ask for Mail.in general original cost x 20 % for Labor and add shipping charges by EMS. if would like to get.

PMF-5WS-TB new Audio Transformer for sale


PMF-5WS

One pair of PMF-5WS-TB USD $ 300 dollars




I do not have any in stock, so please allow one month for the transformer to be ordered from the transformer factory,
and I will send it later.please ask if would like to get this component.any infomation ask to me thank you.



charactor

charactor of PMF-5WS-TB use for EL84 and 6V6



If do you have a interesting on BSch ,QT BSch ,LCOCircuit Editer .get from



they have free soft ware of circuit design program for Windows Mac and Linux.
and some library are here(tubes.LB3)for Linux under tall ball .

and Zip is Zip for any OS you can use.
Data up date on 1st May 2014 this is new archive

Additional Files :
Lib-V2(Zip)File for Zip for Linux and Windows
Lib-V2(tar.gz)Filetar.gz(tar ball zip)for Linux

For Fedora Core 17,18,19 ftp://ftp.nara.wide.ad.jp/pub/Linux/momonga/6.0/Everything/x86_64/os/Packages/qtbsch3v-0.47-3m.mo6.x86_64.rpm
I am using FC18 Linux good work.

what do you think still expensive for you ?this is not chinese amplifier this is your amplifier for you.
Suigyodo CAD how toto use,please see it.
easy to drow schematic diagram and you may add new library as lb3. schematic diagram save as .ce3 then covert png file.
and this is my site for how to make symbol of each components.How to make symbolbut only in Japanese.




  Audio Spectrum  Analyzer for PC(free ware)
About EL 84 Single Ended Amplifier comments in Spanish ,santiago chile 12nd Aug 2004
Un gran mini amplificador

Si hay alguna palabra que puede resumir el caracter del sonido del mini
amplificador EL84 es suavidad. El sonido en todo el espectro sonoro es de
una suavidad que nunca llega a la exageracion de distorsionar gravemente
los sonidos. Y la nitidez que subyace a esta extraordinaria suavidad
musical es fuera de lo comun, y ciertamente nunca escuchada en equipos de
precio tan economico como este mini amplificador EL84. Escuche varios CDs
que conozco bien a trav� de un lector de DVD Toshiba, modelo SD3109, y
con mis parlantes preferidos, los Altec Modelo A7.

El magnifico CD de Diana Krall, The Girl in the Other Room (Universal), a
traves del EL84 adquiere una presencia escenica abrumadora, con la
magnifica confluencia del piano y la voz de la extraordinaria interprete,
amalgamada a la perfeccion con el contrabajo, el piano y una bateria que
es sensualmente suave y nunca estridente. El impresionante comienzo de
Stop this World, con un piano tan dulce que no deja ver su cualidad de
cuerdas percutadas, anuncia ya una grabacion de calidad sobresaliente. En
The Girl in the Other Room la presencia de Diana Krall al frente de los
parlantes, con su exquisita modulacion y tecnica perfecta, hacen que su
respiracion nos transporte al ambiente intimo de una sala de jazz, con su
voz envuelta en el acompanamiento de musicalidad extrema de sus
acompanantes. En Narrow Daylight la guitarra hace un delicioso dialogo con
la cantante, con cada una de sus cuerdas llegando nitidamente a uno con el
equilibrio perfecto entre fidelidad y suavidad del sonido del mini
amplificador EL84.

Pero un amplificador puede ser sobresaliente en musica intima y al mismo
tiempo carecer de la capacidad de resolucion sonora ante musica orquestal
compleja. Musica intima en este contexto significa de rango dinamico
reducido y cuya relativa pobreza en instrumentos implica una variedad
reducida de timbres sonoros. Esto se observa frecuentemente en equipos
musicales transistorizados o a tubos de bajo costo. Bueno, ciertamente no
este el caso del mini amplificador EL84, el cual tambien es de una
perfeccion sonora extrema ante musica orquestal compleja.

La Sinfonia N� 40 de WA Mozart interpretada por Nikolaus Harnoncourt
(Teldec) revivio con una delicadeza a la altura de este gran director. El
casi exagerado fraseo y modulacion del tiempo que hace esta orquesta bajo
la direccion de Harnoncourt, entregan una notable interpretacion de
camara, que sin embargo mantiene el caracter sinfonico de una obra muchas
veces interpretadas por orquestas mucho mas numerosas. La intensidad
controlada que impregna a esta sinfonia alcanza probablemente su climax en
el tercer movimiento, donde el juego de contrapunto lleva la memoria
irremediablemente a JS Bach, sin que nunca le falte aire al amplificador
para reproducir todo el rango dinamico de la orquesta. El ultimo
movimiento libera la energia contenida del tercero, finalizando en un
juego de melodias sublimes que despliega toda la maestria superior de la
forma, la orquestacion, la armonia y el contrapunto que en WA Mozart son
la culminacion de un estilo y el augurio de la musica venidera. El noble
mini EL84 revivio en forma perfecta la interpretacion grabada en vivo, con
instrumentos de epoca y la orquestacion original de WA Mozart, entregando
con definicion y nitidez a cada uno de los instrumentos, pero sin
destacarlos exageradamente sobre el todo de la orquesta. Uno no puede
dejar de pensar que esta magica experiencia entregada por el
extraordinario mini EL84, solo puede ser superada por una audicion en
vivo, al frente de la orquesta.

Y si se quiere poner a prueba la suavidad y musicalidad del mini amp
EL84, una prueba de fuego es el Concierto para Orquesta de Bartok. La
interpretacion de Bernard Haitink al frente de la Royal Concertgebouw
Orchestra (CD de Philips) es bellisima, y los bronces y los violines, y
aun las inevitablemente estridentes trompetas, reviven a traves del mini
EL84 con una dulzura sobrenatural, sin que se pierda ni un apice de la
fuerza de la orquesta en la sucesion de fortes impregnados de bronces que
salpican la orquestacion de Bartok hasta el final de la obra.

Conseguir esta altisima alta fidelidad, manteniendo el precio en un rango
muy bajo, es otro de los logros del circuito y manufactura del mini
amplificador EL84, disenado y fabricado con una simpleza clasica, siempre
poniendo la electronica al servicio de la musica.


Dr Hugo Cardenas
Grounding Point BUS line inside of Chassis


Note very impotant:fish


Great mini amplifier
If there is any word that can sum up the character of the sound of the mini

EL84 amp is striking . The sound throughout the sound spectrum is
a smoothness that never reaches the exaggeration of seriously distorting
sounds . And sharpness behind this extraordinary softness
music is out of the ordinary , and certainly never heard in teams
as affordable price as this mini amplifier EL84 . Hear various CDs
I know well trav a Toshiba DVD player model SD3109 , and
my favorite speakers, the Altec Model A7 .


The magnificent CD Diana Krall , The Girl in the Other Room (Universal ) , a
through the EL84 acquires an overwhelming stage presence , with magnificent confluence of the piano and the voice of the extraordinary interpreter, amalgamated to perfection with bass, piano and drums that is sensually smooth and never harsh . The impressive start Stop this World , with a sweet piano that belies its quality of percutadas strings , and announces a recording of outstanding quality. in The Girl in the Other Room Diana Krall 's presence in front of the speakers, with its exquisite and perfect modulation technique, make your breathing shuttle us intimate atmosphere of a jazz club , with its voice shrouded in extreme musical accompaniment of his companions . In Narrow Daylight guitar makes a delightful dialogue with singer , with each of its strings coming neatly with one perfect balance between smoothness and fidelity Mini sound EL84 amplifier .
But an amp can be outstanding in intimate music and at the same time lack the capacity to orchestral music sound resolution complex . Musica intima in this context means the dynamic range reduced relative poverty and whose instruments involves a variety reduced sound timbres. This equipment is often observed in musical transistor tubes or low cost. Well, certainly not the case of the mini amplifier EL84 , which is also a extreme sound to perfection complex orchestral music .
The Symphony No. 40 by Mozart performed by Nikolaus Harnoncourt ( Teldec ) revived with a delicacy at the height of this great director . the almost exaggerated phrasing and modulation of time makes this orchestra under Harnoncourt 's address , delivered a remarkable interpretation of camera, yet maintains the symphonic character of a work many sometimes interpreted by much more numerous orchestras . intensity controlled that permeates this sinfonia probably reaches its climax in the third movement , where the game takes counterpoint memory JS Bach hopelessly without ever lacks air to the amplifier to reproduce the entire dynamic range of the orchestra. the last movement releases the energy contained in the third , ending a sublime melodies game that displays all of the top Masters form, orchestration , harmony and counterpoint in WA Mozart are the culmination of a style and omen of the coming music . the noble EL84 mini revived in perfect shape the interpretation recorded live with era instruments and the original orchestration of WA Mozart , delivering with definition and clarity to each of the instruments, but outrageously highlight them on all of the orchestra. One can not help thinking that this magical experience delivered by the special mini EL84 , can only be overcome by a hearing in Live , in front of the orchestra.
And if you want to test the smoothness and musicality of the mini amp EL84 , a test is the Bartok Concerto for Orchestra . the interpretation of Bernard Haitink leading the Royal Concertgebouw Orchestra ( Philips CD ) is bellisima , and bronzes and violins , and even the shrill trumpets inevitably , revived through the mini EL84 with preternatural sweetness , without losing one iota of strength of the orchestra in the succession of fortes impregnated bronzes Bartok 's orchestration dot to the end of the work. Get this ultra high HiFi, keeping the price in a range very low , is another achievement of the circuit and manufacturing of mini EL84 amp , designed and manufactured with a classic simplicity , always putting the electronics in the service of music .
Dr Hugo Cardenas , Santiago,Chile
Tranlate google


300B and KT88


EL86 single ended amplifier

EL86 Single Ended Amplifier with Active UL

EL86 Single EndedAmplifier D.I.Y on 2012

This Amplifier using 6CW5(USA) and EL86(Europa) ,TV vertical valve using for Power.
one thing very similar valve with EL84 but charactor is very different.low plate voltages and
high plate current.physically very similar each other valves.but just different sound.

radio garden

Radio Garden warld wide live radio



Hatt Audio

Hatt Audio Laboratory Japan --Audio Transformer Factory--




Appendix 1



frequency response are 10Hz to almost 50KHz at -1dB 1W rms



Power is max 4.5 W rms at 0.35V rms input level.not reach to 5W cause
by small transformer use.but sensitivity is very nice.




el86 PP mini

please click for see to Mini EL 86 PP



My D.I.Y Site My D.I.Y


The World of Cardamom's


Strange but not Stranges Amplifier from Mr Cardamom's


Cardamom'sAmplifier's



Appendix 2

Speaker system Made in Chile .Cajas Acusticas Chile with 45 Single Ended Amplifier hereto click.



My audio system 2005
46+ 45

Left Channel is 46 sylvania and Right channel is 45 tung-sol
Just say 2type of triode diffarent combination.
46 is slightly narrow so make a NFB from 1 st stage of cathode to 2ndly of out put transfomer
around 4-5 dB of NFB and replace final stage coupling capaciotr 0.68uF to 0.2 uF .45 is non NFB.46 is
only 1.2 W Power I got . very great sound ,like a RCA 45 .but a little bit different.
clear sound from low and mid .so 45 obtain very clear sound from low to high
therefore 45 Single Amplifier is , I guess better than 300B SE original even 2A3 RCA SE,only 45 is around 1.5 to 2.0 W rms.problem but enough to use living room with some over 90 db/m speaker system.
if you use big size of out put transfomer will be get good sound from 45.
46 is g2 connect with plate .can be usr 47 triode connection ,but sound get like a pentode. 26th Feb 2005.



Appendix 3

Old Europian Mazda PEN45DD Single Ended Amplifier on 2 may 2006 skematic

PEN45DD SE Amplifier

Introduce in PolandAudio Mania poland



RIAA



Santiago Chile 2018


6DJ8 Pre



Appendix 4 45 SE D.I.Y45 SE D.I.Y



Appendix 5 Komiya Amplifier

As you knew 6DZ7(GE) are one of EL84 family and 2 of EL84 are in one packages
yesterday one of my friend Mr Komiya sent one of picture of his new 6DZ7
triode connection push pull amplifier.!!! he said how about it's.very cute isn't it ? !!
picture shown next.Transfomer are all Tango.1st Feb 2005 .
6DZ7pp Amplifier
Pre PHONO mini here to go

Appendix 6 the other one of friend of mine Mr's AmplifiersMr Fukunaga and Hana

Some day afternoon I got a letter from Mr Alex Mousseau USA .how to build up EL84 SE ? then built up. he are going grown up his Amplifier to EL34 SE . Mr Alex Mousseau's Amplifier.he said American high school boys Amplifier




STC Amplifier make easy to brew !!

STC Amplifier easy made one 2002


Must be seach good small transformer for single ended amplifier.if will be get one of them how about build up this amplifier .small power but
you can move woofer !! sound is tight but many biginner likes this small STC amplifier.please see my web siteSTC Amplifier how to make.



EL 84 Single Ended Amplifier from Spain by Narcis and Patricia Jane2007

Jane I got mail from Spain whoes are Narcis and Patricia.they would like to build up one of EL84 Single ended Amplifier.past one later here to GO



EL 84 /2A3 Single Ended Amplifier from Germany.his EL84 SE  EL 84 /2A3 Single Ended Amplifier from GermanyMr Durandal 2A3/EL84SE Amplifier on May 2008


Tripath Digital Amplifier by Lagarto Mar 2007



Do you believe better than Mark Levinson ? here to GO!!

<

Oct 19th 2008 my C-Moy Amplifier

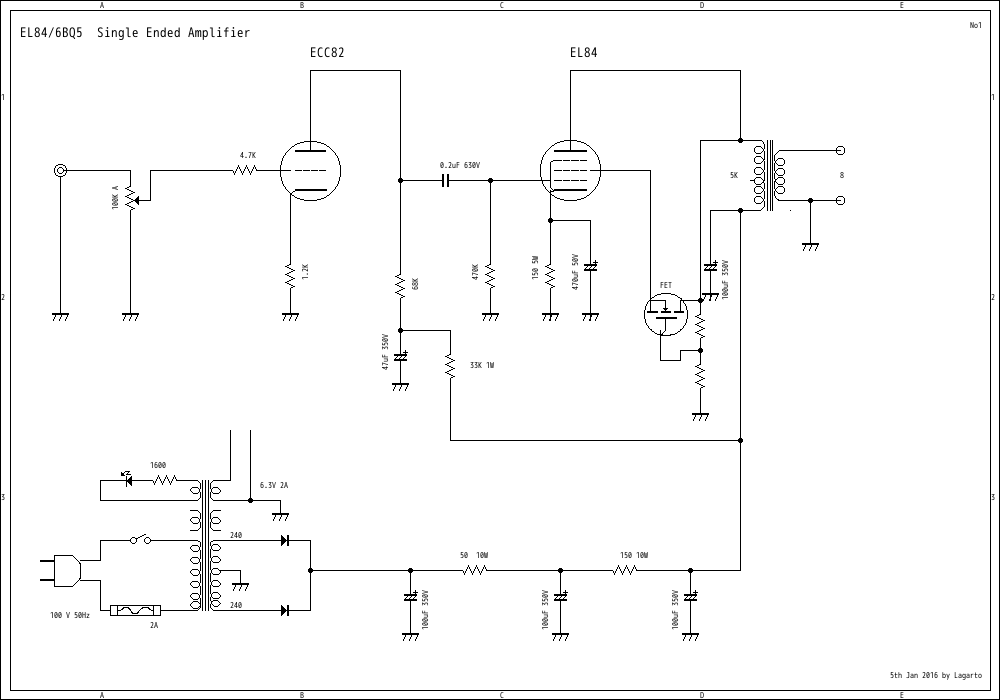
EL84 Single Ended Amplifier D.I.Y again Jan 2016


Schematic diagram show next. just same circuit of before. 5K ohm of impedance Audio Transformer using.

EL84 Single Ended Amplifier D.I.Y 2016 Jan

EL84/6BQ5 Single Ended Amplifier D.I.Y on 2016 Scematic Diagram







youtube

this is Youtube List for my site please viste



blue note





71A/12A シングルアンプ

71A/12A Single Ended Amplifier DIY



Dr Tim Williams how to brew KT88 Single Ended Amplifier

Dr Tim s AmplifiersFrom Australia......please vist this site...

KT88 Perche Drive by Tim



USB Head phone Amplifier

USB high voltage version Yaha Head Phone Amplifier on 2013 Nov



EL3N Single Ended Amplifier

EL3N Single Ended Amplifier D.I.Y EL3N Single Ended



1626 Single Ended Amplifier DIY

1626 Single Ended Amplifier only 1 WSmall Power but Good Amplifier



Good Speaker

if one's has good speaker system easy to get good sound from small power amplifierPorco Rosso




2A3/45/71A compatible SET in Chile 2013








Sound from big speaker system from 71A 0.7 W power amplifier



How about 4P1L Single Ended Amplifier D.I.Y


4P1L Single Ended Amplifier DIY 25th May 2014


4P1L single ended amplifier Nov 2014

4P1L Single ended Amplifier Triode/UL Nov 2014




Sound of 4P1L Single Ended Amplifier





Start listen Music4P1L Single Ended AmpAmplifier D.I.Y



PCL86(14GW8) Push Pull Amplifier


Small Push Pull Amplifier for HeadPhone and for at home



5687 PP Head Phone Amplifier 2008

5687 Push Pull Head Phone Amplifier




ECL82 Push Pull Amplifier

ECL82 Push Pull Head Phone Amplifier







My Recently Music source getting from Raspberry Pi B+ and USB HDD 1 tera without CD player and DAT


NET WORK in my house


Raspberry Pi B+

Sound is getting from Raspberry Pi B+ under Volumio



Sound getting from next place

sound getting from here Feb 2017

Volumio Raspberry Pi Music server and Pioneer DAT D-06,off course still using Vinil(LP)) player


Component how. where to get

KuK Audio

many replacements parts are get from KUK Audio China



edcore transformer


Hammond transformer


Many person using VT4C.COM VT4C.COM

Where can you buy Electronics components JapaneseAcoustic Dimension from Europa also can buy Japanese Transformer and components



Ask Mrs Mable Mable Audio



300B Single Ended Amplifier July 2016

Using 300B Single Ended Amplifier in Chile asTakumi 300B Single Ended Amplifier



I will make one of Kit EL84 for sale soon(may be)....USD $ 400 using Japanese Transformer


new amp EL84

Only Chassis ,,new EL84 Single Ended Amplifier D.I.Y ......



EL84 Kit

Aitendo Co Japan ,Chinese semi kit USD $ 40 without valves and transformers and chassis



MK-300 Lead box

for EL84 Single Ended Amplifier


China kit

Made in China





Transformer and chassis sale for DIY er


The sound of a vacuum tube amplifier is determined by the characteristics of the output transformer. This PMF-5WS is a band type transformer and is not in a case.
Generally speaking, a transformer that is not in a metal case is said to have a better sound. The usual method is to put it in the chassis or in a non-ferrous metal box.



ols PC



Facebook


el84 kit amp aitendo

Aitendo el84 kit(semi kit)USD $ 30 from China,need Transformer and chassis .tubes.



Easy EDA

Online Circuit editor by EasyEDA



Link to south America Auidiophiles Como Armar un amplificador a tubodetalle


from chile

from South America Chile : Mr Omar Villegas almost Valve Amplifier and Music Server




Old Radio Boy Site of MJ copy show youbut only Japanse

mp3 site

Free MP3 Site , any kind of Music can get//sometime change domain



Note:In foreign countries it also happens that young people in rural places say that they want to make amps, e-mails will jump in once, in about a few years. Starting from studying electricity, parts, how to procure parts?
I am teaching in a poor English and Spanish at departure from 0 zero at all. Rich are relatively easy. I reply that I should buy this with this, I will reply whenever I do not understand
I promise, I will do a mouthful saying. In a few people a year, there is a person who is addicted to audio crucibles. People who only have a smartphone are serious. How do you teach? Very difficult
It can not be read by sending circuit diagrams etc, and there are various things. First of all, it is recommended that such people buy a PC, from there to the main subject.
I think that it can be used as a kit of EL84 single amplifier if these parts are used.
In addition to the chassis, the power transformer uses PMF-150M or PMF-100M. The choke and output transformer use Toei trans OPT-5 WSR.
A kit for sale costs around $ 900.(this price include Alps pot ,capacitor and knob ,binding post and valves , shipping cost too)and if would like to order need one month for wait for order power transformer of your country voltages.which ever 120V,230V,220V etc.after deposit my account.if would like to more give me mail.
This kit plan not include holes on chassis so you have to make holes for valves and transformer.so include chassis punch of HOZAN DO. like next picture.
Chinese prodact has problem of audio transformer but I am using all transformer are made in Japan so sound quality is different than chinese same kind of amplifier even
same kind of Japanese amplifier are mede in China transformer.cost of transformer are different with Chinese.all component include USD $ 900 dollars in Cash.I will show you
demo amplifier show as soon as possible .means later show you by you tube.



A topic that emerged from the pandemic: It's an introduction to a strange amp made by Decware


Decware

this is good or not good use.may be bad .not correct using choose circuit design but may be good but I do not want to try
one thing 6P15 and 6P14 does not have G1 pin out side of valve.idea is good idea but how to use ??????



punch chassis

Hozan Chassis Punch



RAKKO


sitio de Marlhori

Marlhori san .she is my wife .her site if would like to see




Technical from Japan if you'd like to know more information

mail me



lagarto / JH1DAS /ex WB4ACI/CE3 ex XB4ACI/CE3

'73 de JH1DAS ex WB4ACIHam Radio Site by JH1DAS

From Yachiyo Chiba Japan 2004 - 2026

Last update 15th Mar 2026 from Yachiyo Chiba Japan( Since 7th July 2004 )

Do not Permit any copy on this web site and do not use for personal and any