Para Feed Single Ended Amplifier by EL84

EL84 Para Feed Single Ended Amplifier
6BQ5  EL84 Para Feed Single Ended Amplifier DIY
🇯🇵Japanese

アクセスカウンター

this counter started 28th Mar 2021


The amplifier made in China is made very beautifully, but please think that the performance is about 1/10.
The self-made amplifier is not beautiful, but its performance is several times higher than that made in China.

It's about the amplifier. : At first it was PMF-5WS, but KA054B57T came out of the parts box,
so I will make it with this. Then switch. This transformer has a maximum of 13H and PMF-5WS has a maximum of 18H.
However, it seems that the PMF-5WS does not have so much inductance when measured by Onnyo. As for the size, the KA57 has a smaller core, and if you use a thin wire to wind it in a sandwich, I think that the performance will improve in Kasuga.
I will use a naked transformer this time, but if I have an order, I plan to use a sealed PMF-5WS-TB. Kasuga's transformer is a very small transformer.
These transformers were purchased for some reason a few years before the Corona incident.
It is a thing. This is a prototype amp. The chassis is diverted from the chassis that I was planning to use for other amplifiers before.
If there is an order, the shape of the amplifier will be the shape at the beginning.I will try to test 3 type of small transformer for audio.


Flag Counter

para

EL84 Single Ended Amplifier DIY



para  feed   kasuga trans

Amplifier is just this one like. Transformer is PMF-5WS or KA-054B57T By Kasuga Trans



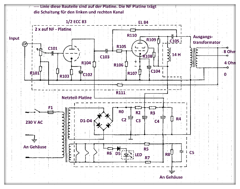
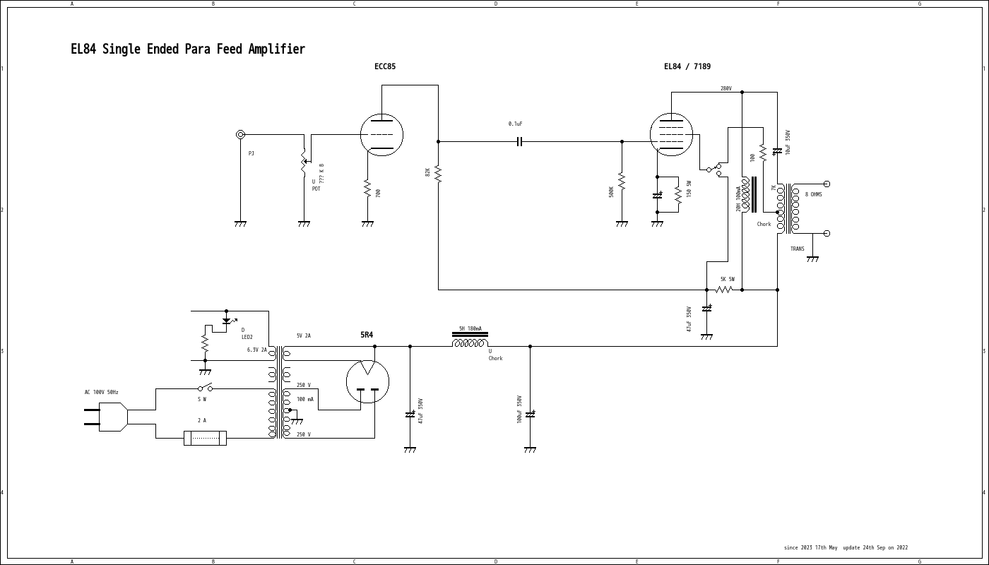
schematic

Scemetic diagram for Para Feed



para feed el84

from out side of site




PMF-5WS  TB

PMF 5WS by General Transformer Sales Co Japan made and new product PMF-5WS-TB



6BQ5

3 of them are same charactor but 7189 is a little bit higer power



start EL84

It's time for this one to start building a 300B single-ended amp, while he's still motivated It'll start an EL84 single-parafeed amp



Just started para feed el84 single ended amplfier on 4th Jan 2022


USD $ 1900 dollars probably less than this price include shipping cost too



Para feed EL84 very small audio transformer 13H 60mA model is KA-54B57T by Kasuga Transformer Japan



chork

General Transformer Sales Co .order made 20H 100mA



para feed el84

Para feed EL84 single ended amplifier




EL3N Para feed single ended Amplifier on 2024






































If would like to know more info

last up date 25th Jan 2026
Hand Made Amplifier Located Sakura Chiba Japan

©  Mizushima Audio Laboratory Japan 

Single Ended Amplifier D.I.Y

how to build up Amplifier Single Ended Amplifier 2011-2026