2004年 上半期に作った物です。その他 数台 あります。
使用 スピーカーは ヤマハ NS 300 トーテムポールです、91dBwmで ナロウ気味ですが
良く鳴ってくれます。写真はメキシコ製のテクニクスの88dBのトーテムポールです。はっきり
言って、このスピーカーは鳴らせないのです。ソニーのミニコンで使っています。
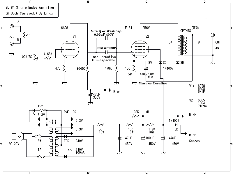
補足:6AQ8
は高価ですのと、もし入手出来ない時は 6BQ7 でも使えると思います。これなら安価
ですので、結構安心して求めることができます。同じ足番の球でu ,gm や内部抵抗が違う6DJ8,
6N1P,6922,などの場合 特に東芝製の6DJ8測定用は発振しやすいので配線に注意して下さい。
どうしても発振してしまった時は入力回路にF特に無関係になる程度の低抵抗を直列に入れて下さい。
チェックは入力を外して、出力にオシロをつないで、入力のボリュームを回した時に異常な波形
が出力されていないか?チェックして下さい。またはボリュームを回した時に異音がしないか
チェックしてください。私の場合は入力回路にシリーズに4.6K オームを入れたら止まりました。
アースポイントを変えても直る場合がありますが、不安定です。
現回路では6AQ8 から、6N1P に変更するとプレート電圧が特性の下限に近くなっており直線性があま
り良くありませんので、適度に電圧を上げる事をお勧め致します。 尚 英語版はここを
して下さい。
補
足2 :
2機目を製作 完了して一ヶ月がたちました。やはり那須 好男 氏 アンプ(ISO Trans Tokyo 鈴木 氏のペンネーム)は
正しいと言う事です。
製作記事はかなり忠実に再現性があります。強いて言えば出力トランスが違う位で、OPT-5S(東栄)
はオリエントコアを使っているとの事ですし、コアも大きいので、低域も耳で聴く限り良好です。
十分な再現性を得られています。
聞くところによると、サンドイッチ巻きをしているとの事です。
諸定数を交換して、6AQ8 以外のドライバー管を試したのですが、この球に勝る音はないと言う事です。
多少高価ですが、我慢しないと使えません。管内容量のせいだと思います。高域でだら下がりになって
しまいます。それが音にやはり反映されて出てきますが、6N1P に関しては、それも良いかなと思われま
す。低域のノビノビさは特徴があります。定数もこのままで余り変更しない方が良いと思います。
ただ、電流が流れる分、プレート電圧が下がりますので規格的には下限ぎりぎりかも知れません。
段間のカップリングはここでは0.05 uF を使いましたが、DFが下がり気味になりますので、EL84のGリーク
抵抗をもう少し小さくした方が良いかもしれません。現在 カップリングにパラに0.02uF 400V West-Capの
オイルコンを入れてあります。中高域が膨らんで来た様な音です。弦も音に艶が出て来ています。
たったこれだけですが、音が変わりました。スプラグのVita-Q
でも良いと思います。
Vita-Q
を使いたかったのですが、希望する値の持ち合わせがなく、南米で仕入れたWEST-CAP のオイル
コンを使いました。カソードのパスコンはMUSEとセラファインをパラにしてあり
ます、合計 1000uFです。
西暦 2005年2月 EL86 3結 全差動プッシュプル
出力トランスは東栄 OPT-10P です。0.5mm の銅板を切半田で付けたものです。
スプレーでブルーに塗って高級感?を出しました。まだ音は出ません。!!
とりあえず、回路図はここを参考にして下さい。これはパクリです。詳細は
ぺルケ師匠のページを探して参考にしてはいかがと思います。実感はトランス
の関係もあってパワーが出ない。無歪み出力は5.6W ほどで、両側クリップの
最大値が約8ワットです。その時の各プレート電流が40mA で225V となっています。
もう少し電流を増やすか、電圧を上げようと思います。実際 聴いた感じでは
歪み感が大変少ないアンプです。高域は-3dBで35KHzで、下側は10Hzからフラット
です。値段は球も含めて2万5千円以下です。EL 86 は 6CW5と同一で旧ユーゴ製
のものでサンエイ電機で一本 600円で入手したものです。英語版のページは
においてありますので、見たい方はご覧下さい。とりあえず、完成は3月 13日
2005年となります。これから考察が必要です。大掛かりな割には大変 パワー
が少ないアンプですが、音を聴いたらそれを忘れさせる音が出てきます。カソード
電圧が25 ボルトで225 ボルトとなります。もう少し電圧をあげると6ワットは出そう
です。また、更に多少詳しく知りたい時はここを
kして下さい。
私の OS Linux そして、好きな ウインドウ・マネージャー ICEWM について、
Linux を使い始めたのは、1996年の12月ごろからになります。その後、カーネルこそアップしては
来ましたが、3台目のパソコンでも、Linuxを使っています。実際は ダブリュー・ブーツで最初のセクター
には、ウインドウズが入っていますが、最小のレベルでインストールしてその他のセクターにはこれらの
PC UNIX がインストールされています。
Linuxの唯一のメリットはロウ・スペックのマシンでも動くことです。なにより、ビールスを受け付けない
ことです、つまり数あるビールスに関してはフリーで、メールで送られてくるビールスに対しても、それら
によって感染する事はほとんどありません。ドライバー等をインストールするには、カーネルのコンパイル
が必要ですが、まあ普通にドライバーを読み込む事が出来ます。
ICEWM( アイス・ウインドウ・メーカー)と言うウインドウ・マネージャーとは
ここに説明しておきます。
興味がある人はご欄下さい。PC UNIX にはこれら Linux の他に BEOS , FreeBSD などがあります。
MAC OS X 等は、BSD の派生と言われていますし、アーカイブはコンパイルすれば、FreeBSD,Linux など
でも使う事が出来ます。ソースがあれば、かなり良いと思います。
真空管アンプ番外
つい最近 ネットでメールしてリンクをする事をして頂いた、
Cardamom'sさんのホームページです。大変興味あり、とても面白く紹介していますので
ご覧下さい。何も高額な部品を使わなくても、こうやって管球アンプが出来、それなりの音が出る
ものです。結構、良い音が出ていると思います。どうですか? いっちょ作ってみてはいかがでしょうか?
アラビア語? で書いた ロゴのアンプはとても綺麗に出来ている様に見えますね、売れそうな、アンプ
ですね、、。そうは 思いませんか?
最近 管球アンプの部品の件で、
グリッド・チョークが必要になり、安価な物を物色しておりました。
グリッド・チョークは直熱真空管のグリッド・リークに使います。チョーク結合などに使うには
かなり大きい誘導リアクタンスが必要になりなかなか、廉価なものを得るのは難しく、大変高価です。
ここで紹介するのは、タイ(TRON)の有名メーカーの物で大変 廉価でしっかりした構造のトランスです。
国内では北海道の「特定非営利活動法人 ラジオ少年」がタイから輸入しており入手が可能です。
HPは以下ですので、興味ある人はアクセスと良いと思います。
「 ラジオ少年 」 :
真空管を使った、並3や半導体携帯ラジオの製作の紹介をしている
HPです。
尚 タイ製 トロン社のトランスなどを使ってタイの若者で賑わっている、管球アンプ製作の仲間の
集まり AV クラブ・タイへの入り口は
ここから、お入り下さい。メイン・サイトは
Amplificador de
Ultima technologia となります。
なお、タイには、有名なトランスメーカがもう一つあります。Silk(シルク/トランス)と言い、タムラなどの特性をコピーしたトランスを製作しています。検索すればヒットすると思います。
流行のデジタル・アンプについて、もしかするとソニーの120万のより音が良い、実感です
前から興味あったデジタルアンプですが、仕事の関係で頻繁にこれらのアンプを修理する様になったのです
ある日曜日 秋葉原の若松での事300B 用の部品類を購入していた時 後ろから聴いた音が、ああなるほど
3極管のシングルの音、なかなかの音ですなあ、、、と思っていたが。
これこそ、Tripath の音であったのです。最近作った45シングルやSV811-3シングルの音も負けない音が
する。ただ高価で重いのが欠点。。だがこのアンプたったの数100グラムです。組み込んでも800gです。
