10>
Ref: LV 60 Amplifier designed by Mr Georg Neumann
New TANGO Transformer from ISO Transformers Co Tokyo Japan
Started from OCT 2016 as ISO TRANSFORMERS CO Japan
they have FC-20S instead of XE20S only name of transformer is different.and Name of company is no more TANGO.
New company re-started by ex employee of ISO TANGO.real new company of ex ISO TANGO.and New Name of company is
ISO TRANSFORMERS CO JAPAN.
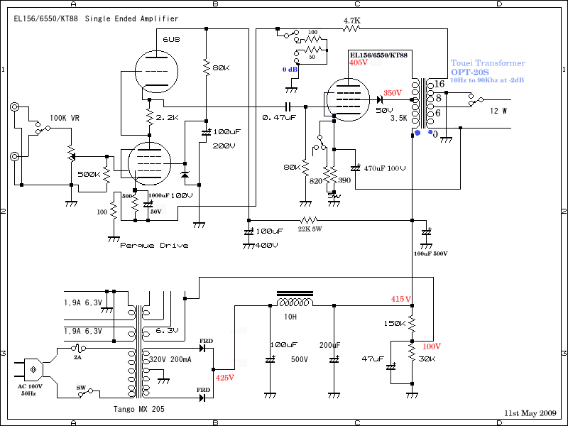
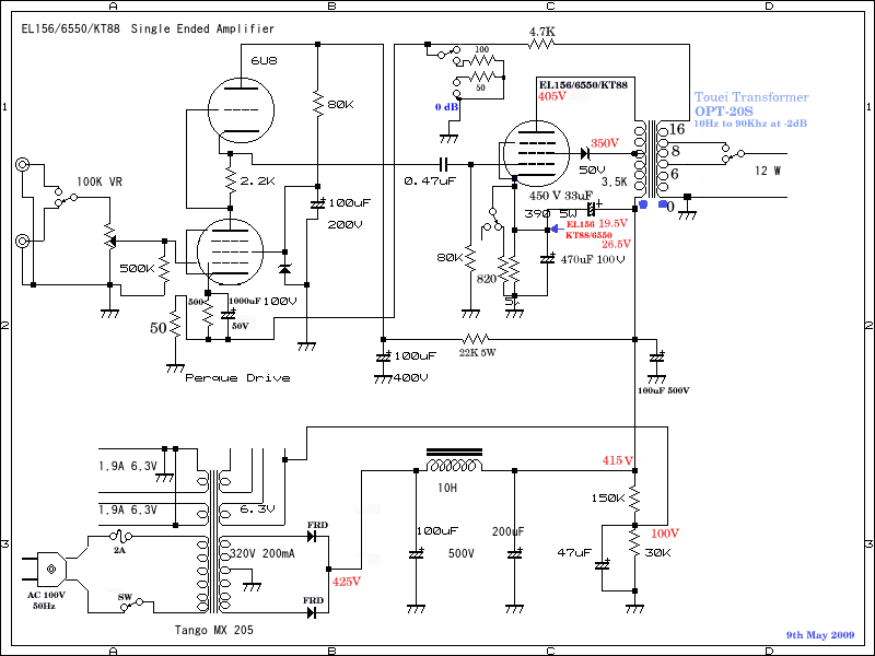
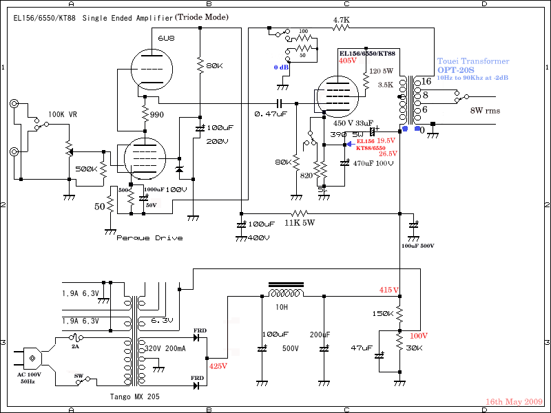
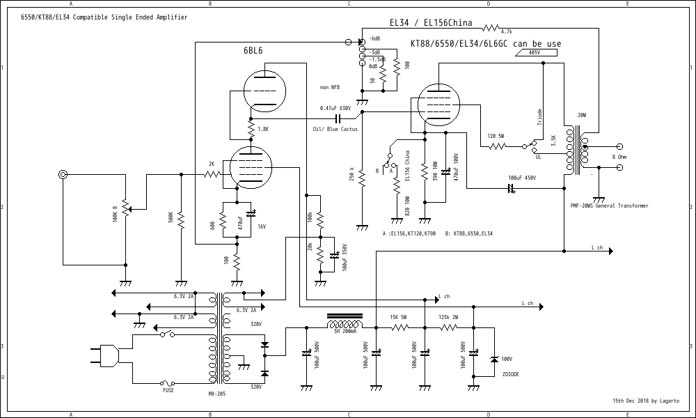
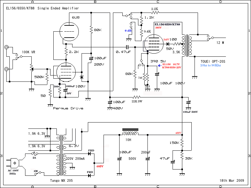
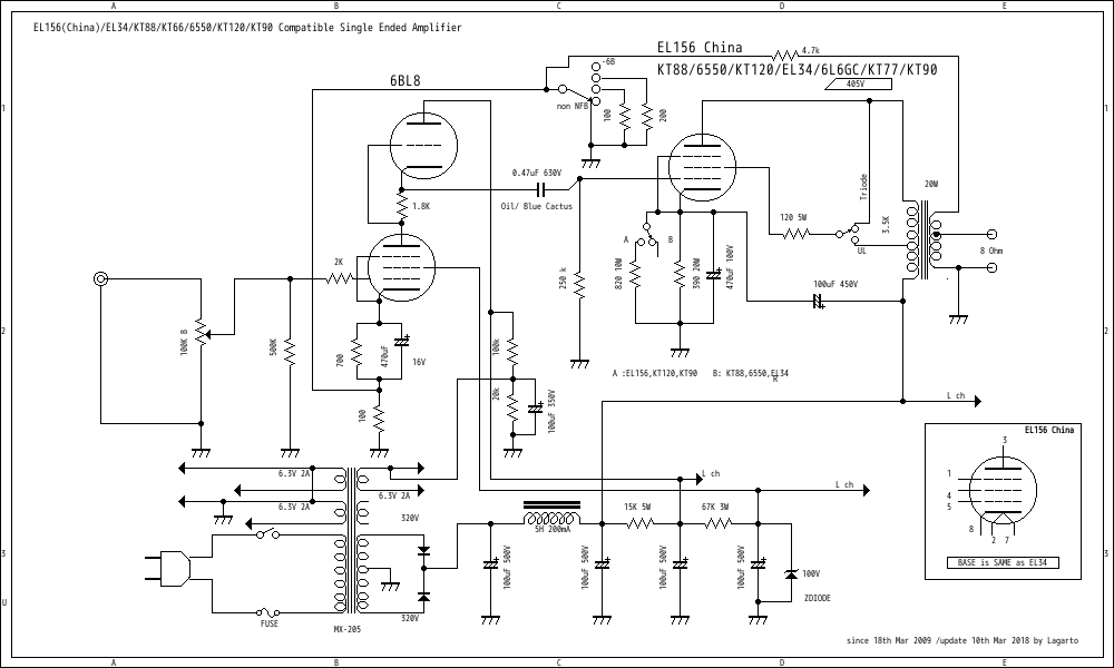
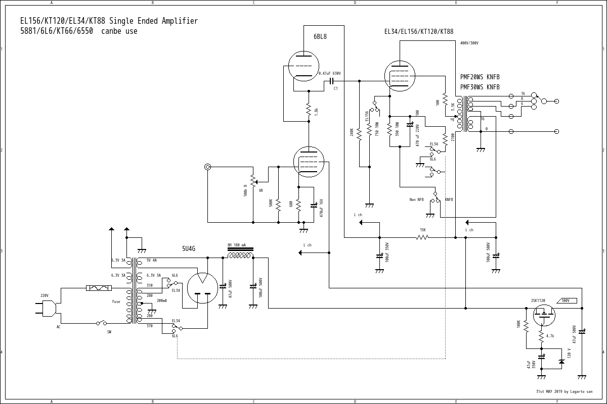
re build EL156 China Single Ended Amplifier on 2018 Mar
For KT88,6550,EL156,EL34 and KT120,KT90,6L6GC schematic diagram
The people who made the amplifiers I made Let's celebrate the brave amp builders!
My poor English is world-famous. It was about 20 years ago that a boy in Chicago asked me to teach him how to use a tube amplifier, and I taught him by email.
Frequently, the boy was saying that my level of English was low. At the age of 22 I moved to the USA and worked for a Jewish company for 3 years repairing amplifiers.
I moved to America at the age of 22 and worked for a Jewish company for 3 years repairing amplifiers. That is my biggest regret. I'm an old amp maker, over 70 years old. I will continue to make amplifiers, despite my poverty.
I can also speak Spanish, having lived in South America for nearly seven years, four as an expatriate for Pioneer. For the next three years I worked for the Motrola distributor in that country,
repairing Motrola radio equipment. My wife is a strong white Argentine woman. Her grandmother was English and her mother French. She has lived with me in Japan for 40 years and speaks Japanese more fluently than I do. Thank you for reading this far.
Thank you very much. I'll tell you more about myself when I get the chance.
Anyway, my English isn't very good, but it's all right if it makes sense. I'm sure there are foreigners who speak even worse English than I do. Please understand that this is not a site to evaluate my English. This text was written by translating my bad Japanese .
Gozilla Amplifier Diy
Who made Goziila Amplifier by Mr Rob Buelteman
Talking about 4P1L Single Ended Amplifier
If do you have intresting about Mizushima RIAA for Vinil
Go to the vinil of world DIY RIAA
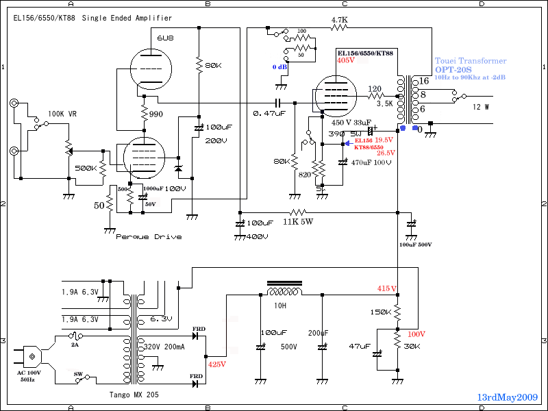
In the case of KT 120, although the physique of the sound is felt large, although it is understood by listening to EL 156 - China, the physique of the sound is large,
and it gives a sweet flexible musical rich sound. I can not understand why EL 156 - China was discontinued, it is a very rich musical tube.
If EL34 or KT88 is used for this amplifier, it will sound like KT88 in EL34.
I think that it is a very good amplifier for the simple circuit as long as EL 156 - China and EL 34 are used.
I think that it became a musical rich amplifier with very little distortion feeling. It needs a good power supply and a good output transformer.
It is my feeling. I understand EL156-China is good, but I doubt if KT-120 will give you a
good sound. It is hard to say that it is a good vacuum tube unless you change the circuit
and cook again. Although it is possible to test a plurality of vacuum tubes,
it is not an appropriate setting, so I can not say anything but I understood the goodness of a vacuum tube called EL34.
Traduce by Google from Japanese to English.
new project: KT120/EL34/KT88 and KT66/6L6 Single Ended Amplifier for Chile Market
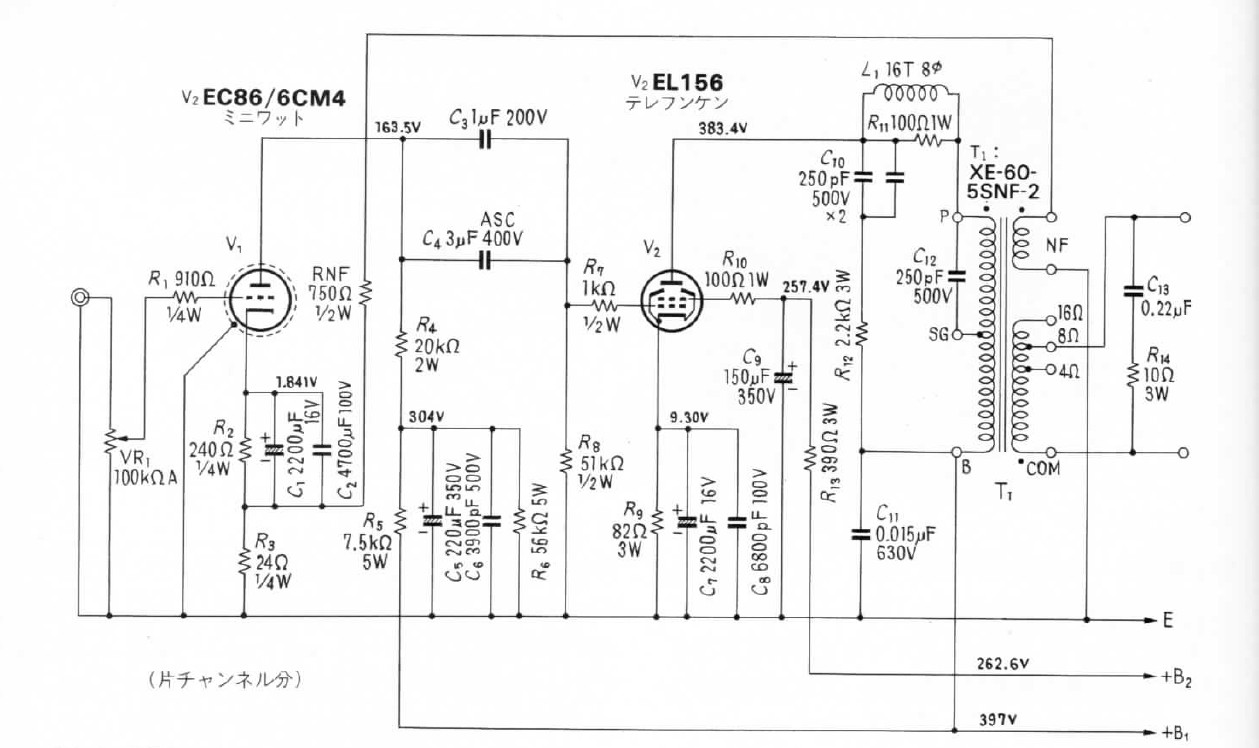
NNeumann's --The LV60 equaliser and cutter-head power amplifier
please vist above site new EL156/EL34 Single Ended Amplifier.
Schematic diagram of Neumann LV60 cutting machine
(Since 20th/feb/2009)last up date 18th Nov 2025 from Yachiyo Chiba Japan

If would like to know more ?
Single Ended Amplifier D.I.Y
How to build up Amplifier Single Ended Amplifier 2011-2025