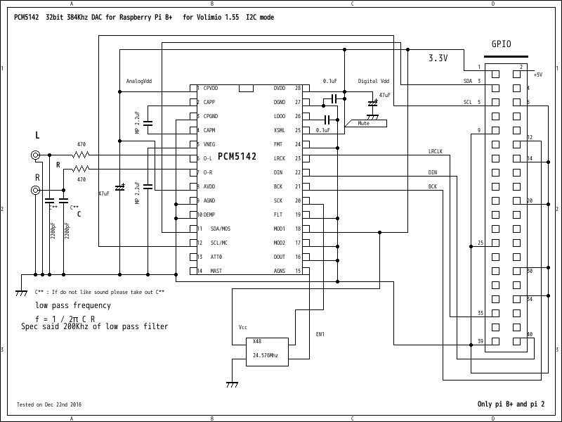
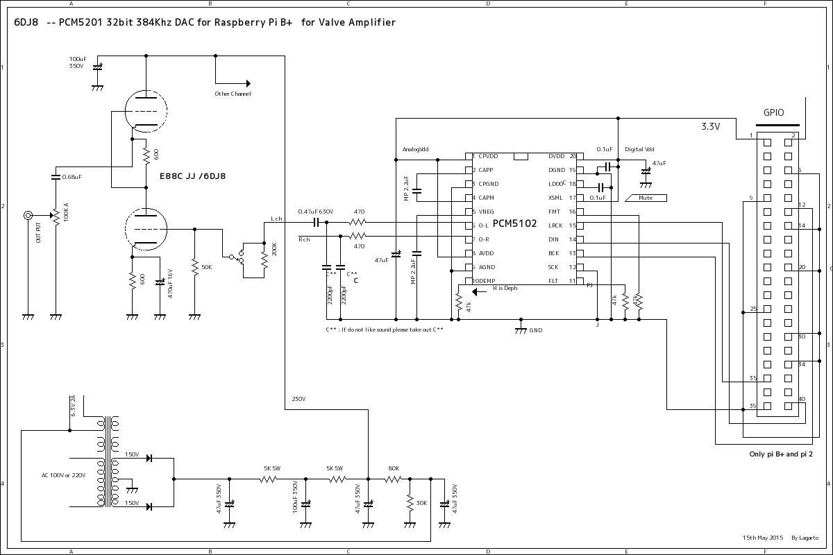
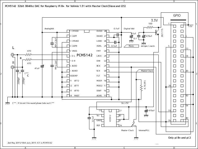
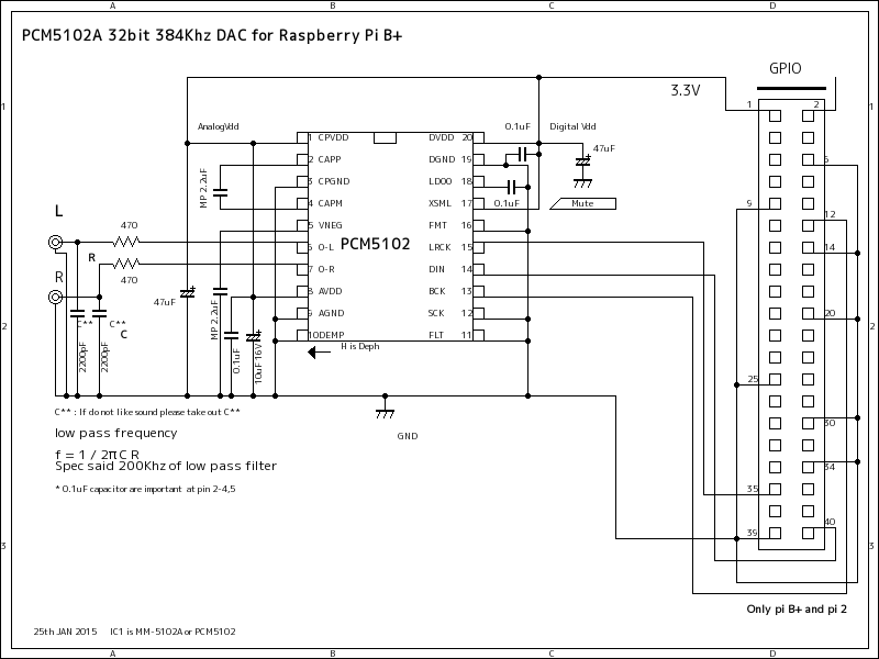
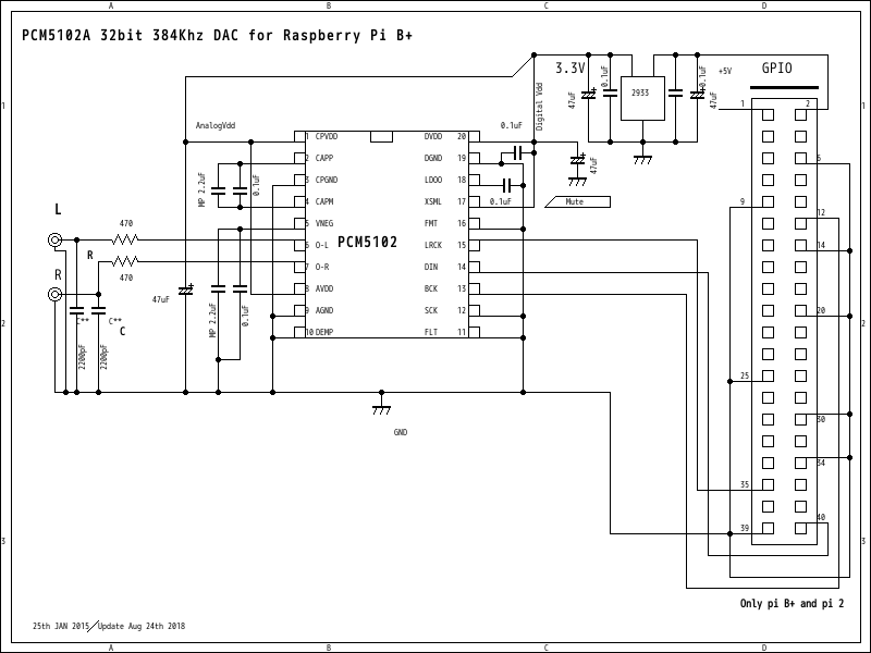
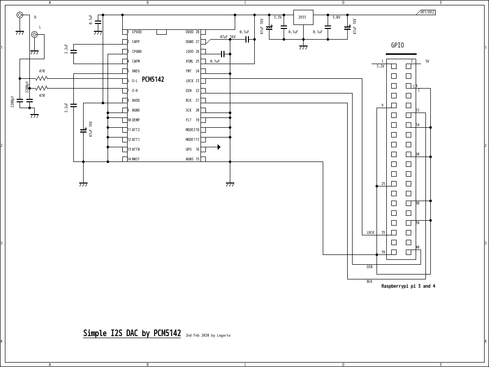
🍓🍓Raspberry Pi B+ for Sound source
|
|
|



















































































































then check each site then get pls .m3U files.which do you like.



![]()

| Component |
component name |
Quantity(QTY) |
|
| IC I2S DAC |
PCM5102A BB by TI |
1 |
|
| Headder soket see No1 |
Headder for Raspberry pi B+ 40 pins |
1 |
|
| LSI pcb mount see No2 |
20 pins dual inline pins for PCM5102A |
1 |
|
| Capacitor film |
0.1 uF 16V film |
3~4 |
|
| 2200 pF |
2 (depend on sound) |
||
| resistance carbon |
470 ohm 1/4 W |
2 |
|
| Capacitor non polar |
2.2 uF 16 V |
2 |
|
| Electric Capacitor |
47 uF 16V |
2 or more |
|
| 10uF 16V |
1 |
||
| small universal PCB |
5cm x 7cm |
1 |
|
| small LSI PCB for PCM5102A |
see No3 |
1 |
|
| Wire for backside PCB |
Wire |
around 10m |
|
| headder pins |
see picture |
some |
|
| RCA out put |
RCA connector for output |
2 |
|
| LED blue |
LED Blue |
1 |
|
| Chassis(box) |
box any type by aluminium |
1 |
|
| |
|||




























































































































































































































































































In this case you will have to download the script and install the application in the Root or General User. There are many paid applications that are available, and I'm sure this one is well done.

Installing with ssh
![]()

Libre PCB oct 2020
Kicad Install
$ sudo apt-get update
$ sudo apt-get install kicad
Raspberrypi digital out without HAT
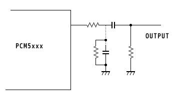
Raspberrypi does not have audio analog out .because originally pwm out then low passfiler by active filter IC ,then get Audio.please see nex URL
Circuit Editor for Linux by Kicad is best
You can use Qtbsch for x86, but these applications are not available for Arm processor PC .so have to choose the other side of application.
Kicad is good for raaspberrypi work station. Kicad is family of KDE and Plasma so have to install plasma desktop into Raspbian.
$ sudo apt-get update
$ sudo apt-get install kicad
that's all.and you can use by Raspbian

Show Kicad by Raspberrypi 4 Rapbian buster
![]()
How to use Kicad
SPDIF using without HAT but not raspberrypi family
Select your DAC from Overlay
For Raspberry pi, you can select the I2S DAC by editing /boot/config.txt. The driver is in /boot/overlays/ and you can use your DAC by editing the config.txt file.
You can use Nano or Emacs to edit them. In my case, I use Moodeaudio, which looks like this
pi@moode:/boot $ cat config.txt
disable_splash=1
disable_overscan=1
hdmi_drive=2
dtparam=i2c_arm=on
dtparam=i2s=on
dtparam=audio=off
dtoverlay=justboom-digi
#dtoverlay=pi3-disable-wifi
#dtoverlay=pi3-disable-bt
Hifiberry is expensive in Japan, so I use justboom-digi, and the DAC is a homemade 198Khz 24-bit DAC. I'm very happy with the sound.
RuneAudio 2020

For Raspberrypi Zero ,2 and 3 and 4 Down load URL but thaird party
Try again doing build up I2S DAC 9er Dec 2020

how many times do it's I2S DAC
Circuit diagram creation application for Raspberrypi 4 Raspian
I tried using various applications for ARM, but all of them are difficult to use, isn't it easier to use? There are quite a few digital circuits, but I don't have a library of vacuum tubes. For X86, Qtbsh, Calduas, etc. are very good, but
On ARM, these applications can't be compiled, I think Kicad is good, but it's complicated, so let's use Inkscape here. I think it's very good. The library contains the parts of the schematic made with Qtbsch, which are commonly introduced.
I will use it. Since these can be saved as png originally, make a lot of parts library of PNG file. Cut out the schematic parts and save them with a PNG extension. After that, I will create it with Inkscape. It lacks the freedom of QtBsch,
Well, there is nothing that can't be used. Save the library as SVG or PNG. The save directory is under .config /inkscape /symbol.
Circuit diagram drawn with Inkscape h5>
For LibreCAD Arm
KiCad is complicated to create components, and even if components are created, detailed settings cannot be made. Basically, since it is CAD for PCB, I think that there is no freedom to create a circuit diagram. I think Inkscape is easier to use.
The component still needs to be crafted with other image editing CAD. There is a drawback that it cannot be saved as a part. There is no better CAD than QtBsch, but since Wine cannot be used on ARM PCs, it is an application for Windows.
cannot be used. Let's use LibreCAD. You can install it with $ sudo apt-get.
For Linux, copy the system library into the home directory. It will be .config /inkscape /~. The library opens commonly used schematics in GIMP and displays them in Inkscape.
Make a copy of the library from the schematic. The extension at that time is SVG. If you copy the symbol of the part into the symbol set, it becomes a library of electrical parts. Then draw a schematic using Inkscape
I will go. There are problems such as how to draw lines, but I think it is a usable tool. Once written, save it as SVG or export it as PNG.
The Tool closest to Qtbsch was found.
$ sudo apt-get update && apt-get install geda pcb gerbv
In other words, there was a gschema. It is a circuit diagram Editor that I did not notice after installing it before. You can edit the library lightly, and the lines are easy to stick, so it is a circuit creation editor just like Qtbsch. Lighter than anything else
Also, it is said that you can edit for PCB creation. I think you should make a lot of libraries. I think it is very good that straight lines are easy to draw.

It's basically GEDA. I think it's very light.
qcad is light.
No matter what you use, it's heavy and you can't get a straight line. Even if you can draw a straight line, the line doesn't connect. It's the same that the parts and the straight line don't connect. Kicad is complicated, it doesn't draw lines well, and it doesn't have individual parts.
I can't draw acorn-shaped vacuum tubes or circles clearly, the library is too complicated to enrich the library. In such a case, I easily lose to Qtbsch, and it is difficult to write on an ARM PC. LibreCAD and Qcad are very similar.
But I think Qcad, which has a lot of libraries, is good. The library can be created with Inkscape. If you're writing on an ARM PC, I think it's better to install 64-bit (formerly XP or Windows 7 PC) Linux on an older Intel PC and then install Qtbsch.
Qcad can be installed with $ sudo apt-get install, so please install LibreCAD and use it properly. I think Qcad is light.
Start drawing Qcad tube schematics
Editing with gEDA Circuit diagram creation

It is a circuit diagram creation by gEDA. This application is the lightest, but it is very difficult to write because I am used to Qtbsch, but I was able to create a circuit diagram. It was like this when I started using Qtbsch. The sym file is the part. The part creation application
No, so copy the base and delete it to make a new part. The attached parts are large and will protrude from the circuit diagram, so reduce the size to less than half and make the parts. First, open the file manager at the root and click on his sym file to open gschem.
There is an original part, so first delete it, leaving only the name. After that, I will patiently make parts. Save the most frequently used parts together in the tube amplifier parts folder (pseudonym). Close the root file manager and start from the beginning
I will draw a circuit diagram using the created parts. You can also draw a circuit diagram on an ARM PC, that is, Rasbian. I think that only long-suffering people can do it. I will make small parts when I have free time. The parts are
In my case, I saved the vacuum tube library in /usr/share/gEDA / tube. I don't think I'll use it because it's difficult to use, but I tried it.daefaults is black backside so can replace to white paper.
Not only Arm, but also foreign schematic editors are useless. If you want to write schematics in Linux, you need to use Qtbsch.
If you want to draw schematics on Linux, please install QtBsch on your x86 PC and draw schematics on it. If you want to draw schematics on Linux, you should install QtBsch on your x86 PC. It can't be used in applications that can't draw straight lines and intersections accurately.
I can't use it in my applications.
Rechallenge Pi-Zero W Music Server
.
This PI-Zero is an Arm6, so it is slow and lacks a LAN port.
This PI-Zero is an Arm6, so it's slow and doesn't have a LAN port, so I need to add a LAN port to use it.
If you want to use it as a music server, you still need a LAN for the speed setting.
The Nanipi-Neo2 is much easier to use, but there are very few operating systems that can be used with this PC board, such as Armbian or Dietpi.
If you want to use it as a music server or for other experiments, you should use Pi3+B or higher version.
If you are looking for a music server or other experiments, please choose Pi3+B or higher version of Raspberrypi. We have found that small one-board PCs are very difficult to use.


Raspberry pi zero + USB board

Nanopi-Neo2 Music Server + ES9023 DIY DAC Volumio2 TKZ Version
.
I've found this Nanopi-Neo2 Music Server to be very good sounding, and the Nanopi-Neo2 is able
to SPDIF the signal directly out of the board's port using the Dietpi Buster.


all of volumio2 by pi-zero
Using Rune audio in the background using as Archilinux Music Server
.

This is Runeaudio, a 3rd party version that is very heavy and the menus are not very detailed, but it uses Addons and Cantata to serve as a music server.
It's not so much that it's difficult to build, but that the menus are not very detailed, so you need to be familiar with the normal RuneAudio to get it to work properly.
So I use Cantata and SKYMPD together. I don't use Webui, only the mpd client.Music Player Daemon 0.22.4

Cantata is so easy to use that it can be used as a fully featured music server for Archlinux
.

control by cantata and install radio by comand line sound is very much good archilinux sound


This operating system works by editing mpd from the SKY MPC and ssh command line. In other words, the detailed settings are configured using ssh. You can check the operation with runeaudio's WEBUI, but
.
I think cantata is the easiest to use. This is the fastest way to use RuneAudio. The sound is Achilinux sound. I use Moodeaudio as my NAS.
The Moodeaudio has a 2 tera hard drive, which I mount with CIF. If the connection is stable, this will allow me to transfer music from other servers to this one.
You can listen to music from other servers through this Archlinux music server.
# mount.cifs //192.168.1.2/a4C0-f0f0 /mnt/MPD/Music -o vers=1.0 iocharset=utf8
You can now load the music files from the NAS. For the internal share holder, type # chmod 777 /mnt/MPD/Music or similar from the command line to grant permissions.
so this version has HDMI can use monitor show Album picture.
The sound of rAudio is very similar to the sound of Dietpi's compiled version of mpd 0.22.3. rAudio is Archlinux, but Dietpi sounds very similar to the sound of mpd compiled from source.
I think the previous version of rAudio sounds better, but it has the same tendency as Dietpi.
I've installed a new version of rAudio, and the low frequency sounds are much better.
The sound is exactly the same as the compiled version of Dietpi.
I'm not sure if this is a good thing or a bad thing.
You will need to build it with ssh. For internet broadcasting, create a Webradio directory under /mnt/MPD/, download Radio.tar.gz from outside and add it with Addon.
At first, I couldn't log in with ssh, but then I found a description in Github that said #root passwd is ros. This will allow you to edit via ssh.
New rAudio from github, 


Rune Audio play DSF as Dop

RuneAudio by Raspberrypi4 B and sound is Archilinux sound

RuneAudio by Rasp pi4



rAudio Rune Audio for pi4 sound is great .very nice
passswd ros for root : new rAudio by ssh
Brand new rAudio github from
by ssh cd /mnt/MPD then wget Webradio.tar.gz then tar xvzf Webradio.tar.gz and go to Addon Webradio add by Addon menu.you can get radio channel.
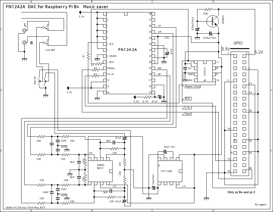
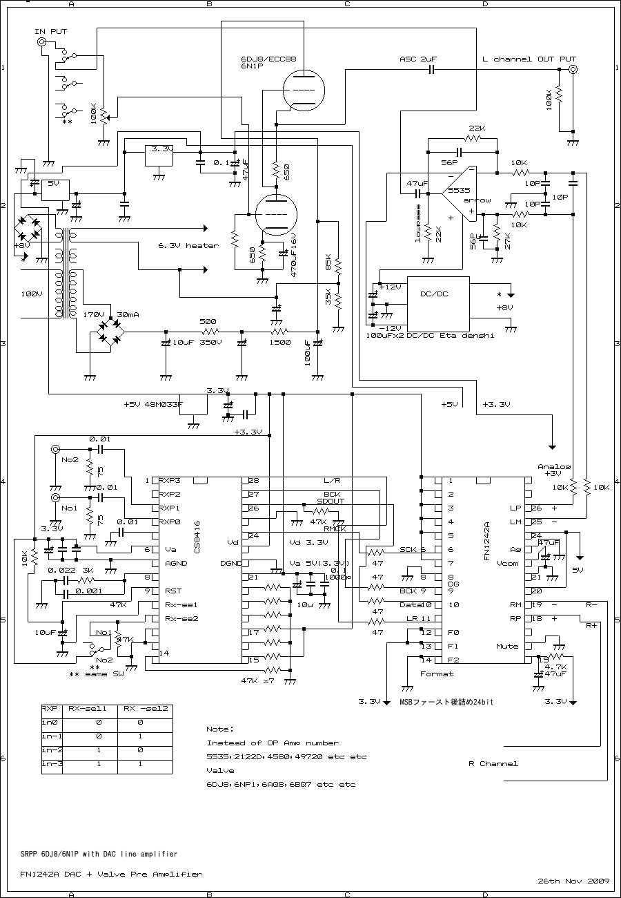
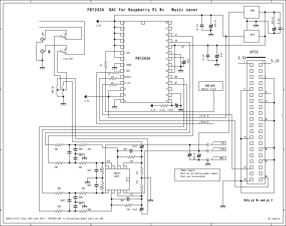
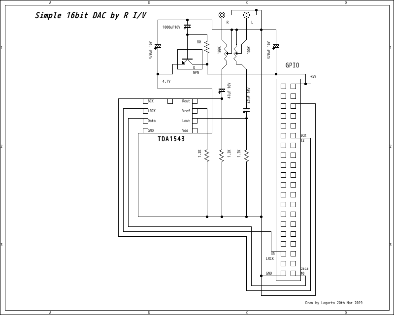
I've been using the FN1242A for a long time.
I've been using the FN1242A for a long time and it's a very easy to use voltage output DAC.
I think it's very easy to use.
I've been using the FN1242A for a long time.
The disadvantage of this Runeaudio (rAudio) is that it can't select music or stations, you can use SKYMPC to select music, Cantata is also fine.
if you have some problem mpd can not start .you can see error massage on WEBUI of RuneAudio.so use ssh can edit mpd.conf file.
The sound of this mpd and the mpd compiled version of Dietpi are very similar. It's hard to tell which is which in a blind test.
mpd should be compiled with the latest version of the sources.
I think that mpd has everything you need.The presentation of RuneAudio (rAudio) is very good.
a small shock can cause it to stop working.
RuneAudio has a disadvantage in that it is not stable enough to run in a distribution that stops working at all. In addition,
the use of new files for everything makes the library incompatible and unreliable.
This is one of the reasons why the development of RuneAudio has been halted. You need to be off the net to use it properly, and Samba is not perfect.
Since these applications have been removed, the RuneAudio music server cannot be used as a music server, and even if it could be used, it would not last long.
The sound is better and more stable with the Dietpi mpd version compilation. The unstable RuneAudio,rAudio. This has always been the case.
RuneAudio is not a regular version, but it can be updated with Pi Zero and a few. Pi4 is not possible. This is because it is not synchronized with Archilinux.
Zero, A, B, 2 and 3 can be updated.
When I actually update it, mpd is the latest 0.22.6. In Dietpi, it will be 0.22.6 depending on the compilation. I think you should also install emacs.
RuneAudio Linux is Archlinux so standalone music server.does not mount any NAS.
Update by SSH
RuneAudio and any Archlinux family does not have smbd so can not use as Music Server is bad point
Raspberry pi B play by mpd 0.22.6 update pi4 can not Update h3>
h3>
In the end, SAMBA cannot be done. It's a stand-alone music server. If you use Cantata etc.,
the music of the work station will be read. You can also use Cifs-utils to read the hard disks of other music servers.
So, load the hard disk currently mounted on MoodeOS. As an example, access with ssh.
RuneAudio: ~ # mount.cifs //192.168.1.3/A4C0-F0F0 /mnt/MPD/NAS -o vers = 2.0 iocharset = utf8
This will load the Moode Audio hard disk. The control uses SKYMPC. Cantata is fine. Let me introduce two images.
Load with Cantata. Basically, the settings are made using the terminal.
Since the WEB UI is heavy, display it + set it slightly.
The sound is the sound of 022.6 mpd. This is a unique sound of Runeaudio.
Introduce Raspberrypi pico

raspberrypi pico as micro controller・C/C++、MicroPython only can not use Linux

assignment of pico raspberrypi
If I left runeaudio alone, I think I'm updating it without permission, and I'm also changing the WEB UI without permission. Something is easy to use. However,
Samba doesn't work, so I use CIF to link with other servers. For Webradio, create /mnt/MPD/Webradio as explained before and unzip Webradio here.
You can build an internet radio by configuring with Addon. Webradio can be wgetted from my site or brought from other external sites.
please use slimjet browz for control .slim jet get from

Slimi Jet browzer see good
Volumio3 is not buster In other words, mpd remained as it was. Why doesn't Volumio use Buster? does not have "no development ability??"
It remains mpd 0.20.18. Better yet, I think it's better to use mpd 0.20.9. If this is the case, the DSF will not skip.
Create m3u Create playlist
$ ls *.mp3 | sort> playlist.m3u
That's it. If you open the terminal and enter the above in the holder, m3u will be created automatically. Because I have Linux
This is easy to make. playlist name make proper name of file
The internal file is m4a, but please change only the extension

Playlist makes
The cover can be displayed because there is a play list
Playlists are automatically generated by various methods such as Moodeaudio and Runeaudio, and each link etc. pulls in the carver image.
Generally, if you save it in a folder with a cover called folder.jpg
The image comes out, but I think that there is a hidden code in MP3 and WAV and it pulls in the carver.
I think it's also good to register on last.fm. However, these dangers extend to the hard disk
Because it searches, the cover may be displayed through Google from the label or Amazon, and if you are playing the music you are listening to in the room,
that is, the music on the hard disk, the same song will be displayed from the Internet radio.
What you hear is a very strange phenomenon.
Be sure to change the password as some people access it from the outside even if it is not connected to Wifi. OS is both Mood and Volumio2 Rune. The music server doesn't stop suddenly, so if someone accesses it or tries to fix it
It will stop in case of so it is recommended to change the password. Defaults are high risk and the contents of your hard disk can be stolen or deleted. be careful.

Click the + icon, write the data in the menu that pops up, and add the Internet URL
MKV youtube file sound conversion
MPD 0.22.6 can basically play anything. MKV used on youtube can be played in the same way as mp4. No format conversion required, although early MPDs couldn't play in any format
You can play the default mpd of Ubuntu Buter that is currently used in any format. Now MKV is easy to convert to MP4. If it can be converted to WAV, it can also be converted to DSF based on it.
The easiest way to use MKV is with VLC. The sound is very good even with MP4, and when played with Mood Audio, it is displayed as Mpeg.
VLC sound convert from MKV to wav

youtube MKV saved file play by MoodAudio 7.1
I think that people who have a site are in trouble due to the abolition of flash player.
I think the person who owns his site was very confused by the abolition of Adobe Flash Player at the end of 2020 last year. This was a fairly complicated script, but I played it using an embedding called fladance.
It was said that it can be played in HTML5. That said, you need to study HTML5 and you also need an application.
There has always been an easy way. So let's introduce it here. Youtube has a copyright relationship, so permission is not given and I upload it to Youtube by trial and error.
It usually doesn't go smoothly. h4>
replaced flash player
His demo of NASA is his Video.
Mood Audio FN1242A DAC + SPDIF Hat is used 2A3 single amplifier center>
This video needs to be edited with Avideomux because the same MP4 could not be played on the smartphone MP4. I got an error in the mp4 before edit.
For that purpose, edit the video to fit the website.
I'm using Avideomux of Fedora core Linux very much usefull application for edit video
Edit mp4
If you do not edit the video taken with your smartphone to introduce the video, you will not be able to introduce it on this site and an error will occur. I edited this operation in detail more than 5 years ago.
Recently, thanks to youtube, I didn't edit these and just uploaded the video to Youtube. Since the flash player has been abolished, it is necessary to edit the video again.
In my case, I use Avideomux. I use it to edit AVI and MP4.
Raspberrypi OS for Raspberrypi 4 64bit
Raspberrypi 4/Raspberrypi Kano/windows 10 pro
There seems to be a Raspberrypi 10 pro by Raspberrypi Kano version, but I think it's a slow speed. This Kano is an educational PC for children.
I won't introduce it here, but it seems that there is also a product version called Raspberrypi 400. I will introduce the link.
Because it is a collection of Benkei, the performance has not improved. It is unavoidable that it only operates slowly. Kano seems to be Raspberry pi OS developed by micro soft?

Raspberrypi 4 + Kano /windows 10 pro
![]()
Install netdata on moodeaudio
actually moodeaudio 7~ is ranpbian buster so can install netdata on moodeaudio 7.xx
sudo apt update
sudo apt install netdata
sudo emacs /etc/netdata/netdata.conf
[global]
run as user = netdata
web files owner = root
web files group = root
bind socket to IP = 192.168.1.X //// your music server IP at home
This will save it. I only use emacs, so please install emacs.
$ sudo systemctl restart netdata
$ systemctl status netdata

netdata by moodaudio 7.xx you can watch netdata for moodeaudio 7~ buster
Fenix Linux for Raspberrypi and PC
![]()
Fenix Linux OS for Intel PC and Arm Raspberrypi 4
Moodaudio is dangerous. Frail firewall
Moodeaudio is dangerous, it will be attacked from the outside and the contents will be deleted, please be careful
using slimjet for Music server show can automatically traduce your language

Slimjet show you your language
Rune Audio update
https://www.runeaudio.com/documentation/troubleshooting/updating/
Please update using ssh according to
. I think slimjet is a good display. Anything can be displayed in the language. In other words, it can be displayed in the language used.
RuneAudio cannot read music from other servers because SAMBA is not enabled, so mount it as follows.
RuneAudio: ~ # mount.cifs //192.168.1.2/6e24-5d74 /mnt/MPD/USB -o vers = 2.0 iocharset = utf8
//192.168.1.2/6e24-5d74 is another running music server or NAS. In my case, I use a 2tera hard disk for Moode Audio, so I use it as a music source.
Arm of runeaudio archlinux has a poor library and is useless It is difficult to download the first OS and then modify it, isn't it?
This OS is up to now. I don't think Archilinux should be used just because it sounds good on an OS with a lot of instability that changes every day,
which is the reason why development has stopped.
I think it's good for making sounds, but I think it's a good idea to install a new version of Runeaudio each time.
Rune Audio update
Install pi-apps
Please refer to the link below. You can install a special installation application. h4>
x86 Emulator
When I searched for
, I noticed that there was an x86 Emultor. It has Box86 in pi-apps.
I thought this was an emulator for Arm, and when I searched for it, I arrived at this page.
Please try it first. Let me do it too. Now that QtBsch has the potential to work, it's great news. With this, various applications for windows may work. may be ???
I think it's justified to use a Linux application for x86. Well, what happens, it takes a lot of time to install.
Mainly games for x86, but there is a description that it works quite well. Now if the schematic editor for X86 etc. works, you don't need other workstations of Raspberry pi.
install by git much better then source install because take a time to install library. so much better use git.please install git before start github.
Box86 + wine using windows Game example
wine install get information from You tube

x86 can do By raspi 4
how to use Slimjet
Slimjet used in multiple languages. I will write it in the edit of the site like this, but to make an English version, save this as txt. does not have a menu to open the file in slimjet, possibly
Perhaps there will not be found. Enter the "/" slash in the URL entry window to see the directories on your PC. Find the desired file in it and translate it into the desired language.
I can point out some differences in translation, but it's better than Google. Right-click on the screen and you will be asked if you want to translate, so select the language. This will give you a better translation than Google.
Slimjet used in multiple languages. I will write it in the edit of the site like this, but to make an English version, save this as txt. Slimjet doesn't have a menu to open a file, maybe it
does, but I can 't find it. Enter the "/" slash in the URL entry window to see the directories on your PC. Find the desired file in it and translate it into the desired language.

Installing Emicrock for win32 on Box86
.
Using Winetrics
I installed emiclock using Winetrics, or to be more precise, using the Wine file manager menu. The application is emiclock for 32bit.
Download the 32bit application for windows and save it in the holder. After that, just select the application from the menu. The installer came up. Maybe you can do it.
I thought. After installing it, emiclok was ready. It stuck to my desktop. Thanks everyone, the instructions on the Qiit site and well, it was helpful.
This is good enough for me. I'm going to go ahead and install various applications. What did you do in the end? A spell
sudo systemctl restart systemd-binfmt Is this the one you installed? I checked the starters with this and it was starting fine.
Traduce by Deepl

emiclock is working properly
.
Refer to Qitta's website and install winetric and others.
When you install the software, you will see icons in the menu and you can follow them to install the applications.
Bsch does not seem to have an icon, so you will need to create one through the path.
I'm not sure if you have to install it each time, but you can search the net for a library of symbols.
I have a reasonably updated version on my site. VA is Visual Analyser, which is a 32bit application recommended for Linux Wine.
Icons and configuration are reasonably well done. I will try to make it cheaper to use.

Wine menu show above
.

Bsch 32bit windows version
.
Bsch library Bsch usage

Visual Analyser for windows 32 bit and Linux 32 bit version
.
I've been using it for half a day, and it still doesn't work very well, sometimes it just freezes. I think they are useful. I'm not sure if it's a good idea, but it's a good idea.
I think it's great to be able to draw schematics smoothly and 100 times more flexible than Kicad or other drawing applications.
I'm using the windows 32bit version of the application.
I'm using a 32 bit version of the application, so I can run it just fine.
I think you should use a larger monitor and a regular PC key board. I'm using a 16" LCD. If you have a little patience.
I'm sure time will tell if the Windows version of Office is stuck or not. I think it's good enough to be used as a toy for both children and adults.

Caldus Circuit do fine too version 32bit

Audio and make circuit too using windows application
Instrumentation applications running on Wine
.
![]()
This application is fully usable as a measuring instrument. It includes a distortion meter, a spectrum analyzer, an oscilloscope, and a signal generator

Visial Analyser for windows 32bit (wine)
pi@raspberrypi:~ $ winetricks allfonts fakejapanese
Apparently, this is important, so after this, I copied the CD and started it from the .exe file in it and did the installation. The result is as follows. This MS is the official version.
Registration is recommended. The PC I used to use this application on no longer exists, so I will continue to use it.

Of course, I was able to install Excel. All I need is Excel
.
photo editor for windows but free
Can install by wine .photoscape X.

photoscape X for windows using with wine
Game TORC by Raspberrypi4 B

Raspberrypi 4 Raspbian Buster + wine
Hidemaru Editor install
For version, please download hm897_signed.exe. I was able to install this version. The configuration is very well done and the installation went smoothly.
There are many excellent free editors available for Linux, and some, such as EMACS, also function as mailers.
I thought there was no need to use a paid editor for Windows, but I did.

Hidemaru Editor for Windows + wine
Installing Bsch on Raspberry pi4
.
![]()
Here is the latest version of Sugyodo's BSCH binaries and library 6.2021
.
First, download bs3vp16050rtl. Unzip it and save it in the wine directory. wine maneger will specify the file. First, install the included RUNTime called C++. Then
Install the Bsch book file, RUNtime is not specified on the file, Microsoft C++ will be installed when RUNtime is installed. This is RUNTIME. Then install Qtbsch.
. When the installation is complete, a BSCH window will open, and you can open an existing file or create a schematic. This is the BSCH for Windows. You can now create a schematic.
By the way, you need to install LCO and other Bsch families each time. You can install them each time. It's not clear whether it will work normally if you pass it through, but it's a good idea to use it every time you install it.
I think this is a good idea. This is the first time that Bsch can be used freely on Raspberrypi Raspbian Buster.
You can write it like this.

Bsch 32bit windows version
.

GMPC and Raspbian Buster
It's a great breakthrough to run Bsch on Raspbian Buster, thanks to WineHQ who developed wine. I think WineHQ has done a great job.
It's great to be able to draw tube circuits and digital circuits on the Raspbian Buster with the monitor attached, just like on an X86 PC.
I've been using the Raspberry Pi4 for a while now, and I'm sure it will be able to run Windows 10 soon.
I can use it as a SUB PC like this without any problems. No power consumption.
You can watch Youtube and of course Netflix and Hule. I've been using it for a few years now.
This is definitely a useful PC for children.
I was able to install photo shop .Itune and Mario Bros game for Nintendo. This part was edited on 24th June 2021.
This is the Microsoft version installed on the Raspberrypi 4 Rasbian Buster by Wine 5.
I'm using Visual Studio Code to edit this. I'm not sure how to use it yet, but Visual Studio Code exists for Linux, but not for Arm.
When you install Wine, you can use it on the Raspberrypi4, and to install Bsch, you need to install RunTime, which is also a free C++ application from Micro Soft.
This is a recent development by Micro Soft, which is aware of Linux. I'm not sure if this is a good thing or not, but it's a good thing.
Now let's try to transfer the file from the Raspbian Buster terminal using GFTP. I used VisualStudioCore for editing, but it was too slow,
so I used BlueFish. There is no problem with the transfer, but other operations are a bit sluggish.
Since I am using LXQT, it might be better to use LXDE or ICEWM, or even JWM or Flwm. The window manager needs to be lightened.

Windows applications installed with Wine: Drawing and Editor installations
.

windows old archive from A to Z
。

old archive for windows

Raspberrypi 4 Raspbian Buster + wine --version 5
TASCAM Hireso editor Let's try it out
.
First things first.
Prepare the WAV file and transfer it to the Raspberry Pi4 B's Raspbian Buster using SAMBA.If you have SAMBA enabled, you can download the file from a music server.
Start up TASCAM's Hi-Res Editor. Import your music files. Then EXPORT. You will be asked what you want to set it to, so set it to 2.8 Mhz.dsf.
All you have to do is EXPORT. Depending on the capacity, the conversion will be done at a very slow speed. Reading takes a lot of time,
but EXPORT also takes a lot of time to make DSF.convert from wav to DSF is a lot of time to take .x11 64bit do about a half of minute but this Case
took time for convert file about 5 minute from wav file to Dsf file by TASCAM editor under raspbian buster with wine 5.xx

doing convert WAV to DSF music file then send to Music Server for play Dsf tested very fine as DoP (PCM)

transfer files by gftp raspbian buster

Using Plasma KDE by Raspbian Buster

This is an image of listening to Netflix in google-Chrome's media position
.

Invader Clone, can be installed with apt-get
.
Invader Clone.
$ sudo apt-get upgate
$ sudo apt-get install open-invaders
That's it. This is all you need to do to install it.
This is a coolon invader game that I used to have in a coffee shop. It is almost the same. You'll enjoy it!
case of Nanopi-neo2 Music server OS is Dietpi Buster

I still have a few hundred albums left, but I'll put the cover image in the folder

she is best looking for any Music Server
![]()
this is only sample for help configure file of mympd.conf located /etc/mympd.conf

Under Current by Bill Evans and Jim Hall
Modify Nanopi-neo2 as above, just attach one resistor and capacitor OS uses Dietpi Buster

This is the only one attached and removed I2S DAC then add header terminal

Basically, the music file of the PC using NAS or Raspberry pi is mounted and the music file is read. Playback is performed on this Nanopi-Neo2. You can also attach a DAC to the Nanopi-neo2,
Since it has an SPDIF output, you can play it by connecting it to your existing DAC with an SPDIF input. In other words, you need an external DAC. In my case, I use my own 24-bit 198 Khz DAC.
![]()
Let's try install windows 11 into Raspberrypi 4

Windows 11 for Raspberrypi4
Currently, raspberrypi4 moodaudio is installed. I make sounds only occasionally, what are you using it for? I am using it as a file server. Because it's hard to use,
I don't think the sound is so bad, but I use it quietly as a NAS or file server because it gets stuck in the GUI. The hard disk has 2 terabytes.
The sound source is used by producing sound from the Naopi-Neo2 Music server on another LAN. Since Nanopi-Neo2 has few ports etc., from the SPDIF output of Nanopi-Neo2 to a self-made DAC
I'm connected. For Nanopi-Neo2, Dietpi Buster is the OS. mpd has been compiled and is now 0.22.11. The mpd Client is controlled by using Cantata and SKYMPC of myMPD PC together.
mpd is 0.22.11. When the latest version comes out, I compile it and always use the new version of mpd. After 0.20.X and above, it became possible to play music files with many extensions.
You can also play MKV and ZIP. ZIP can be played even if it is solidified without decompressing anything. That is the feature of the new MPD. DSF can also be played as a DoP without writing a special script.
Voumio2 still uses old UBUNTU, so mpd has not been updated, MoodAudio is a version of MPD close to the latest version. In my case Moodaudio is used as a file server
I think it is fully functional.
Recent Raspberry Pi: Since it is not an application shop, Raspberry pi without a master clock has no purpose to use, for the time being, 3 units are always operating, but a file server and
I use it as a music server. I've been unemployed due to the influence of Corona, so there's nothing I'm looking for in Raspberry Pai. I don't need expensive DACs, and I have DACs I made a long time ago.
If that DAC breaks, it will run a raspberry pie music server. Raspberry Pai 4 has SATA hardware 2 Tera, so run that file with the latest Nanopi-neo2 mpd.
With only one music server, things can be used satisfactorily. Nanopi-Neo2 is a weak but very good music server. The controls use SKYMPD and Cantata. There is a self-made DAC Nanopi-Neo2
I am enjoying music by transferring with SPDIF of
. This is also a technique that cannot be done without a Raspberry pi4 file server.
Edit images with Microsoft photoscape
I am editing an image using MicroSoft photoscape. You can do the same with the Raspberry pi4 Raspbian buster. The application is installed using Wine.
There are various items, so I think it's good to master them.

Old version of Raspberrypi B+ does not play new Volumio2 so using ver old
Rune Audio new version 0.6
I can create Rune Audio from Archilinux, but I don't have such knowledge, because Archilinux has a complicated method and may damage the hard disk, so I made it a general method. prize.
Here is how to download a general image. First, download the image from the link introduced and burn it to a micro SD.
Let's bake using Echer. The partition is then spread with gperted. This time it is Raspberrpi B + of the old board. Burn Rune Audio0.6 to this.
Remove RaspberrypiB + from the music server and repair it. I installed the latest version of Volumio2, but Samba share was not recognized and saved, but I could not play it.
This music server will be provided to acquaintances. Currently, there are 3 music servers running at home, so this is enough. There are two Nanopi-Neo2, two Raspberry Pi, and one Pine64.
SPDIF output is 3 units. Only one DAC is installed. SPDIF connects to a self-made DAC at the output. This is enough. DSF is for PCM only because there are not many sound sources and there is no chance to hear it.
A PCM sound source is sufficient.
Rune Audio 0.6 new version does not work so this is old version 2020 h3>
mount is used by mounting a temporary NAS from Moodeaudio's hard disk. Rune / Archilinux does not enable samba, so mount it using cif-utils. You can use it with this.
Or attach hardware or USB memory to USB to play music. WebRadio imports WebRadio from the outside.
The method is as introduced earlier. First of all, play music by mounting the hard disk
mount.cifs //192.168.1.3/6e24-5d74/ /mnt/MPD/NAS -o vers = 2.0 iocharset = utf8
The new version did not work. This time it is Raspberrypi B +, so it may work with other versions.
How to use fdisk
# fdisk: /dev/mmcblk0
Welcome to fdisk (util-linux 2.30.2).
The contents set here are retained only in the memory until the write command is executed.
Be careful when using the write command.
Command (help with m): p
Disk /dev/mmcblk0: 14.4 GiB, 15502147584 bytes, 30277632 sectors
Unit: Sector (1 * 512 = 512 bytes)
Sector size (logical/physical): 512 bytes/512 bytes
I/O size (minimum/recommended): 512 bytes/512 bytes
Disk label type: dos
Disk identifier: 0x7feae948
Device boot start position Sector size from the end Id type
/dev/mmcblk0p1 40960 245759 204800 100M c W95 FAT32 (LBA)
/dev/mmcblk0p2 245760 4440063 4194304 2G 82 Linux swap /Solaris
/dev/mmcblk0p3 * 4440064 12582911 8142848 3.9G 83 Linux
If you have been using Linux for a long time, you will understand. It's the Linux world that starts with cutting the HDD partition.
This is an example of micro SD, but the same is true for HDD disks. This will delete and create a sector. You can see it by looking at help.
Set with the
command. Delete is d, p is a command to look inside the partition. This technique is the same for DOS.
And cut a new partition with n. Then cut off from the primary. You will be asked interactively how to do it automatically
Please decide the address of the partition. The sectors are numbered and the memory is set accordingly. After setting
It will be saved q just leaves this fdisk. Hand it over to the kernel with w and save it. At this time, an error code appears on the screen
Since it may appear, a note will be issued at that time, that is, an error will occur if it does not connect well with the kernel of the PC.
Since you cannot proceed with the process after that, please reboot the PC to make the same screen. I think it's normal.
You can also fill the partition with this operation, but here, do not use this and use Gparted again to set and format
Please go. Even if you can't format it with Gparted, it often works well if you delete it with fdisk and reassemble the partition.
You can use fdisk and Gparted to initialize HDD and micro SD. I think you should try it many times.
Linn Jazz can not get Sound
Ricently Linn Server is down so does not get contact with server
if would like to get Linn Jazz please pls file . as File1=http://radio.linnrecords.com:8000/stream
then you can get now and 8003 Linn Radio and 8004 is Linn Classic
http://radio.linn.co.uk:8000/stream instead of radio.linnrecords.com
please access by ssh and edit by vi or emacs .edit data files.
Raspberrypy B and Pi-Zero 1000Bps LAN adapter
People who have Raspberrypi B or A (without LAN), Pi-Zero people will feel the need for LAN and the LAN speed is slow at 100 Bps with old-fashioned Raspberry Pi.
Pi-Zero is about 1800 yen including tax with this LAN adapter Yamada Denki. You can buy B + from the beginning, but if you don't know, you can get 1000bps with this adapter.
If you have trouble with skipping sound, just plug this adapter into USB to improve speed.
The built-in LAN port is no longer needed. I think it is convenient and useful for Pi-Zero.
How to use VNC control
Run Raspbian using VNC
First, let's show the image you are using, you can run Raspbian.local on your main PC. It's very easy, so I think you should try it. I think you can use Raspberry pi more than 120% h4>
It looks like it is controlled by Fedora Core 26 64bit using VMC
By doing this, you can watch and operate the games installed on Raspbian Buster and the videos of Hule and Netflix from the main PC (Windows, MAC OS, Linux WorkStation. Of course, you can operate anything.
"Settings" of Raspbian Buster of Raspberry pi4 --- "Settings of raspberrypi" Then set VNC to "Enable" This operation is set on the PC side of Raspberry pi4.
After that, please install "VNC View" on the client's PC side. By doing this, if you are connected via LAN, you can study Linux using VNC even on a Windows PC.
The game can be a slow game, but it seems impossible to play the video. The image quality is poor and the movement seems to be sluggish.
You can check the operation of VNC. Applications installed on Linux and other operating systems
I think it is better to uninstall and install a dedicated and highly compatible application. You don't have to use Samba to transfer files, etc.
If you use it as a server
Internal editing is ready. On the Raspberrypi side, there is no need for a monitor, mouse, or keyboard other than the initial stage. Please try it.
I think it will be an easy-to-use TOOL depending on how you use it.
If the menu is displayed with $ sudo raspi-config, enable VNC. Open a terminal to this and execute.
When the menu is displayed with $ sudo raspi-config, enable VNC. Open a terminal to this and execute.
Download and install the VNC View application for each OS Install this on your main PC
Just show you how to by 2 of photo's and please try do it. very easy to do.

this setup by Raspbian Buster by small PC

this configure set up ssh ssh@raspberrypi.local
The above image is an image taken from a Linux PC, that is, a shot screen taken from the Linux screen of Fedora Core 26
VNC can be operated remotely not only on Linux terminals but also on PCs with different OSs.
If you can not install it with the initial settings, I think that it is a very useful TOOL when the teacher will teach you remotely.
Music server and myMPD that can be done without Raspberrypi
mpd 0.23.2 and myMPD by Nanopi-Neo2
myMPD by Nanopi-Neo2 Dietpi Buster on 22nd Nov 2021
In the case of Nanopi-Neo2 etc., it is necessary to develop independently using Dietpi, Armbian .
Ubuntu are not supported. That's a risk, but depending on how you think about it
You can create a music server as shown above. In the case of Nanopi-Neo2, SPDIF can be output directly from the port, so you can use your own DAC. Since the master clock is out
You can also use a DAC that is normally distributed. It is not necessary to rely on I2S DAC, but you also need to compile MPD etc. by yourself. You can also use the new MPD.
apt-get install samba-vfs-modules Bullseye is a debian-generated Samba error-free, invisible failure, unauthenticated issue. Therefore, files cannot be exchanged.
I was in great trouble. The same is true for Armibian, and when I saw it on the net, it was avoided and I was in trouble because there was no report.
If you install samba-vfs-modules described in the blog of the person who moved to Atlanta, USA
It can be avoided, but the entire OS will be enabled, but I don't think it can be used.
As I said somewhere, the Samba error reminds me that sharing would cause security issues and would be abolished. So I have to avoid it in some way
Debian isn't too lazy, Samba just made sharing unusable, not an error. I don't know what to do with this, but it's pretty good in Armbian, so Armbian got his 4.8.
Maybe you're still using it. If you renew anything, you will not be able to reinstall it.
The previous version is python3, but this Bullseye is python 3.9, so the previous version is
I can't compile even the source.
winbind: Is it a shared program to be embedded in Samba? The conventional Samba had these built-in. Starting with 4.13, this winbind is required. In this application
It will be possible to use it in the same way as conventional samba. For CentOS
yum -y install samba-winbind samba-winbind-clients ← winbind installation
It is said to be
, so you can find an application that does the same thing in Debian. There are other settings.

myMPD + Nanopi-neo2 Music Server 30th Dec 2021 just show you good
This site has the following page, so please have a look there. Use the new Bullseye.
Next Page
Raspberry pi4 comes with Bluetooth
Moodeaudio has a Bluetooth function, let's use that function and pair using a smart phone. Music stored inside the smart phone
The image shown below is the one that is transferred to Moodeaudio and played from the music server. Sound can be played normally.
It goes without saying that Raspberrypi has various other functions, and it is a music server that you can use freely and conveniently. 
Moodeaudio is listening to music stored inside the smart phone

Volumio3 is very fine and Music Server by Volumio3 is very good and mpd is 0.21.18
CEO Raspberrypi doesn't mention anything
However, it is said that there is a global shortage of goods, and it seems that production has been suspended due to the shortage of goods.
This is true. The price is rising accordingly.
In the market in Japan, the arrival is undecided at retail stores, major bases RS, etc. until April. At least no lathberry pie is sold in Japan. This is said to be the effect of Convid-19.
In addition, there is a fact that it is used for medical equipment related to the heart and respiratory organs, and it is said that the spread of embedded Linux equipment is related to the shortage of goods. Amazon and others sell at several to 10 times the regular selling price.
If you stick only to the music server, it is a fact that you can make a music server with Nanopi-ne02 at a low price even if it is not a Raspberry pie, and it depends on your ability as a hobby.
The question is to study Linux. I'm an active office worker over 71 years old, a home experimenter, and a garage maker. It is even poorer. But in a world where you can build your favorite audio cheaply
Is it because of mpd? Mpd will make the sound even better. Let's get better sound from your music device amplifier and speakers

Nanopi-Neo2 mympd and mpd is 0.23.6 on 6th May 2022

Nanopi-Neo2 Music Server mpd 0.23.6 new version mpd
Raspberrypi Zero W by Bluetooth with MoodeAudio Sound depends on the DAC, but I think it's an easy-to-use method.

Moodaudio 8 by old Raspberrypi B and show by Microsoft Edge Linux version
Moodeaudio ver 8 is a problem that samba share cannot be done
MoodeAudio 7,8 cannot samba share, so the shared part can only be USB or mounted. That would reduce the convenience.
This is because Version 8 uses Bullseye as the original OS, so Samba cannot be used. However, other mounts are not possible. When I tried to mount it, it was rejected
Why? Speaking of which, Debian Linux, the OS that is the basis of this OS, can install Samba from the new Linux distribution, but it has been removed.
I'm guessing that the Samba share was removed because the number of people using Linux for the music server increased and the security deteriorated.
This has been an OS that cannot be shared by Archilinux for several years. After migrating from Buster to Bullseys, I realized that Share was not possible.
So I will use the wsdd method based on the same experience as Armbian Nanopi-neo2. Since it will be 100% successful, please use this method to secure the Share part.
I will post the Link, so I will install it referring to it. You can also transfer files with Moodaudio 8.
By doing this, you can mount the NAS and access it from your PC, please try it, and you can use many internet sites with Cantata.
Links to solutions
![]()

Using Moodeaudio 8 with Samba Share mpd 0.23.5

You can use samba share with MoodeAudio 8
Production of Raspberry pi has stopped. It is the influence of Corona Covid19. The whole world is spoiling China. It's very regrettable. The world is flooded with Chinese products and problems are piled up.
The countries and the United Nations that do not resolve them politically have finished their role. Production of the Raspberry pi has stopped worldwide. When will the Raspberrypi 3B + be resold?
I think it is the responsibility of the nation that even Japan has no products made in Japan due to the fact that the manufacturing industry in the world has left it to China. It will be very important to be reviewed.
If you use it only for music, Nanopi-Neo2 is enough. Two music servers made with Nanopi-Neo2 are in operation. Call for early remanufacturing of the Raspberry pi. A set of hugs by these turmoil
Sales and price increases should be avoided. What about the plan to give PCs to children around the world at the lowest prices? I just want to avoid raising prices with human ego.
moodaudio 8.x uses Debian Bullseye
Bullseye OS has disabled samba. Therefore, I made the Shre part unreadable. Here, we will incorporate a server called WSDD into these servers. As a result, even with Moodeaudio 8, NAS mount
is now possible. I think that WSDD will be incorporated by Default in the future. This integration makes it easy to enable Samba. Please try it.
I think this is good news for Debian-based operating systems. I use Fedora Core 26 for my workstation. It's been a few years since the end of support, but I was using a technique other than Samba. External application
I don't know if it's called
or RunTime, but it came with an application other than Samba. Well, it is a Debian system, but I will tell you the method below. I think it's good news. It is obvious when you look at the image above.
There is an example of this process seen somewhere. I'll give you a link so you can test it yourself. There are no particularly difficult settings. Just in case, I will write it as a memo here as well.
solution for samba
![]()
Bullseye + cantata Music Server and Samba
1] Connect to it directly in explorer by it's ip address - for example:
\\192.168.1.100
[2] Win10 can use mDNS to connect to the server - addressed by it's host name with a .local attached at the end:
\\ubuntu-server-host-name.local
Just make sure avahi is installed on Ubuntu:
sudo apt install avahi-daemon
If you really want Win10 to be able to discover your server you really only have 2 options:
[A] Win10 uses something called WS-Discovery ( WSD ) to discover hosts. Samba doesn't do WSD but with a bit of work you can make it work:
Download the folder:The person who stated that it will work with a few operations wrote the method. Download and install wsdd.
wget https://github.com/christgau/wsdd/archive/master.zip
UnZip it:
#unzip master.zip
Rename the python script:
sudo mv wsdd-master/src/wsdd.py wsdd-master/src/wsdd
Copy it to bin:
sudo cp wsdd-master/src/wsdd /usr/bin
Copy the systemd service file to /etc/systemd/system:
sudo cp wsdd-master/etc/systemd/wsdd.service /etc/systemd/system
Reload the service:
sudo systemctl daemon-reload
Start the service:
sudo systemctl start wsdd
Enable the service so it starts at boot:
sudo systemctl enable wsdd
[B] Enable NetBIOS on both Win10 and Ubuntu - This is something Win10 is trying to get away from since it considers it a security issue:
In Win10: Control Panel > Programs and Features > Turn Windows features on or off > SMB 1.0/CIFS File Sharing Support > SMB 1.0/CIFS Client.
In Ubuntu: Edit /etc/samba/smb.conf and right under the workgroup = WORKGROUP line add this one:
server min protocol = NT1
You would think that a simple restart of the service would be enough - and it might be in your case:
$sudo service smbd restart
But NetBIOS is a relic of a bygone era and you might have to reboot the box.
NetBIOS is a nasty thing to work with so you may need to do some other tweaks to get it working.
as Share

Moode Audio 8 + wsdd samba music from NAS using samba
This is the screen for operating Raspbian Buster from Fedora Core Linux using VNC Viewer. Wine is installed on the Raspberry pi side, and the light application for Windows is
It is ready to work. The image below is the login screen. Basically, if you can see the network, you can use VNC.
It is in the state of Network, and it is not displayed because Windows 7 is not turned on. In the case of Bullseye, it will be a little different
If you are using Raspbian Bullseye, you may not be able to do VNC without installing wsdd. Please understand that. First, install WSDD and configure the settings
I think it will be after
.
Login screen
Recently I use Google Translate. Please understand that the meaning may not match.
I hope Google's accuracy will improve, but it seems impossible. Thank you for your understanding.

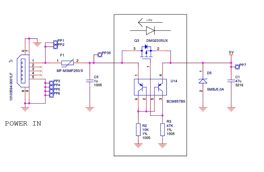
Raspberrypi B+ Music Server
Raspberrypi B + Music Server Old element 14 Raspberrypi B +
Sony does not manufacture any new products, so I don't think the domestic version of Raspberry pi will be available in stores for the time being. If you only have a music server, you can also use Nanopi-ne2, so please use that.
on 20022 july , due to the influence of Covid 19, Raspberry pi B + 3B + Zero w 4B is no longer sold in Japan. Production will be discontinued for several years.
It is an unstable country with unstable domestic politics and no political party to dominate. Prices are rising, and it is regrettable that Pfizer's vaccine will kill more people. Japan will end as it is.
This music server can be manufactured with a commercially available DAC hat, and can also be used with a high-end DSD playback board. Since the latest version of MoodeAudio 8 or later uses Bullseye, knowledge of Linux is
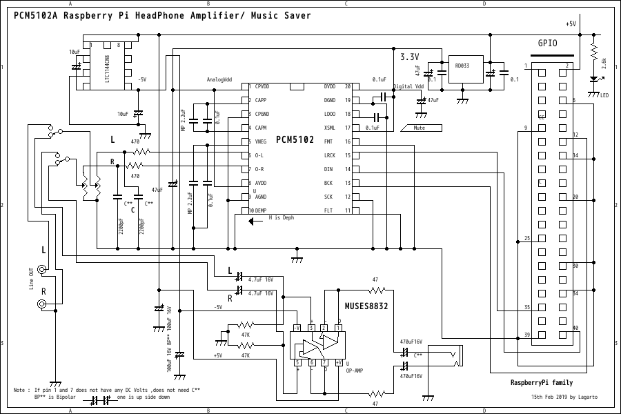
Required. I don't think you can install and use it sufficiently unless you can type at least commands. Even old people can do it, so make some effort. In the output part in the circuit
Please add a non-polar capacitor of about 2.2uF 16V to the output. Also, if you have Zero W, you can easily use Bluetooth with Moode Audio.
Since it is a Bluetooth receiver, you can operate it in the same way as the sound bar. Now you can pair your smartphone with your smartphone.
I'm so sorry about English etxt is traduced by Google from Japanese tetxt.

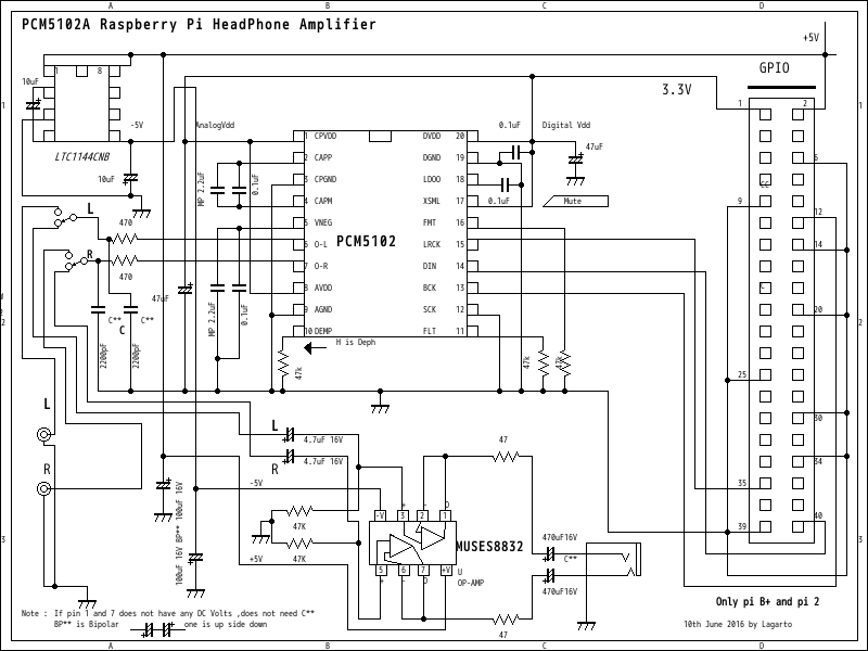
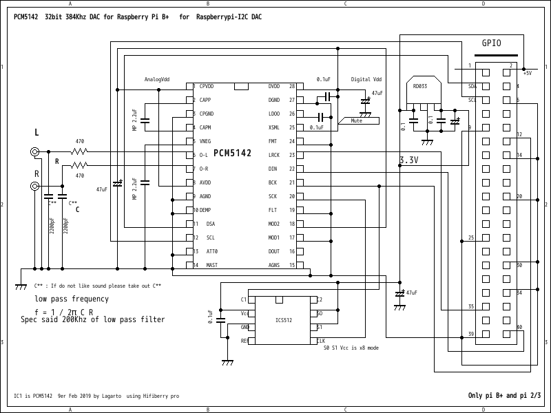
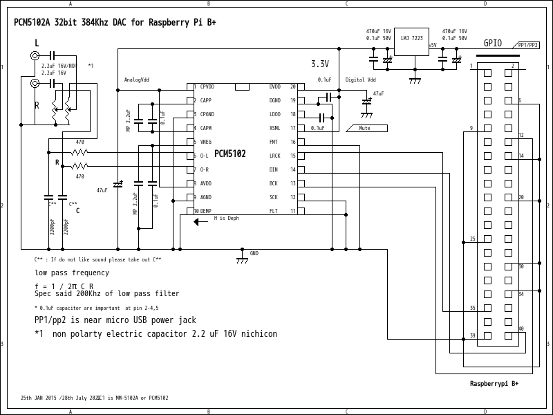
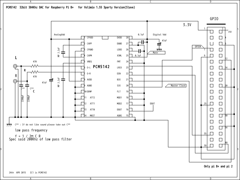
Music Server schematic diagram for Raspberry pi B+

Whoever made the Raspberypi Zero is either stupid or dumb
Even if it's made small, it's difficult to build, and since it doesn't have a LAN port, you'll need to attach a LAN adapter. The same goes for A+. why did you make something like that
Should we? I don't understand, I didn't make it smaller to improve performance, I just made it smaller by removing the stuff that came with the Raspberrypi B3+. It's good for use as a board
Because it is small, if you attach a peripheral device, it will be too big and it will not fit in a small case, so there is no advantage.
Nanopi-Neo2 is small, but the LAN port and USB are normal size. Moreover, it is 64bit, and you can work without any inconvenience. It is because GPIO is divided into two systems
It's easy to work with, and it's great that the master clock is available. The raspberry pi does not have a master clock, so if you want to make it a music server, you have to use limited hardware.
The external attachment is not too large. The Raspberrypi 3B+ is a masterpiece, but the others are just garbage. It is also out of production due to the corona virus. Dreams like this
Is it over? Mr. Sony, please take care of him, Mr. Raspberry Foundation. Sony cannot make new products because it depends on China.
This sentence was translated by stupid Google.

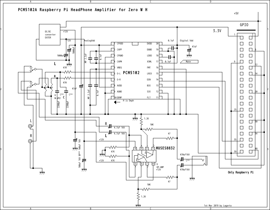
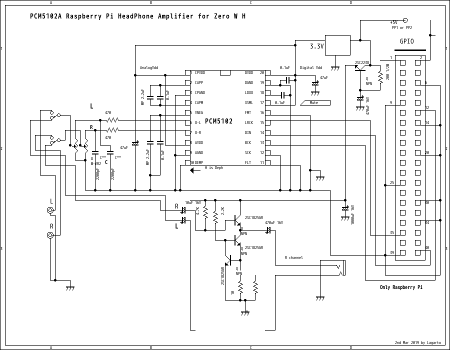
only one I have Raspberrypi Zero w (zero inside) as Music Server with I2S DAC

this is last one which I have pi4 but sold to Germany Audiophile . 12nd Aug 2022
It's August 2022, and there are no longer any normal-priced Raspberrypi boards in Japan. At prices more than 10 times higher than the general public and retailers who own a large amount
It is now available for sale. Even in the regular version, the name is changed and the price is raised to a commercial level. Dream children's Raspberry Pi's gone, with grown-up egos
Low cost boards are gone. I think it will take 10 years to get back to normal. In the meantime, will it be out of print, and will the dream PC disappear in a dream?
There are boards (HAT) that can be used for 4G such as LTE boards, so if Raspberrypi is resold, it is expected that it can be used for phones. no body at all
The United Nations no longer exists if the WHO does not question China's full responsibility for causing the corona Covid 19 and fleeing. The earth has become a satellite of the ego.
In a sense, has the earth entered its apocalypse? It is unfortunate. Japan is also anarchy. Korean residents in Japan can do whatever they want. Where are USA's powers going?
Is it wrong?
A Raspberrypi is required to create a music server, but if you understand Linux even a little, you can use Nanopi-Neo2, Beegleboan, or even Aruduino.
And it was discontinued, and the regular manufacturing company was discontinued.
PocketBeagle and others are PCs for using Claud9 and cannot be used as they are. It doesn't ask for an internet connection.
we can't update because I can't connect to the internet. TI is obligated to develop a one-board OS that solves them. Moreover, the OS is a third party.
And Sony,
I think that Sony's inability to announce new products is closely related to the lack of official versions of these Raspberrypi's being sold.
It is a bad result that a Japanese sound maker handed over all the manufacturing rights to China. It will be something that Japanese sound makers have to think about.
In a way, 50 years ago, manufacturers in all categories that existed in many countries around the world could not compete with Japanese products, and all domestic industries in those countries went bankrupt. should.
And this may be a sin against Japan. I think the CEO of each manufacturer should understand that. The CEOs of Japanese manufacturers are money thieves and ignorant of technology.
Is this the end of the era of the Electronics superpower that is based on such a foundation? Japan is done with Raspberrypi. I stole my children's dreams.
There is no box in elect.It is Japanese English. It should be defined by the Ministry of Education at an early stage. You should say Elelectronics
But Japanese no learn name of electronics . Aere-ctoronics
right now from now on the world of Arduino. A little late challenge, but I bought an ESP32
Is it difficult at this age? I started with Arduino, I did a little bit a few years ago, but I found it difficult to give up. I'm going to study Scratch from now on,
First of all, I bought this to update his DAC for Nanopi-neo2 and Raspberrypi Zero music servers. Currently a 24bit 198Khz DAC made about 10 years ago
I'm using , but I'm making a DAC to replace it. There is a wall of Arduino, so I think it is impossible for the time being, but I would like to try.

This is a Raspberrypi pico, but it is an Arduino that cannot be used as a music server or server.Knowledge of Arduino is required. Knowledge of python is required.
And the Raspberrypi 3 B + and he 4B, which are no longer available for the poor, have become a dream one-board PC.
Only Nanopi-Neo2 can be used and purchased in Japan. This one-board PC can be used as a music server.
There is no official OS and you will be using Armbian or Dietpi. Raspberrypi 3 B+ and 4B are no longer available in Japan and are discontinued one-board computers. Unfortunately it's true

Music Server by Nanopi-Neo2 one board PC lowest cost of them. mpd is 0.23.9 by compiled

We can do to use as Music Server by Pine64 OS is Volumio2 and SPDIF OUT and I2S
Same way can be use Nanopi-Neo2 by Volumio2 too. very good performance for music server both board are no needed additonal hat board

I currently have two Raspberrypi's. Raspberrypi Zero W and Raspberrypi 4B only. Others are Pine64+A and two Nanopi-neo2 machines. I use it as a music server.
Raspberrypi Zero W is also a music server. Moodeaudio is on it. 2 TeraByte HDD is installed. It's SATA. I have it mounted with a USB adapter. Below is
I am compiling Nanopi-Neo2 music server from source with mpd 0.23.10.
< Last one Music Server from Germany by Mr Victor Serrano

Compiling with Nanopi-Neo2 mpd ssh It's already been about 20 hours. It will be over soon

Unit 1 Music Server Dietpi Buster by Nanopi-Neo2 Buster It was a fairly short compilation. mpd 0.23.10
A note on compiling: Please remove the hard disk when installing. Note that directories under music/ will be deleted.
Please also note that the configuration path in samba will be deleted.
install youtube-dl
Installation of youtube-dl. I thought Git was good, but I thought pip was better because of the library.
The old version had problems with SSL due to a bad python version. I was in trouble, but I was able to install with PIP.
sudo -H pip install --upgrade youtube_dl
In this case, it's Ubuntu, but you can install the latest version with pip on Fedora core as well.
For MPD servers mpd 0.23.10 0.22 or higher can be played regardless of the extension In other words, MKV can also be played.
You can play the sound of youtube videos. It can not be played on other players, but if it is a player using MPD, it can be fixed with Zip.
You can play it.
It will be a youtube-URL. Get the URL of the video by clicking on the youtube video with the mouse.
open terminal
$youtube-dl Video URL
Now you can download the video. Of course, you can save it to the hard disk and play it from the music server.
Videos can be played with video applications. By the way, you can also download Facebook videos
recently Raspberrypi 3B+ which we can not buy market on 2023.after covid 19 but Raspberrypi 3A+ can get .
After covid 19 we can't buy Raspberrypi 3B+ for reasonable price.but we can buy Rapberrypi 3A+ easy. but this model does not contain
LAN port and have only one USB port.so need one of USB Hub and USB LAN adaptor.


Raspberrypi3 A+ Raspberrypi Zero W Needed 2 component USB LAN and USB HUB
then setup normal setting up raspberrypi function as music server and workstation.etc because Rapberrypi 3A+ has only one USB port and does not have LAN port.
Youtube is now yt-dlp, which is being developed in the same department. You can use it with the $ yt-dlp URL.
$wget -qO /usr/local/bin/yt-dlp https://github.com/yt-dlp/yt-dlp/releases/latest/download/yt-dlp
Now you can use it.
For example $yt-dlp https://youtu.be/KbNQXnsZZhI?t=28
It will look like this. Playback can be transferred to the music server and the sound can be played with any extension. Videos use other applications.

A clip playing a youtube video
LXQT buster was destroyed by the mischief of Koreans living in Japan from the outside. It's broken from time to time.
After LXQT install, when you boot up again, you will get stuck in Bluetooth and an error will occur and you will not be able to reach the login screen. Press F2 and you will see the status.
A Bluetooth helper error has occurred and the process has stopped there, so in order to avoid that, it is necessary to operate on the host PC with SSH, but I don't want to create an empty file for ssh
I forgot, so you need to remove the micro SD and create an empty file under /boot. You'll have to edit from there.
Excerpts below Introducing reference sites. https://diysmartmatter.com/archives/778
rfkill list is a command to know the status of the wireless unit. When I ran this, I could see 2 Bluetooth and 1 WiFi modules working.
$ rfkill list
0: phy0: Wireless LAN
Soft blocked: no
Hard blocked: no
1: hci0: Bluetooth
Soft blocked: no
Hard blocked: no
2: hci1: Bluetooth
Soft blocked: no
Hard blocked: no
Turn off built-in BT at startup
I searched and found, at the end of the /boot/config.txt file,
dtoverlay=disable-bt
If you add the line , it seems that you can turn off the built-in Bluetooth at startup. With the sudo vi /boot/config.txt command, I added this line and rebooted the RPi.
Confirm that it has become non-operational
After rebooting, I tried the hciconfig command again.
pi@raspberrypi:~$hciconfig
hci0: Type: Primary Bus: USB
BD Address: 00:1B:99:99:99:99 ACL MTU: 310:10 SCO MTU: 64:8
UP RUNNING
RX bytes:1216 acl:0 sco:0 events:70 errors:0
TX bytes:2052 acl:0 sco:0 commands:70 errors:0
Only hci0 is available. It seems that the UART connection module has disappeared and the USB connection module has moved to hci0.
I also tried the rfkill list command again.
$ rfkill list
0: phy0: Wireless LAN
Soft blocked: no
Hard blocked: no
What is this? This is because he has bluetooth and gets stuck with a bluetooth error early in the Linux startup.
This is a article to avoid this. First, create an empty ssh file in /boot. Without this, ssh cannot be used.
I would like to show you on VNC, but a young IT guy from Chonkoro infiltrates VNC and withdraws money from my bank account. Although it is a cyber crime, the National Police Agency
It is a sloppy Japanese national police organization with no management ability. What is the Cyber Crime Division for? A corrupt organization should be abolished.
Introducing again Raspberrypi Music Server MoodeAudio

Raspberrypi Zero Music Server
This is a Raspberrypi Zero W music server. The Zero Type has no LAN port and only one USB connector. for that
A USB port board has been added, and a red board is attached to the bottom. That board is the one that converts the I2S signal to SPDIF. Now you can use it as a music server.
Due to COVID19, it is difficult to obtain Raspberrypi, so I have no choice but to use it in this way. The USB port comes with a USB LAN adapter.
The board above has a USB HUB, a SATA + USB adapter, and SATA is a hard disk. There are 2 Tera bytes. Now as a NAS
You can use it. This hard disk stores tens of thousands of songs, and you can play sounds from an external music server. In my case all sound is SPDIF output
It is managed and finally the DAC is connected. The NAS is great and all music information is available on all music servers.
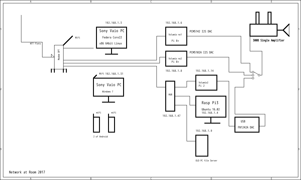
Actually, in my case, I have four music servers set up in the same home LAN. You can listen to music freely at any time. We live in a very convenient world.

Moode Audio music server

nanopi-neo2 Music server It's a music server

Armbian + mpd + myMPD nanopi-neo2 music server

nanopi-neo 32bit Armbian Music Server mympd 11.04 SPDIF out on 3rd Sep 2023
youtube down load
I reinstalled Linux after my PC crashed. Python3.7 is selfish and related applications do not work, so youtube-dl no longer works.
I installed it with git, so it's the source. This was recently replaced by Yt-dlp, which also caused malfunctions. Python is being selfish
I can't even compile mpd. I can no longer download videos. Did Google notice it while searching? youtube download
I added the plugin to firefox. A green icon will appear as shown below. It doesn't matter which browser you use, just the one you usually use.
It has this mark. This is said to be a privilege only available to people who upload a lot of YouTube videos. Recently, there have been a lot of uploads of amplifier sounds, so
I think it's related to that. They started posting instructions on how to do things in the comments. It seems to be connected to Google and Facebook,
For example, even if it's a song, I'll indicate that I think it's a violation, and the comment will show that there are no problems, so I'm uploading the video.
If you make the thumbnail beautiful, everyone will be instructed to browse it.

down load icon added by youtube
yt-dlp from git
You can get the compiled binary of yt-dlp using git. I don't know if python 3.7 needs to be installed.
Just download yt-dlp and unzip it at home. It will be saved on your home page, so create a holder called youtube. cd youtube as
Run. You can install it inside root, but I don't. Run in home.
And run through the path from there.
https://github.com/yt-dlp/yt-dlp/releases is where you can get it.
Example) /home/kmizushima/yt-dlp_linux/yt-dlp_linux https://youtu.be/PJi0PhJVk7k?t=12
It becomes. This is enough to use. Library threads live in these.

This is an image of the video downloaded with yt-dlp and played with mpd music player

MoodeAudio 8.x 32bit version cannot enable SAMBA and SSH. Only attaching memory or hard disk to USB is possible.
However, these may be possible with the 64-bit version. The image above is Raspberrypi Zero
MoodeAudio 8.x 32bit version cannot enable SAMBA and SSH. Only attaching memory or hard disk to USB is possible.
However, these may be possible with the 64-bit version. The image above is Raspberrypi Zero and is not the responsibility of Moodeaudio
The original Debian Linux has a problem with Samba due to his Python. You can use it if you make Samba older, but update the basic language
In some cases, there may be no sound or samba may not be installed properly. The problem with samba not being enabled is on Debian Linux.
The current situation is that it is undeveloped. However, it may be OK for the 64-bit version. Either way, it's better than no sound.
The cause is that you are using an old OS such as Bullseye. I think there are a lot of problems that prevent you from using the new version of the OS.
mpd is also not up to date, the latest mpd is 0.23.15. The one used here is mpd 0.23.4, but it is actually mpd 0.23.04, which is written differently.
You can compile and install the source of mpd 0.23.15 with nanopi-neo, etc., but Moodeaudio does not use it.
Is there a reason?

Moodeaudio8 does not support SAMBA and cannot be used. However, I was able to use Moodeaudio7 up to Moodeaudio7, but in the end I ended up using Volumio2.

Recently I've only been using the Nanopi-neo 32 bit music server, and I use the Raspberrypi as a NAS.

The white case contains a NAS with a Raspberrypi zero W + USB, LAN hat board, and two Tera hard disks. This is where I store my music.
Details: A LAN USB hat is attached to the Raspberrypi zero +W. It can be used as a music server, but since it does not have a DAC, you will need to install a DAC I2S DAC
to use it as a music server. Volumio is the OS. The hard disk uses SATA. This is mounted to the power supply via a USB adapter.
The USB hard disk can be mounted automatically by attaching the USB connector. This sound source will be listened to on another music server.
mount.cifs //192.168.1.13/USB/6E24-5D74 /var/lib/mpd/music/Music -o vers=2.0 iocharset=utf8
The above command is the URL for mounting the NAS. This music server uses Nanopi-neo. This is a command line command for the Dietpi OS.
By entering this from the music server side, you can mount the NAS audio source. Tens of thousands of songs are stored, so you can listen to them freely.

Nanopi Mpd Music Server myMPD mpd 0.23.15
🍓 🍓 🍓 ♬ Building a server this parts 23rd April 2025
Nanopi is no good anymore. It's a kernel problem. C++ is low, and there are other problems
Introducing a music server made with Raspberrypi. Using Raspbian
Nanopi-neo does not have an OS. There is an OS, but the kernel is an early model, so MPD source cannot be compiled. However, there are problems with Raspbian. All OSs released after 2020
>
The Raspberrypi Foundation has not made any changes to the problem of not being able to SSH. I have sent several emails but they have been ignored. It is a sad fact that Sony, whose sales are doubtful, is turning its back on them.
Here, we will use an SPDIF hat on the raspberrypi. Both I2S and I2C signals are required. The driver is built into the OS, so all that's left is to set it up.
The only setting is to edit /boot/config.txt. With this, sound will come out via SPDIF. The rest depends on the DAC and amplifier. If you add the driver as is, the speed will be about 10% faster, so we'll solve that.
The hat board uses a Hifiberry-digi or justboom digi board.
I found that there is an old Raspberrypi Bullseye on the Raspberrypi org site. The buster ended in 2020 and Bullseye was released in 2021. SSH is only possible with versions prior to October 30th.
Boot exists up to this point, but from this point on it becomes Bootfs. SSH is not possible with Bootfs. After testing it several dozen times, SSH is not possible with OSs where Boot is Bootfs.
The FTP site is listed below. If you insert a partial string of the driver in config.txt, it will not fast forward. If you do not add this line, the speed will be faster.
dtoverlay=hifiberry-digi,slave=true> The slave=true part controls the speed. Without this string, the speed will be about 10% faster.
As an aside, be sure to create an empty ssh file in Boot. SSH cannot be used without this. Create the empty file in the microSD.
From here on, I will build MYMPD, but I don't know if it will go smoothly. It worked fine on Nanopi, but I don't know about Rapberrypi.
This is pretty good, I used SPDIF in my case, but I2S would be fine too. Building is relatively easy, just write it in Config.txt.
There is no need to use Volumio, and the sound is good. The installation of mympd was also very good.
The price has dropped so I recommend the raspberrypi 3B+. Use that. The 4 is fine too.

Mympd for Rapberrypi 3A+ myMPD 20.1.3

mympd on 24th April 2025

mympd by raspberrypi bullseye on 24th April 2025
mympd is currently not working properly. I don't know why. I think it will be solved with time.
Cantata and SKYMPC are used to operate MPD. The image below shows the amplifier and the board.

From now on, I will build MYMPD, but I don't know if it will go smoothly. It worked fine on Nanopi, but I'm not sure about Rapberrypi.


I use the 2020 version of bullseys, which has no SSH restrictions. It can't be used after that. I use Dietpi or Armbian.
Please install niginx and mympd by looking at this site. Before that, install and test samba and mpd. After that, install mympd.
I realized that Sony and the Raspberrypi Foundation are taking measures to deny access to Raspberrypis around the world from hackers.
Rapbian OS has a write denial script in the OS, and if you forcibly rewrite the level, the name of the level will change from lowercase to uppercase, i.e., capital letters.
Generally, there is a program equivalent to MRB that determines the initial settings. Its name is boot. OSs around the world are configured like this, but only in Raspberrypi, its name is bootfs.
Simply put, this alone changes the path of the command string in the application program. This makes SSH impossible. In the initial state, SSH becomes possible if you create an empty file called ssh in the boot area, but in raspberrypi OS from 2020 onwards, the name of boot is boots. This prevents Debian OS from modifying political programs.
rapberrypi has been set to not allow SSH since 2020. This is because Korean hacker groups living in Japan are being denied the ability to hack using SSH. If Korean residents in Japan and Koreans are excluded, I think such problems will disappear. Debian's clone OS, Armobian and Dietpi, and music server OS, Volumio and MoodeAudioOS, are not set up like this. They have been rewritten.
This is a prediction, but in order to be attacked by hackers, they are basically designed so that SSH is possible but editing via SSH is not possible. Bootfs display is also set to Boot once accessed. The location of config.txt has also been moved to fireware. There is config,txt in it. Edit that. Edit config.txt to make sound.
When burning the OS, install it with an imager. If you burn it with echer, SSH will fail, so please install it using an imager from your PC. At that time, you will choose your password and OS. There was a problem with mympd due to Cmake, so it could not be compiled on a 64-bit OS. Therefore, a 32-bit OS was used. The name of bootfs seen from the line is also Bootfs. It cannot be edited from the line.
traduce by google


myMPD myMPD 20.1.3 mpd 0.22.5 Raspian OS bulleye 32 bit versin Raspberrypi 3 A+ Hifiberry digi SPDIF OUT. as Music server


myMPD myMPD 20.1.3 mpd 0.22.5 Raspian OS bulleye 32 bit versin Raspberrypi 3 A+ Hifiberry digi SPDIF OUT. as Music server
🍓🍓
To use these, you must have a NAS. For the NAS, use Raspberrypi zero without a playback unit, i.e. without a DAC, and install a hard disk
to create a simple NAS. Or install a hard disk in the main unit. Use SATA for the hard disk. Attach a USB adapter to the hard disk.
This makes it very convenient to use. Use Volumio as the OS for the simple NAS. No DAC is required. Transfer music from this NAS.
When you hear the sound, mount the NAS iP hard disk with the following command. Mount the NAS created with Volumio on the raspberry pi database.
Once executed, the link will not be broken unless the power is turned off, so it can be used continuously for years. Below is the command. For example, create a shared folder called Music on the raspberry pi.
The folder is created using SSH. Create it with $ sudo mkdir Music. Mount the music folder on the NAS to this Music folder. Here is my example.
sudo mount.cifs //192.168.1.6/USB/81EC-DFF5 /var/lib/mpd/music/Music -o vers=2.0 iocharset=utf8
above comand before make ,before install cifs-utils and avahi-daemon must install .
This command can be used for anything, so please take good care of it. 81EC-DFF5 is the hard disk. The hard disk will be displayed on the NAS created with volumio,
so copy it. If you cannot mount it, change vers=2.0 to 1. Be sure to install samba and mpd and check that they work
before proceeding. If it works, expand the area with raspi-config. Now you can save all the music in the free space inside the memory.
mympd is a music server that you create yourself, so it may be a bit difficult, but if you fail, just start over. Please fail as many times as you like and improve the quality.
Linux rules: After creating a directory, make sure to give permission to the path: $ sudo chmod 0777 /var/lib/mpd/music/Music
This will give permission to Music. For a file, use $ sudo touch XXX. For a directory, use $ sudo mkdir XXX.
Check whether it is a directory or a file and create it. When you are done, give permission to the path. You will not get lost. Copy and save complex files.
Do this: $ sudo cp XXX XXX-org. If the original file is incorrect, you can just copy XXX-org again. Do this when you are worried.
If you save mpd.conf etc. somewhere, you can use it many times. You cannot save it on another PC from the command line, so copy it to the music file folder.
traduce from japanese by google
very important page must be read

myMPD on 2025 version 0.20.3 OS is 2020.30th Oct Bullseye version
The 2025 version of Raspbian OS is unstable in every respect. Samba is bad, SSH is unstable. Burn it with the imager application. However
the operation is unstable. There are 32-bit and 64-bit versions, but they are unstable. If possible, please use the 2020.10.30 version.

Mutter myMPD by Bullseye Debian 2020 30th Oct version
I found a way to use SPDIF without a Hat, so I'll introduce it here
![]()
I'll do more experiments in the future. This is for B+, but I think it can be done with A+. That's because recent boards are 32-bit compatible boards
First, read the article and install the driver. You can also convert HTML to PDF for free. Use the add-on. It was possible by default before
🍓🍓 I tried again with a new attitude
I burned it again from the internet onto the microSD of my raspberrypi late last night on May 4th. This time it was the 64bit version of Bookworm. I wrote it when there were no hackers around. This version cannot be attacked by hackers. It is a distribution that is difficult to hack from an outside line. It is quite stable after installation. samba is also normal.
The RapbianOS net image is probably updated over time, and it has improved a lot. In my case, I use Fedora core Linux, so I write it from the command line with # rpi-imager. If you type this from the command line like this, the raspbianOS installation window will open.


SPDIF out Raspbien Music Server 5th May 2025
NASmount is next show when you have volumio as NAS.
pi@raspberrypi:~ $ sudo mount.cifs //192.168.1.6/USB/81EC-DFF5 /var/lib/mpd/music/Music -o vers=2.0 iocharset=utf8
Password for root@//192.168.1.6/USB/81EC-DFF5: password
pi@raspberrypi:~ $ sudo mount.cifs //192.168.1.6/USB/6E24-5D74 /var/lib/mpd/music/Music -o vers=2.0 iocharset=utf8
Password for root@//192.168.1.6/USB/6E24-5D74: password

Mympd 10.3.0 very much stable .bookwoam 64 bit version

Mympd 10.3.0 very much stable .bookwoam 64 bit version 5th May 2025

using Just boom -digi music server. 6th May 2025 Can not attack by hacker

This music server uses an OS that hackers cannot attack. mympd v 10 bookworm raspbian OS
You'll get better results if you create the OS from the Internet. You can write the latest archive to the microSD. SSH can also be set up without any problems.
The BOOTFS format is BOOT, but it looks like BOOTFS from the outside. config.tex is not placed under boot, but is in the fireware below it.
These are probably to prevent hackers from attacking. It's a pretty good process for an apartment like mine, where there are Korean hackers living in Japan.

No errors occur during data loading for Bookworm Raspbian 20th May 2025 samba

rapberrypi OS Bookwoarm 64bit samba is good function image is by net install

Mympd is neatly organized with 24-hour database updates. Please turn off wifi in the settings.
Settings to turn WIFI OFF
Dtoverlay=disable-wifi
If you want to disable it on a hardware level, add dtoverlay=disable-wifi to the end of config.txt. If you also want to disable Bluetooth, add dtoverlay=disable-bt.
You must restart the OS to reflect the settings. # Disable onboard Bluetooth dtoverlay=disable-bt
Learn how to build it on the Nanopi-neo page on another page. Once you can get sound out of the mpd music server, install mympd.
How to install
Look at the items in this link and install NGINX. After that, install MYMPD.
It's not a difficult operation, and you'll be successful. The secret to success is to make sure the MPD server works perfectly
and then install these. You can build a beautiful MYMPD in your music server.
Be sure to do the following operations. This is different from MPD's mpd detection and mympd's mpd detection. So, do it like this:
sudo mkdir /run/mpd : then
sudo systemctl disable mpd.socket
Please try this first. I think that the socket will come out with this.
If it doesn't come out # systemctl enable mpd.socket
If you enable it, it may appear.
simlink /etc/systemd/system/sockets.target.wants/mpd.socket → /usr/local/lib/systemd/system/mpd.socket It will be linked to
, so # reboot after this. # If you type ls /run/mpd/ and socket is displayed in red
mpd is linked. For mympd mpd sees /run/mpd/socket. It should now appear.
when no started mympd automatically
# mympd #####checked mympd on browser
$ sudo systemctl enable mympd
$ sudo service mympd start
If no message appears, enter
sudo mympd. I'm sure it will start. Anyone can do it.

myMPD 21.0.0
(c) 2018-2025 Juergen Mang
https://github.com/jcorporation/myMPD

raspbian OS mympd monitaring
I want a Raspberrypi-os server, it's heavy for a workstation
After careful investigation, I found that RapbianOS does not have a swap area. It seems that adding swap area will solve the problem. First, add swap area. There is a link to a detailed explanation of how to add swap on this site
on Nanopi-only, so first add swap. I think the compilation will go smoothly.
The bottleneck is to update cmake and fmt if possible. At the moment cmake is 31 and fmt is 11. I was able to install 11 until a few weeks ago,
but it seems that the thread was deleted and only up to 9 can be installed. When I try to install 11, I get a compilation error. It's a dirty way to use Microsoft applications like this, I would like them to compile on Linux without using Visual or whatever application. If engineers can't use Linux,
put an end to their engineering career. It's a nuisance. I would like the calculation formulas and compilation methods to be clearly written, but I guess young people who don't compile manually can't do that?
It's unfortunate. Also, this site will be closed on August 31st and will move to a US site. The domain will also change, so it will take some time for automatic hits.
These are caused by welfare, but they are also harassment from NTT Onamae.com. Recently, NTT Communications has been harassing me a lot, raising the rental server fee without permission,
canceling the server support phone, and doing whatever they want. NTT's management is sloppy. It's a bit excessive to also abolish phone support. I write it in a message board-like email,
and call, but I can't accept the system where I can't get a proper answer because I get a half-hearted response from a robot lady.
Continuing with the compilation. It's already the third day. It's the second day since I adjusted the swap. The compilation is almost done, but I think it will take another day.
ninja: Entering directory `output/release'
[231/388] Compiling C++ object src/db/....a.p/simple_SimpleDatabasePlugin.cxx.o
157 remain. It will complete after that, but I think the remaining time will be a day or more. It is normal for compilation to take a long time. If FMT was 11, it might be faster.
If cmake version was 31, it might be faster. These two could not be compiled.I do not have a time for stay this server I will soon move to other server in USA,
this server is too expensive for me. I will be single-ended.org soon.
this part traduced by google


finally installed mpd new one 0.24.3 on 18th July 2025
cmake version 3.25.1 and fmt (GNU coreutils) 9.1
Copyright (C) 2022 Free Software Foundation, Inc. and Music Player Daemon 0.24.3 (0.24.3)
Copyright 2003-2007 Warren Dukes

mpd 0.24.3 got now and install mid night Raspbian music server

Make sure status is show above
![]()
![]()
all of 🍓schematicdiagram of Raspberrypi's
![]()
Introduce myMPD how to install ,Good for install myMPD any Linux OS

![]()
Kali Linux for all arquitecture
![]()
Ham Radio worldwide watch on line
![]()
On line Linux can do from any OS
![]()
Free Down load MP3 from Classic,POP to Jazz any kind of Music

LAN at home
![]()

I was an employee of @SONY \ JAPN when I was young.
Raspberry pi Family are product of SONY
![]()
image file wrost tool ,application good for any OS
![]()
this is Youtube List for my site please viste
![]()
Raspberrypi Become high end pro osillosope by BitSCOPE
![]()
Japanese Radio Network on Line

Radio Garden warld wide live radio ,you can find any small town's station any counry and country side

Retro Game play by Raspberry pi 2/3
if your raspberrypi already installed raspbian can install manually RetroPi into your Raspberry pi.
----Important:Raspberry Pi Music Server If would like to(Install)and(use) at least need know--"how to use Linux" and lean Linux first !!----
[Currently owned one board PC is 3 RaspberryPi 3, Raspberry Pi 2 1, Raspberry Pi - Zero 1 (lender) and 2 NanoPi - Neo 2. It's all for experiments]


since 15th JAN 2015 Raspberry Pi B+ Music Server how to last up date 30th Jan 2026
How to build up Amplifier Single Ended Amplifier 2026 Yachiyo Chiba Japan