Start Brew Brand New Speaker system 2016
New Speaker System on Jan 2016
New Speaker system of Tim san on 2015 Mar
His New Speaker System on Feb 2015 in Australia
his speaker system on 2011
Speaker System Step by Step
Base of Speaker ,Wulnut Chinese from China
Cross over is above and fillup like cotton(Silk Pile)
Tim said " don't think anybody used silk like this in a speaker, maybe first time."
------In China, this is used to make Futons". result is getting sound good.
Silk Pile instead of Grass wool
Back side of Speaker System
look into inside
also see inside of speaker
without paint
Tim's Speaker System 2011 July in Australia
Tim sent pictures for Step by Step his speaker system,looks very profetional.
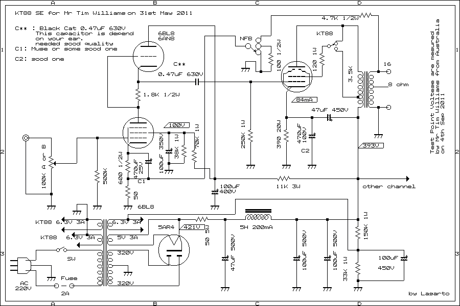
His KT88 Single Ended Amplifier's plan
Position of components
Testing position of Audio Transformer
AnySingle Ended Amplifier getting one of problem with Hum noise from Power Transformer.
so one's have to test for postion of transformer position before fixed up position of transformer.
relationship of positon of audio transformer and power transformer are always 90 degree core of each other.
many expensive Japanese Transformer are "does not care position of transformer".because
expensive Japanese transformer are already has shield.both way electric shield and magnetic shield.
like next
Mr Tim tried next test.
e-mail from him and he said
///////
I did some testing with our lab. Tektronics scope (DPO 4104, 250MHz,
very nice 4 channel scope) and my DVM, cheap thing.... DVM is easiest
to use for photos.
DVM connect to OPT primary 3.5kohm, 240V mains on power trans, earth
to trans metal and winding screen also earth
Seems quite possible to get about <1mV if OPT --- 10cm ----- power Trans
DVM picks up about 2mV from the air.... power is off.
I find the OPT is VERY sensitive to position, angle.... even move a
few mm to side or a few degree..... mV reading increase...
I think even build up the SE amp, need to adjust OPT slightly before
drill the screw holes! Maybe slight angle even.
Tested Data
power on best position (10cm space) 2.1mV,no power on (2mV),90 degree, 44mV
Power is on, 10cm, trans turned 90 degree, 4mV,power on, front 10cm 76mV
20cm, 2mV , power off, 2mV ,10cm, turn a bit, 2mV (less 0.1mV from "best")
power off, its same 2mV.
//////////
from letter from Tim.
and last letter from him for chassis,hard work
Chassis original, painted black
view on 23rd Aug 2011 by Tim,very nice to see!!!!
Just Starting brew KT88 Single Ended Amplifier on Sep 2011
First time build up valve Amplifier on his life Sep 2011
KT88 side view
Zooming up main parts,all componts are located sinmetric
comments from him by mail yesterday night!!!!2nd Sep 2011.,,,,,
/////I show you some photos of the progress so far. Finished the driver circuit and most of KT88 circuit. Need to connect SG, feedback, and OPT. Also filament for one KT88 not done yet.
I powered on tonight and checked DC power supply, voltage off-load is 460V! input is 330V.
Tube heaters work ok.
Now I am finishing KT88 section so I can connect up and give some load to the DC supply.
I'm not 100% happy with the layout, because a bit too many things in small area.... But its ok I guess.
Maybe tomorrow I can finish basic assembly, and connect up speakers... and try it.
////
Thanks Tim
I got good news from Tim,on 4th Sep 2011
His first valve KT88 Single Ended Amplifier on 4th Sep 2011
I got e-mail from him on sunday afternoon. he said "Good news".same time
some pictures, very good to see. very beautifull Amplifier.I thought very nice job
for first time.
Just Testing KT88 SE with PC
his comments are next:
Great news. Finished SE amp's basic wiring (except NFB switch not connected,
also signal coax use temporary one), power on whole amp for first time. Great success! Amp works very nicely.
Lovely sound, good volume level, no audible noise in speakers (no hum). Now I understand why tube amps are so popular!
Even drive from my laptop the sound is really remarkably musical. Compared to this amp, my transistor amp sounds quite harsh....
I didn't measure voltages etc yet, just allow amp to play and "condition" for a couple of hours. KT88 cathode current is 84mA
(indicated on the top panel mA meter).
Now I will connect NFB switch, right now its no NFB. By the way, I connected KT88 using screen grid tap,
next time I will connect as triode, try to listen to the difference.
Also..... I tried in Triode connection mode, sound is even more beautiful.
Actually I didn't fit a switch for this because I can't find a good DPDT switch for 400V....
Just use solder and wire. But I think Triode connection is extremely sweet.
I tried NFB vs. no NFB. With NFB, seems a little smoother. Need to listen more. Lose a little gain with NFB but hardly a problem.
The amp can make plenty of sound level in my living room with the SEAS TL loudspeaker. No problem. But I plan to make a pair of corner back loaded horns with >90 db.
After I play the amp a while, I will try to change C** (0.47uf) for better one.
The amp is really good! I am very surprised (and so is my wife.....).
!!!!listening all evening..... still very surprised about the lovely sound....!!!!
///from Mr Tim Williams comments///
Thank you so much , Tim san
Almost one month later I asked Tim how is your KT88 Single Ended Amplifier ?
I bought today some sheet aluminium, 350 x 450 x 3mm, make a top plate
for the new amp. Also, ordered some 2A3C and 4300B from Mrs. Mable,
and some new EF86 and 6N1P tubes of Sovtek and EH make. Mrs. Mable's
price is equal to cheapest Chinese local price. Hope she send them OK.
I got some 6AN8A from a USA Ebay guy. 2 x RCA, 2 x GE. NOS. They sound
ok. He sent them very low cost and excellent packing etc. Now I am
listening to the KT88 with 2 x RCA 6AN8A. It's such a great amp. Every
music CD I play, find some new sounds and information didn't know
about. The KT88 is a wonderful amp. Play it every evening, all
evening, never switch on TV for weeks.
Hope that a few people read your web site, see my KT88 and decide to
brew up one as well. That will be good!
Ref: e-mail from on Fri, 14 Oct 2011 21:12
so I think , KT88 singele ended amplifier is good. probably better than 300B Amplifier.
because can brew one of good amplifier by his pocket money.
Schematic diagram is next, Perche Drive KT88 Single Ended Amplifie
schematic diagram is above,perche drive use.
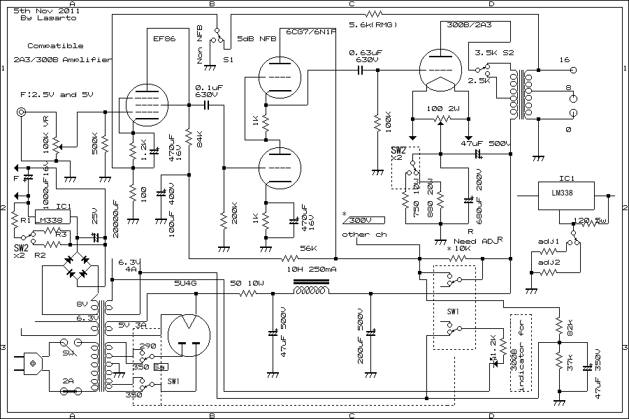
Tim san are doing brew 2A3/300B compatible Single Ended Amplifier from later 2011
past KT88 single ended amplifier built.he said "how is sound of 2A3 and 300B
,I said good sound but other category of sound.so he said "would like to brew 2A3/300B Single
Ended Amplifier.He will try to brew 2A3/4300B Single Ended Amplifier.....circuit diagram is
I think almost next one.
On Jan 3rd 2012,schematic diagram is shown above (I think,he will make small version up later)
while around few month,he sent many picture to my Mail box.
slowly I will up load this site.
He did , made new speaker late of 2011 for new Amplifier.
New Speakers on 2011 ,looks so good,how is sound ? Tim san!!
very good taist!!!!
Just look like in Argentina but in Australia
Dr Tim san has other hobby!!! in Australia....
brew amplifier chassis, how to make hole,, using Q-Max Punch
Made hole by Q Max punch ,get from UK
we(Japanese are using Hozan Hole Punch K-82),I am using around 30 years.
Looks so good !!!
filamens are need 5V(1.5A) and 2.5V(2.5A),so necesary filament special power
filament power supply for 2A3 and 300B
Just installed filaments block on dic 2011
Inside of 2A3/300B compatible SET first one ,11st Jan 2012
Inside of 2A3/300B SE and This comments are next:
I hope you can see this photo. Last night, I was able to play music
with the 2A3 for first time! It was success. First time, used iMac PC
(in photo), there was a lot of noise... HF and hiss.... !?!
Terrible.... I was very worried.... Changed around earthing wires,
this and that. Then used laptop MacBook PC (iTunes)..... no noise,
just beautiful music!
You can see, there are some temporary things. No switch for HT or bias
resistor. No volume. Temporary C for inter-stage and 2A3 decoupling to
B+.
B+ is about 305V, bias is about 53mA with 880 ohm.
Heater supply heatsink now quite cool. But I learned a lot about this.
Need to carefully design this part in future, leave more space!!
Sound is very sweet and clear, more so than the KT88 amp. Speakers are
6 ohm (the new Frugal horn with single Mark Audio driver). Bass is
very clear and powerful, very surprising. No NFB used. I did add 100R
for NFB to the EF86 cathode, but probably won't add NFB switch or
connection.
Try some more tonight, measure the voltages carefully and experiment
with earthing point, and report to you. Hope I can see your message
soon.//////
today morning I got e-mail from him on 11st Jan 2012
now he is understand sound of Direct Heating Triode Single Ended Amplifier
sound how is......right now.Just would say "Congratulation Tim san".
you are ,just enter entrance of DHT world now.
2A3/300B Compatible Single Ended Amplifier on 2012
2 of Single Ended amplifier D.I.Y by Dr Tim Williams 2011-2012
Mr Tim Williams from Australia mcemsem@G M A I L dot C O M
(since 20th/June/2011)last up date 4th Jan 2016 from Sakura Chiba Japan
Took photo near his place from his airplane ,,off course he has airplane too.....on Feb 2015
many replacements parts are get from KUK Audio China
EL156 SEAmplifier,Tim's KT88 SE Amplifier based EL156 SE
Grounding planfor build up single endedAmplifier
Speaker D.I.Y links
Back loadedHorn Speaker D.I.Y

Single Ended Amplifier D.I.Y
How to build up Amplifier Single Ended Amplifier 2011-2016