EL156・KT90 SE の製作 D.I.Y
Amplifier
조선인을 쫓아내라
中国製 EL156/6550 そして、KT90その後にKT120 シングル・アンプの製作です
製作してほぼ9年が経ちました、ホコリがかぶったアンプを綺麗にして、コンデンサーを全て交換しました
カップリングコンデンサー アリゾナ・キャパシターのブルーカクタスを使いました on 28th Mar 2018
🇺🇸English
🇩🇪
This is Small EL156 Amplifier
🇺🇸 英語 English
traduce by google from Japanese to english
EL156 Single Ended Amplifier in Lampa Chile Feb 2020
with Altec 7 by Mr Hugo cardenas
EL156(China) Single Ended Amplifier
Going build up EL156/6GB8 Single Ended Amplifier on 2024 資金ありましたら製作になります
部品の注文は球露屋さんで入手ください
回路図とアンプの製作記事です。
大型真空管ともなると、やはり高圧、大電流となり電源トランスが大型化してしまい、経済的理由や
どうしても高圧になるため製作に危険が伴うため遠慮気味になってしまう昨今です。
南米にいた頃からTelefunken のEL156はよく見掛けた真空管の一つです。
興味を持ったころは、真空管のベースはどうするか?なんて考えたものです。その頃の相場は1本
USD $ 100 ドルでした。NOSです。ノイマンのカッテイング・マシンに使われていたと聞きますが、南米では
シーメンスの電気メスや、日本では凸版印刷の原版の彫刻に使われていたと聞きました。汎用の機械のドライブ
に使われたのが本流であった様です。
年月がたって、秋葉原界隈をうろつくと、中国製のEL156、それもoctalベースで、使いやすい
状態でコピーされた球を発見しました。テレフンケンの規格で使用するとプレートが赤くなると
言われている球です。KR の845 も同様で1300Vあたりで使うと伸るそうですが、この球も
オーバースペックでは使えない球です。いずれにせよKT88/6550の以上のプレート損失を持つ真空管
の一つです。50W ですが、バイアスがKT88などに比べて半分とかなり低いです。
プレートが370Vで、カソード抵抗を390 オームなどに設定したアンプに挿すとKT88の半分を指示
します。何の気配りをせず、この真空管を挿すと、大きな電流が流れます。100mA 以上も簡単に
流れてしまうおっかない真空管です。ちなみに、EL156 Chinaは、すでに製造していない球の一つです。
Shuguang が製造元です。国内では、同じものがクラシック・コンポーネントとアポロ電子で入手できました。
重要:
基本的にはEL34なんです。ベースも同じです。第三グリッドをアース若しくはカソードに繋いで下さい。
クラシックコンポーネントでは売り放しでベースアサイメントを公表しなかった為に不良が沢山出たと聞きます。
1番ピンを8番ピンに接続するとKT88でもEL34やEL156 Chinaでも使えます。これがとても重要です。
注意: これらの低グリッドバイアスの真空管のカソード抵抗は 100 Ω程度です。怖い値ですね、大変電量の流れる真空管です。
この100Ωが鬼門です。音が変貌します。この系統の真空管は大変多く、ヨーロッパのペントードはかなりの多くが100Ω前後のカソード抵抗
です。バイアスも5Vから合っても7V位です。米国の真空管は元々送信管ですので当然 グリッドバイアスは高く20V前後です。
特性カーブを見ると全て5V当たりです。そして多くのこの系統の中電力真空管は白黒テレビの垂直の真空管です。米国ではグリッドバイアスの高い真空管が
垂直管に使われていたのです。ヨーロッパのパワーのペントードは5Vしかないのでドライブが簡単です。3極真空管1本で簡単にドライブ出来るのです。
ヒットラーが音楽が好きでこれらの低バイアスの直線性の良い真空管が多く開発されたのです。PX25は3極管ですが四極構造に近い3極管です。音に出てくるのす。
上の写真はクラシック・コンポーネントのものです。
そして上が製造元のShuguang EL156 です。
今回は資金の関係で大部前に購入してテストしてそのままにしておいた、東栄の格安トランスを
使いました。 OPT-20S です。このトランスはバンド型の結構かっこの悪いトランスです。
最近になって、黒塗りの簡易カバーのついたトランスを販売しております。
ただカバーがついたことで、かなり高額になり、他社のトランスから見るとやはり数千円高価でも
そちらを選ぶのが妥当と思えてならない価格設定となっています。U808 のコピーと言われいますが
高域の綺麗さはやはり負けます。とにかく今回はこれを使います。ユニバーサル・トランスですので
必要なインピーダンスは2次側のつなぎで設定可能になっています。SGタップがついていますので
UL 接続にしましたが、発振するかも知れません。OPT-10Sで苦い経験がありました。
この世界でまだ踏み切ることが出来ないのが、600V以上を使ったアンプの製作です。これがネックです。
どうしてもせいぜい出来るのが600V以下の電圧のアンプです。
EL156 と言う真空管は使い方にもよりますが、シングルで24W rms も出ると言われています。
ただ、450V のプレート電圧そして、電流も120mAを越しますので、尋常なアンプではありません。
それより、電源トランスがかなり大きくなります。出来上がりは、今のところ調整中ですので何とも
言えませんが、とてもソフトで、中高域がとても充実したアンプです。音の傾向はビーム管の
6L6GC シングルの音に似ています。バイアスが浅い関係で、ドライバーのゲインを上げると感度が
著しく上がります。OPT-20S結構 良い音を出しています。もう少し調整が必要です。5極管故、
ある程度 NFB はかけた方が良い音が期待出来そうな音の球です。Jazz ボーカルなど目の前で歌って
いる様です。太い音です。300B シングルでも2A3 シングルでもこの様な音は出てこないと思います。
ただ、LOW ミュウの直熱3極管の音は格別ですが、このアンプのパワーは10W rms 、最大で15W 出てきます。
DFは 3 ,オーバーオールのNFB は -6dB ほどで、ULはローカルNFB に匹敵しますので、全体で
─9dBほどのNFBがかかっていることになりますが、あと3dB ほどNFBを増やしたり、電流を増やすと
DF も高くなりますが音が固く殺風景な音になってしまいます。特性も90Khz まで、フラットになります
が、水みずしさが消えてしまいますので、強度のNFBはかけていません。
DF 3 出力は 12.5 W と言うところです。公称 10ワットです。まあ良いアンプのうちでしょう。
Jazz , Classic にも良いアンプです。DFは もう少しNFBをかけるともっと良くなりますが、音が乾いてきます。
とても深みのある音です。電流を流し過ぎても、NFBを多くしても、私の好みの音から外れてしまうので
す。OPT-20S なのですが、10ワット出て、ソースと良いスピーカー(好みはKlipschなのですが)次第
では、ハイエンドのアンプには負けない音が出ています。このままでも私 好みの音です。
ちなみに、アップグレードのトランスを使った場合はかなり音の傾向が良くなると思います。
最初の写真は2008年暮れに製作した、2A3 シングルと並べたものですが、見たくれは小さいアンプも並べると
結構大型なアンプとなっているのがわかると思います。もし、6550/KT88/EL34 を使いたい場合はカソード
抵抗を390 Ω選んでいます。トランスの2次側のタップを280Vにすると370V位になります。320Vで420V
これで、KT88/6550/EL34 が使えます。どちらが良いかは嗜好の問題でしょう。
10hz から 90Khzまでフラット KT88 の良さが良く出ています。400Vかけると、EH6550 で 14W rms
出てきます。東栄 OPT-20S は、まんざら悪くないトランスとなりそうです。発振もしていません。ただし
片側クリップ寸前で8 W rms となります。上下のクリップ寸前で14Wrms です。OPT-20S(東栄)とかなり
相性が良いのかとても素晴らしい音が出ています。EH 6550とOPT-20SのULの組合わせは一番です。低域の
の締りや、中高域のキラキラした音がとても素晴らしいと思います。低歪みなアンプを感じさせます。
下にオクタルベースの配置図を入れておきました。サップレッサー・グリッドは 1番になっている様です
オリジナルのTelefunken EL156 ではカソードとG3が内部で結線されていますが、中国製は外に出て
います。シングルで使うと 400V以上で使うより370V あたりで使った方が音が良い様です。これも
スクリーングリッドの電圧を(調整したほうが)下げた方が良さそうです。とても歪み感の低い音です。
こうして聴いていると何も高額な製作費になってしまう300B シングルの様なものはをどうか考えさせられ
ます。
問題点、この球は電流を沢山流すにはスクリーンの電圧を上げるのですが、
問題はプレート電流を流すにはスクリーンの電圧を上げる必要がありますが、あまり上げると
スクリーンがへたばってしまいます。最大で 350V となっていますがこの値では中々クリチカルで無負荷時に
球がへばってしまいます。今の状態ではダイオードを使っていますが、5AR4などの傍熱管に交換した
方が良いと思います。
あまり安くない球ですので、この程度で使う事が正解と思います。なお、ベースは本物のEL156とは
違う US オクタルですし、またEL34と同じで、1番ピンと8番ピンを結線します。図は以下です。
もう少しスクリーン電圧を上げることが出来るスペックであれば、400V以上でUL接続も可能です。
ただシリーズに51Vのツェナ─ダイオードを入れて320V位まで落してありますが、これで行ける
と思います。一応51Vのダイオードを 3段入れてありますので、これで電流を調整します。
ブラインド・テストだと、直熱管と勘違いするほどの音とどこかのWEB SITEで言われていますが
その通りの音です。この音 とても好きです。2A3(2A3Cの音)シングルをパワーが出る感じと受ける
ことが出来ます。周波数特性から見られる様にとてもワイドレンジな、良質な音を出してくれます。
と、言いながら、多少片チャンネルからハムが出ていましたので、オーバーオールのNFBの抵抗を音色
を好みの音色になる様 相談しながら調整しました。スクリーンもギリギリの方が音が良くカソード抵抗
はこのままとすると、ツェナ─ダイオードの電圧は50V位つまり +350V ギリギリが良い音が出ます。これも
スペックと相談して決めることです。ちなみに実際は250Vあたりにしてカソード抵抗を低くする方法が一般
の様です。外国のサイトを検索するとそんな値にしています。ちなみに5結の場合はプレートが420Vで
スクリーンが250Vと言う例が普通の様です。私の場合 UL ですし、ましてトランスの電流の容量が足りません
ので変則的な値になっています。ちなみに、負荷は3.5Kにしてあります。
2 種類の真空管ですが、パワーも大して変わらないのですがEL156 Chinaの方が低域に余裕があり
何より中高域がキラキラと澄んでおります。3極管の様な音 なんです。まして300Bよりパワー感があります
KT88/6550 は知っての通りで中高域がキラビヤかな音です。どちらかが良いかは難しいと思います。
どっちが良いかなと思います。EL156 China の3極管めいた音は魅力的です。何よりバイアスが大変低いのです。
一言:野口、Andix,東栄、その他はジェネラルトランス・販売と同じです。つまり元々ジェネラルトランス販売社が
製造していました。オーナー曰く、決まり協定で東栄トランスの商品はジェネラルトランス販売社では売れないそうです。
with JBL in Santiago,Chile 2019 5月南米チリにて、JBLで使用中
お客樣 は、かなりご機嫌です。特にEL156の音は大変気入っているとの事です。更にKT-120の音にも満足しているとの事です。
I think 6B-B8 is good for this amplifier
6GB8 is just like European valve for audio amplifier valve
US ソケットで真空管の互換性はありませんが、アサイメントはEL34、EL156 Chinaも、6GB8も同じです。陽極電圧のみが違います。あと気をつけるのはサップレッサーグリッドがが外に出ているのは
EL156 Chinaです。これをサップレッサーグリッドを必ずアースもしくはカソードに接続して下さい。一般的にはG3は1ピンです。ここに必ず接続して下さい。基本的にはEL34とEL156は同じです。
EL156,中国製 EL156 そして ドイツ製のEL156は互換性がありませんが同じ様にして使えます。ベースを2個用意しましょう。そうすると4種類の真空管が使えます。どれも中古の真空管です。
出力トランスはジェネラルトランス販売KKのPMF20WSです、これは好みで色々なトランスを使うことを推奨します
EL34/EL156/KT120/KT88 Single Ended Amplifier on 31st MAY 2019
もしオーダーが発生した場合は上の回路図のアンプを製作する予定です。PMF-30WSKNFです。インダクタンスも22Hありますので良い低域を出してくれると思います。
これもペルケ・ドライブ方式の変形 SRPPです。ドライブには6BL8を使います。この真空管は6U8とベースが互換ですので差し替えが可能です。
EL34/KT66/KT77/KT88/KT90/KT120/KT150/6V6/6L6/ EL156(China) Single Ended Amplifier
2022 Plan EL34/6V6 compatible single ended Amplifier only plan DIY
can be use 6V6/EL34/EL156-China and /KT77/KT88/KT120/KT150 as single-ended amplifier my be can be use 6F6 .all of UL mode
これは プランです、資金が出来たら製作に取り掛かります。電源トランスとパワートランスは注文済みで手元にあります。
第3の新型コア の紹介です。 スーパーコアです。説明は以下を参照にして下さい
コアの材質です。スーパーコアと言われ特にジェネラルトランス販売のスズキ氏が使っている素材です。ご存知の通りジェネラルトランス販売社では秋葉原の周辺のオーディオショップのトランス製造販売
しているのは有名な話です。例えば東栄変成器やアンディクスのトランスはジェネラルトランス社の特注トランスです。と言っていました。最近目立つのは新素材のスーパーコアです。
製品価格はトランスとして橋本トランスのH20程度のトランス価格より+2万円高い程度です。スーパーコアはJFEのサイトを見れば一目瞭然です。アルモファスより磁化率が良いと言うのですから
その素材のトランスはシングルエンドトランスで真空管アンプを作れば良いと思います。第3の磁性体です。注目度は大きいと思います。
製品は東栄変成器のトランスや一分のジェネラルトランスの商品をご覧下さい。
東栄変成器の新型 スーパーコア使用のトランスの紹介 高価です
Super Core OPT-NC20S
VIDEO
as KT120 Single-Ended Amplifier
UL SGタップのない、トランスを使う場合の処置
この回路はかなり昔から使われていた、疑似UL回路例です
疑似UL回路です。2011,2012 MJで紹介された、バッファー付加のULです
似たり寄ったりの二つのメーカーのシングル用 出力トランス
ところで、最近東栄に聞いたら、黒のOPT-20SRが11000円 弱にはね上がっていた。
4つ足の金具をつけて、12000円なら多少わかるが、どっちかと言うと野口トランスの方が特性は?、。
安い東栄トランスはどこへ行ってしまったのでしょうか?
ちなみに 100Hz あたりから-1dB 程度下がるのが東栄のOPT-20S です。中高域はまあまあですが、低域がちょっと
甘いかな?がOPT-20Sです。さてここで考えると
野口のPMF-20Sに軍配があがりそうですが、実際は、中高域は、OPT-20Sがやはり良い味を出しています。
以前 300Bのシングルを製作した時にOPT-20Sでは低域が甘いため、PMF-20Sにした経緯がありました。
結局はOPT-20S は低域が甘い為にジャンク箱に入ってしまいました。
その後のEL156追試で、プレートには400V以上かけること、最低 390V位はかけることです。電流は、あまり
大きくすると、あまり音が良くない事です。最低で70mA程度がクリアで良しとしましょう。
出力トランスの関係かも知れませんが、電流を流すと低域に寄りますがクリアさは減少します。ここは
耳と相談することを勧めます。ところで、この2つのトランスを比較すると、300BシングルではPMF-20Wの
方が良い結果でしたが、このEL156(China)に関しては、OPT-20Sの方が良い音を得ることが出来ました。
あれが良かったから今度もこれなんて言えないのがこの世界です。OPT-20Sの方が一次巻き線抵抗が50
オーム多いのでそれが出てきているのかも知れません。OPT-20S が200オームで、PMF-20Wが156オームです。
Noguchi は黒がなくなってしまい、シルバーグレーのハンマ─ネット塗装一色になってこれも値が上がってしまいました。
野口 PMF-20W 最大パワー 12W rms F特は0.5W rms -3dB 10Hz から 50Khz UL のみ
東栄 OPT-20S 最大パワー 12W rms F特は0.5W rms -3dB 10Hz から 100Khz UL のみ
野口は70Khzあたりに暴れがあります。野口トランスの特徴です。私の音の好みで言うと高い周波数が、2倍も
伸ている東栄のOPT-20Sがとても良い音を出しています。6550では、PMF-20Wでは聴ける状態ではありません。
格安トランス、どちらが良いかは、好みの問題でしょう。かっこが良いから音が良いとは限らないトランスの世界
です。DFを上げる為にKNFBを試みましたが、音が固くなりしっとりさがなくなり、結局はローカルNFBは止めて
オーバーオールのNFBと、ULとなりました。PMF-20W 高域の暴れは、無視して、そのままにしてあります。
補正を入れると発振したり、音が悪くなったりする経験がありますので、あえて入れていません。
OPT-20SR にはいつか? 交換したいと思います。または、ISO Tango U-808 になります。
途中経過ですが野口のPMF-20Wでは、音の響きが余り良くなくトランスを撤去しました。べったりした音は
過去に使用した野口のトランスの経験です。かっこばかり良くても音が悪いトランス、音を出さない限りわからない
トランスの世界なのですが、何かもくもくとするものを感じます。新しいプロダクトを出すのも企業にとって良い
ことですが、数ある現存のトランス屋さん、性能がわかっているものは改善して欲しいと思います。あまり良くない
性能のトランスをのうのうと、売っているのはどうかと思います。材料が高くなり個々の値段も上がり、性能はその
ままなんて今の日本ではあまり通用しない考えではないでしょうか?ね!トランス屋さん!!
最終的には一番下の回路図になりました。やはりペントードの音から逃れる事は難しい様です。3段構えのNFBに
になりました。(1) オーバオールのNFB 4つ個所切り替え (2)UL ,KNFB となりました。
音の傾向について、EL156 は快い音ですが、低域が澄んだ締まりの低域でなく太い音、KT88はと言うと、とても
3極管に似た音です。この電圧と電流のかけ方では、パワーに違いは出ませんが、2つの球はとても違いのある音
です。好みに差が出る2種の真空管です。結局は、KNFB を外しました。やはり、音が固くなります。
up date 11st May 2009
up date 16th Oct 2018 : ところが、
使い始めて、11年 PMF20Wの音がとても良いのです。特にEL34シングルとして使っていますが、とても良いのです。
締まった低域、中高音、余り出てない高域ですが、ULとして使っていますが、とても良い、快い音です。高域が50Khzあたりが良いのでしょう。
と私は思います。段数の少ないアンプは内部雑音も少ないのが特徴です。良いアンプと思います。
11年たったこのアンプ、野口はなくなりました、代わりに ゼネラルトランス販売 株が出来ました、野口も東栄もAndixも同じ工場で作って
いることがわかりました。と言う話しでした。このトランスはインダクタンスが他の物より低いのですが、EL34系の真空管で聴くととても良く鳴ります。
ULがとても良いと思います。作った当時は耳があまり良くなかったのか?ソースの問題なのか不思議な当たりです。現在販売されている同製品で同じ音が出るかは不明ですが、
このPMF20WSとても良いトランスと思います。EL156(中国製)、ロシア製の安いEL34がとても快く鳴ってくれますというのが感想です。2018Dec8th追記
<
Hatt Audio Laboratory Japan --Audio Transformer Factory--
2種類の東栄トランスのOPT-20S です。 ちなみに、東栄トランスもジェネラルトランス・販売、Andeixのトランスも同じ工場 ジェネラル・トランス販売で製造している事です。
情報では、東栄でもファインメットトランスを販売する予定との事です。
更新 26th Mar 2019
3/3/2009 より
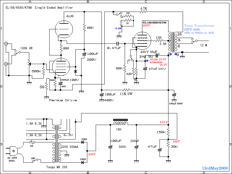
6550/KT88 Single Ended Amplifier
PMF 20W with EL156/KT88/6550 Single ended amplifier
前面 KNOBが4つになっています。左端がライン切り替えです。右端がDFの切り替えです。
DFはNFBの量を抵抗で切り替えます。あるとないとではかなり違ってきます。
0 デシそして3個所切り替えます。0 デシは無負帰還ですが実際はULですので負帰還がかかります。
真ん中の2つのKNOBは入力のボリュームです。A タイプです。ラテン圏では、B型が好まれますが
今回は A 型を使いました。二連ボリュームはギャングエラーが出ますのであまり使いません。
訳あって、出力トランスは今回はPMF-20W(Nogchi)を使いました。Noguchi のトランスは帯域が狭い
ので、ちょっと不安です。東栄のOPT-20Sは暴れも少なく80Khz以上まで出ていましたので、その近辺
まで行っていればOKです。
その後、PMF-20Wにしました。組み直しは、タカチの綺麗なシャーシにしました。低域は東栄の方が優秀
の様な気もしますが、音の艶は野口のトランスに軍配があがりそうです。とても綺麗な音です。
ハイエンドな機種をホウフツさせる音です。KNFB をかけました。ブラインドだと、3極管を想像させる
音です。とっても静かなアンプです。時間をおって、F特くらいはとってみます。実際 東栄OPT-20SR
の方が良い味を出しています。PMF-20W はこれはこれで良いがちょっともたつきます。
ついでに、2006年に6台 南米の某国に売った、"微風"と名打った300B シングルが以下です。
野口トランスのPMF-20Wを使用しました。
最終的には?野口のトランスでは駄目でした。バイアスを変えようが、タップを変えようが駄目なトランス
はやはり、駄目でした。
リリカルなキースジャレット、クラシカルな、ボボ ステンソンの響きを出すのは、やはり東栄のOPT-20S
なんですね、先立つ物がありませんので、とりあえず、裸のOPT-20S になりました。とても良い音です。
EL156/EL34 / KT88 / 6550 / Compatible SE Amplifier
Just show you all picture up Date 3rd May 2009
Push botton to see picture
VIDEO
driver must be use 6U8, play Jazz on 2nd Mar 2018, sound is much better than KT88
回路図は、ぺルケ・SRPP ドライブです
現在はこんな回路になっています。ぺルケ ドライブです。
EL156/6550 シングル エンデッド アンプ 12W
VIDEO
Play Jazz on 2nd Mar 2018 KT-120も使ってみたが、EL156 中国製良い音しています
10年近く、ほったらかしのホコリのかぶったアンプに火を入れてみました。
EL34やKT88もかなり良い音が出ています。
up date した回路図です。8 オーム端子からグラウンドに落して負帰還のループを作りました。
とても澄んだ音です。EL156 シングルとても良い感覚のアンプです、このトランスでは音に何かが足りない?
やはり元に戻そうか?考え中です。
最終的にはパワーが落ちますが、やはり3極管接続となりました。とてもしっかりと定位した、締りのある低域
は3結となってしまします。パワーは愕然と減りますが、綺麗な音を出す手段はこれしかないようです。
up date 16th May 2009. 測定器を持っていませんので、疲れてくると音の全体がわからなくなり、翌朝に
聴き直すとやはり好みが違っているものです。何を聴いてもうまくなかったら、ヘッドホーンで比較してそれでも
駄目の時は翌日に音を決めます。湿度が高いと好みの音になっている場合もあったります。これは部屋の関係や
スピーカーの状態に関係します。
なお、出来上がったアンプには銘板をつけておりますが、私の場合は川崎にある大村プレート研究所 へ
オーダーしています。迅速、丁寧、格安ですし、何にでも綺麗に良心的な価格に設定してあります。銘板の他
目盛なども製作していただける様です。
何台も、アンプを作っているなんて?思う人がおりますが、一台アンプを分解して新しいアンプを作る状態です。
偶然の一致か? 中国製のEL156 シングルアンプ、どうしてか?
これらの回路はぺルケ・ドライブな訳ですが、数年前に同じ様な回路で、シングル、ましてぺルケ・ドライブ
なのです。ここまで来ると、おかしな気持になります。製作が2006年頃になっており、偶然にも同じ様な回路
になっているのです。その回路図を偶然入手しました時に、うなずいてしましました。私が後発ではないと思い
ます。明らかに2006年設計は、このページからの模倣でしょうと思います。2006年設計は嘘の可能性は大きいと
思います。または偶然の一致?良く出来た回路構成です。電源は半導体化されていますし、。その製品が
カナダの音響メーカーで製品としてネットで販売しているのです。私が製作して、すぐの次期に製品化されて
いたのですが、それを、ニュージーランドのハムの方から教えられました。つまり、カナダ人の音響メーカー
は中国系なのではないかと思います。Mr 閑人さんの、カソード・チョーク・ドライブのアンプ群もしかりで
ぱくられて、中国で生産して製品になっているのです。これは何も根拠もない事ですが、とても不思議な事
です。私が物を作る時、出どころをはっきりしていますが、中国やカナダのメーカーはどうどうと生産して
製品化して売るしまつです。805 Single EL156 Single など色々あります。
その後のこのアンプです。
音色、それは素晴らしく 中国製のEL156もまんざらではなく、最高の音を出しています。とても音色に艶があり、
スタンウエイのピアノの響き、何とも言えない音です。最初は低域よりの音で、嫌いだったのですが、今は
中高域がとても澄んでおり、直熱3極菅の音です。特にボリュームを上げた、音は何とも言い難い、音楽性豊か
な音です。ピアノ・ソロなどは、残響感、ピアノが小さな部屋の真ん中で奏でているのがわかるほどです。
ピリス:Chopin The Nocturnes 1995.1 録音は、音が細かったので聴かなかった2枚組みCD で、長い間ほっていた
のですが、しっとりピアノを奏でています。
ところが、今日 この頃、クラシック・コンポーネントを見ると、販売中止になっています。アポロでは完売になって
いました。と言うことは、この辺では入手は不可能と言うことです。音はKT88、しっかりした低域の音です。中高域は
300Bより綺麗な音ですが、長く使っていると、袴が茶色から黒く変色してしまいます。変色と言うより焦げると
言った方が良いと思います。 2010 28th Apl by Lagarto
8種類の球です。左端がGEの6L6GC そしてほぼ中央がEHのKT90、右端が中国製EL156
EL156 Chinaは国内では入手が困難です。袴さえなんとかすれば良いわけです
音は極めて特徴があります。KT88,KT90の様な明るさはありませんが、しっとりとした音は大きなプレート
そして、バイアスが浅いところにあると思います。ワンペア持っていると良いと思います。
ちなみに、ゴールデン・ドラゴンのKT90, KT66Superは同じ球であると噂されていますので、あまり悲観的に
なる必要はありません。とにかく入手しまたしら、バイアスは低いので注意、その分ドライブは容易です。
KT90 での場合
EL156 中国製はたとえ良くても、既に国内では販売中止となってしまいました。今 持っている球は宝物
です。袴の焦げさえなければ、一応に問題はなく、いっそのこと、KT90の様に袴をなくしてしまえば
このまま使えるし、サードパーティの球としては問題はありません。KT90として販売も可能です。
またはその他の新しい名前を使っても売れると思います。KT90の本体と言われるPL509(2007) がJJで販売されています
本来のPL509ではなく、トッププレートを排除した新しい企画の真空管です。ワンペア欲しくなりました。
では、KT90シングルの実験でもしましょうか!
KT88 6550 の互換品と言われていますが、世界中のサイトを見ると、そのまま使っていて、煙が出てきたとか
アンプを壊したと言う記載があります。ご注意を、またシングルでの製作例は数件しかありませんが、低圧
大電流で使われています。ここが、やはり、KT88/6550 等と違うことです。規格表を見ると400V 86mA で20Wと
出ていますが果たしてこうはいかないのが普通でしょう。カソード抵抗が390オームのままで、408V 80mA
カソードの電圧が32Vになりました。音は? 負荷が高い音です。もう少し流した方が良いと思います。EL156の
の音を予測したのですが、ましてEL156は5極菅ですし、KT90 はビーム菅ですし、所詮特性は異なるのですが、
ちょっと拍子抜け致しました。カソード抵抗を309オームに落しカソード電流を94mAとしました。カソード電圧は29V
となりました。EL156 Chinaの低域の締った音とは、別に明るさのある低域とでも言いましょうか?KT88 に似てはい
いますが、一回り大きな感覚の音です。80mAから94mAになったことで、ぎらつきはなくなりました。もう少しつめましょう。
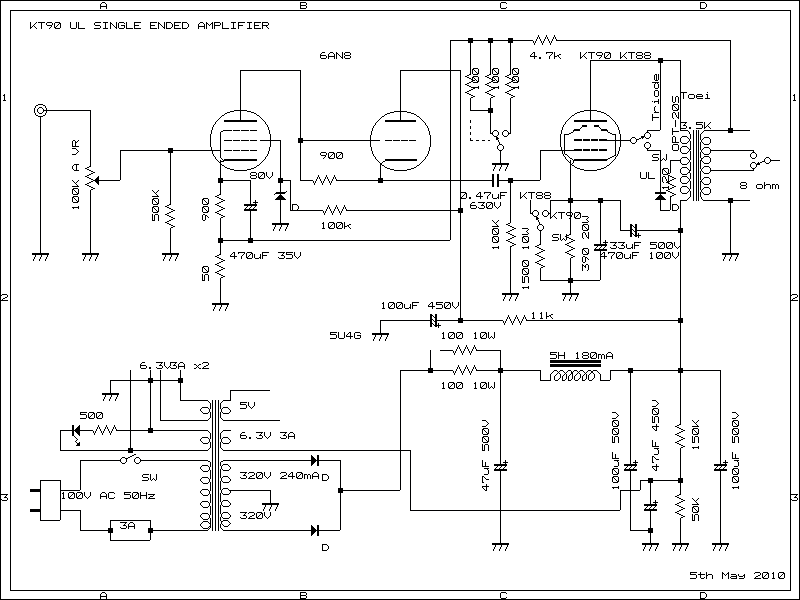
KT90 UL Single Ended Amplfier
KT90 UL Single Ended Amplifier
Since 20th Feb 2009 KNFB ,UL ,over_all NFB used EL156 SE ,Last up date 2nd May 2010
次のアンプは KT-90 シングルアンプ、音が悪いので、いつになるか不明
音が悪い、カソード抵抗を変えて、まずは電流の調整、90mA以下が良い様です
負荷抵抗は、やはり2.5KΩなんでしょうね、もう少し下の様ですが、このトランスでは無理なのでしょう。
EL156中国製は5極菅ですが、これはビーム菅です。6L6GCの様な音が出るのかと思いましたが拍子抜けでした。
EL156 Chinaの様なドスンと言う低域は出ませんでしたのでがっかりでした。まさしくKT88を大きくした音です。
ドライバーを6AN8 に変更しました。ULに戻して、KT90の味が出たような、女性のボーカルの子音も
出ていますしこれで良い気もします。音はKT88に比べてワンランク上の音を出してくれます。以下が注文があった
場合の回路図です。この時点ではもうKT88には戻る事が出来ない気分です。低域も快く締っています。
その後、ドライバーを6F12P ロシア製 にしました。旧ロシアのミル規格の真空管とだけで詳しくはダンカン氏の
サイトを参照して下さい。詳細なデーターはあまりありませんが、ミル規格であるし、頑丈に作られております。
音は、低域の切れ、締った音など良いし、5極部と3極部のグリッドバイアスが同じにそろっていることなど
組成の良い球の様です。また3極菅部の増幅度が100と高いことです。6U8に似たり寄ったりですが、ロシア製
の6U8 とでも言えるでしょう。高周波菅です。6AN8Aに代る球はないのでしょうか?
低周波での使用例はネットを検索してもありませんでした。 中高域の音が素直なことは良い事ですが、発振しやすい
球の仲間であるらしい!!音はRF菅をオーディオで使った音がします。ゲインは6AN8Aや6U8Aを使った場合より高い
です。
話は別ですが、
EFC86 などとても綺麗なテレフンケンのRF複合菅があります、カソードが共通でSRPP
などには使えません、STC V2 のアンプに使えそうです。目につけられていないのでかなり未だに価格が低いです。
ゲッタがかなり飛んでおり内部が銀色に素晴らしい状態です。
NOSのテレフンケンは綺麗に作られています。
6F12P SRPP ドライブを半日ほど、聴いてみて、明るく、ワイドレンジな音は好みの問題もあり、6AN8A のSRPP に
戻しました。聴いた感じは多少ナロー気味ですが、音楽性が豊かになります。これも好みの問題かも知れません。
お互いにピンに互換がありませんので、ちょいちょいと出来ません。結局は現在6AN8Aにしてあります。
6AN8Aの代わりにRCA,Sovtekなどの7199なども候補にあがっています。
音について、6AN8A 流す電流にもよりますが、上側の抵抗を1.8K 程度にすると、ハイがカットされた、低域より
の音になります。低域の音はドスンとくる歪みの少ない音ですがハイがあまり出てない傾向になり不自然
下側の抵抗は、1Kから500オームと言ったところでしょうか? u mew が20程度の3極菅のせいでしょうか?。
6U8の方が好きな音です。ちなみにu mewが40 です。先の6F12Pは100もありますので、キンキンなハイ上がりの音
でやはりこれでは使いにくいでした。足の同じ6U8 ,6BL8,ECF80 などが候補で、互いに音の好みを決める事が
できます。女性の子音の声が 6AN8Aではイマイチです。結局は6U8に戻すことになるのでしょう。折角 良いトランス
を使って意味がありません。最終的には6U8になりました。g1 とH の間の浮遊容量が29PFもありKT88の2倍ほどあります
そのためか?やはり、6AN8Aでは高域の落ちを感じられるのです。上の負荷抵抗を900程度にすると結構良いのですが
KT90に限っては6U8が良さそうです。U Muが40ほどあります。KT88の場合、6AN8Aが良い様です。
6AN8A は良いものが大変少なく後になって入手が出来ない様な真空管でなく、6U8Aや6BL8,E80CF を使った方が
良いと思います。6U8A で十分な音色を得る事が出来ます。が、、その後のわずかな定数の変更で
特に 6AN8A が良い様です。とても上品な音です。直熱3極菅の音にも似て
安らげる気持になるトーンとなりました。これも出力トランス次第ですが、OPT-20SR(東栄)でもそれなりに歌います。
Tango XE20S KT90 Single Ended Amplifier
最終的な回路図は以下の様になります KT90/EL156/KT88 コンパチ・アンプ回路図
KT90/EL156/KT88 Single Ended Amplifier 回路図
ECF80, 6BL8 はドライバーとして、かなり良いドライバー菅と思います。双方
互換出来る真空管らしいですが、ECF80 のヨーロッパNOSはそれらしい、リリカルな音です。この真空管を聴いて
みて、失敗感はなく、良い真空管にあたったと思いました。そこで、EI 6BL8に代えたら一変した音になりました。
peruke ドライブで使うこれらの低 mu 3極菅との組み合わせは音に張りが出て、双3極管のSRPPでは得られない
ドライブ力があります。ECF80,6BL8,6F1P, SQ管の 7634 ,E80CF が使えます。SQ管は足が金メッキです。
7634,6BL8 は松下が良い様です。E80CFは高価なので、テストしておりませんが、低域に評価が良い結果が得られる
との事です。私としては、ミニワットのECF80とEiの6BL8共に良い結果を得ています。
直熱3極菅にも似た音です。このクラスのアンプでは高圧となりそうです。プレート電圧はほぼ、400V となります。
電流を流してしまうと、低域によってしまうため、80mA 程度で使うと、3極管の様なリリカルな音になります。
細い音は細く、太い音はより艶の出た低域となります。
KT90 Single Ended Amplifier drived by ECF80(6BL8)
英語版はここからはじまります
アメリカから: Mr Jim Strasser さんのKT120シングル・アンプ
KT120 SE by Mr Jim Stransser
アメリカのMr Jim さんと言う人、私のホームページの閲覧のファンの一人だそうです。このページに感化されて、KT120を購入すでにあるシングル
アンプを改造して、KT120シングル・アンプにしてそうです。3結での音は何よりも素晴らしいとの事です。
彼的には KT90/KT100より音の透明度が高く素晴らしい音と評価しています。ところがジムさんはファンではなくストーカーなのです。
この人は私のページを見てヒントを考えて他の回路図を探し決して私の回路図は使わない人ですし、例え回路が同じでも回路図を公表しない人です。
ある意味ずるい考えのアンプ製作者です。この人のIPは拒否していますが、IPを変えて閲覧するところは変質者です。よってイリノイ州、シカゴ周辺から
すべての人は閲覧拒否しています。
KT120が大きな球と思いましたら、2013年6月にネット上で出はじめたKT150と言う真空管、その頃はまだどこ製かも不明で、小さい写真で確認されるだけでしたが、
11月になって、出てきました、この時点では日本では売ってないような? どこかで売っているような風でしたが、少なくとも秋葉原にはないようでした。以下写真のみ
KT88の2倍と思われるほど大きな真空管でバイアスは比較的深い様です Nov 2013 ネット上で紹介されたKT150
6 moons audioに紹介されています、Ayon のアンプの紹介より
規格はKT150の規格 を置いておきます。 最大プレート損失が70Wです、ヒータ電圧は6.3V 2A 最大カソード電流は275mA プレート最大電圧が
850V とあります。シングルでの、パワーは20W 出力3Kで、バイアスがー14V プレート電圧 400V....まずは、上のPDFファイルをご覧下さい。高さ140mmはでかい!!!
show you Tatsuo Kurokawa Made EL156 Single Ended Amplifier under MJ magazin 1995 November
EL 156 Single Ended Amplifier by T Kurokawa nov 1995
show you Tatsuo Kurokawa Made EL156 Single Ended Amplifier under MJ magazin 1995 November
EL 156 Single Ended Amplifier by T Kurokawa nov 1995
Kurokawa EL156 MJ 1
Kurokawa EL156 MJ 2
EL156 Zip Kurokawa data by MJ
New TANGO Transformer from ISO Transformers Co Tokyo Japan
Started from OCT 2016 as ISO TRANSFORMERS CO Japan
they have FC-20S instead of XE20S only name of transformer is different.and Name of company is no more TANGO.
New company re-started by ex employee of ISO TANGO.real new company of ex ISO TANGO.and New Name of company is
ISO TRANSFORMERS CO JAPAN.
Neumann's ///The LV60 equaliser and cutter-head power amplifier
this is Youtube List for my site please viste
Schematic diagram of Neumann LV60 cutting machine
ぺルケドライブを使った2A3/45 シングルアンプの製作
ノイマンのアンプ(カッティング用)を紹介した梁文光 氏のHPサイト です。
(since 20/feb/2009)last up date 17th Feb 2026 from Yachiyo Chiba Japan
Single Ended Amplifier D.I.Y
how to build up Amplifier Single Ended Amplifier 2011-2026