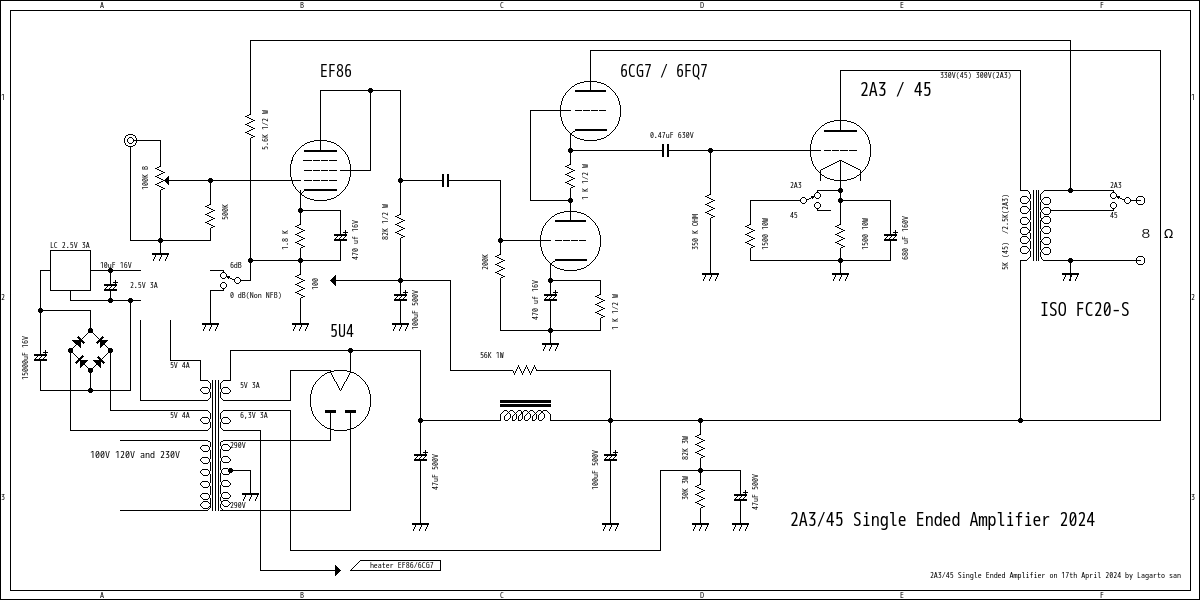
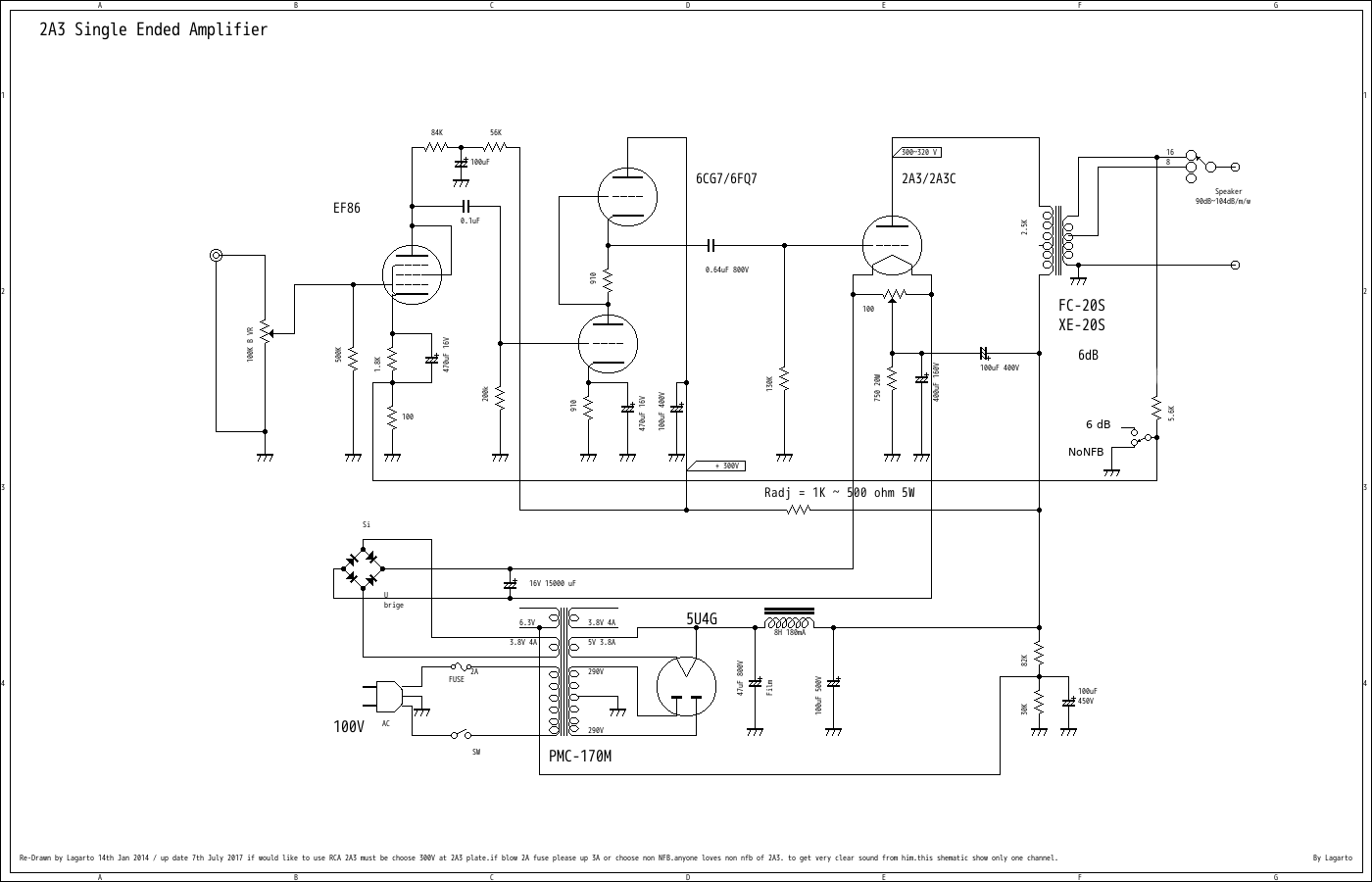
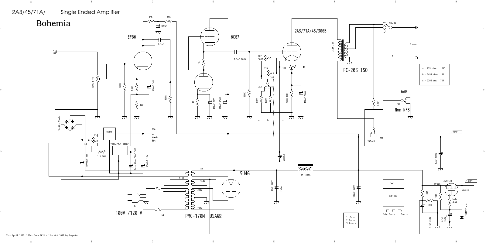
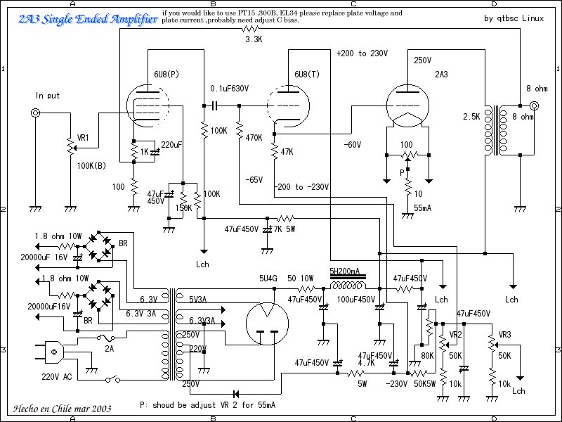
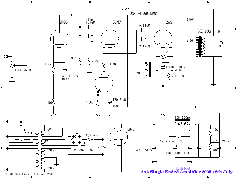
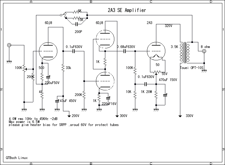
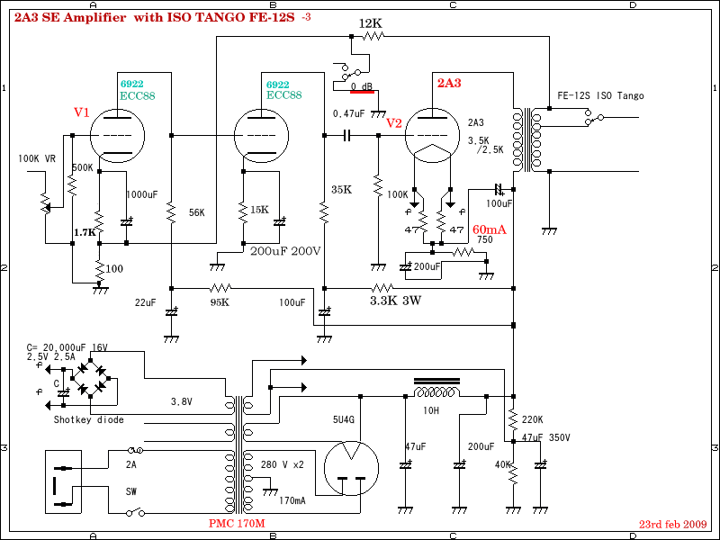
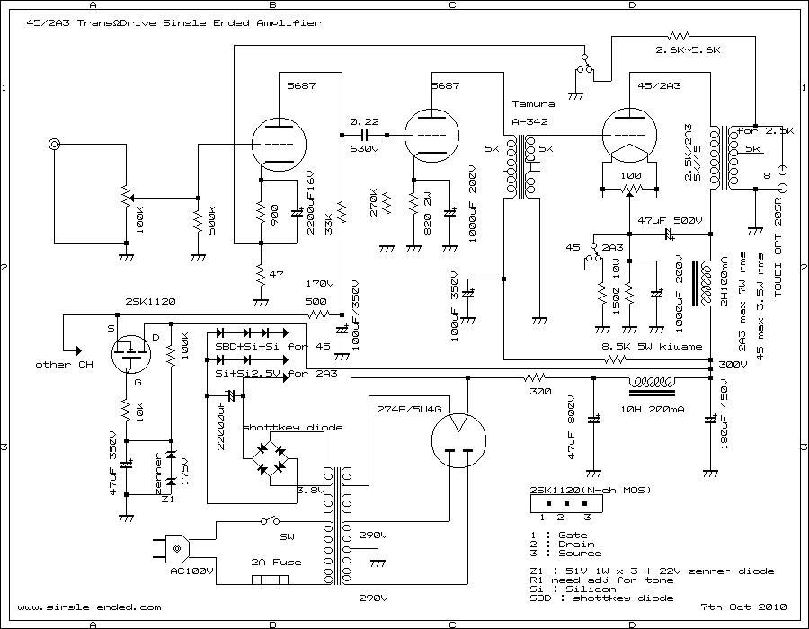
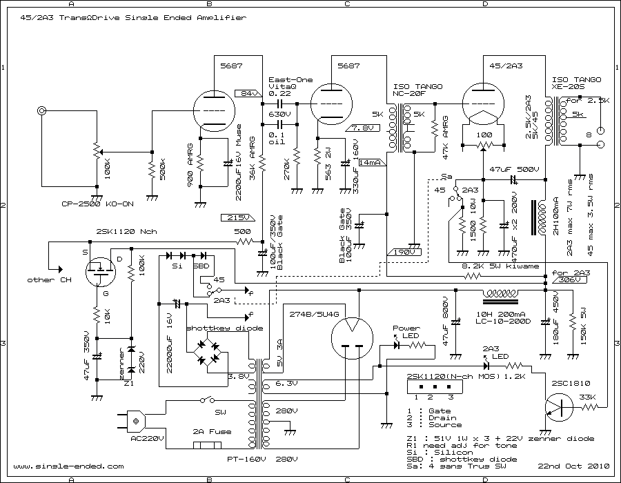
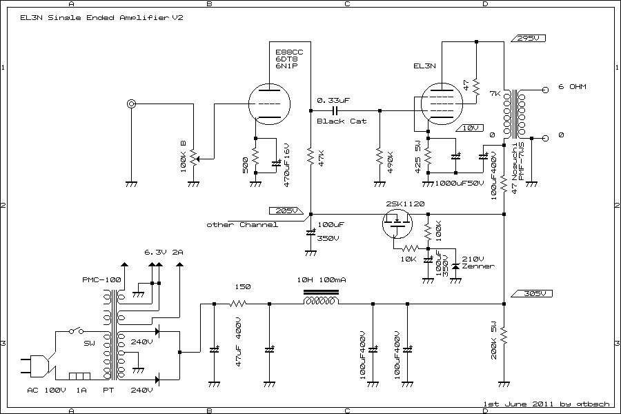
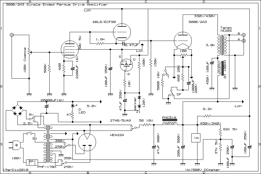
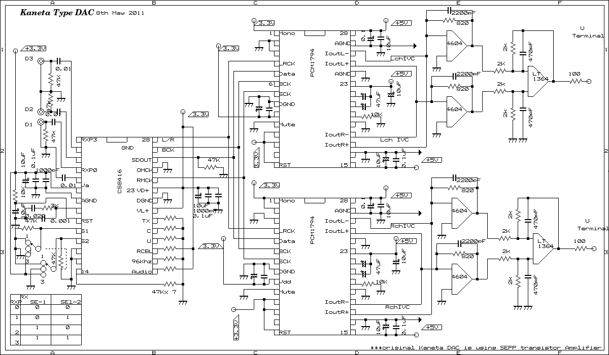
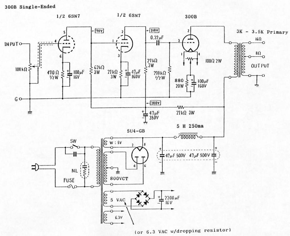
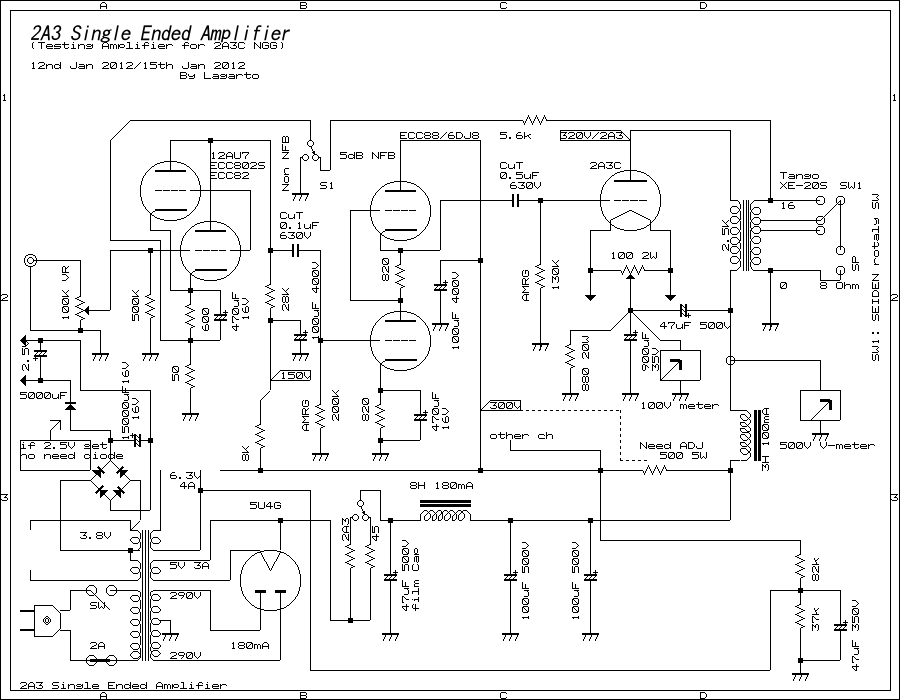
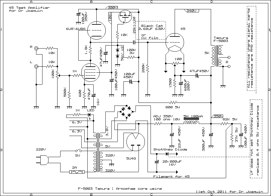
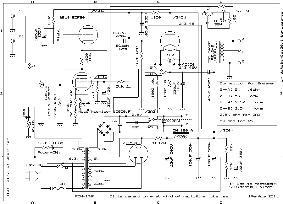
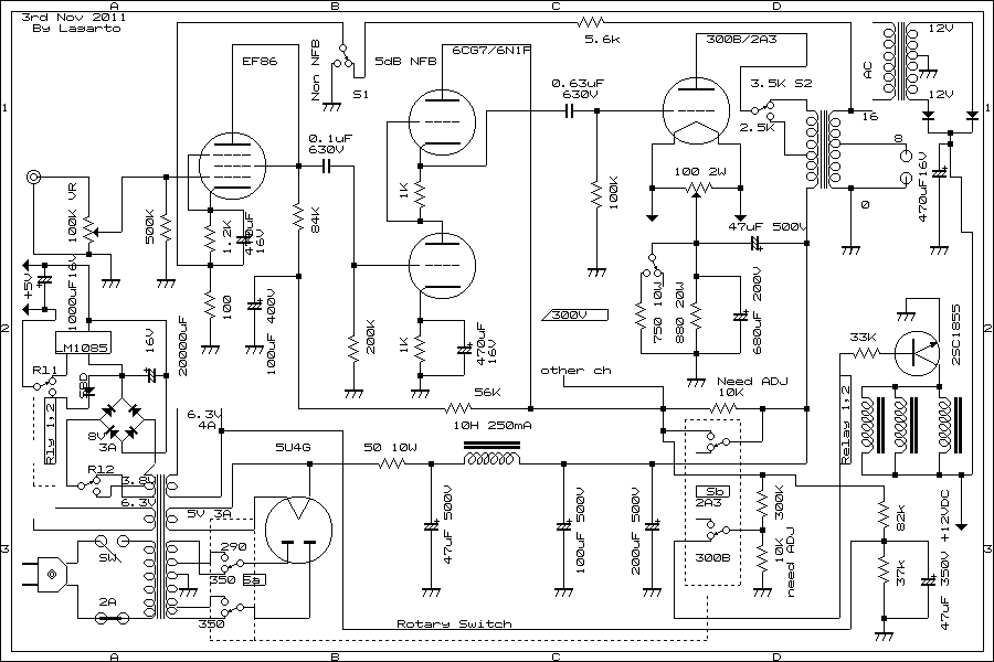
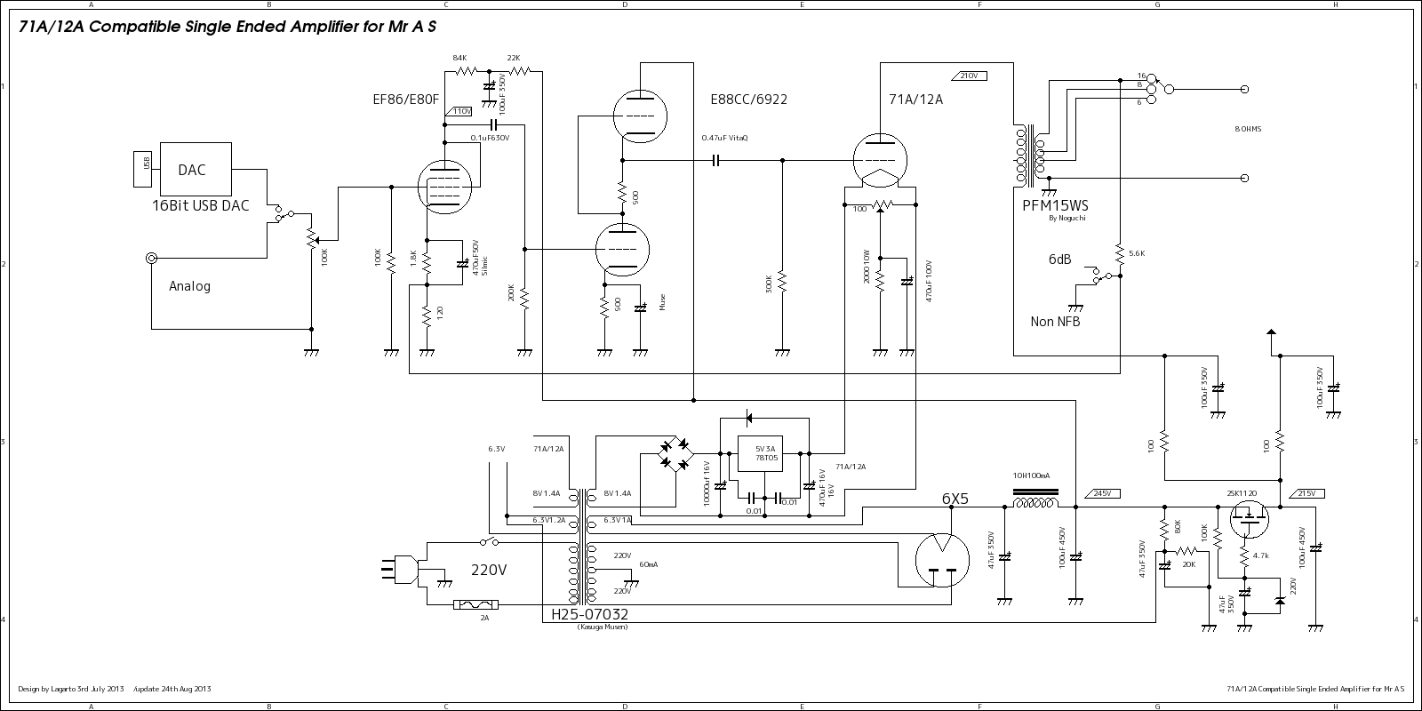
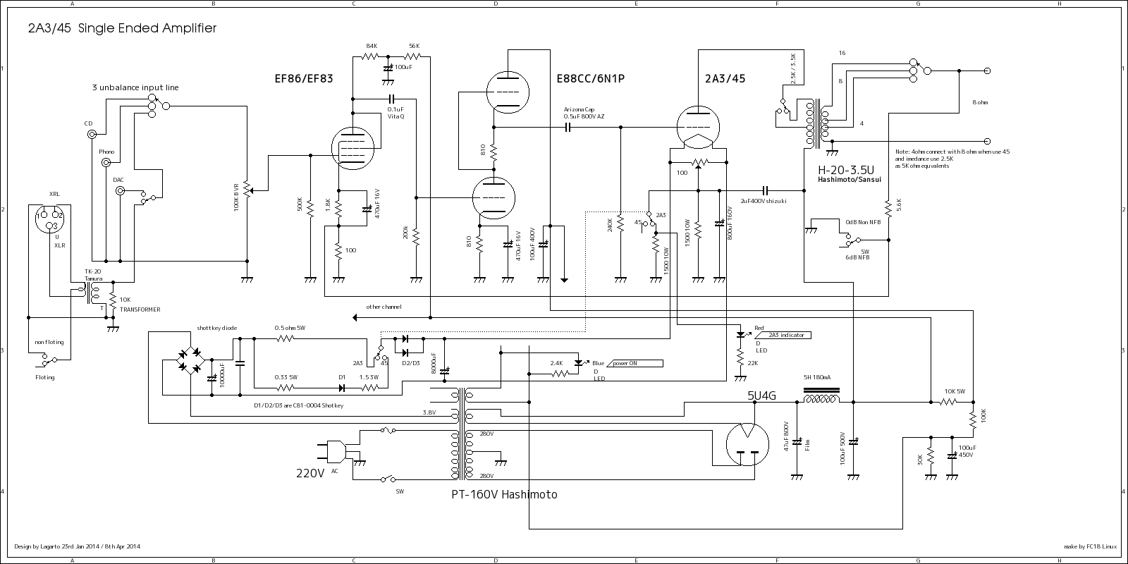
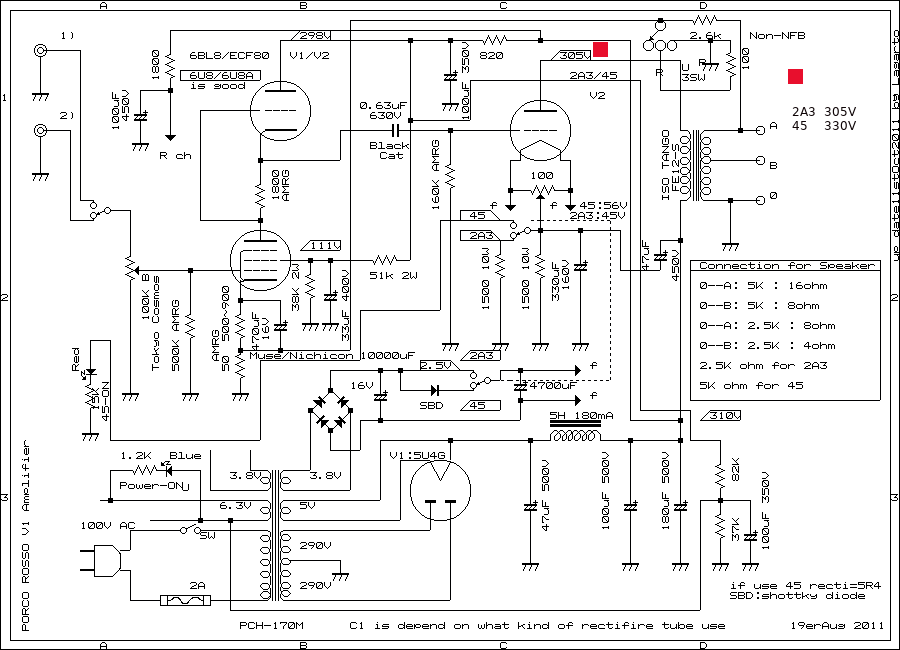
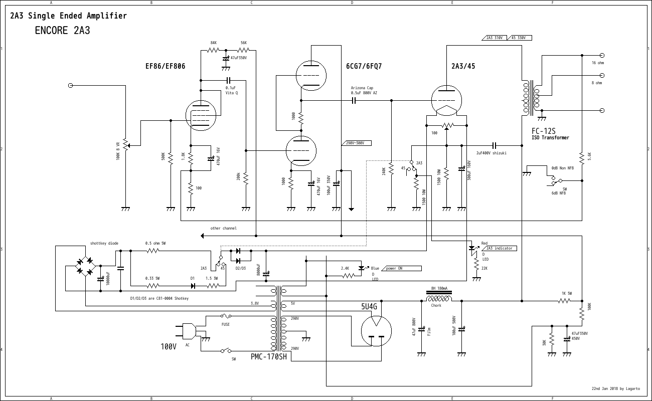
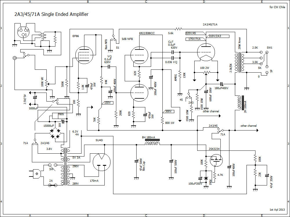
45 and 2A3 Single Ended Amplifier |














<






































































| Name of Valve |
u |
imp Zp |
Po W |
Vp p-k / Bias |
| 2A3 |
4.2 |
2500 |
3.5 |
250V / -45 |
| 12A |
7.5 |
6000 |
0.2 |
180V / -15V |
| 45 |
3.5 |
4600 |
2.0 |
275V / -56V |
| VT52 |
3.8 |
3580 |
2.4 |
300V / -60V |
| 275A |
2.8 |
3500 |
3.3 |
250V / -55 |
| 801A |
8 |
7800 |
3.8 |
600V / -55 |
| VT25 |
8 |
10200 |
1.6 |
425V / -40 |
| 211 |
12 |
9200 |
12 |
1250V /-80V |
| 300B |
3.9 |
3500 |
10 |
400V /-87V |






























































































































If would like to know more ?information or order ?
last up date 4th April 2025 from Yachiyo Chiba Japan
since 9th July 2008 from Sakura with Linux
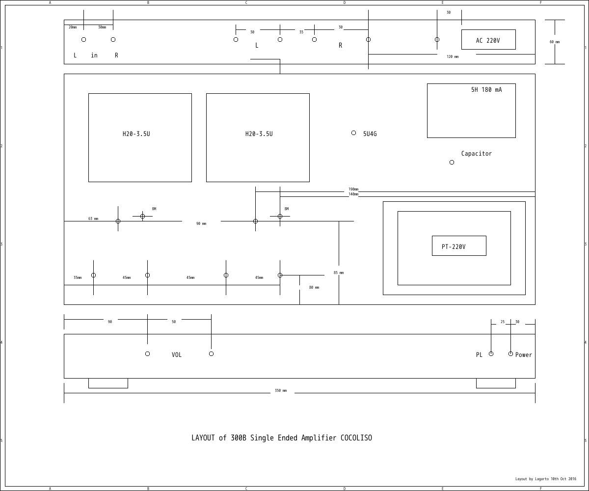
Single Ended Amplifier D.I.Y 2008 - 2025 By JH1DAS ex WB4ACI/CE3
how good sound 2A3 Single Ended Amplifier