*  2A3 Single Ended Amplifier

2A3 Single Ended Amplifier D.I.Y for your at home


カウンター Counter started on 15th Apl 2012



2A3 Single Ended Amplifier on 2012 apl

2A3 Single Ended Amplifier on 2012 Apl





2A3 Single Ended Amplifier on 2012 no2

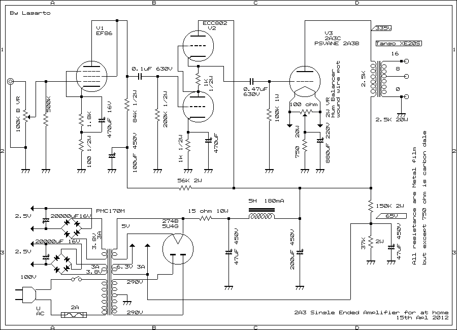
Schematic diagram for 2A3 Single Ended Amplifier



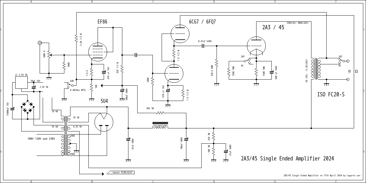
2A3/45

Up date 2A3/45 Single Ended Amplifier on 2024



This time doing re-build up only 2A3 single ended amplfier.but using all resistance
are Metal film resistance.as you know 3-4 type of resistace we can get commercial.
one of carbon resistace, wire wound resistance and Metal film resistance.same value
but each material makes very different sound will be get.carbon resistance are good for flat amplifier
even using power amplifier . as you know Metal oxicide film resistance are good for power amplifier.
will be get good bass and mid ,high is very bright sound.
this single amplifier is 2A3 single ended amplfier with 3 stages amplification.
EF86(triode mode) + ECC82/ECC802/12AU7 + 2A3C/B and XE20S ISO Tango.
why drived by triode ?:
I think , you know miller effect ?
any pentodo has miller effect. if drived by pentodo connected as triode ,just would say nothing problem to use for drive to
Triode power.what's meanning ? does not get wide range of freqeucy responce.
probably does not get enough high range frequency responce and does not reach to 60Khz when
drived by pentodo driver.so Triode like 300B,2A3,45 using triode drive.have to drive
low impedance and power drive.

About resistance:
Most good resistance are Skeltonskelton resistance in Japan and
Z201 Vishay resistance are very high cost but very good using High End Amplifier's.
used be use carbon resistance all parts of my amplifiers but
I will be back to Matal corting film resistance by Takman Electronics co Japan.
TDO Metal
Takman Matal film Resistance(REY) by Takman and web site is Takman Electronics Co Japan
show above picture is Takman resistance, very budget resistance but sound is best for me.
to get much low range and mid /high is so sweet sound.REX and REY are for Audio resistance.

and this is Metal film resistance RSN1S TDO resistance

Charactor: Sound is good low ranges and good high range . if your amplifier does not get good low(Good Bass).
please try to replace of all resistance of Metal film resistance. You will be get good Bass and high frequency
tone. famous resistance are "KOA metal film MOS1/2C " "Vishay Metal film Z201" "Skelton Fukushima-Furaba"
"TDO, Solist or Takman Metal film" "Vishay MBB0207-50F" "AMRA" "Rikyu RO-25CFK"
"Vishay RN65D" "Takman RLF" "Tokyo Koon denpa RD" "Nikkohm solid resistance RP" "Alfa Electronics FLCX"
"Vishay VSR" "Takman REY" etc etc.

so recently I like sound of "Takman REY" and "Takman RSN1S" to get good bass from
my single ended Amplifiers.Nikkohm RP are good too.
REX and REY resistance Takman

REX Takman Resistance Co Japan




Nikkohm Matal ResistanceNikkohm resistanceuse for High End Audio and RF


so Resistance change sound of your Amplifiers.
probably the carbon resitance are good for pre-amplifier and some parts in power supply circuit.
how about you ? please try to use different resistance into your amplifier D.I.Y

29 April 2012


sound like above ,this sound just mid high is getting strong cause of digital camera microphone character


45/2A3 Compatible Single Ended Amplifier M type


M type 2A3/45 compatible single ended amplifier 2012

2A3/45 Compatible Single Ended Amplifier M type


please use Audio Out put transformer capability is 20W single ended and
Universal type transformer 2.5K, 3.5K and 5K ohm.output impedance are 8 and 4 ohms.
frequency response is 10Hz to 90 Khz +/- 0.5 dB. if does not use this kind of transformer
can not get enough tone of 2A3 and 45 NoS.so very important this components are.
2A3/45/71A Single Ended Amplifier 2013 Jan

2A3/45/71A Single Ended Amplifier in Chile Jan 2013 Speaker are Lowther



4P1L Single Ended Amplifier D.I.Y<4P1L Single Ended is not so bad..means good

300B Single Ended Amplifier D.I.Y

300B Single Ended Amplifier D.I.Y Using Hashimoto HC20-3.5U

Japanese Ver日本語

Cathode follower EL34Cathode Drive Single Ended Amplifier D.I.Y


Cathode follower 6550Cathode Drive Single Ended Amplifier D.I.Y

JH1 DAS is hereStill doing by CW


Takman where you can buyREX out of Japan


Where can you buy ,Takman and Japanese componentsREX Acoustic Dimension from Europa


[C]Copyright 2015 www.single-ended.com 

If would like to know more ?


since 15th Apr 2012(latest up date 14th July 2024 )
Lagarto san Amplifier's a part of All of SET and SEP Single Ended Amplifier D.I.Y By JH1 DAS / ex WB4ACI