E34L JJ Mini Single Ended Amplifier D.I.Y
|
Please see with Firefox better see on your PC
Real Audiophile no use Push Pull Amplifier
E34L Single Ended Triode connection Amplifier
EL34(E34L JJ) Mini Triode Single Ended Amplifier D.I.Y
this time I will brew one,one of EL34 single ended amplifier
and using Cathod Chorke drive and triode modo E34L/EL34.
probably will be get some 3 W rms power.all audio transformer are
budget type transformer with EI core.this amplifier can be use EL34,6L6GC and
KT88 but mainly for EL34(E34L JJ).I got 5W rms at triode mode. but I have to use
grade up Transformer.(like Tango's better.)response is 10hz to 30Khz -3dB.High End
Sound but replace grade up transformer best.
same type of amplifier I made it couple years ago with KT88 single ended amplifier.
I have a good story,Cathode Chork drive single ended amplifier can move ProAc 110
cone easy. what do you think ? probably output power is few W rms.link is next
DVD Classic Chile
KT88 Single Ended small watter with ProAc 110.please see it's.
Note: 6LB8 for Driver is best than 6U8.even can be use ECF80,E80CF too.
Spec:E34LS
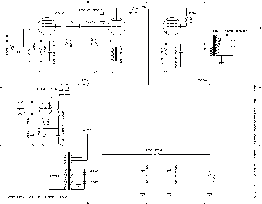
schematic diagram JJ E34L(Red tube) Single Ended Amplifier
Cathode Chork Drive E34L Single Ended Amplifier schematic diagram
UL connection by resistance if would like to use UL witout SG tap
4days later of inside,almost used parts.some of capacitor are new
Version Japanese
using small POT alps .this POT has good response than big alps POT.
gang error and frequency response are good and very cheap.
E34L JJ Single Ended Amplifier up date on 20th Nov 2010
Driver is using 6LB8 Panasonic(Matsushita).6LB8 Matsushita is same of E80CF of
europian valves.this amplifier made good sounding.Does not feel like penthode single
Amplifier.very similar sound of direct heating valves sound.very clear and good bass.
Schematic Diagram E34L/EL34 Single Ended Amplifier
Note:EL34 single ended amplifier will be get 10W rms by good condition of
power supply and good Audio Out Put Transformer.but normaly will be get 8W rms
by penthode connection.off course UL and Triode mode is better than penthode.
many Penthode EL34 Single Ended Amplifier getting around 6.5 W Max is normal.
Cathode-Drive Amp for Single Ended Amplifier on 2008
The people who made the amplifiers I madeĦĦLet's celebrate the brave amp builders!
My poor English is world-famous. It was about 20 years ago that a boy in Chicago asked me to teach him how to use a tube amplifier, and I taught him by email.
Frequently, the boy was saying that my level of English was low. and he did. At the age of 22 I moved to the USA and worked for a Jewish company for 3 years repairing amplifiers.
I moved to America at the age of 22 and worked for a Jewish company for 3 years repairing amplifiers. That is my biggest regret. I'm an old amp maker, over 70 years old. I will continue to make amplifiers, despite my poverty.
I can also speak Spanish, having lived in South America for nearly seven years, four as an expatriate for Pioneer. For the next three years I worked for the Motrola distributor in that country,
repairing Motrola radio equipment. My wife is a strong white Argentine woman. Her grandmother was English and her mother French. She has lived with me in Japan for 40 years and speaks Japanese more fluently than I do. Thank you for reading this far.
Thank you very much. I'll tell you more about myself when I get the chance.
Anyway, my English isn't very good, but it's all right if it makes sense. I'm sure there are foreigners who speak even worse English than I do. Please understand that this is not a site to evaluate my English. This text was written by translating my bad Japanese .
Gozilla Amplifier Diy
Who made Goziila Amplifier by Mr Rob Buelteman

Last up date 28th July 2021
Single Ended Amplifier D.I.Y since 25th July 2009
How to build up Amplifier Single Ended Amplifier 2010-2012