ELrog ER 300B Single Ended Amplifier
|
This is just show you modification of 2A3 Single Ended Amplifier to 300B Single Ended Amplifier
This counter started 4th Dec 2016
Some one very boring sound of 2A3 ,many person said cause of low power.many audiophile has good speaker system.at least 95dB/m/w but not enough
push by 2A3 Single Ended Amplifier.but many Audiophile does not like push pull amplifier's sound ,sound like SS Amplifier. Single Ended Amplifier
can do good clear sound .which do you like. I can not make explain a lot of. but show you modification by some small changes of part.
show you original circuit of 2A3 Single Ended Amplifier.then show ELROG ER 300B Single Ended Amplifier.or any kind of 300B can be use.
Mr Joaquin said who modify 2A3 SET to 300B said.sound like sound of 45 Single Ended ,very clear and more power.
ELROG ER300B
This counter start 22nd Nov 2023
as Atacama 2A3/45 Compatible Single Ended Amplifier on 2010 in Japan
Schematic diagram original is next
Original Schematic diagram on 2010
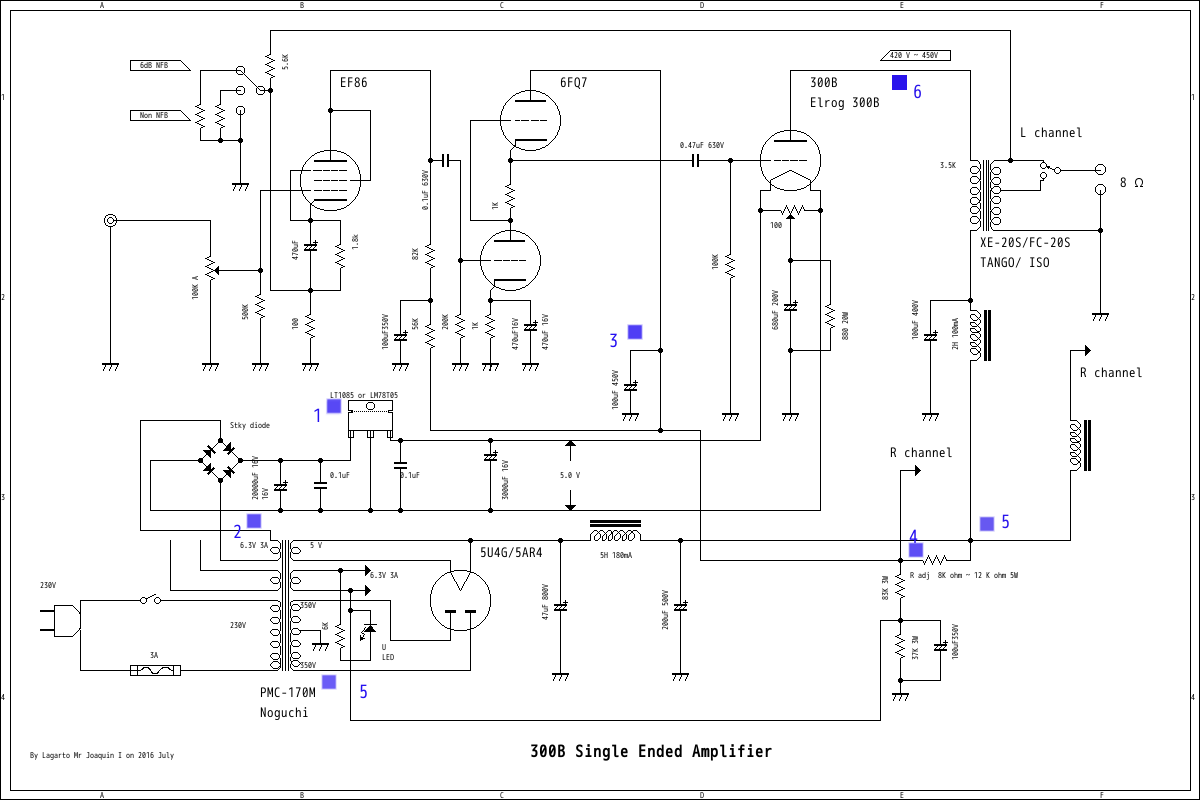
300B Single Ended Amplifier for 2A3 SET modification detail on june 2016
same circuit diagram ,indicated small detail
Violet dot 1 from to 6 show detail:1 is 5 V regurator must be use 5V 3A or more. 2: 6.3V 3A if possible 4A. and Rectifier is shotky diode bridge or high speed
silicon diode bridge,muc better use SIC diode.because get minor noise figure. 3: add 100 uF 450V ~500V capacitor. 4: is add one resistor of value 8 K ohms to
12K ohms 5 W between driver circuit and final B+ circuit. B+ is must have around 450V ~ 460V.if possible if can not get around 430V please use 5AR4/GZ34 for
Rectifier valve.much better 5U4 or 5U4G .sound is much better than any kind of rectifier valve. and point of 4 .must get 300 V.if use 6CG7 / 6FQ7.
5 : 450V ~ 430V . 6: is around 420 V ~450V .300B cathode resistance choose 880 OHMs 20W .not 1000 ohms. must be use 880 Ohms 20W.
this amplifier using chork transformer 2H 100mA .if difficult get one same one does not need.and does not need NFB loop circuit.
Note: 2013 ISO Tango was closed but Oct 2016 going up ISO Transformers INC. in Tokyo Japan.so you can use former ISO Transformer again.
Started from OCT 2016 XE20S is FC-20S ISO
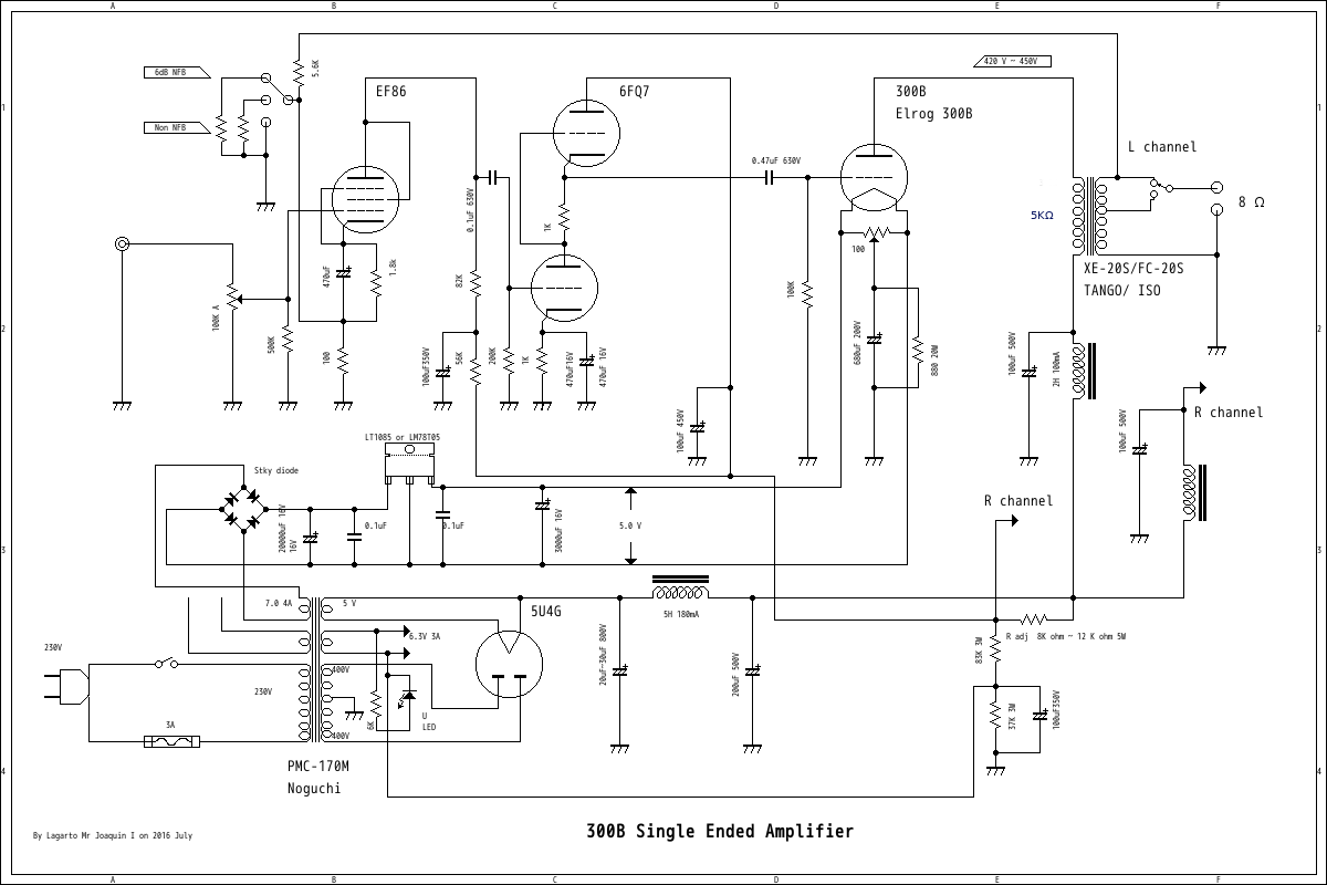
ELrog ER300B Single Ended Amplifier on 2nd Dec 2016 in Vina de Mar Chile
Only Japanse:ELrog ER 300B は日本でも購入出来る可能性があるかも知れません、先日 Thomas Mayer氏が私に日本での代理店を探していると言うメールを頂きましたのでもしかすると
日本でも購入出来る可能性のルートを開発したかも知れません。数年前のことですが A&Mが代理店であったとかないとかの情報もありましたが、、、、その後、数社とコンタクトをとり
アムトランスにもお願いを致しましたら、良い返事が来ましたので、Mayer氏を紹介しました。、、日本でも販売されることになったのは、ネット上で確認出来ると思います。
なお、その他推薦した販売会社の中にはTec-sol 社も含まれています。尚、両社も私がコンタクトをとってあげた企業ですが、もし隠す事情があったら遺憾と思います。
製作者のコメントですが、400V以上の高圧を使いプレート抵抗は5KΩをお薦め致します。音はハイパワーな45と表現していました。300Bより45に近い音と表現をしていました。
As a comment from the manufacturer, he recommend using a high voltage of 400V or higher and a plate resistance of 5KΩ.
The sound was described as a high power 45. The sound and expression were closer to 45 than 300B.
Dr Joaquin I facebook in Chile
------Links-----
Mr Thomas Mayer about ELrog ER300B //Vinyl Savor
Spec of ELrog ER 300B
Mr Thomas Mayer SiteForum from Chile
New Amplifier from ChileRE Modification of 300B
Plate Voltages up to 470V and separated filament transformer of power supply,5 K load and sound like 45.and much more power.
Hashimoto Trans using300B Single Ended Amplifierwith Altec 7
Original2A3 Single Ended AmplifierName of Atacama

last up date 22nd Nov Jan 2022 from Yachiyo Chiba Japan
since 9th July 2003 from Sakura with Linux
Single Ended Amplifier D.I.Y 2003-2017 By JH1DAS ex WB4ACI/CE3
how good sound 2A3 Single Ended Amplifier