*  2A3/45 SE Amplifier D.I.Y
Google English カウンター

counter started 16th Feb 2010


There is no longer a transformer manufacturer called Tango,
The current tango is not the real Hirata tango, forcibly
In other words, ISO Tokyo is the real Tango. The transformer maker called TANGO is not a true transformer maker named TANGO,
and the characteristics are different from the sound made by ISO Otaki and Suzuki, and the transe made by Otaki and Suzuki = ISO Tokyo is the true TANGO sound.


Atacama 2A3/45 Single Ended Amplifier 2014

As 45 Single Ended Amplifier from Chile with Passive Pre on 25th May 2014



his system


Dr Joaquin's house 2012


DR Joaquin Chile

Dr Joaquin from Chile,May 2015 DIY pre(DSD DAC incorporated)




2A3 SESingle Ended 2A3 of Amplifier ISO Tango XE20S 2A3/45 Single Ended Amplifier

schematic circuit indicated next,this time use ISO Tango XE20S Transformer with
2A3 Single Ended Amplifier. 3 stages amplifier with SRPP Drive.

2A3 SE with tamura

2A3 Single Ended Amplifier with Tango orient hi-b core transformer


2A3 Single Ended Amplifier

2A3 Single Ended Amplifier on 1990


frequnecy resonse is within -1dB from 10hz to 100Khz at 1W rms
power is 3.5W rms, max power is 5W rms.I did finished built up 2A3 Single Ended Amplifier
input line are RCA of 2 line and one of Balanced input(Tamura TK-20).
Amplifier can be use both RCA 45 and 2A3. Audio Transformer are ISO Tango XE20S.

point of Test: voltage of +B is around 309(2A3)/320(45) V.Cathode voltage is
45 V for 2A3.plate current are 60mA each valve when use 2A3 Golden Dragon.
RCA 45 single mode is very nice both with NFB and non NFB.power is very low like
original power as 1.5W rms but feel like more than 2A3 single ended mode power.
RCA 45 are using 1936 USA Made but used.still getting good sound from him.
very good boy!!!. noise is around 0.8mV at non NFB position.
recommended use 2A3C or 2A3B china(Golden Dragon Premium) and EH 2A3.
and any old 45 valves.
convination of valves are EF86(telefunken,new tesla or EH)+6CG7(EH or Westighouse)
and any 2A3 made up good sound.+B of plate of 2A3 is 320V getting good sound.
2A3C sound is just like sound of RCA 45 and feel like much power than any 2A3.
very close sound of Sovtek 2A3(old).2A3C is very nice to hear any kind of Music.
very clear and good bass.2A3B(premium Golden Dragon) are good bass and clear.
one thing old chinese 2A3 are very cheap but grid wire are using gold wire.
sound is good too.one thing bad is physical problem inside of Glass painted after
few hour use from brand new valve.but sound is nothing problem.
2A3C is expensive in Japan and 2A3(B)Golden Dragon too. 2A3EH made up good sound
but I like very much sound of Sovtek 2A3. all new type of 2A3 got 4W rms non clip
Max power is around 5W rms.if give more +B for plate sound become a little bit
getting sound tight. 2A3 family is 250V and 60mA dissipation made good confortable
sound than high voltage of Plate.sound quality is depend on Audio Transformer.
2A3C is good .best valve but has physical problem inside of valve.some time getting
noise when cold started play music.still unstable product from China.
2A3C Sound is Best but have big risk.
Rectifier is 274B china and 1st filter capacitor is Sizuki 47uF 800V film capacitor for
getting good condition filterring ripple.big electric capacitor are Nichicon.special
Spec for valve amplifier.

2A3 JJ is not 2A3 .suppose be KR family too.


Components 部品

componets are next picture.power resistance are 5W kiwame and small resistance
3/4W AMRG non inductive carbon resistance.4 of cathode resistance are 10W Dale.
condensor are Nichikon,Shizuki and TO-ICHI.coupling capacitor are TO-ICHI Vitamin Q.



Partes

components: Teflon UX 4 Base and 2 of XE20S,chork,chassis,



chassis Takachi Indu

Perforation of Chassis(Takachi SRDSL9-HS) 穴をあけたところ


私の場合は、シャーシにカッティング・テープ 手で切れる梱包用(オカモト・テ─プ製)の
曇りガラスの様な状態のテープで横には切れるが縦には切れないテープが売られています。粘着力も
あまり良くないテープです。色々なメーカーの梱包用テープを試しましたが、粘着力が強く剥がれにくい
頑丈なものが多く苦労しました。この推薦テープをシャーシ全面に張付けてその上からマジックインキ
などで、作図を描いていきます。センターポンチなどで、センターを出したり、穴あけ個所にマークを
つけて行きます。その上からシャーシパンチやドリルを使って穴を順次あけていきます。穴がなんとか
あきましたら、貼られている梱包用テープを剥がしていき。植物性アルコールで綺麗にします。
シャーシの穴あけはこれだけです。最近はハンドプレスと言う便利な工具もありますので、穴あけには
それほど苦労することもなくなりましたが 電ドルとシャーシパンチさえあれば穴はあかるものです。
注)2014年5月現在 D2 ホームセンターの養生用テープが一番良い様です。オカモト・テープは材質を
変更したために余り良くありません、剥がれない場合があります。D2のテープはとても良い。



出力トランスに XE20Sを使った2A3/45 シングル・アンプです。上の黒い
シャーシに組んだアンプもう20年前になりますが、たった、数ワットですが、威力は素晴らしいアンプです。
外国からのお客様に注文があり、組み立て中のアンプが下の様な瓜二つのアンプです。
性能そのものは同一ですし、前のアンプを製作した頃には中国製の2枚プレートの2A3しかありませんでした
ので、2A3 の音を楽しむには、色々な2A3がありますので良い時代になりました。

ドライバーは、6FQ7,6CG7,ECC88,6DJ8,6N1Pなど何でも構いません、私的には6N1Pが快い音を出して
います。最初 左側がボリューム中央で高周波で発振してしまい、困りましたが、シールド線を使いましたら
ピタッととまりました。数センチの長さなので、左側のみシールド線を使わなかったのですが、これがエラー
となりました。左右の出力回路の+B側に2Hのチョークが入っておりますが、これは素晴らしくとても分離
が良く、モノアンプを2台使っている様な気になるほど、分離が良くなっています。

2A3のフィラメント電圧ですが、15,000uFを投入しました。
6.3-2.5=3.8V で整流すると2.5Vぐらいになります。コンデンサーを増やすと電圧が
が上がりますので、適当に抵抗で調整します。45に関しては、フィラメントの電圧は適当です。
最近になって、ダウンコンバーター用 ICも出ていますので、そのICを使ったら良いと思います。
LTC3412 2.5A,2.5Vの規格のICがあるようです。入力も3V程度で良く比較的使いやすいかも知れませんが
ちょっと回路が複雑で、連続使用に耐えられるか?はまだ不明です。LM388等も良い様です。

無負荷で、3.5Vとなり2A3 をつなぐとちょうど2.5Vとなります。45の場合は2.75V位となりますが、
エミ減気味の45には丁度良いかも知れません、気味が悪い場合はシリーズにショットキイ・ダイオードでも
シリーズに入れるとちょうど、2.5Vほどになります。

電源トランスは野口に1個だけあった、PMC170Mの230V用です。春日無線でも2万円程度で作ってくれる様で
最近 出てきたエイトリックでも12000円程度で作ってくれるとの事でした。次回は上の二社から選ぶことに
なりそうです。230/220V 用のトランスです。なお春日無線の場合はシールド付です。

RCA 45 の音: ピカ 1です。信じられないほど奥の深い音を得ることが出来ました。この1.5W足らずのアンプ
の音を聴いていて、何も2A3にすることはないと感じるほど音が良く、ISO Tango XE20S は素晴らしく
RCA 45 の音を出してくれています。西暦2010年 元旦 記 (アンプにのめり込んだ新年です。)

電源トランスを
1個での特注に応じているのは、エイトリックと春日無線です。納期も結構早いし救われるのはこの2社だけ
です。西暦2010年 1月2日 記載

銘板はシャーシが銀色ですので、実際はこれは銀色のアルマイト加工ですのでプレートも銀色になりました。
プレートメーカーでは銀ではなくステンレスを指定してきました。出来上がりは年末に仕上がっており30日に
届きました。ステンレスもヘアライン加工をしてあり、文字は青色。綺麗に出来上がっていました。アンプ
の完成は間近ですが、もうちょいが良くなく、試行錯誤をしています。

ほとんど完成しましたが、あとはエージング(burn in)を2週間ほどして出荷する予定です。
とても良い音のアンプに出来上がったと思います。5th Jan 2010記
なお、信号系の抵抗は AMRG ,パワー系の抵抗はKIWAMEを使っています。2A3/45 のカソード抵抗は
10W Daleの黒い無誘導抵抗です。コンデンサー類はほとんどがニチコン製ですが、274B出力側のコンデンサー
のみShizukiの高圧フィルムコンデンサーを使っています。カップリングは東ーのVitamin Qとなっています。
出力の入力のみVitaQ 0.47uF に0.22uFのEROのフィルムコンデンサーがパラってあります。
前段のカソードはMUSEコンデンサーです。MUSEコンデンサーは音が良いのですが、経年変化で液漏れをおこし
ますので要注意ですが、ここでは使いました。


2A3 single ended

Front of 2A3/45 Single Ended Amplifier with ISO Tango XE20S




back side 2A3 SE

Back View of Amplifier 2 line and XLR balanced input




front up 2A3 looks

front up side 2A3/45 Single Ended Amplifier


45/2A3

2A3/45 compatible Single Ended Amplifier 5th Jan 2010




このいい加減な野口の230v 用電源トランスは240vと220Vの中間をとって230Vとしたとのことですが
レギュレ─ションが大変悪く、時としては10V以上も変動してしまいます。290Vのタップはもっと
いい加減で負荷をかけるとDCが290Vまで落ちてしまいます。これでは、どうしても使いにくいトランスで
1 個だけあったので、テストモデルとして製作しいたトランスなのであろうと思います。野口のトランスは
あまり良いイメージの良くないトランスが多かったのですが、今回も苦労しました。
一部回路が変則的なのですが、いかにも悲しい結果です。東栄で購入したアップトランスの出力が238Vで
現地でテスターで実測してもらいましたら、238Vあったとのことですのでこれでうまくいくであると思い
ました。あとはうまく行くことを祈るしかないようです。
音は素晴らしく、ISO Tango XE20S の音を出しています。中々、ハムが思う様に取れず、初段管を除いた
状態では、1.5mV程度でした。ところがEF86をつけると,8mV程度まで上昇してしまいます。

EF86の周辺にFETのリップルフィルターを入れようがまったく変らず、3から6dBほどのNFBをかけるとまあ
1.5mVまで落ちますが、今回ほど3段アンプの難しさを感じました。オシロスコープがあってこそ原因がわか
りましたが、つまりグランド・ラインのループでした。(ぺルケ氏 ありがとう)

5cmほどのメッキ線のグランドラインが開放ではなくループとなっており、ニッパで切ったら1.4mVまで
下がりました。この長細いシャーシのせいでもあります。部品の配置がとても難しく内部のグランドは
魚の骨の様な状態になっています。
この5cmほどのメッキ線のおかげで、2 Mhz の細かい発振も微少ですが出る始末でした。
とても綺麗な音になりました。NFBをかければ少なくなるのですが、売るためには納得が行かず、無帰還で
も使える様になって良かったと思います。
45 シングルはピカ一です。2A3C も素晴らしく鳴ってくれます。45に似た音です。


ハム時代にモノバンドSSBのトランシーバーを製作した経験がありますが、ベタアースと言われる最短距離
のアースが必要でしたが、この要領はオーディオの世界ではあまり通用しませんでしたが、時としてRFの
要領も必要であると思います。Non NFBでノイズは0.8mV まで落ちました。
一度アンプの横のフルエンシーDAC付きラインアンプを使うと放せません。
ところで、
XE20S を年末に、野口の社長、ワンペアあるからと言っていつもの場所以外のところから何か訳ありの顔を
して、XE20Sを出してきて、都合してくれてのですが、組み上げると、細かい塗料の剥げがあったのです。
野口で購入するのはこれから持ち帰る時注意することでしょうか?まあこれは、たまたまあったことです。
後程 快く新品に交換して頂きました。

ちなみに、春日と東栄のトランスの塗料はアルコール系の液体を含んだウエスで拭くと色が剥げます。特に
春日のトランスのコアに塗ってある塗料は要注意です。簡単に塗料が剥げてしまいます。

東栄は最近になって,オリエントコアのT850、T600シリーズを出してきましたが、特性は全然、良くはなく
10K:600オームのマッチングトランスなどは、ただ素人が巻いただけの様なお粗末なものでがっかりさせら
れました。こんなのは安いからと言っても使いものにはなりません。特性もとらず、商品にしてしまう考え
は何とも言えません。日本製の部品は悪くなっています。これじゃ中国に負けてしまいます。もう部品を
作れる職人、技術者がいないのでしょうね、悲しい事です。UXやその他のタイト製の日本製真空管ソケット
なんて、一度しか使えないし、お宝の300Bや2A3を壊してしまいます。グリッドが浮いて真空管を壊す症例
もあるとのことです。ソケット屋に文句を物申します。日本製ソケットは購入しないようにしましょう。
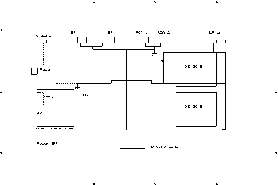
グランド・ライン(アース母線)は以下の様になりました。
18th Jan 2010 記


ground line

Ground line is indicated above アース母線は上に示します。




フルエンシーDAC付きライン・アンプと2A3/45シングル・コンパチ・アンプ


Fuluency DAC line Amplifier and 2A3/45 SET Amplifier




カソード抵抗の切り替えは岩通のロータリースイッチを2段パラ接続で使ったのですが、先日秋葉で見つけた
大型の3連のスナップスイッチに変更しました。四連もありましたので、つまり2接点、4回路です。これなら
何もリレーを使わなく済みます。最近 青色のアルプスの小型のロータリースイッチを見かけますが、大変品質が
悪く、もし使う予定がありましたらご考え下さい。3連は1回路を2A3の表示LED(赤)切り替えとしました。
注意・!!
画像はCanon IXYを使っていますが、右側が変形と言うか右に傾く傾向にあります。ネームプレートやシール
は真四角にはならず、右に傾いています。どうやって補正するのでしょうか?今の技術はこんないい加減なもの
なのでしょうか?。アンプは右に傾き傾向にあり、重そうなんて言う外国の人もおります。収差が出ている
のでしょう。プラスチック・レンズの欠点でしょうか?

このアンプはオーディオ・アエロ(フランス)社のキャピトールと言うCD プレーヤーをバランス型で接続して
使用する為にご注文をいただいたアンプです。2010年1月下旬に発送致しましたがとても満足しているとのメール
を頂き更に初めてAudio Aero Capitole の音を満足に出すことが出来ましたと言っていました。
某メーカーのハイエンド 300B シングルは7ワット前後ですが、たった、3.5 W の2A3 シングルの音が勝る訳です。

バランス入力はタムラの小型のマッチング・トランス TK-20です。お客様は大変気に入った音と言っており
CDプレーヤーからの音を忠実に伝送している事を感じることが出来ます。RCAのアンバランスはほとんど使用して
いないとのことでした。2次側は開放ですが、実際は100KのVRが入っております。テストは、山水の小型トランス
10K:600でプリを組んで、実験しました。結構 忠実な音と感じましたが、多少の心配がありましたが、結果
は良かった様です。これからもTK-20を使おうと思います。信頼度の高いトランスです。

Audio Transformer are XE20S but ISO Tango XE20SE.a little bit different charactor
with old type XE20S .old type of XE20S are more bass range is powerfull.realy only
4dB from NFB can get around + 1.5 dB more peak at 20Hz.high frequency range almost
same like ISO Tango XE20S.reach to over 100Khz with some NFB.I will remake 2A3/45
Single Ended Amplifier. same like above 2A3/45 Single Ended Amplifier.will be soon
here on WEB. Chinese Valve Amplifier does not made up good frequecny response.
Japanese Transformer are good.even" I was I Were Tamura"" but very expensive for
for my hobby. Power is 4 W rms( one side clip). DF is 2.5 and Max power is 5.5W rms.
and frequency response is 5Hz to 100Khz at -1dB -3dB over all NFB.0.5mV noise.

another think 2A3's C/P is very good.pair of valves cost less than USD$100 dollars
and Get 5W rms of Power. sound is very good.one thing better than 300B SE.

I never use Metal Clad resistance and Cement resistace. both are bad for rush current.
easy to burn with rush current.and both resitance are almost same type of elements are using
as resistance so not so good for valve amplfier.

I am using Dale non inductive resistance for Cathode resistance.
power resistance are Kiwame Carbon and signal passing parts are using AMRG resistance.
big size electric capacitor are Nichicon for High End Audio.and coupling capacitor are
Vita Q Toichidenki Japansame thing I said above.


To-ichi denki

TOICHI Denki Vita Q oil parper capacitor


in general use parallel with film capacior for High End Audio,I used 2 positon which are 1st
coupling and 2nd stage with final.0.22uF630V ERO film and 0.47uF630V Vita Q in parallel.



AMRG

anti magnetic,low noise low distorcion carbon resistance for High End Audio


AMRG MFG isAmtrans Japan.
What built up for this 2A3/45 single ended Amplifier
This 2A3/45 Single Ended Amplifier is built up for one of client of AUDIO AERO Capitole user,
and he has Altec high effiency speaker system.
he said super good tone has this amplifier which is connected with Audio Aero Capitole CDP with Balanced output.
Detail: from HiFi Chile 2019Chile
but only in Spanish.he did upgrade to Elog 300B single


Comments about 2A3 Single Ended AmplifierAudiophile ChileFrom Chile

2A3/45 Single Ended Amplifier and Audio Aero Capitole DAC and CDP modification



Emission labs 45

2A3/45 Single Ended Amplifier With Emission Lab 45



Audio line of Mr Joaquin system in Chile for mono block

system in Chile



Mr Joaquin System in Chile 2012


I did infect him some name of virus it's call electronics hobby


Then recently I asked him ,how about modification about 2A3 SET to 300B then I send note how to make up grade to 300B
Please see next page


ELrog ER300B //From 2A3 SET to 300B SET modification



Name Plate Made from OOMURA Name Plate

ネームプレートは大村ネームプレートで製作していただいております。
OOMURA Name Plate



45 Single Ended Amplifier on www.jacmusic.com

2A3 Single Ended AmplifierDrived by 6BL8

2A3/45 Single Ended AmplifierDrived by Transformer

2A3/45 Single Ended AmplifierOnly picture

Fervox 45/71A Single Ended Amplifierjust start build up on 26th May 2014



Last up date 25th Oct 2022, since 18th Feb 2017

Single Ended Amplifier D.I.Y edited by Linux Blue Fish

I do not permit any copy on the this web site for any use for personal

How to build up Amplifier Single Ended Amplifier 2017