*  2A3/45 5842or5687 SE IST Drive SET D.I.Y

Introducing 2A3/45 Single Ended Amplifier by Inter Stage Drive

Some Audiophiler from southern asia asking !!
" Can you try 2A3 Single Ended Inter Stage drive Amplifier with WE417A".

I said ! suppose be not so good by one tube drive with inter stage transformer.
but I will try his one dream, 2A3 drive by one small with inter stage transformer.
Audiophiler would like to get one of 2A3 SE Trans-Drive with FC-30-3.5 Tango and
Driver is NC20F Tango.

so I will try to use 811-3 SET Amplifier modificated to 2A3 SET.Driver Transformer is
Tamura A-342 InterStage Transformer and Audio Transformer is Noguchi PMF20WS
Universal Transformer(just same like U-808 Tango).A-342 is special type of Transformer.
and not for Audio hobbyst.primary is 5K and secondary is 2.5K + 2.5K 2 of wound.
good transformer.Audio Transformer are cut core transformer of 3rd party MFG.

result: many transformer drive 's charactor is narrow.we said kamaboko,just like figure of
top of Bread. low edge and high edge are going down of -6dB oct of curve.20Hz from 25KHz are almost
flat.but over 25Khz are going down to -6dB oct curve.6dB/OCT is around 35Khz.this value are
depend on charactor of interstage Transformer and Audio OUT PUT Transformer charactor.
need good response of audio transformer.

sound: sound is quaite good. does not get good curve on frequency response on meter.
so sound of low edge is soft.some thing like low DF sound.and high edge is same as low.
high edge is not so good response sound but very light sound, some thing like sound is
very similar of trium tangstain filament valve amplifier sound.sound like musical but narrow.
most 2A3 single ended amplifier put out around 3.8W rms. but 30% more power getting.
max reach to 7W rms with soft clip. what's meanning Trans-Drive getting more
soft clip: when amplifier is clipping a half of 0-180deg and 180-360 deg ,top of
sign wave is going clip but soft clip means not clitical clip.many C coupling amplifier
clipping when gave level over signal to input line.getting squer wave from out put line.
soft clipping is not clitical clip getting. please under stand what can I say....

any way I am getting enough power than CR coupling Amplifier.
suppose be good for old Jazz play.
if can you use FC-30-3.5S and NC20F(Tamura) can be reach 100 Khz response.off course
you can get very modern powerfull sound from 2A3SE Amplifier.

how about Tung-Sol 45: very power full and deliver around 4 W rms.just replaced cathode
resistor from 750 ohm to 1500 ohm and changed out put impedance to 5K ohm.
sound is great and soft clip is about 4.0 W rms.this is merit of Transformer Drive.
a little bit difficult drive because 45 grid bias is deep than 2A3 grid bias.but nothing
problem with normal use.and I have to adjust +B for suitable plate voltage for insure.


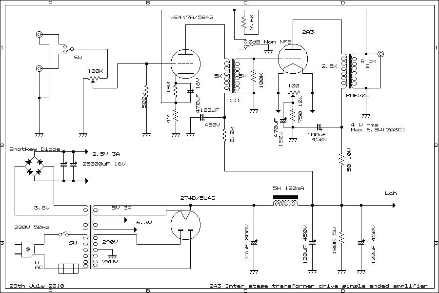
Trans drive 2A3

Testing Amplifier for 2A3 Inter Stage Drive



2A3 inter stage trans drive

Doing fine Trans Drived Single Ended Amplifier on 28th July 2010



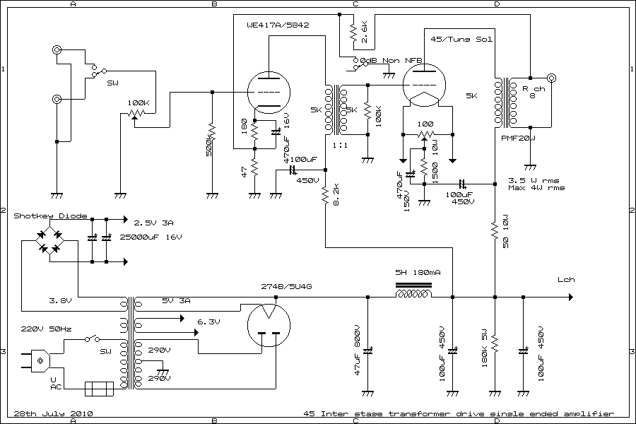
Schematic diagram is very simple

2A3 Trans Drive circuit

almost circuit diagram is above ,just testing now need more adjust



45 single ended transformer drive

Tung-sol 45 and TransDrived single ended amplifier



45 Trans Drive Single ended

45 Single Ended Trans Drive Amplifer



OPT-20S 45 single ended amplifier

45 Single Ended Amplifier Trans-Drive very nice tone


OUT PUT Transformer are Touei OPT-20S 5K position and 8 ohm out, sound great
does not feel few W rms power.very clear and can get good bass too.sound is very
Musical.modern sound and I guess good for new Jazz ,I think classic violin solo
will plays good.


TransDrive single ended amplfier

circuit is shown above using XE20S and NC20F how about ?


Lay Out of 45/2A3 Single Ended Amplifier on 2010

Layout

new Amplifier LayOut for Victory Audio Indonesia



45/2A3 Single-ended amplifier


New Amplifier 45/2A3 Ist Drive

Finaly use above circuit ,very good Amplifier listen Jazz and Classic


last up to date circuit is shown above 14th Sep 2010



Lay Out is just next
LayOut 45/2A3 single ended amplifier

LayOut is not same because NC20-F is very big.



Components are

componens are---- Hashimoto(Sansui)Power Transformer for 220V(PT-160V),
ISO Tango XE-20S x 2, NC20-F x 2, LC-10-200D
CP-2500 Tokyo Kohon plastic potentiometer for high end model.
2 of Black Gate Block condensors (discontinue model),2 of 100uF x 2 350V
Valve Socket are Yamamoto Teflon Base.2 of UX gold,2 of Noval(MT9) gold
Octal gold US Base for 274B.
filament power supply are using 2 of Shot Key diode brige.all small condensor are
Nichicon.wire are using Belden,silver rith wire and OFC rith wire,etc.
Binding Post are 6 for 2.5K and 5 K load impedance of 8 ohm.
2.5K for 2A3 and 5K for 45. signal resistance are AMRG non inductive resistance.
only one input line unbalanced. RCA are Super Tron.



45/2A3 Inter Stage Drive Amplifier




I do not know who said WE417A inter stage transformer driver is good.
very clear and wide ,good dinamic range when I used WE417A drived only.WE417A is super expensive
this amplifier is
drived 5687 high power and high gain low plate load valves.sound is very wide.
nothing problem for drive 2A3 and 45. good clear Bass and mid and high is very good tone
just like sama tone of C Coupling Amplifier tone.but one thing different is mid-high is
soft and smooth .good response from low to high. power are deliver 3.0W Max rms for 45
and 7 W rms max by 2A3. nominal power are 2.5W rms for 45 and 5.5W for 2A3.2A3 is super
good tone and power is enough for 91dB/m Speaker System.
very low cost amplifier but sound is very very great than expensive single ende amplifier.
all components are used low cost model.Auido Transformer are TOEI Transformer CO Japan
OPT-20S/OPT-20SR . OPT-20SR is same charactor of XE-20S.sound like XE-20S. very good and
Audio Transformer and low cost Transformer in Japan.10Hz to 90KHz.20W universal Transformer.

sound: sound is 100 times better than WE417A Drive.more than 100 times better.low is
very clear and mid-hight are enough, very clear and natural.not feel using interstage
transformer drive amplifier.if use XE-20S and NC-20F , will be get more good sound.
this is very best Amplifier of mine.




Note: WE417A only one drive sound is not so good.probably many person using this kind of circuit
one thing not enough drive triode with inter stage transformer.many person said very good tube.
probably good tube. but not enough to drive triode.because any power triode has input
capacitance are slightly high.what's meanning only one tube drive is not enough cansel
capacitance of input line.most bad risk is very difficult to get good WE417A or 5842 tubes.
2 stage of direct coupling amplifier for drive by 5687.powerfull drive and with 2 stages
driver amplifier make easy good band waith amplifier.first amp-stage is for small signal and
2nd amp-stage for power drive. 1rst amp-stage's current is about 3mA and power stage is 7mA
1st stage's power supply is regurated voltage for one of FET resgurator with 204V Zenner diode.
for stabilize voltage of 1st amp-stage line.really direct coupling amplifier drived very
strong signal.easy makes good sound of good Bass and good mid and high frequency range.
sounding are very clear from low range to high range.what's meanning sound is very modern speedy.


OPT-20SR Toei Transformer

TOEI Transformer Co Japan OPT-20SR


2A3/45 to 300B IST drived Single Ended Amplifier
Drived by 5687

2A3/45 and 300B Drived by 5687 Inter-Stage Transformer Drive circuit


final circuit is show next

more power and musical

to get feel more power and sounding is more Musical


Note: Actually. I am using 2A3/45 then
going up +B to around 440V and change filament voltage for use WE300B with this 5687 IST drived Amplfier,sound
has more "body" than only C coupling Drive.even direct drive(LW type) too.
sounding is very good low(Bass) and mid-high are so nice from WE300B SET.

probably good for KR 300BLX with Tango NC-16 and FC-30-3.5 or F5002 of Tamura.

if some one using JE Lab 300B circuit and does not get good bass please try to use
Perque Drive.probably get more bass than JE Lab 300B style single ended amplifier.
and this Technicis good
for try your 300B single ended amplfier D.I.Y.

2A3/45 wjth NC20

Lukito Amp 2010


日本語はこっちです

(since 28/July/2010)last up date 13rd Dic 2025 from Yachiyo Chiba Japan


7th Avenue


Single Ended Amplifier D.I.Y

How to build up Amplifier Single Ended Amplifier 2025