*  300B/2A3 SE Amplifier D.I.Y
カウンター

This counter started from 17th Jan 2011

Introducing 300B Single Ended Amplifier by Perque Drive

3 Digital(SPDIF)input and one input for Analog

This time I am thinking make one of 300B Single Ended Amplifier drived by perque drive( Mr Tetsu Kimura invented)
more than 10 amplifier built up with Perque Drive past days .result is quite very good than normal SRPP and penthode drive.
I got good frequency response and getting good bass than SRPP. Perque Drive is originaly SRPP but use penthode an triode
tubes.Triode must be use low Mu around 20 is good result.you may use 6AN8 and 7199 both are good for drive.
recenly 6AN8 is very diffcult get NOS from USA and very expensive in Japan.instead of 6AN8 can be use
E80CF,6BL8 and E80CF family.Ei 6BL8 is very nice tubes. Ei was lay off many years ago but 6BL8 is still
getting easly in market of Japan. sound like penthode but charctor is SRPP.very good width band.
good freqeuency respose from low edge to high edge.if use XE20S ISO Tango. response is from 10hz to 90Khz
-1dB at 1 W rms by 2A3. circuit diagram is almost same as EL156 Single Ended Amplifier.

This amplifier's Spec is 7 W rms , 2 Digital Input(SPDIF) use Delta Sigma Fluency 24bit DAC in parallel
and one analog input.one SW for control of DF include non NFB position.



300B SET Perche Drive

300B Single Ended Amplifier Perque Drived



300B single ended amplifier


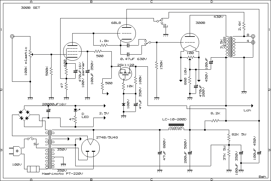
Finally circuit diagram is next 300B/2A3 Compatible Single Ended Amplifier

input line is Digital 2 line input and one of Analog input.
Digital input line will be use Delta Sigma 24bit Fluency DAC.basic circuit of 300B/2A3 is
next.

2A3/300B Single Ended Amplifier circuit

Basic circuit is above 2A3/300B compatible SET Amplifier


Digital to Analog converter circuit is next

into 300B SET

Fluency Delta Sigma DAC with 6DJ8



circuit diagram for parts of DAC

circuit diagram for DAC



300B Single Ended Amplifier 2010

Digital input 300B Single Ended Amplifier on 2011



plan for Digital input line

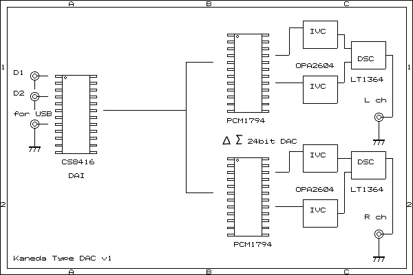
This time use differential out put DAC even any type of DAC are differential out put.
plan is Kanta Type DAC, but I/V line are OP amp IC's using.shown next picture.
DAI is CS8614 and DAC are 2 of PCM1794 delta sigma.output are differential op amplifier.
I/V line are OPA2406 , output are LT1364. but connect with IC Soket.I will build up
on universal PCB. suppose be , I will use DC/DC small converter for OP IC's power supply.
or small AC Transformer.

new DAC1

Diagram of New DAC for 2A3 SET Amplifier


Actual DAC circuit for 2A3/300B Single Ended Amplifier

only circuit diagram is shown above, original circuit call it's Kaneta DAC
this time use as DAC for 2A3/300B Single Ended Amplifier.3 digital input and one analog input.
please wait a little more months.I will up date as soon as possible.



2 meter on top

2 meter for voltage on top for check +B and cathode voltages 21/06/2011



front view 2A3/300B

Violin is Name of Amplifier


300B and 2A3 Compatible SET Amplifier on June 2011



Back view

Back view of 2A3/300B compatibe Amplifier by digital input(SPDIF)


Just now started build up 2A3/300B compatible and Digital input Amplifier.above is just final
layout.Digital input are 3 SPDIF line input and 1 of analog input line.
amplifier can use 2A3 and 300B with change plate voltage by switch.DAC is Kaneta type double
balaced DAC.almost same circuit of shown avobe. slowly I am doing build up Amplifier from now.
Audio Transformer are old Tango XE-20S.
on 24th June 2011.

Just Idea of 2A3/300B Compatible SE Amplifier

compatible 2A3/300B single ended amplifier

2A3/300B Compatible SE Amplifier




日本語バージョンJapanese versionis here


DAC + 6DJ8 PreFN1242A fluencyDAC + Preamplifier


(since 18/July/2010)last up date 17th Oct 2011


7th Avenue


Single Ended Amplifier D.I.Y

How to build up Amplifier Single Ended Amplifier 2011