6DJ8 SRPP Line Amplifier D.I.Y
|
This counter started 4th May 2012 and WEB started 9er Nov 2009
This time build up one of SRPP line amplifier and built-in DAC D.I.Y
Just Started build up Differential Pre with Fluency DAC on 8th Nov 2009
まえ書き、
ところで、何かを作った時、まわりから、(外国からも聞かれる)よく新しい物を作りますね、と言われる
のです。このセットもよく見ればわかるように、大部前に、プリRIAA を作ったがどうもハムが出てしま
って、どうしようもなく、解体した穴だらけのシャーシでした。穴があいたところに100円ショップで購入
した真鍮の板を張ったものです。まあこうして再利用すれば結構使えるものです。このサッシのシャーシ
は3度目のお目見えです。穴をふさげば結構使えるものです。
DACを作ろう!!
長い間、いつか?はDACを作ろうと思いました。もう10年も前ですが
DACのICもいつかは作ろうと、何個かは持っていたのですが、DAIが高価で入手に至らず、その後忘れていま
した。時間がたてば何とかなるもので、SSOPのアダプター基板や、SOPなどのソケット基板さえ売られて
います。多少高価ですが、納得な値段で、ここは安価なアダプターの基板へSSOPを半田してもされほど、
難しい作業ではないと思います。
ICも昔ほど周辺に取り付く部品も多くはありませんし、比較的 良質なDACの自作ができるであろうと思います
PCM56Pのノン・オーバーサンプリングDACを作ってみて、球のバッファーを直で音を出すとかなり元気で
素晴らしい音を得ることが出来ましたので、必ずしもバッファーアンプをつけたからと言って良い音がで
とは限らないと思います。PCM56PもFN1242Aも電圧出力ですので、I/V変換の回路も必要がありませんので
その分、回路が簡素化できると思います。まずは、評判のある、フルエーンシDACを使ってDACを実験して
みるとします。複雑な回路は好きではありませんので、簡素な回路を選ぼうと思います。決して最新のIC
ではありません。
現在使用しているアンプは、EL156 シングル・アンプです。勿論 90Khzまでフラットですので再生を
確実に確認できます。シングル・アンプで、40Khz -3dBのアンプと90Khz -3dBのアンプでは音の傾向
がまったく違って出てくるのは知っておると思いますが、老人の耳でも聴えない20Kz以上の音をどうこうと
言われそうですが、これが大変違うのです。メーカー製のアンプでも、上限が50Khz以下なアンプはいくら
でもあります。まして、最新技術と言われるデジタルアンプさえも上限の周波数はお粗末なものです。
しかり、PCM56Pのノン・オーバーサンプリングDACの音を一度聴くチャンスを得ることをお勧め致します。
最新オーディオ機器の音の悪さを考えさせられてしまいます。
基板はちょっとてこずりましたが、無事に音が出ました。プルダウン抵抗場所 1個所、入力回路での切り替え
が、不安定でした。ストラップ線を短くしたり、グランドのランド面を銅板を切って張付けたりしてグランド
の面積を多少大きくしたりしました。結局はプルダウン抵抗の位置で解決しました。差動出力は綺麗に出力されて
います。修理屋時代に使っていたテストディスクがありましたので大変役に立ちました。あとは何と言ってもあるのは
オシロスコープでしょうか?デジタルは特に音が出ない、波形が出ないなどは、見られる目(オシロ)が必要です。
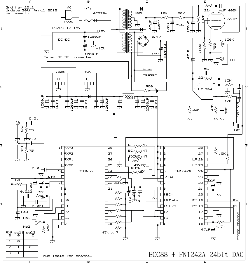
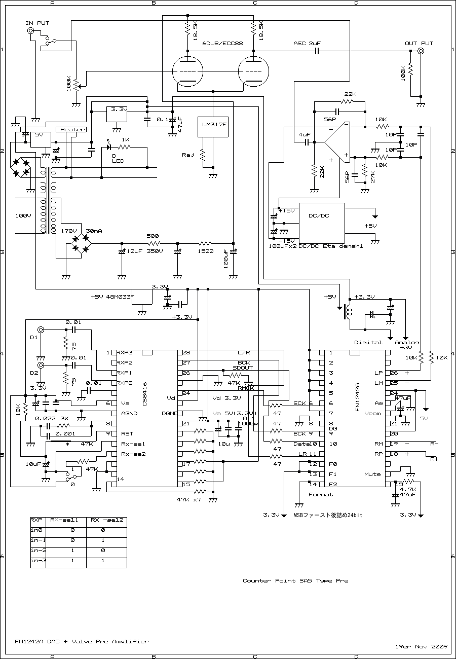
回路構成は簡単の部類に入ると思いますので、お目に止まりましたら、こんな具合いでDACを製作出来ます。
電源を別として、4000円程以下で製作は可能です、消費電力も少ないので、テストするにはACアダプターで十分です。
これから、真空管バッファー部の製作になります。とりあえず、Chu-MOYヘッドホーンアンプにつなぎジャズを鳴らしました
が、まずまずの音です。澄んだ明るい音ですが、PCM56 (R-2R ラダー型DAC)ノン・オーバーサンプリングの音もまんざらではありません。
14th/Nov/2009 AM2:00
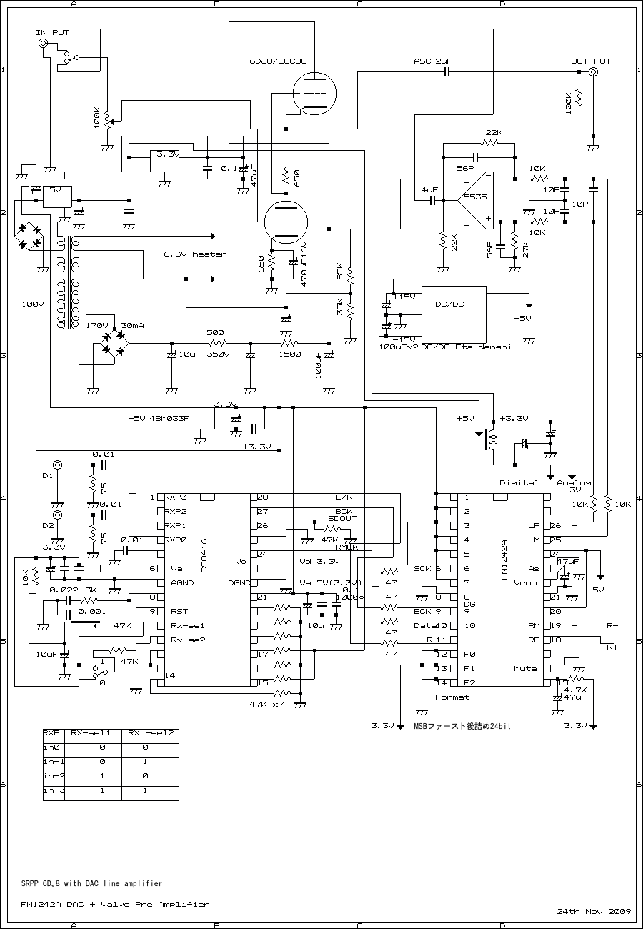
その後の計画、バッファーはオペアンプで受けて、真空管で軽く増幅します。または、バッファーをパスして、
真空管の差動アンプに入力しようと思います。
フルエンシーの基板はまあこれで鳴るとして、その後の製作ですが、アルミケースが小さくてギュウギュウで、
何とも言えない状態ですが、順調に組み込んでいます。まずは、真空管差動アンプ部がうまく動作することが先
になります。19/Nov/2009記
その後?なかなか出来ない真空管入りなのですが、ケースが小さくて、まして差動なので、マイナス電源
の「物」を入れることが出来ない為に仕方がなくSRPPになりそうです。これならヒータバイアスだけです
ので、回路は比較的簡単になりますので、これにしようと思います。
ちなみに、多くの真空管バッファー付きDACは12Vの+Bで、まして0バイアスで、カソードフォロワー
なんてのが多いのです、結構 メーカーでもそんなことを平気でやっているのは、改善じゃなくて改悪に
なってしまいます。高圧をかけてない、真空管アンプなんていったい何を考えているのでしょうか?
と思います。高圧をかけましょう。まあ、SPDIFの信号をC級で増幅?するのであれば話は別ですが?
その必要もないと思いますけど、
続きは、これからです。23/Nov/2009
結局は、やはり、内部の容量が狭い為に、部品数が少なく比較的歪みの少なく出来る経験済のSRPP
で組み立てる事にしました。これで正解と思います。24th/Nov/2009 記
詳細は、電源の+Bが高い為に、SRPPが良いと思います。回路上に半導体で電圧を下げれば良いのでしょうが
内部が狭い為、不要な回路から逃れました。東栄の新製品のオリエント・コアの段間トランスでも入れよう
と思ったのですが、20Khz以上がまったく駄目で、30Khzあたりに大きなピークがあって、はっきり言って
使い物にはなりません、そんな物が商品として出てしまうのもおかしな事です。確かに良い商品も出している
のですが、希望を持って残念です。
アナログは1系統です。デジタルは2系統です。とりあえず、32Khzから192Khzまで認識します。
ここでは行いませんが、機会を変えて、ワードクロック端子、クリスタルでのクロック動作させる予定です。
それほど難しい回路ではありませんので、おいおいとするつもりです。あとは電源の強化と思います。
バッファー回路と言うかローパスフィルターにはオペアンプを使いますが、+-の電源が必要になりますので
イータ電子のon-board型のDC/DCコンバターで+- 15Vを供給します。最大65mAですので、これで十分と
思います。千石電子で1140円ほどで、入手出来ます。このDC/DCコンバータはCMOYアンプでも使いました。
動作周波数が170Khzと表示されており質の良いDC電圧が得られます。6.3V0.8Aのヒーター電源の巻き線を
ブリッジで整流して約8Vを得ています。それを、DC/DCコンバータに供給します。またDC 8VはDACの電源
ともなります。3端子を経て、+5Vそして+3.3Vを得ています。20mH程度のチョーク・コイルを経てAudio
の電源に供給しますがコイルの必要性はあまりありません。
なお、FN1242A はデュアル接続、(メーカー製のDACのほとんどはこの方式をとっている)の場合、SRCが必要に
なったり、PICによる、インターフェースが必要になります。ソフト・ウェアー・モードとなっています。
2 Input Digital(SPDIF) and 1 of Analog input.
2枚の写真を紹介致します。このDACが出来上がったら以下の様になります。
Fluency DAC 内蔵 プリ・アンプ
後ろはこんな感じです。アナログ1系統、デジタル2系統(SPDIF)
蛇の目基板にコンポーネントを取りつけた様子です。これから試験です。
ほとんど、完成です、あとは球のバッファーを製作するだけです。
最終的な回路ですが思考錯誤中です、+管球差動アンプ
カウンター・ポイント SA5 タイプのプレ付きDAC ですが、考え中です
最終回路は、シャーシが大変小さくてすべてが中に入らず上記の回路になりました。(^l^),,
(内部は見せたくない)DAC部以外は余り物で製作した真空管 DACです。ちゃんと鳴ります!!!
右上のAlpsのボリュームの隣りに小さな金具で取り付いているのが、DC/DCコンバーターです。
もう少し大きいスペースがあれば、綺麗に配線が出来るのですが!26/Nov/'09
DC/DCコンバーターにヒント
新日本無線のICで NJM2360AD と言うものがあります。Step-Up,Step-Down, Inverter
の3つのモードがあります。上げる下げる、そしてマイナスモードがあります。インバーターモード
で、オペアンプに必要なマイナス電源を作ることが出来ます。
このIC を利用することも出来ます。NJM2360とLTC1144CN8の説明です。
オペアンプのマイナス電源はLTC1144CN8が良い様です。
試聴と結果
DACは、ヤマハの旧型のCDPに装備している、DACこれは裸でも綺麗に再生してくれる、ProBitなの
です、綺麗な音に部類するDACを装備しています。もう一つは、パイオニアのDAT D-06に装備されている
Legarto Link Coversionと言われるDACが入っているDAC常時使っています。DATとしてはたまにしか
使用していません。これが綺麗すぎるほど綺麗な音を出しています。レガートリンクについては批評もある
DACですが、私としては良いDACと思います。20Khz以上に周波数に補正がかかっています。
これとは別に、先日製作した、PCM56の2パラのノンオーバーサンプリングのDACがプリの中に入っている
のですが、この音も簡単な割りには音が素晴らしい、特に低域、中高域が素晴らしい。
と聴いてみて、さて電源を入れましょう。
この真空管バッファーのついた、FN1242A フルエンシーDACの音を出して、はっと!!
驚きの、、耳、低域がとても素晴らしい、古い録音のCDを数枚 いっきに聴き込みました!。
新鮮な低域は、こんな信号が入っているのですね、、と、うなずいてしまいました。6DJ8のSRPPが良い方向
に向かわせているのか?シングル・エンド・アンプの音を快い音で奏でてくれました。満足です。でもこの
時間とともに飽きるのでしょうね、
綺麗な録音があまりつまらない音、モノや、録音の古いジャズなど、かなり新鮮に鳴らしてくれます。
何より、何度も聴いていない、比較的録音の新しいキースジャレットの音が良くピアノの音を奏でてくれ
ます。音質を変えられる素子はこのままで、真空管を交換する、オペアンプを交換するといった選択肢が
ありますので、まずは、オペアンプ(ソケット)でも替えてみましょう。なお現在はNJM2122Dをつけて
あります。5532を探しました、部品箱にありました。これは、良い、明るく、帯域も広く感じます。
オペICの音の傾向はCMOYアンプで実体験済ですが、私の老人の耳では一番ポピュラーな、4562が一番良かった
ようでしたので、この場合も同様であろうと思いましら、5532に交換して、、
5532でボリュームを上げると何とも言えない音が2A3 シングルから出てきます。
ついでに、6DJ8から、6N1Pにしましたら、これは素晴らしいの一言です。はっとする音に豹変しました。
オペアンプに関しても同様で、2-3種のオペICで試めしましたが、今のところ5532が良い様です。
低歪と言われるICでも、にぎやかでうるさい感じもします。(発振してはいない)、Chu-Moyで経験した
ことですが、いやに明るい音は意外に発振していることが多い様です。これは真空管アンプでも同様です。
26th/Nov/2009 記
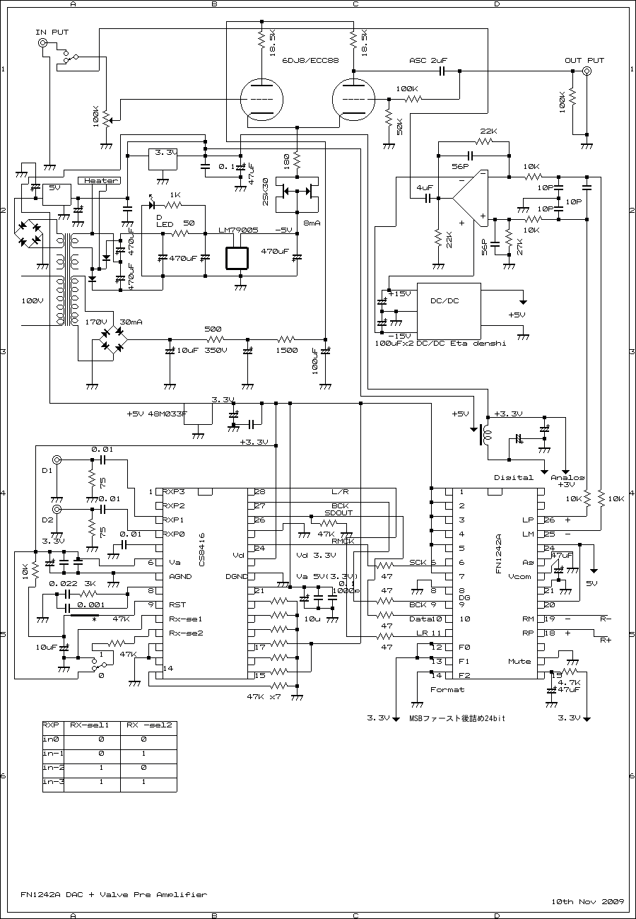
とりあえず、最終回路は以下の様になります、まだ改善すると思います
6N1P SRPP with DAC line amplifier
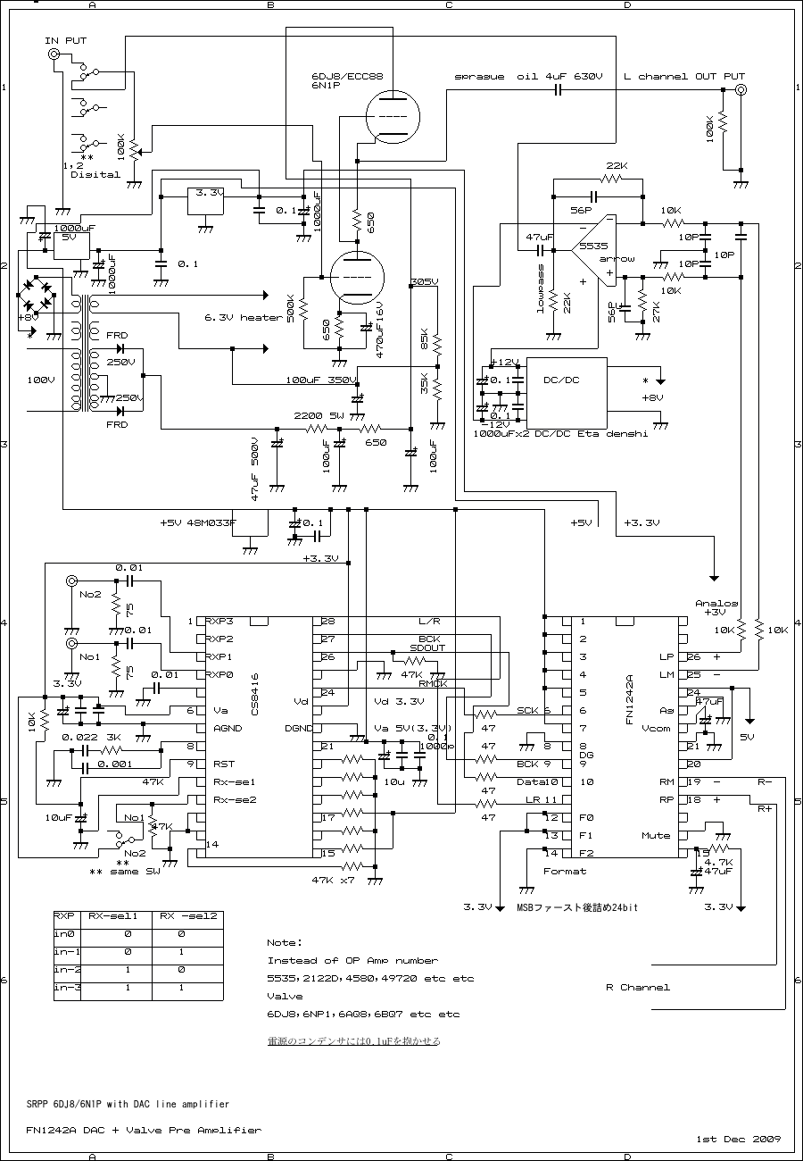
とりあえず、最終のライン・アンプの様子は以下になります。
前面からの様子 DAC/Analog Line Amplifier
Back side View :digital coax 2 line and analog 1 line
中身です、inside is here to see
一晩鳴らしていて、電源を切り、次の日に電源を入れると、ハムが出ている
ありさまで、電源周りを分解して、グランドを取り直して、案の定、高圧のコンデンサーが液漏れで、
まして、容量は極めて小さくなっており、ここは新しい電解コンデンサーにしました。
(高圧の部品は使い回しが多い為に案外こんな問題が生じてきます。)
47uF 500Vです。配線をしなおし、線材もOFC線にして音だしをすると、音が硬くなっているではない
ですか!、NJM5532,TI 5532, LM833 とICを交換しましたが、音が硬くなりました。DACが電圧
出力なので、ローインピーダンスのICつまり、トランジスター入力のICでしか使えない為使用できる
OP Amp のIC が限られてきます。テキサスの5532を使うと音がDRY(SECO)でNJM5532では、元気が
良すぎて、私の好みジャズ向きではなく、(人によっては良いかも)キースジャレットはNJM5532が良いで
すねえ、録音がナロウ気味だったと思っていた何回かしか聴かないCDなども取り出して再度確認しています。
再生機の性能では生き帰るCDも沢山出てきます。
S/N比は申し分ないですが、電源をもう少し改善したいと思います、狭い中ですが、もっと狭くなります。
なお、6NP1 には、6mA程度しか流していません。
Last update 30th
今のところ、こんな具合いの回路です
B+を少し下げました。もう少し電圧を下げます。ノイズはありませんが、S/Nを改善する為にまた、
電源にリップルフィルターを入れましたが、電源のコンデンサーを交換しただけで音が変ってしまいます
ので、比較的好みの音には案外小労力で済むかも知れません。どうやってこのDACの音をより良く引き出せる
かですが、球のバッファーなんかつけない方が良いかも知れません。回路を複雑にすればするほど、音が
おとなしくなってしまうのは、球のアンプでも同じ様です。リップルフィルターでは、音が乾いています。
ちょっとした事で音が変ります。
結果は MOSFETのリップルフィルターを外しましたら、また水みずしい音に変りました。つまりこんな具合い
でも音が変ってしまうのですね、!
ついでに,赤い金属被膜抵抗を使うとキンキンした音になるのは球のアンプの世界では有名な事です。
shizukiのフィルムキャパシタ─を使うと子音が強い音になると言われています。私もそう思います。
カップリングでは、パラにVitaQを並列にかませて使うのは皆に知られていることです。
このDACで聴くようになってから、非常に眠くなるのです。 LPを最初聴いたとき、そんな経験があります。
何かが出ているのでしょう。音楽以上の何かです。
オペアンプ電源をトランスにしました
circuit changes a little
やはりオペアンプ電源はDC/DCコンバータをやめて、トランスにしました。格好なんてどうでも良い
のでタカチのシャーシの小さいのを載せました。トランスは東栄製です。
一次フィルター用のオペアンプの交換
さて、FN1242Aは電圧出力型なので、実際は入力インピーダンスの低いバイポラ─の
オペアンプしか使えないのですが、まあここは気にしないで、音の良いオペアンプを探します。
NE5532が推奨です。入力インピーダンスの比較的低いオペアンプICです。NJM プリフィックスの新日本無線
のICがとても良い音を出してくれます。TIの5532 はこの場合、ドライな音が出ます。NJM5532が推奨です。
LME49720にすると、直熱3極管シングルを使っている関係上 より良く3極管アンプの音を引き出してくれます
、この様な音を聴くと、私のアンプもまんざらじゃないことを再確認します。
LT1354(Liner Technology)のオペアンプを秋葉原のマルツで勧められて、半信半疑で入手しました。
さっそく交換しましたが、これはワンランク上の音になりました。:)低域の締った音 そして澄んだ低域とでも
言いましょうか、素晴らしい低域です。中高域はまた素晴らしく、私の2A3シングル(10Hz to 100Khz -1dB)
の音を十分良い方向に引き出しています。LT1354が一番良い結果を得ることが出来ました。とても歪み感の
低い石です。
補足1:電圧出力ですので、出力の片側+若しくは−からコンデンサーで出力を出してアンプにつないでも音は
でます。ローパスフィルターの役目は電波で言う混変調の様な存在があるからで、2周波数以上の信号が混合
された場合にマイナス成分つまり、fo +/_ fs のマイナス成分が低域に現れて低域に歪み(濁り)をもたらす
ことになるとのことです。 最低は1次フィルターが必要になると言う訳です。
補足2: パイオニア DAT D-06を持っているのですが、98Khz サンプリングでアナログ録音したLPの音
など、聴いていてこのDACの、のびのびした音を確認できます。音もとても滑らかな音です。
もう1枚作りました。差動ラインアンプに入れる予定です
もう一枚製作しました7cm x 9cm の蛇の目基板です。
裏側は以下の様なありさまです。100円Shopで購入した、銅板をハサミで切って、蛇の目基板
に半田付けしてグランドを作ります。ICを囲む様にしたら良いと思います。
ちょっと裏貼りが多くなりましたが、この位は良いとします。
もう少し上側に多くした方が良いと思いますが、最短を求めるのであれば、この程度で良いと思い
ます。これで、一次ローパスオペアンプとデジタル周辺回路です。部品は特殊な物は使っていません
気持の問題で、大きな、高品質な部品をたとえ使っても大した変化は得られないと思います。
レギュレータ─周辺のキャパシタ─は良質な物を選ぶと良いと思います。SPDIF 2系統、アナログ出力
1 系統、後は電源の入力とチャンネル切り替え。必要な電源は+12Vと+ー15Vです。+ー12V一つでも構いません。
ちなみに、LT1354 はマルツには在庫がなく、あってもすぐ売れてしまうとのことでした。
DIP ではなく、SSOPの様なチップのIC があり、型番もLT1364となっていました。
小さい基板に載せかえて、8pin DIPにします。このたぐいは、最近多くて、アダプター基板はよく
便利に用意されています。100円程度でDIPに改造出来ます。
小さく穴空き基板で製作しても結構良い音がするものです。電源をしっかりした物にするとワンランク
上のDACを製作出来ます。以下がその様子です、つまりICの変換基板にLT1354を載せた様子です。
工作は簡単ですので、注意してやれば、問題はありません。
10枚綴りの変換基板とDIPになった様子です。
もう一枚できた、DAC基板です。
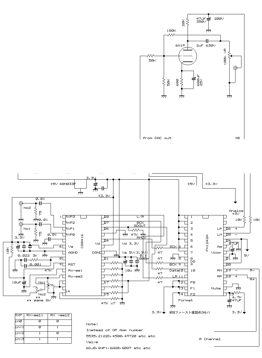
6AQ8 SRPP DAC Line Amplifier SPDIF 2系統,ライン 1 系統
6AQ8 にしますと、かなりの低歪みで、DACの音を味わえます。低域の締りや、高域の綺麗さ
は、何とも言いがたい音色を出してくれます。6AQ8 が良いですね、6N1Pでも音量を大きくすると
押しの良い中域を楽しめる事ができます。高域の伸は 6AQ8が極めて良好です。オペアンプの電源
3端子出力の電解を5000uF 35Vにしました。気休ですが、低域が多少改善された様な気もします。
2パラ 2段重ね DAC on 12nd June 2011 低域が多少改善されました
プリアンプ部回路を変更して以下の用にすることにします。V2とします。
FN1242A V2 回路図 p-g 回路にしました
バッファー回路を変更しました。充実した低域と中高域が得られます。とても良い音です
テスト中のFN1242A + ECC88 DAC です
24bit DAC 電源はアイテンドウの高圧基板 Dic 2013
DAC部 以外の回路 真空管 12AU7 バッファー部製作記事はここAitendo 格安基板を使う
電源トランスを排除したDAC E802CC使っています
詳しくは FN1242A DAC V2 2012 製作例
英語版はEnglishここです
参考 サイトは以下 その他 沢山のサイトの情報を参考にしました
フルエンシーの説明は筑波大学よりFluencyの歴史の説明
EMISUKEさんDACD.I.Y
SPEC for FN1242ASPEC新潟精密FN1242A
SPEC for FN1242ASPEC新潟精密FN1242A
SQUILLA's Home PageAll About Digitalスケイラさん
PCM2704 USB/SPDIF アダプタの製作SPDIF D.I.Y
PCM56 R-2R ラダー型 DACPCM56 DAC D.I.Y
PCM56 DAC 付き プリアンプDifferential Pre +PCM56 DAC D.I.Y
金田式回路図の正規版を描き直したものをおいておきます
ラズベリー・パイ B+によるミュージックサーバーの製作 Volumio

since 9 Nov 2009 last update 24th Aug 2018
Single Ended Amplifier D.I.Y edited by Linux Blue Fish
How to build up Amplifier Single Ended Amplifier 2003-2018