osiro  SRPP RIAA LCR Amplifier D.I.Y
Japan

조선인을 쫓아내라

SSL

アクセスカウンター

this counter started on 18th Feb 2018

Please see with Firefox better see on your PC
SRPP RIAA Pre-Amplifier
Flag Counter

this counter started 23rd Feb 2019



RIAA LCR


USEnglish

Sr Victor Serrano(ドイツ在住) が絶賛した音を醸し出すこのLCR RIAAの音 CDから出てくる音を考えさせる様な音それがLCR型のRIAAです

このRIAAは試作機です、試作機ですが売ってしまいました。どうでしょうか? Mr Victor Serranoが最初に言った言葉は1万ドル以上の価格を付けられるこの試作機のLCR RIAAです。
CDの音を上回るダイナミックレンジの広さ、そして生き活きとした音に完動したそうです。彼が過去に聞いた多くの価格の高い高級機器をも勝る音と評価したのです。彼は彼なりに外側から改造をしました。
Victor 氏は何枚ものLPを繰り返し聴いたと言っていました、そして古いLPも再度何度も聞いて音がその古い盤に刻み込まれていることを再確認したと言っていました。これは素晴らしい機械と言っていました。
彼からの最初のメールでこんな素晴らしいRIAA未だかってなかった経験と言って、興奮気味に言っていたのでを今でも覚えています。



EMIスケバージョンは基本的に思想が合わないために終わります。基板のみを有効利用します。大変高価な基板になりました。残念です。
基板ご購入にあたって、この22000円のキットにはFETの放熱板、とチョーク類は付属されていませんので放熱板は秋月で入手して下さい。そしてチョークはジェネラルトランス
で入手します。チョークの配置が90度になっていませんので磁気フラックスのリークがあるかも知れません。電源トランスはPMF-100が必要です。これも特注が出来ます。
基板は綺麗ですの基板のみ5700円を注文した方が安価となります。面倒と思う人は22000円+チョークをジェネラルトランス販売で購入することになります。
念のため、購入の際は十分注意してエミスケさん以外の所では購入出来ませんのでネットで販売されていましたら例えばサンキュウと言うネット販売屋は詐欺ですので注意して下さい。
彼女達は詐欺集団です。堂々と写真を出して振り込んでも何にも送ってきませんし、電話番号も送信のみで受付の全くない電話です。嘘の会社です。要注意です。詐欺集団です。


show you new video from youtube on 18th June 2022

RIAA DIY

RIA LCR on 25th Oct 2023


2号機の紹介です。そしてEMI基板は電源トランスの容量が大きくなります。EMI基板はチョークやFETの放熱板がついていませので新たに購入する必要があります。
それはドライバーにFETを使っている為高圧で数百ミリアンペア以上の直流が必要になりプリアンプの大きさと重さが大きくなります。
EMISUKE基板は止めました。よって画像も削除しました。PCBは高価な買い物となりました。3万3千円ほど、損をしました。LCR部は1号機と同じようにユニバーサル基板に
マウントすることにしました。回路状DECCAとしました。RIAAは音が余り良くなくDECCAと同様な回路を使います。切り替えスイッチは儲けてありません。RIAAではなくDECCAのみと
します。基板は以下に示す様にLCR基板のみとなります。結局はEMI基板は使いませんでした。音も余り良くない為です。第1号機のCRを使って下さい。評価される音が出てきます。
LCRユニットは以下の様になります。ユニバーサル基板2枚に組み込んで下さい。キャパシターは追加しないで基本的なキャパシターを使って下さい。小さい容量の物を追加すると
音が悪くなります。最初はRIAAでしたら、失敗が産んだ結果でDECCAで組み込みます。これが一番音が良いのです。Victorさんが出している音が良いと思ったらその通りに作ります。
余計な回路は外して下さい。音が劣化します。今回の2号機は何も特別な回路は付いていません。emi 基板は音が悪いとリスクが回ってきます。ユニバーサル基板法が最良です。




Unit LCR



LCR RIAA on 2024 Just testing with EL3N Single Ended Amplifier






PLay Organ by 12A Single Ended Amplifier Atsuko 2023 in Germany




RIAA DECCA

Just Same as V1 this is RAA and Decca shcematic on 25th Oct 2023






LCR network and ripple filter added 1st Sep 2019



porco stereo

He is using all of Mizushima product .live in Germany and he is using only vinyl .sound show only vinyl




RIAA mizushima



porco



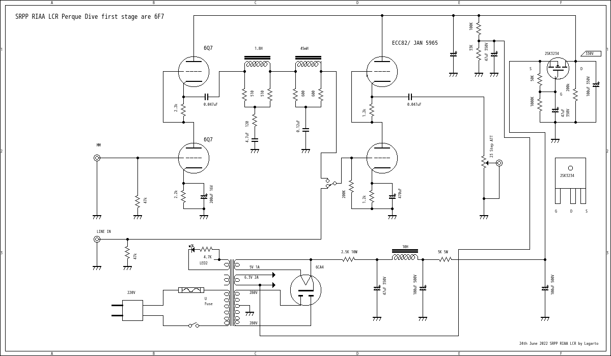
replaced 6Q7 in germany



update circuit

Update circuit on 24th June 2022 by Lagarto



RIAA V7

Up date circuit 4th Aug 2022 by Lagarto



V4

This is Version up model LCR RIAA 2nd Aug 2023



emi

Just buil up RIAA LCR on 22nd March 2024 まだ、音出しはしていません




ベラルーシ と ベトナムからのアクセスを拒否します

"Igory"  からオーダーのMail がありましたが、遺憾な事に彼は思想が曲がっており、何のメールの返事も頂けず、ベトナムの製作グループに

アイデアと閲覧からデータを盗む様に依頼したと思われます。汚いやり方です。よってベトナムの特定IPと特定ベラルーシからのアクセスを拒否しております。
勿論 ロシアからのアクセスも拒否しています。その旨 ご理解お願い致します。


音が良いとされるQuad 22の回路図の紹介


Quad 22 RIAA


RIAA SRPP


This Pre Amplifier for RIAA was built up early 1994 and restration of
Pre-Amplifier on Sep 2009 starting.this pre was consist with 7 valves,tone control and
RIAA , Pre-amplifier.REC OUT.improve only a parts of RIAA.I like SRPP RIAA sound
with CR Network and 4 valves of SRPP.



RIAA SRPP 1994 Sep

Only RIAA SRPP design on 2 Sep 1994


この回路はパナ社で働いていたときに、同僚から伝授された回路を元に実験で出したCR値のRIAA SRPP
回路です。コンデンサーなどは継ぎ足して耳と逆リア回路を併用して決めた回路です。一般に言われる
フラット部分のないCR型 RIAA回路です。とても音が良く長い間手を入れずに使っていました。差動型の
プリを作ったのをきっかけにRIAAの回路だけ分離しました。CRネットワークの組み方はいろいろあります
ので耳と相談して実験することをお勧め致します。逆L型2段が普通に使われている様です。
周波数の計算方法はf=1/2πCR で計算が出来ます。CRは並列、直列共に同じ計算方法になります。
一般に直列では最小のインピーダンスになりますので、それを応用してロールオフ
ターンオーバーを計算します。真空管には一般にミラー容量なるものがありますので普通は計算値とは
合いません。これは高周波などのコイルを作る場合も同様な考えです。補足: T=1/F CR=T
詳細な計算方法は大変難しいため、リンクサイトを参照して下さい。実験で何とかなりますが
厳しい人は正確な計算方法を覚えると良いかも知れません。以下のリンクを参照して回路も一新する
ことにしました。もっと良い音が期待できると思います。

写真からわかる様に電源とRIAAアンプとは、分離されます。9本のコードで接続されます。
整流管は6CA4を使い、初段 ECC83 で次段は、6DJ8もしくは、ECC82とします。相互の互換性はありません。
電源はどこか?じゃまにならないところに置いておくとしましょう。シャーシはアルマイト加工された、
アルミ箱です。奥沢に置いてありますので、使い安いもので見つけます。
アルミニューム、アルマイト加工されており、型番はNC7S/B だったと思います。バルクの箱でポリビニールの
袋に入っていました。大きさは、220mm X 150mm X 40mm ほどで、1.6mmの肉厚で、球のパワーアンプ
も組めそうです、2650円ほどでした。とても綺麗なしっかりしたシャーシです。

地方の電気部品ショップで売っているような部品で作れます。とても簡単です。音が良くとても明るいCDの様な音と表現したら良いと思います。
新式のDACの様な音です。唯一の欠点は外部の雑音を拾いやすいのです。家庭内の電気製品のON/OFFの雑音を拾いやすいのです。
LCR型のRIAAについては、評判の通りと思います。
LCR型はドイツ在住の Mr Serrano氏が購入していただき、そこで言っておられるように過去になかった様なスッキリした音と表現しています。所持しているLPを
再度確認の為に聞き直したと言うほど良い音が出る、普通の純正品のMMで十分です。MCは必要はありません、自作でもエミ助でも構いません
きっと満足する音が出てくると思います。自作でも5万円ほどで製作出来ますがもし貴方が高級思考の音響機器を持って降りましたら使ってみることを
お勧めいたします



New 2009 RIAA


Play LP'9


新しい回路

new SRPP RIAA 2009

SRPP MM RIAA Amplifier 4 tubes ECC83 and ECC82



RIAA

RIAA SRPP 配線状態、あまり見せたくないが!



2段 SRPP MM用のプリです。回路は何も変わらない普通のSRPP回路です。18年程前に3入力のプリを作り
最近まで使っていた訳ですが、特にRIAA 部は気に入った音でした。MCの場合はTKS-83 Tamuraを使って
昇圧して使っていました。今回は3段アンプ、トーン回路を 2段として、RIAA用アダプターとして製作し
ました。次期 製作予定は、MCトランス装備の3段 RIAA装備プリアンプを作る予定です。前に作ったプリ
と同様に電源回路は別のシャーシで別組みで製作し、コード磁気的に干渉の少ないところに置く形で使用し
ます。電源はトランスのみで、整流回路などは、プリ側に組み込みました。パクリのCR定数です。
中高域は、それほど難しくなく、この程度で良いと思います。過去に2台ほど売ってしまったのですが、
低域はと言うとやはり甘く、値を大きくすると低域がもたついたりします。あまり評判は良くはなかったの
です。盤の歪みで、低域に不具合がある場合は低域をカットする場合がパワーアンプについていた時代もあり
ました。今回も多少甘気味ですが、綺麗に再生しています。初段はテレフンケンのECC83,終段はJJのECC82
です。キースジャレットなど、聴いていて、CDと錯覚します。
電源を同じシャーシ内で組むとこうは行きません、どっちかのチャンネルに取れ切れないハムが乗ります。
本体と電源トランスの接続は、18年前に製作した当時はオクタルベースに似た11ピンのコネクターを取りつけ
ましたが、そのプリを分解しての再製作でしたので、部品は再利用しました。11PINの丸形のコネクターは
現在でも秋葉原のラジオデパートの2Fの瀬田無線で売られていました。これに替るコネクターはちょっと形状
と、頑丈さなどを考えるとあまりないように思います。ピンが突き出たベースと丸形の黒いカバーそして
femaleのベースが一応組になっており、それを利用してコネクター線を作ります。1.5mもあれば良いと思い
ます。このRIAAプリを先日製作したラインアンプにつなぎます。ラインアンプは4系統で、USB,RIAA,CD,Tuner
とついでにテレビのラインアウトにもつながっています。音は良い部類と思います。色々試しましたが
ジャズ、クラシック共に綺麗に鳴ってくれます。ピアノ、弦そろって善くなります。
その後、一部 コンデンサーをVita-Qにしますた。低域の音色が変った様に思います。
出力は、最初はEHのECC82でしたが、その後手持ちの関係もあってPhilipsECG 6789Wにしました。
結局は写真の様にJJ ECC82 を使っています。とても明るくLPのイメージがなくなるような音になりました。
音は?
ジャズ、クラシックとても綺麗な音です。厚みのあるしっかりした音です。LPを感じさせないほどで、S/N
も良く特に録音の古いLPが生き生きと再生してくれます。忘れられたマイルス、音が薄いと思われた、
2度と聴かなくなったビルエバンスのソロピアノなど、何度も聴きました。はっと!した音が入っていたり
それは、一人で再度 納得しました。


Okusawa Box

秋葉のラジオデパート地階の奥沢商店に最近出始めた、ネット付きのアルミケース(アルマイト加工)
されたものです。とても綺麗な箱で6BQ5(EL84)シングルなどが入りそうな大きさのシャーシです。
できたらいつか使いたいと思います。型番はBS-250 1.5mm 厚のアルミ(2009年9月)



SRPP Amp for RIAA

SRPP RIAA ECC83 + ECC82 フォノイコライザー



This RIAA with EL34 Single Ended Amplifier on 18th Feb 2019




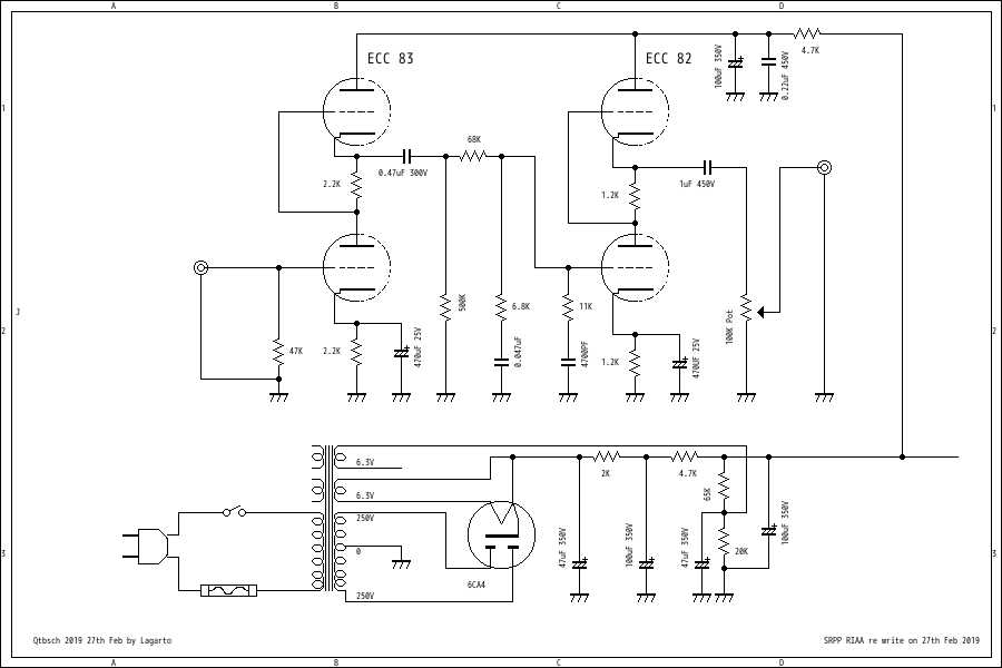
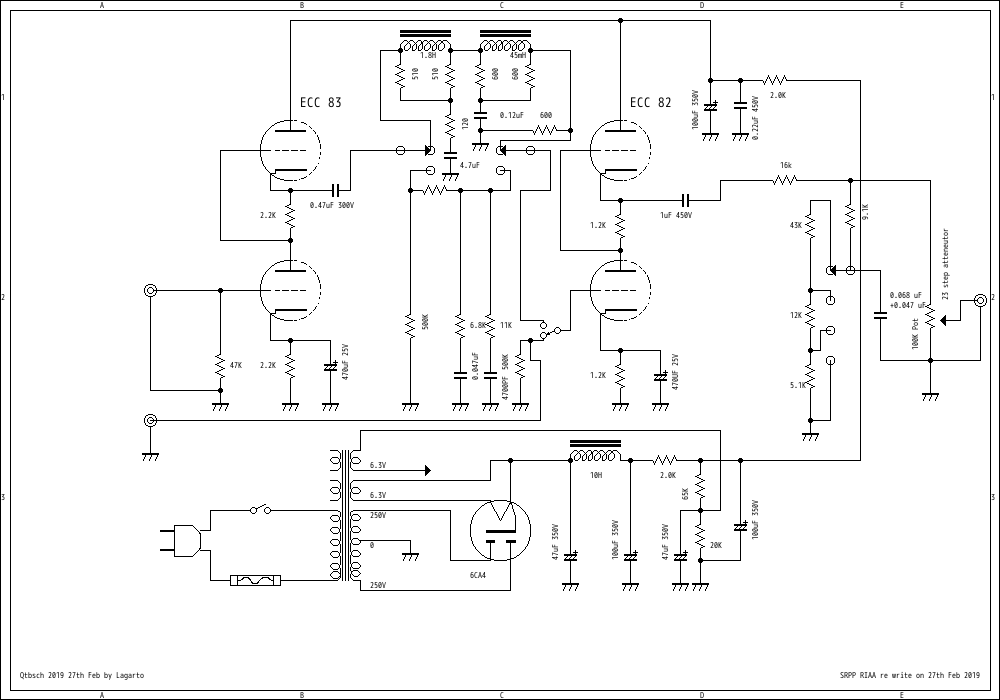
定数を少し変更しました 23rd Feb 2019



re wrote on 27th Feb 2019

re wrote schematic diagram RIAA on 27th Feb 2019



3段 構成のSRPP プリ・アンプ
Pre SRPP

SRPP Pre Amplifier with MM/MC RIAA


LCR RIAA DIY


LCR SRPP RIAA

LCR RIAA with bass boost


CR 型とLCR型の2段構えのRIAAです。低域をブーストする回路付きです。ライン・イン回路付きとします。


誰にでも製作出来る成功率の高い 音の良いLCR RIAA の製作


RIAA

余計な回路は外してLCR回路のみとしました



RIAA DIY LCR ジェネラル・トランス・販売社のチョーク・コイルを使ったPHONO AMPです。LINE INも付いています

組立にはかなりの日数がかかりました。と言うのは回路図が決まらず、結局はLCR専用となりました。
音は悪くはないと思いますが、回路の定数の吟味は必要であると思います。パッシブですがトーン回路とライン・インを付加してあります。




FETのリップル/フィルターを追加しました


CR 型はかなり苦労しました、何度もCRの定数を変更して、逆RIAAを製作したり、何度も何度もテストを繰り替えした記憶があります。かなり苦労したのを今でも覚えています。もう30年前でしょうか?安斎さんと言うから伝授されました。
何度も試作して自分なりのネットワークを試作しましたが、RIAAのカーブとしては良いのでしょうが音に満足感がなかった様です。でもこのサイトにも紹介した通り大変良い音を出すRIAA CR型を製作が出来ます。
LCR型は夢でしたが、ジェネラル・トランス・販売会社で安価なチョークを製造して頂き、即購入しました。いつになるか?製作がいつになるか?時間に任せて作り上げました。


それはこのコイルを使ったRIAAは音が良く失敗の少ない部品であることが理解出来たと思います。もし興味がありましたら自作をお勧め致します。youtubeにアップロードした音楽動画で見るようにとても良い音が
出ていることを確認出来ると思います。FRQH FRQL が部品の名称です。これらはジェネラル・トランス・販売 社で購入が出来ます。ファインメット使用のチョークも販売しています。
最終的な結果として、ゲインが小さい為にレベル不足になる可能性がありますが終段回路の定数を吟味するか上位の真空管を使うことにより回避出来ます。ライン入力は申し分ありませんが出来たら入力ボリュームを付けると
良い結果が出ると思います。必ずしも、このコイルを使うのではなく、もしインダクタンスを測るテスターをお持ちでしたらこのコイルは自作も可能であると思います。

EFQH FEQL

FEQH 45mH chork coil and FEQL chork Coil




RIAA LCR DIY



Version Up Model on 2024


Model Marlhori

version up model 10th Sep 2024



Link for RIAA something can help you


その他:DAC 付き真空管ラインアンプの製作Fluency DAC D.I.Y

Vexmove

比較的安全な 無料洋画サイト Vexmovies



参照(勉強)サイトは以下です 、勉強になります:

The Bona's HomePageRIAA how to?

Minor Audio dot.comRIAA how to calculate?Only Japanese

Perque(Perche)Typeプリアンプの製作

Marutu about RIAA only version Japanese traduce by Google

音が小さいかも知れない



音が小さい 様な気もする??



2004 my house

at home 2004 in Sakura Chiba Japanabout 2C51 RIAA


Pre front

front of Pre+RIAA on 2004



RIAA V3

最終回路、、どうも音が小さい、私はOKですがお客がワガママな人なのでドライブを変更 ペルケ式ドライブ回路


個人的に使う分には何も問題がないのですが、多少ゲインが少ないのです。他の真空管を使ったりしたのですが、多少利得が大きくなりますが大差はなくペルケドライブとしました。FET1個つければ良いのですが、
FETの電源が面倒ですし、高圧が高目ですので、木村氏の言う様にいっその事ペルケドライブにしました。FET 1つでも良いのですが、このRIAAはB+が高いので結局はペルケドライブとなりました
このドライブ方式にして低域が改善しました。パッシブ型の低域ブースト回路が入っているからです。OFFにすることも出来ます。勿論 Line入力も付加しました。
出力真空管には6BL8のみです low boostも効きが良いと思います。回路図に乗っていませんがスルーもつけてあります。低域が出ます代償としてハムが多少でます。初段はECC81(12AT7)です。

販売:基本回路で製作したRIAAのみの場合は 16万円程度で試作します。外国へは工賃と送料で2000ドル相当の機械となります。オープンなシャーシですので自由に色々な真空管の交換が出来ます。
筐体に覆われた一体型の場合は見栄えが良いですが真空管の交換が難しくスペースも限られていますが当方のRIAAの場合大きなシャーシで組まれており自由に真空管の交換が可能です。
お客様 曰く、20年の内にかなりの数のRIAAイコライザーを購入したそうです。その中には数千ドルもするものもあったそうですが、私が製作したRIAA プリを使う機会が出来て関心したとの事です。
数千枚あるビニールレコード盤を再度 聞く時間が出来たと言っておられました。兎に角 原音に近い再生音が得られたとのことで、大変満足しているとの事です。youtubeでもでもご理解出来ると思います。


RIAA LCR DIY by You tube



long play by LCR RIAA Pre-Amplifier on 22nd Aug 2021



all of RIAA

View of new RIAA sound is very nice now



RIAA V3

replaced driver for more output voltge Perque SRPP drive


最終回路図は上の様になりました。ペルケドライブに落ち着きました。これが良いか悪いかは使っている人次第と思います。



Thomas Demenga Bach Suitr No4 Es -Dur



音が良くなったと感じます LCR 回路を使った RIAA 得にコンデンサーなどの調整も必要ないのが良いと思います



Back side

Back side

right now still using in ItaliyPre KAZE v1

現在使っている 装備

SL-1200 MK3、 Denon DL 103 ,Audio Tehnica AT-33 ,AT- 150 (mm) MC-Trans : TK83 Tamura   使用アンプは 300B Single Ended Amplifier HO-808



DL-103  AT-150  At-33AT-33

I am using these cartrige for Test



kieth   chick   bill

Test Disc



down load(sound sample)

audacity

PC を持っていれば LPの音を高音質で録音できます



LCR RIAA Pre-Amp


cocoliso RIAA

Cocoliso RIAA 2 input phono and 2 input line



new phono 1 and 2 .... line input 1 and 2


 the other one

3 stage amplifier and phono 2 input and 2 line input


carbon

just cleaner of Vinil but works good.かなり良いと言われている

carbon cleaner for Vinil

show you new video from youtube on 18th June 2022



This RIAA first stage is modificated by Mr Victor Serrano in Germany



porco stereo

He is using all of Mizushima product .live in Germany and he is using only vinyl .sound show only vinyl




RIAA mizushima



porco



replaced 6Q7 in germany



update circuit

Update circuit on 24th June 2022 by Lagarto



RIAA V7

Up date circuit 4th Aug 2022 by Lagarto



音が良いとされるQuad 22の回路図の紹介


Quad 22 RIAA



7th Avenue


Since 3rd Sep 2009 and last up date is 10th Sep 2024 from Yachiyo Chiba Japan

Single Ended Amplifier D.I.Y

How to build up Amplifier Single Ended Amplifier 2003-2024