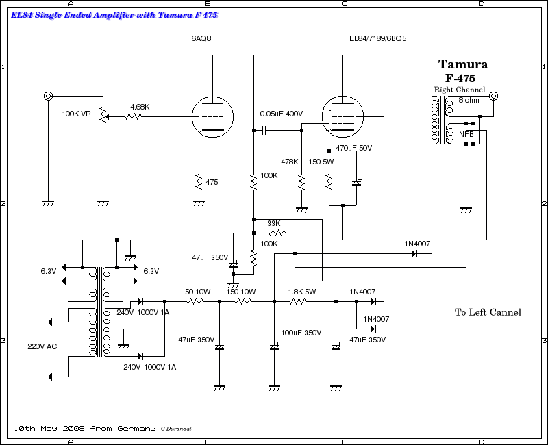
EL84 SE modificated by Mr Carlos Durandal


el84 diy



go to

Go to Mr Carlos Durandal in Germany above single ended amp ICON click go to Mr Dradal site he is also Ham too 上のリンククリックすると
Mr Durandal のページに飛びます


last up dare 18th Feb 2024 this is a part of single ended.com