*  EL32 Single Ended Amplifier D.I.Y

EL32 Single Ended Amplifier on 2025 Feb Version

EL32/EL2 Single Ended Amplifier D.I.Y

basically this valve is used for car audio amplifier.a half centry ago.EL32 has other
name of valve which call is VT52 but penthode.originaly VT52 is triode and just same as RCA 45.
some audio file said charactor of EL32 wired connection triode is very beautiful curve.
so what is meanning ? linerlity is so straight and good for HiFi,probably sound like is same
like Triode sound.I will try to modificate from EL34 Triode connection SE Amplifier to
EL32/EL2 Single Ended Triode connection Amplifier.same time can be use 6Y6 SE.
because 6Y6 and EL32 are just same IP-EP charactor.
EL34 wired triode connection of +B is 360V if when use self bias condition.
so going down from 200V to 300V +B. Cathode resistanse is 390ohm fixed.just need
adjusted +B.
EL2 is side contact valve and EL32 is Octal US base.EL32's control
grid has top of valve same like a PEN45DD.sound so good ,sound is just like Direct
Heating Triode .very clear sound getting and Jazz Piano plays good.even female vocal.


EL34 wired triode Single Ended Amplifier 4W rms



EL32 Triode connection SE

EL32 Triode Connection Single Ended Amplifier


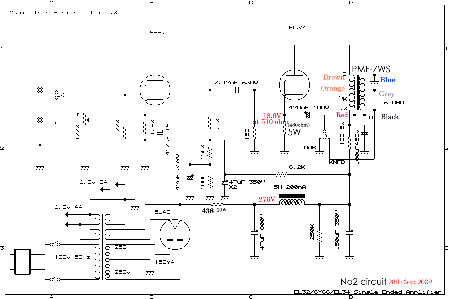
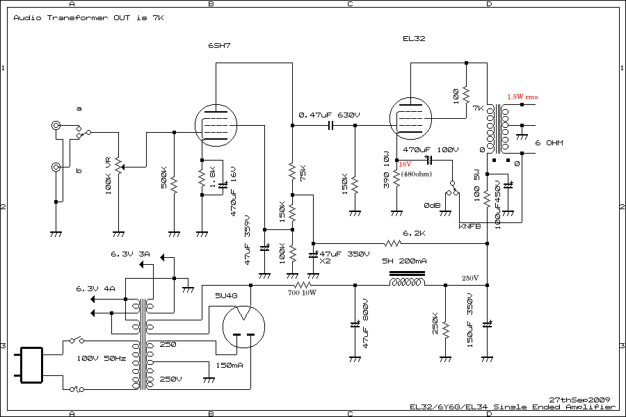
Transformer are PMF-7WS(Noguchi Transformer Co Tokyo Japan).7K ohm impedance
primary.this transformer is universal transformer.Max 7W rms input.



EL32 Triode Mode SE Amplifier

EL32/6Y6G Triode connection Single Ended Amplifier Schematic diagram



6Y6g SE

6Y6G SE Amplifier



E34L single ended triode mode

E34L triode mode SE Amplifier


Super good sound getting from JJ E34L when use 7K ohm OUT


finally EL32 SE

finally circuit is UL SE, sound is very clear sound.

reponse F EL32

frequency response is above.these value are depend on charactor of PMF-7WS
Transformer if using XE-20S Tango response reach to 100Khz easly.
Max power is 2.6W rms and non Distortion power is around 2 Wrms.


Japanese“ú–{Œê

4P1L

New Version EL84 Single Ended Amplifier for Spain " Slow Train"



EL84

Slow Train EL84 for European 230V only 4.5W




all documents are edited by Blue FishHere

Since 26 Sep 2009


7th Avenue


Last up date 7th Dic 2025

Single Ended Amplifier D.I.Y since 25th July 2009

How to build up Amplifier Single Ended Amplifier 2009-2025