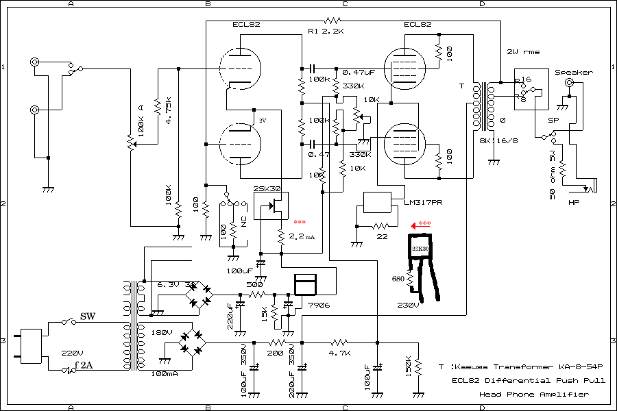
Testing Differential Push Pull Amplifier for HeadPhone
Back View 2 input and Binding post for Speaker
Japanese version
all documents are edited by Blue FishHere
Comments about ECL82 Differential Push Pull Head Phone Amplifier
I tell them that the weekend I was briefly comparing the amplifier Mizushima against
OBH 21 Special edition of Creek. It must be said that a tube amp is worth approx.
a little more than twice the SS.
Used Headphones, Sennheiser HD 600 with Cardas cable, AKG 601,
Audio Technical ATH M50 Professional exterior waterproof.
Then you are my findings:
Soundstage,
Mizushima: I would say their sound is more advanced in the voices thus achieve
close to the singer and the band behind him, is clearly better than the creek.
I would say it has a more realistic soundstage with less "air".
Creek: The sound is flatter, all interpreters are level, highlights the sense
of "air" in the environment, open sound.
High, low and middle
Mizushima: Low fat and more liquid, more advanced means and corporeal, silky treble,
noted that no note at all coloring in fact no record of being a warmer sound a hair falls into excess.
Creek: Low more controlled, more laid back sound, airy treble but with less body, nor is noted coloring.
Definition,
Mizushima: Notable at this point I think is a strong aspect of this amplifier,
one notices details that are absent in the creek. I think that is where most good quality note.
Best match with headphones.
Mizushima: The best match I did with the Sennheiser HD 600, really perfect complement to the amplifier,
the enormous soundstage spatiality generates a lot of senn additionally good bass amp lends weight
to the headphones. The final sound is generally very relaxed.
The second best match was the ATH M50, achieved a very good balance, the ATH are very flat (professionals)
and are complemented perfectly with the Mizushima, the sound is more alive than with the Senn,
the only detail is that the ATH to be much lower (headphones closed) in some issues a little.
Creek: The best match is achieved with the AKG 601, these headphones have a very warm sound
(one of his brothers on their thanks for 701) so the SS amplifiers matching is excellent.
To conclude:
The ATH Senn and sound better with mizushima amplifier, and AKG 601's sound better with the Creek.
But the overall sound or ATH + Mizushima Senn is clearly superior to AKG + Creek.
working as an Amplifier:
this headphone amplifier is able to drive my 93db
Triangle Naia at a decent volume. the SPL was almost as big as with
you digital model, I compare the two and the tube one it is definetly
more pleasent.
It is amazing how only 3 watts can do this,
comments from Mr Gustavo Villa on 10th Dic 2009, Vina del Mar Chile.
other link for PCL86 PP from LinkOut of Site of mine
Triangle Naia 93dB/m/w Speaker System
TRIANGLEIndustrie

Last up date 10th Dec 2015
Single Ended Amplifier D.I.Y since 26th Sep 2009
How to build up Amplifier Single Ended Amplifier 2016