*   300B Single Ended Amplifier by HO 808 mk2
Takumi 300B Single Ended Amplifier for some client in Lampa chile




Kanade

Kanade 300B on 1st Jan 2022 made by Mizushima



Takumi V2 drow on 12nd 2022

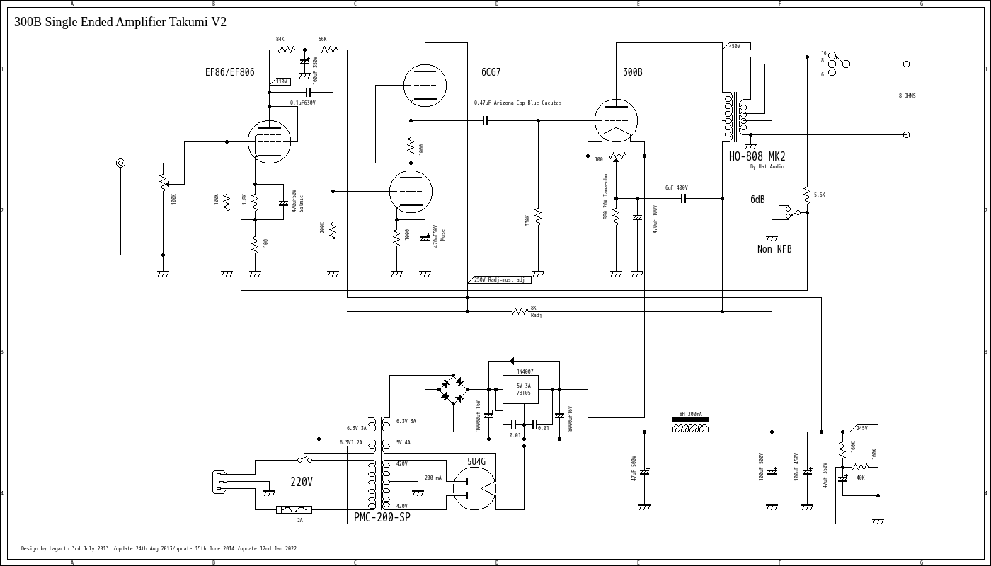
300B Single Ended Amplifier Takumi 300B V2





since 7th Aug 2016 last up date 11st Jan 2022

Single Ended Amplifier D.I.Y edited by BlueFish

How to build up Amplifier Single Ended Amplifier 2016-2022