*  Parafeed 300B SET Amplifier D.I.Y

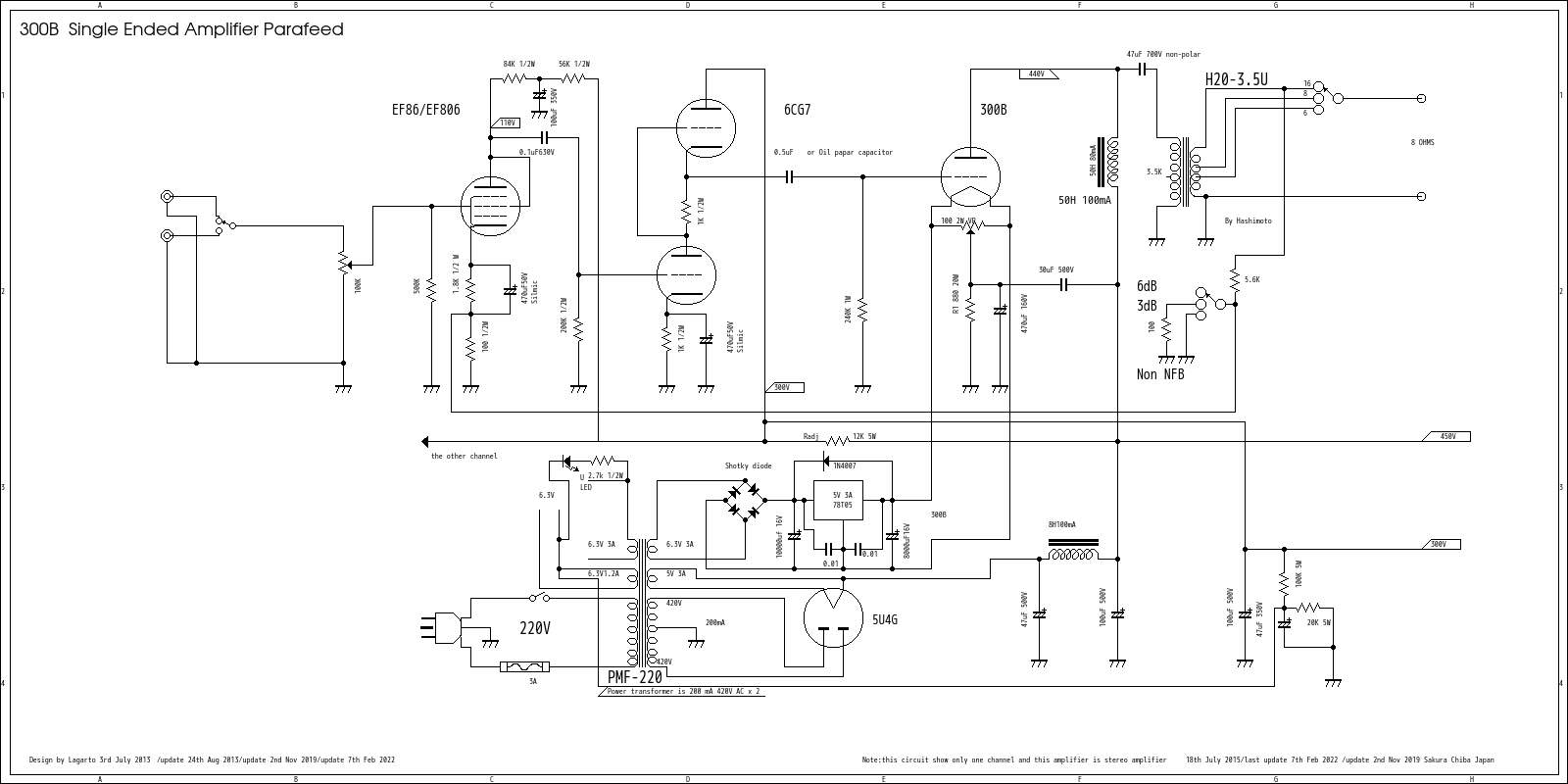
Para feed 300B Single Ended Amplifier DIY


Flag Counter

Start 8th Feb 2022



Parafeed 300B Single Ended Amplifier just plan from 2nd Nov 2019




kanade parafeed

ParaFeed 300B Single Ended Amplifier DIY




I will modify the 300B single amplifier that we currently have to make it a para-feed single amplifier.
The idea is that he will be on November 2, 2019, currently in 2022, but has been suspended due to the Corona turmoil.
I am making corrections to the circuit one after another.
コロナ騒動で仕事を解雇されたりしておりますのでいつこの夢のアンプが完成するかはわかりません。色々な制作上のトラブルが山積みになっているのは確かです。
資金繰りが出来ずその他の製造上の障害も発生している事は確かです。時間が来れば解決することを祈っています。
回路図を見るとA3送信機の終段回路にとても似ていると思います。つまりパラフィードは昔のA3送信機と同じ様な回路図となります。ここで応用が効くわけです。
注意する点があります:
それはプレート抵抗の低い直熱3極管の場合は思ったより効果が現れない可能性があるとTubecadで言われています。粗末なアンプになる可能性が高いことです。
思ったよりパワーが出ないのでしょう。youtubeで外国の実験屋さんが製作したアンプを紹介していますが、Parafeedの特徴が全く出ていないアンプを紹介しています。
低域も余り良くなく高域もそれほど伸びていません。また何より出力が一般に言われる300Bシングルアンプよりパワーが出ていないことに気づくと思います。3極管では失敗するだろうと思います。
プレート抵抗の高いペントードに優位に効果が出ると言われていますので、EL84などのプレート抵抗の高い真空管には良いアンプになることを想定出来ます。
TubeCadの筆者曰く、BLTについてコメントしています。
50年ほど前にノースフロリダの輸入商社で働いていたのですが、数千人規模の企業でした、ユダヤ人の経営していた多国籍企業でした。その頃にやはり東洋の青年は毎日の昼食に苦労しましたね、
毎日、BLTをグリーシー・スプーンと言う会社の近くのレストランで毎日 食べたのがこのBLTでした。トーストした食パンにBLTが入っていたのです。数年毎日これが私の昼食でした。
カリカリとしたベーコンが食を進めましたが、これ飽きるのです。美味しいBLTを経験したことはありませんでした。USAでの食事には大変苦労したのを今でも思い出します。
その頃の仕事場の友人は皆さんハム Radioでした。K4IFG ミラーさんそして、WB4EGEのデビッドさん、皆さんリタイアーしていますがフロリダで健在です。
ちなみに私のコールサインはWB4ACIでした。このコールサインはその後5年近くいた南米チリでも
WB4ACI/CE3として使いました。


There is a caveat:
The author of TubeCad commented on BLT.
I worked for an import trading company in North Florida about 50 years ago, and it was a Jewish-owned multinational company with thousands of people.
At that time, the oriental youth had a hard time having lunch every day.
It was this BLT that I ate every day at a restaurant near a company called Gleecy Spoon. BLT was in the toasted bread. This was my lunch every day for several years.
The crispy bacon went on to eat, but I got tired of it. I have never experienced a delicious BLT. I still remember how hard it was to eat in the USA.
It is said in Tubecad that it may not be as effective as expected in the case of a direct heat triode with low plate resistance. It's likely to be a poor amp.
I think it's less powerful than I expected.
I'm introducing an amplifier made by a foreign experimenter on youtube, but I'm introducing an amplifier that doesn't show the features of Parafeed at all.
The low range is not so good and the high range is not so extended. Also, above all, you will notice that the output is less than that of the 300B single amplifier, which is generally said. I think it will fail.
It is said that the effect is superior to the pentode with high plate resistance,
so it can be assumed that it will be a good amplifier for vacuum tubes with high plate resistance such as EL84.
The crispy bacon went on to eat, but I got tired of it. I have never experienced a delicious BLT. I still remember how hard it was to eat in the USA.
At that time, all my friends at work were Ham Radio. K4IFG Miller and David from WB4EGE, everyone is retiring but still alive in Florida.
By the way, my callsign was WB4ACI. This callsign was also used in Chile, South America, which had been around for nearly five years.


I used it as WB4ACI/CE3.
参考:Ref Prafeed Amplifier

7th Avenue


since 2nd Nov 2019 last update 25th June 2022

Single Ended Amplifier D.I.Y

How to build up Amplifier Single Ended Amplifier 2022