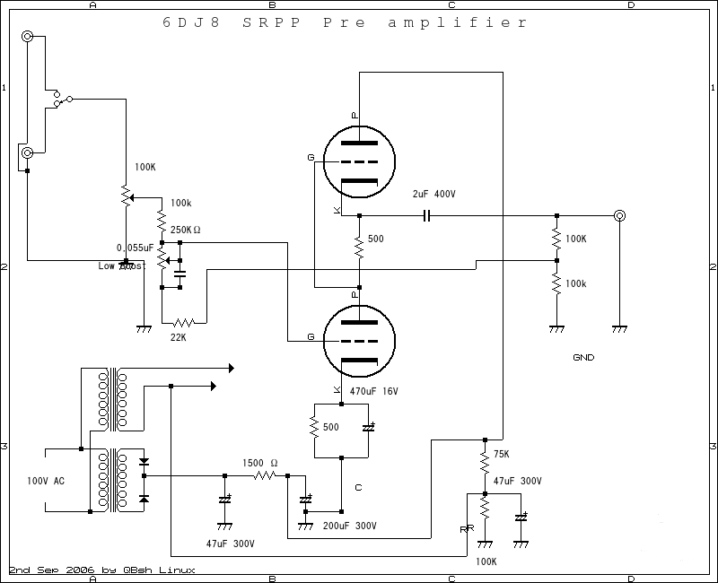
昨年(2006年)9月に作ったミニ・プリアンプです。意外に良い音が出ました。長い間 7球のSRPPを
使っておりましたが、度 重なる引っ越しの為にシャーシは曲りぼこぼこになり、使える状態ではなくなり
ましたので 一つ造りあげたのがこのプリアンプです。簡単なNFB と低域のブーストを追加して急きょ作り上げた
アンプです。ブーストは甘くこれも段数の関係で仕方がないところでしょう。曲によってはかなりブーストが
ききます。
6DJ8 mini pre amplifier

circuit diagram
here回路図は以下となります。2入力でまあ使えれば良いと言ったところでしょうか?反ってブーストを付けないほうが
音がすっきりした音になり良い傾向にあります。と人の意見でした。時間を見てこれを取り去ろうと思います。
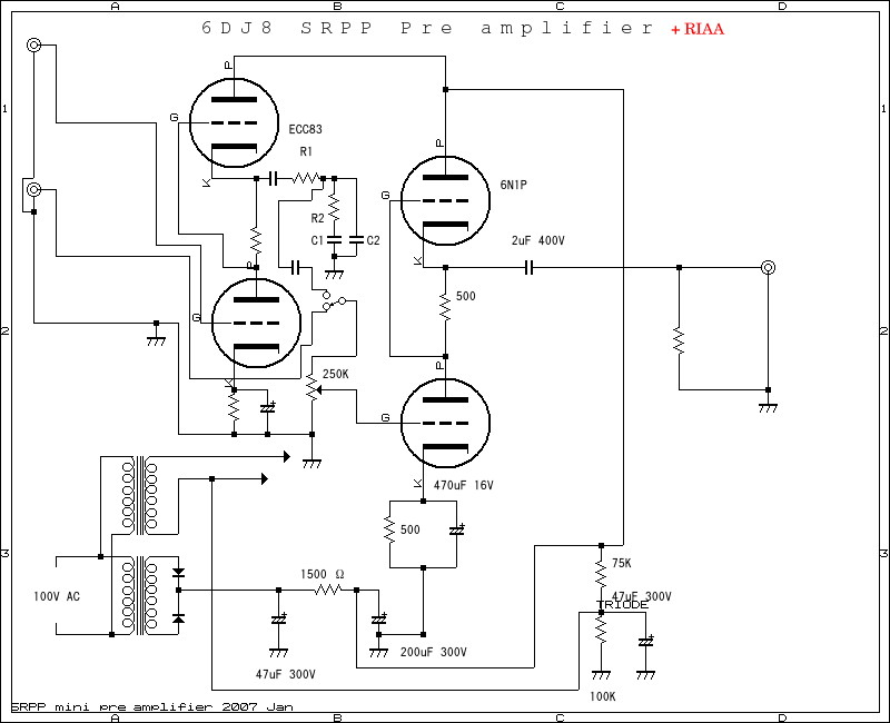
2007年 新年のお休みの間に改造した結果の回路図が以下です。3入力にして2系統をハイとしてもう一つを
パッシブ型のCR RIAA を入れました。計算は英語版を見て下さい。結構 3% 以内で許容の中に入っています。
かなりの数 造りあげたパッシブ型のフォノですが、今回も結構すっきりしためり張りの効く良い音になりました。
ちなみにR1の値は57K オームですのでこれを元に計算をすると良いと思います。ECC83のカソード抵抗は2.2Kオームです。
カップリングは0.47uFのフイルムコンデンサーです。ここはオイルコンデンサーを使うと良いかも知れません。好みの
音に会わせコンデンサーの種類を変えると良いと思います。
mini pre amplifier with RIAA. please calculate correct "turn over"
and "roll off" frequency with R1,R2,C1 and C2. R1=9XR2 , turn over is
3180us roll off is 75us so T= CR easy to calculate. and easy to
caluculate with f= 1/2x3.14xCR.too. 出力のコンデンサーは
アメリカ・シズキの白いフイルムコンデンサ-です。ここは 2 uF 630Vです。
その他 抵抗類は低ノイズ抵抗を使う事をお勧め致します。簡単な回路ですが、1級の音が出てくる事を保証します。
その他 で注意することは電源の平滑をもう少し考察することをお勧め致します。出来ればトランジスター化するか
チョーク・コイルを挿入すると良いと思います。ここは大きな宿題です。
英語版はここから
西暦 2007 年 1月 4日 ラガルトさん
その後 300B シングルはそのままが良いと言ったのですが、どうしても低域がもっと欲しいと言われて
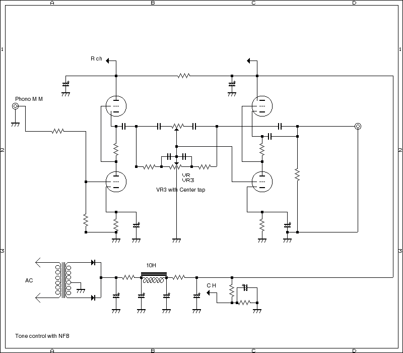
しかたがなく作ったのが次のプリ・アンプです。トーンコントロールアンプと言ったら良いかも知れません
上の回路をちょっと進展してトーン回路とRIAAをくっつけました。RIAAこんな簡単な回路でも結構良い
音が出ています。これでもちょっと低域が甘い感じですでもこの程度が限度であると思います。DFを上げる
ならいざ知らずアンプのDFはそのままですので軽くしました。
NF 型の トーン回路も紹介しておきますので、実験すると良いと思います。私はNFBをかけたトーン回路
の音が好きでしが今回はこれを止めてパッシブ型にしました。
以下が 回路図です。


上は基本的にトーン回路を除いて3段階のカーブを切り替えられるPHONO 専用アダプターです。
オーディオ・テクニカのAT-150 MM とかなり相性が良くなんとも言えない音を聴かせてくれます。
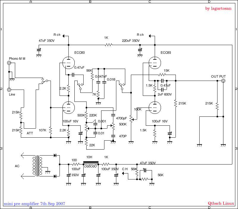
4 球 プリアンプ 回路図 7th sep 2007
以下が トーン回路にNFを追加した回路です。7球プリにはこの回路を使っていましたが切り替え
スイッチが多くなりますので今回は止めました。


入力はLPのRIAA MM 入力となります。予算の関係で
入力は2系統となりました。RIAA の他にハイのCDなどの入力です。
up date 7th Sep 2007 Sakura Chiba Japan by Lagarto san