Rotel with Pre

Rotel CD Player with 6N3p Line Amplifier



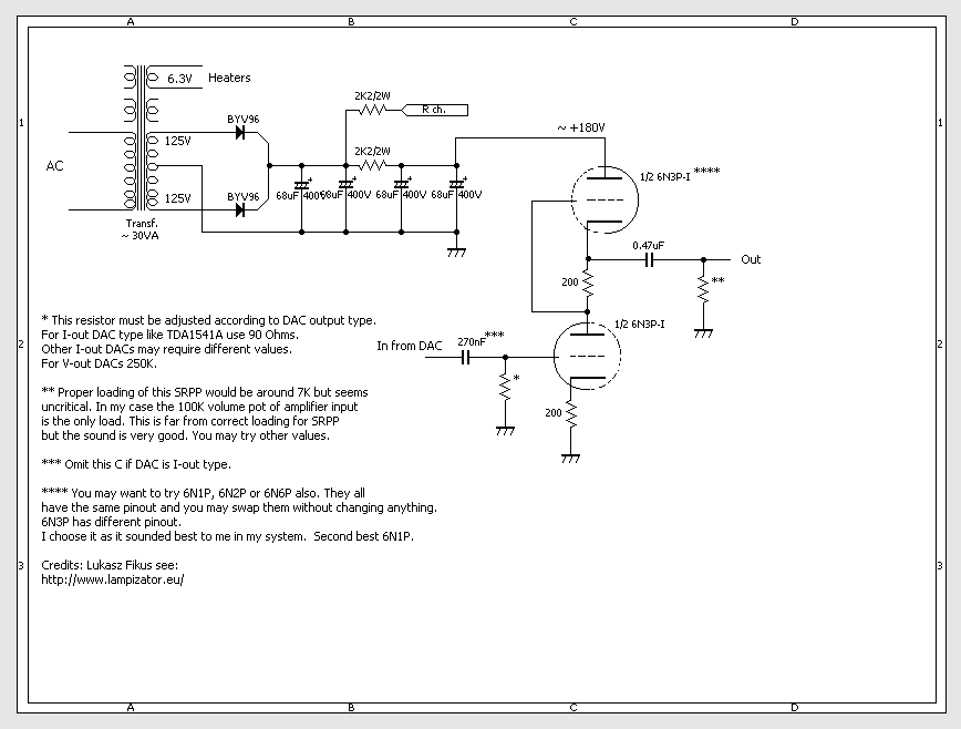
Skematic Diagram 6N3P Pre-amp


Inside line amplifier 6N3p

Inside of 6N3p Line Amplifier



"Durandal Dreams" sience on 10th May 2008 up date on 18th May 2009
K  Mizushima a part of 6550 Single Ended