アクセスカウンター

this counter started 17th Nov 2013

真空管 DAC FN1242A の実験と製作



Home

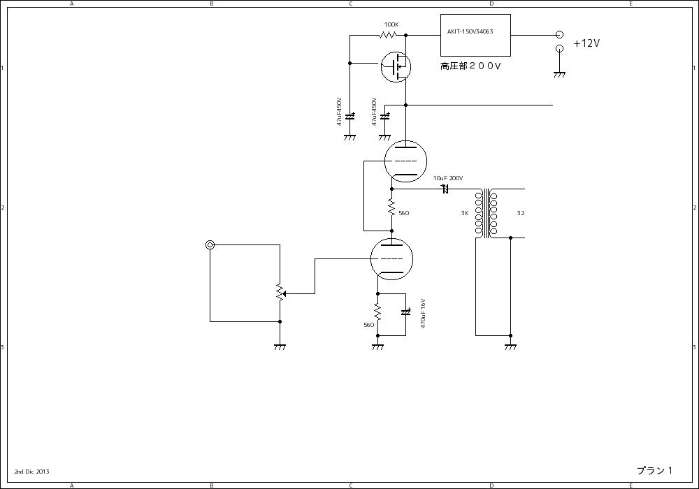
まずは、アイテンドウの高圧ブロック素子 部品付きで、600円のキットの製作です。アイテンドウの部品名は AKIT-150V34063 と言う部品番号です。12V入力で120V~170Vまで出力出来るとの事です。
無負荷で400V 位まで出てくるとの事です。今回はDACのバッファー部に使いますのでせいぜい 5mA も出て入れば良いのでそれを利用しようと思います。以下にまだ試験していない組み立て済みのブロックを貼り付けておきます。
なお、外部にヒートシンクを出しました。細かいデータはここにおいておきます。

何か半固定は何も役を果たしていませんが、入力の電圧を+13.5 Vで 27Kの負荷をかけて220V で10分位で、ヒートシンクは放熱板がついておりますので、多少温まる程度です。
この状態で 8mA 215V 程度です。200V で8mA 流せれば、ヘッドホーンアンプに使えますし、1段のプリアンプ若しくはバッファーに使えると思います。良い成果であると思います。
もう少し軽く使えば良い分けですので真空管1本 SRPPで1~2mA程度のものを使えば、4mA でステレオとすれば、まあ真空管アンプのプリに使えそうです。27K の負荷で235Vから、15分後に208Vまで落ちました。
さてどうやって使いましょうか?ちなみにこの状態で150Vまで落とした場合は電源電圧は10Vになります。あまり安定度が良くなく、150Vから数分の後5V上昇します。この程度で使うと良いのかも知れません。
結果は後ほど、


アイテンドウ高圧ブロック


Test

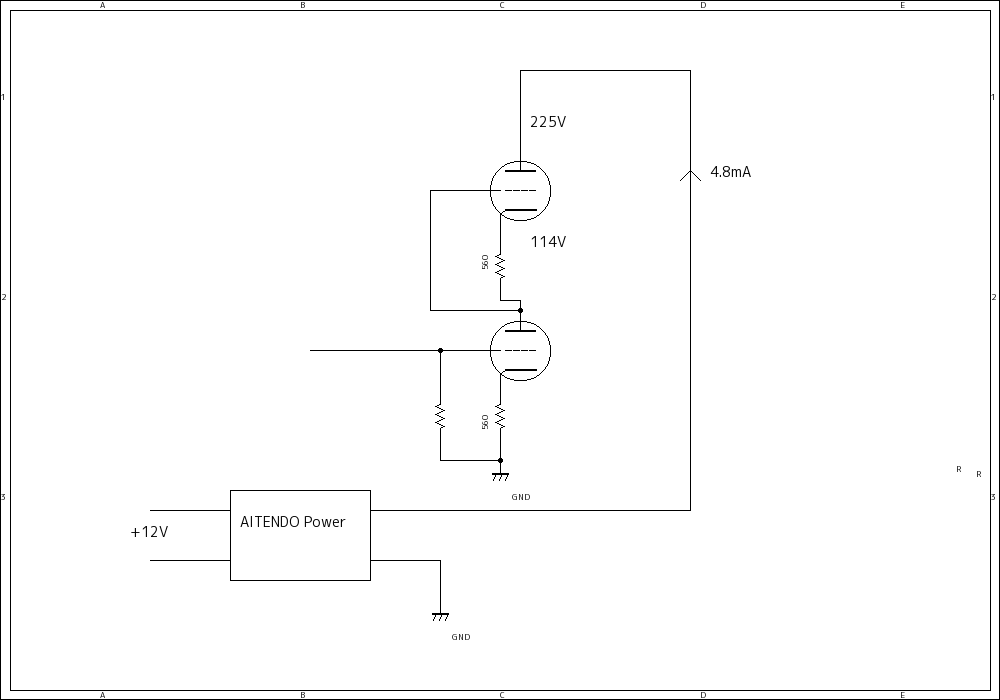
高圧テスト SRPP 12AU7 NEC


12AU7 NEC SRPP 2つの抵抗は560オームを使って、+12.Vで駆動しています、10分ほど経過して4.8mA ほど流して225Vほどの電圧になっています。下側のカソードバイアスは-2.7Vです。
中点は114Vほどです。まあ良い線 行っていると思います。放熱板はほんのりあたたかい程度です。ただ白いセメント抵抗がかなり熱いですので、もう少し大きな容量の抵抗を付けた方が良いかも知れません。
グリッド・リーク抵抗は47Kを使っています。電流を少し抑えてやれば、2回路のSRPPを装備できると思います。  30th Nov 2013
ちなみに、真空管は当然ですがかなり熱いです。これで、ラインアンプを作ることは可能でしょう。+12Vの電源でラインアンプが出来るのは魅力的でしょう。
安定度を求める為に1ラインの真空管で2mA以下に抑える必要があります。このユニットがどれだけの安定度があるかまだわかりませんので、ステレオで4mAが適当であると思います。十分であると思います。

3.3K 2Wを出力につないで、10分するとほぼ100Vですので、これで、30mAです。このユニットで使えるのは200V前後で10mA以下が一番安定している様です。ただし、真空管があたたまっていない初期時期は
400V前後まで上昇していますので注意が必要です。安定さに欠けますので、何らかの対策が必要です。ブリーダを付けてある程度流しておくのも良いかも知れません。

Power block

High Voltage block Test


こうやって実験しても誰も見ないのは、こう言う実験をやって、紹介しても無意味なのかも知れません。10日以上たっても、カウンターがたったの1では、前のYAHAアンプのページも写真を見ているだけで、文章など
見ていないのでしょうね、まあ、実験でも継続しましょう。

head phone amp

仮に描いたSRPPのヘッドアンプの回路


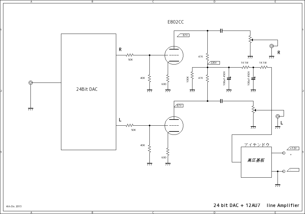
line Amplifier

Line Amplifier + DAC アイテンドウ基板使用


高圧ブロック(DC/DC converter)の出力にパイ型のCRの平滑回路を入れました。これだけでパルス状の電圧がまったくに近いほど、なくなりましたが、たったこれだけの回路を入れませんと、
50uS程度の周波数のパルスが発生しており、音が曇った状態でした。これでかなり澄んだ音になったと思います。0.1mV以下になった様です。この部分大きな電解コンデンサーが必要な為にこれだけで、大きくなって
しまいます。まあ仕方がない事ですが、ここをFETを使っても良いかも知れませんので、FET1段のリップルフィルターで改善すると思います。どちらでも構いません。
FET1段のリップルフィルターを追加しましたが、このパルスにはまったく変化はなく、出力に入れた60uH程度のマイクロインダクターを入れると、頭の切れた台形波に変わりました、30mVp-pですので、もう少しです。
このマイクロインダクターは色々なものを試すと良いと思います。無音にはならず、ヒスノイズが出ていました。-80dB程度まで落ちれば使い物になると思います。ちなみにダンパー様のダイオードを入れてあります。
最終的には-104dBですので使い物になるでしょう。100Hz 200Hzの聞こえるハムよりましであろうと思います。ちょっと古いですが中級DACと比較しても何の遜色のない音が出てきます。
このDACの自由度は真空管を変えれば音も変わる、ドライバーのオペICを変えれば音が好みの音に変えられることです。
なお、アイテンドウの基板の出力に直列に60uH(マイクロヘンリー)程度のこのインダクターはかなり効果があり、ダイオードも付加してください。ダイオードは1KVの耐圧があれば何でも構いません。この二つでスパイク
ノイズがかなり小さくなり、台形に近い波形になります。スパイクノイズがある場合はやはり高域でヒスノイズが発生します。

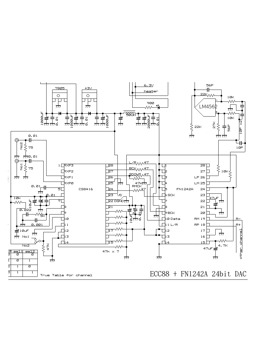
12AU7 24bit DAC の製作


SPDIF input 24 Bit DAC D.I.Y

24 bit DAC + 真空管 ラインアンプ付き 電源は+12 Vの電源使用



24Bit DAC

24Bit DAC 部 入力はSPDIF



真空管が2本となると、1AのDC/DCコンバータのACアダプターでは保護回路が働いてしまって電圧が出てこなくなり使えませんでした。ヘッドホーンアンプの時は問題がありませんでしたが、今回はこれでは駄目で
正規のACアダプター(アナログ・トランス型)の1A以上のものが必要です。たった600円の基板ですが、使い方によっては使える基板であると思います。無負荷で400V近く出ます。SRPP2本にすると170Vまで下がります
何か使えそうです。それで、以下の写真となりました。トランスがあったところに小さい箱がありますが、中には高圧用と低圧用の電解コンデンサーが入っています。電源トランスはこの機械には入っていません。
電源は外部となります。+12Vが必要ですが、出来たら大きなアナログの電源が必要です。リップルの大変少ない専用のDC/DCコンバータを使った電源でも構いませんし、勿論 バッテリーでも構いません。
ただし苦労した割には、15mVp-pの30KHzのパルス(台形波)が出ています。実効値にしたら10mV程度でしょうか?周波数も高いし、不愉快な雑音としては感じることが出来ませんので、自分で使うのであったら良いのでは
ないかと思います。マイクロインダクターは秋葉原のラジオデパートの2Fの瀬田無線においてあります。コアと入手して手で巻いても構いません、高価な部品ではありませんので購入が良いと思います。

もう少し何とかならんかな?と言うより、ヒータートランスなどに勝る電源はないと思います。音が硬いと言う感じがするのと、やはり多少交流音が出ていても、音の質の良さは負けますね、
電流の許容が小さいのも影響するかも知れません。DC/DCコンバータ直列の方が良いかもしれませんが、トランスに勝るものはなさそうです。でもお試しを、

24bit DAC 2013 Dec

アイテンドウの600円の高圧基板キットを使った 24ビットDAC


アイテンドウの高圧基板の応用1

300B シングルアンプと24bit DAC(電源は+12Vから160Vへ昇圧するアイテンドウの基板使用)





その他の超簡単な馬鹿でも出来るオーディオ周辺機器の製作


誰にも出来る音が大変良い FN1242A 24ビットDACの製作

since 17th Nov 2013 last up 22nd Dic 2013

Single Ended Amplifier D.I.Y edited by BlueFish

How to build up Amplifier Single Ended Amplifier 2013