Circuit diagram is indicate next.

2C51 is Old RF Tv tubes as 5670 small tubes and load resistance are very low.use for SRPP
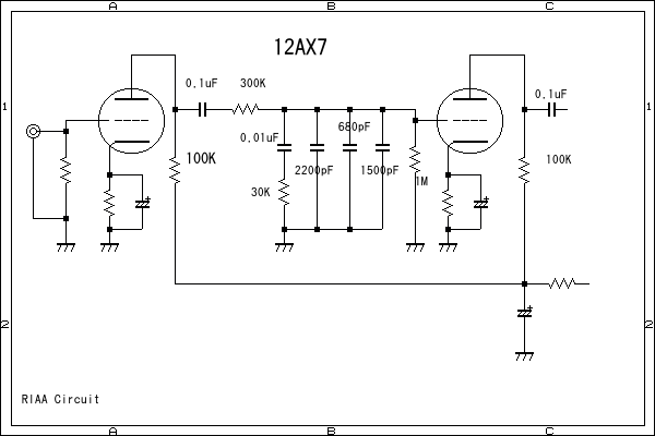
and 12AX7 for RIAA amplifier.40 dB gains have for phono position.CR network is 6 components
of C and R.caluculated under RIAA curve.then amplitude 17 times at pass position
this amplifier does not have
buffer amplifier .because generally modern equipment has too much gain of out put than old one.
so this one does not have any more amplifier stage.simple is best.

add note: 5670 are some TV RF tubes old time ago,and i would like to replace 12AU7 ,6DJ8 and 6AQ8
instead 5670 . this tube is good for audio but slightly get more microphonic noise than regular audio tubes.
6AQ8 , 6DJ8 better.if you would like to use 5670 cathode resistance are 500 ohm better.
and should be apply to heater bias. some high voltage to heater circuit for protect tubes.

RIAA circuit








2C51SRPP Stereo Preamplifier circuit
coupling capacitor are probably use combination each other with film capacitor and oil ones.
like a Vita Q ,Orange drop.etc.for much better to hear tone do you like.


9th June 2004 SRPP 6DJ8 preamplifier.

    6DJ8 pre new one

   back side view
                comment:19th Julio 2004 santiago, chile
   
COMENTARIO SOBRE LOS KAZE:

Hace poco tuve el gusto de escuchar el amplificador Kaze, de diseno
push-pull con tubos 6EM7, conectado al preamplificador Kaze, ambos
disenados y construidos por el Maestro Kenji Mizushima en Japon. El
amplificador posee un tubo 6N1P (Svetlana) y cuatro tubos 6EM7, dos marca
RCA y dos marca General Electric. El preamplificador estaba equipado con
dos tubos 6DJ8 (ECC88) marca Ei (Yugoslavia) y dos tubos 12AX7 marca
General Electric.

Como lector de CD use el DVD Toshiba SD-3109, conocido por la alta calidad
de sus conversores digito-analogicos, y una venerable y magnifica
tornamesa Sansui SR-929 equipada con una aguja Shure M95ED. Todo conectado
a un par de parlantes Altec modelo A7.

El sonido de la combinacion amplificador y preamplificador Kaze impresiona
primero por una naturalidad sin compromisos. No es posible distinguir
ningun grado de coloracion en parte alguna del espectro sonoro, siendo los
bajos prominentes cuando aparecen las notas graves en la partitura, los
medios destacados en los instrumentos y notas medias, y los agudos
sobresalientes cuando dichas notas aparecen en la musica.

Y la espacialidad del sonido es extraordinaria, porque se acerca
notablemente a la de una buena sala de concierto con una altisima
resolucion de los timbres instrumentales en obras musicales complejas.

Dos obras sirven para destacar la cualidad de estar al servicio de la
musica, de la combinacion amplificador 6EM7 Kaze y preamplificador Kaze.

Del Concierto para violin No. 2 de Bartok en una exquisita grabacion de
Philips, con Henryk Szeryng al violin y la Royal Concertgebouw Orchestra,
se destaca el extraordinario sonido del violin. En esta version las
enormes posibilidades interpretativas del uso maestro del arco con el
vibrato al servicio de la musica son una fuente inagotable de placer
estetico musical. A veces uno puede visualizar como el interprete aumenta
intuitivamente la cantidad de cerdas del arco que rasgan las cuerdas, al
mismo tiempo que apoya con mas fuerza el dedo indice derecho sobre el arco
para asi obtener un sonido mas fuerte pero al mismo tiempo mas grueso, con
lo cual tambien consigue incrementar el caracter sonoro propio de la
cuerda rasgada: sublime. Es notable en esta grabacion el rol protagonico
del sonido del violin, siempre comandando al acompanamiento de la
orquesta. Esta version es muy buena tambien porque los numerosos pasajes
con acordes de las cuerdas mas agudas del violin nunca llegan a ser
agresivamente estridentes, lo que es muy dificil en un instrumento donde
las notas mas altas las produce una cuerda de metal. Los equipos Kaze
juegan aca a la perfeccion el rol de intermediarios neutrales entre una
interpretacion efectuada decadas atras y la sala de audio del oyentede
hoy.

Para probar la calidad de la amplificacion de la entrada de phono, use los
vinilos de la banda sonora de la perlicula Amadeus (The Saul Zaentz
Company, NY), una de las mas bellas bandas sonoras de todos los tiempos y
un muestreo de lo mejor de W.A. Mozart.

Lado A del disco 1. Del primer movimiento de la Sinfonia No. 25 de W.A.
Mozart, golpea la atenci坦n de uno la claridad incisiva de las cuerdas en
estacato con su tipica dulzura, un poquito aspera, que usualmente se
extra単a en las grabaciones de calidad promedio, en comparacion con las
interpretaciones in vivo. En el Stabat Mater de Pergolesi, el ambiente
celestial de las voces acompa単adas de organo llegan con una limpieza de
sonido y afinacion de niveles sobrenaturales. De la musica gitana del S.
XVIII llama la atencion la extraordinaria separacion espacial de los
sonidos y la definicion de los timbres de cada instrumento, inubicables
para un oyente de este siglo. En la Serenata para Vientos la grabacion
alcanza los limites de la perfeccion de las grabaciones analogas, y pocas
veces una grabacion de esta compleja pero bellisima obra ha conseguido
hacer de todos los instrumentos de viento una sola voz ,tan perfectamente
amagamada quellega a dar pena tratar de separar analiticamente cada
instrumento individual. El sonido de los vientos es un solo pulso repetido
a perpetuidad, con los acordes mas bellos que se pueden producir por
instrumentos de viento tocando al unisono. El perfecto fraseo alcanza lo
sublime. Hasta el vibrato del oboe se subordina al ritmo de perpetuo
latido que impulsa esta obra hacia su resolucion final.

Uno podria seguir eternamente recreando con palabras la intensa
musicalidad del desempe単o de esta dupla ganadora de equipos a tubos,
reproduciendo las grabaciones analogas de vinilos magnificos.

Al final de las varias horas de placer escuchando la mejor musica del
mundo a traves de estos equipos extraordinarios, uno vuelve a la realidad,
y de repente se da cuenta de la presencia del amplificador y del
preamplificador Kaze. El mejor tributo a estos equipos es que uno se
olvida de ellos al poco rato de estar escuchando buenas grabaciones de
alta fidelidad. Con ellos se consigue el ideal del high end en el audio:
los equipos se subordinan completamente a la musica, porque la altisima
fidelidad del sonido musical lo lleva a uno adonde siempre quizo estar,
dentro de la musica.


Mr jbl_fan (Santiago,Chile) hifichile.cl 2004

--------------------------------------------------------------------------------
6DJ8 SRPP pre amplifier 3 input ( 2 of high and RIAA )
1 OUT PUT and REC OUT with rec out switch.

diagram is same as above .cathode resistance of 6DJ8 are 200 ohm each.
plate current are around 9mA.gain are some 17 time of original signal
at pass position.24dB.RIAA C2= 4300pF respect with grid to ground.much
better low frequency response.

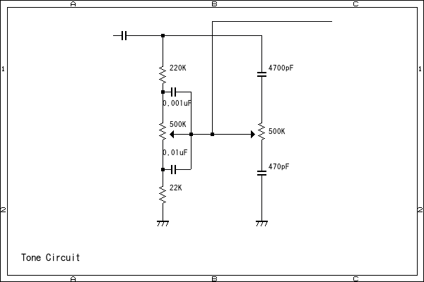
and tone circuit for 12AX7 are next

Note 2 : How to calculate Gain and load with SRPP Amplifier
This pre can use MM position cartridge ,such as AT 150 (Audio Technica),and Techniques 2700.
and with step-up transformer can use MC cartrige.such as DL 103 (Denon) AT-33 (Audio Technica ).

Network should be replace depend on different EQ .RIAA,FFRR ,RCA , DECCA, so many.

 
on 19th Nov 2003 from Sakura Chiba Japan. by K Mizushima using gftp.Powered by Red Hat 9
since 8th Feb 2005 ( SRPP 6DJ8 pre ) last update 18th Feb 2019


Go to preamplifier mini