*   300B Single Ended Amplifier by H20 3.5U
Flag Counter

started 20th Feb 2022





Hibiki 300B Single Ended Amplifier for MN USA

basically same amplifier of Kanade 300B. this one has 3 line input un balanced.「響き」と言う名のシングルアンプとなります。120V 用仕様となります。
3入力です。電源トランスをバージョンアップしてあります。自己バイアスでも9Wは出ると思います。納期は 5ヶ月の予定です。Marlyland close to WA DC の台湾系アメリカ人のお客様です
It will be a single amplifier called "Hibiki 響". It is a specification for 120V.
3 inputs. The power transformer has been upgraded. I think 9W will come out even with self-bias.
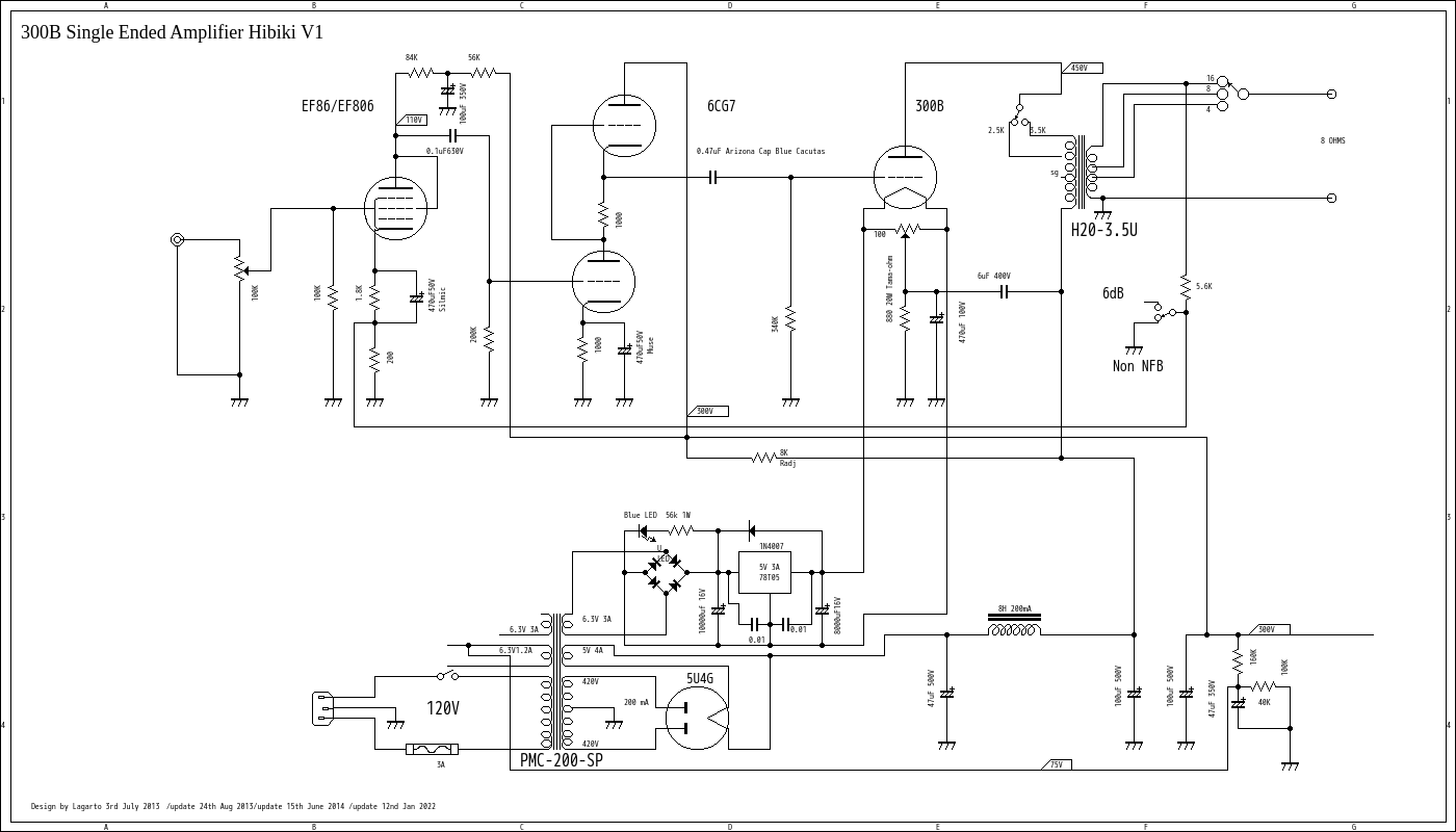
Spec 8~9 W rms ,3 line input,0-6dB NFB. speaker 4,8,16 ohms, input 2.5K and 3.5K ohms.AC-line is AC 120V 50Hz
The delivery date is 5 months for him. Marlyland close to WA DC .

hibiki

Name of Amplifier is Hibiki 響 



Name plate

Name plate design by Owner of Amplifier in USA gold plate



plate

This is Name plate of Hibiki 300B Single Ended Amplifer on 9er Mar 2022



Hibiki 300B

Hibiiki 響 300B  on 2022 by Mizushima



Hibiki

300B Single Ended Amplifier Hibiki V1



OOMURA PLATE CO


1st step doing build up Hibiki 300B Single Ended Amplifier on 2nd Oct 2022


just start build up

Just doing start build up Hibiki 300B on 2nd Oct 2022



since 7th Aug 2016 last up date 29er Nov 2022 Sakura Chiba Japan

Single Ended Amplifier D.I.Y edited by BlueFish

How to build up Amplifier Single Ended Amplifier 2016-2022