*  6CW5 Single Ended Amplifier
カウンター
counter started on 3rd May 2012

EL86 Single Ended Amplifier D.I.Y



Mullard EL86





EL86 UL single ended amplifier

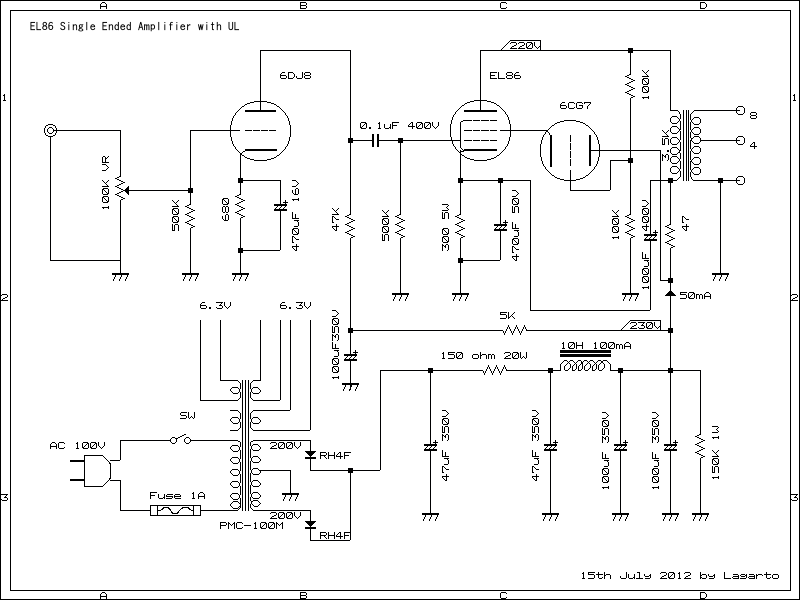
Schematic diagram is show above as Single Ended Amplifier with UL


As you know EL86 of name of American is 6CW5.very similar physic with EL84/6BQ5.
EL86/6BQ5 is high plate voltage low current and high plate load. but EL86 is max 200V +B for plate
voltages.EL84 is 5K ohm and EL86/6CW5 is around 2.5K for plate impedance to use.
Ip-Ep charactor indicated next...
charactor of 6CW5

Charactor of EL86 ,Screen is 200V setup



EL86 single ended amplifier with UL

EL86 Single Ended Amplifier with UL on May 2012



can use low plate voltage less than 200V just not same as EL84.
so a little bit difficult to use regurar power transformer.I have to use 70mA and 170V Ep.
control grid voltage is 12.5V .

................................to be continue..............










link for EL86 full differential push pull Amplifier Introduce


If would like to know more ?



7th Avenue


Single Ended Amplifier D.I.Y

How to build up Amplifier Single Ended Amplifier 2012

since 3rd May 2012 from Sakura Chiba Japan update 28th May 2012