mig  Mysterious world
Flag Counter

this counter started 27th Sep 2023

🇯🇵Japanese

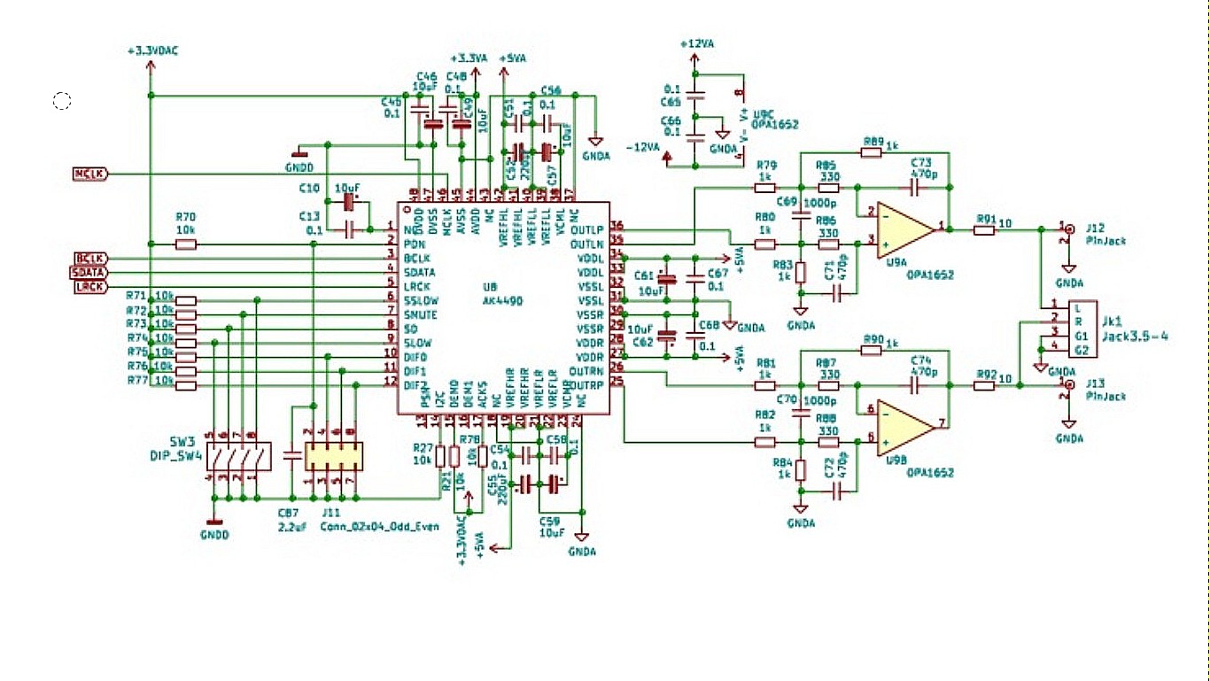
AK4490DAC and Nanopi Prorogue


this counter started 27th Sep 2023



I noticed that the AK4490REQ is already mounted and sold at Akizuki for a cheap price.
Is there no chance of making your own for someone like me who was thrown out of my day job due to the coronavirus? it's not
So let's take a look using this excellent DAC. There are few ways to create an interface. There is more that uses I2S and I2C.
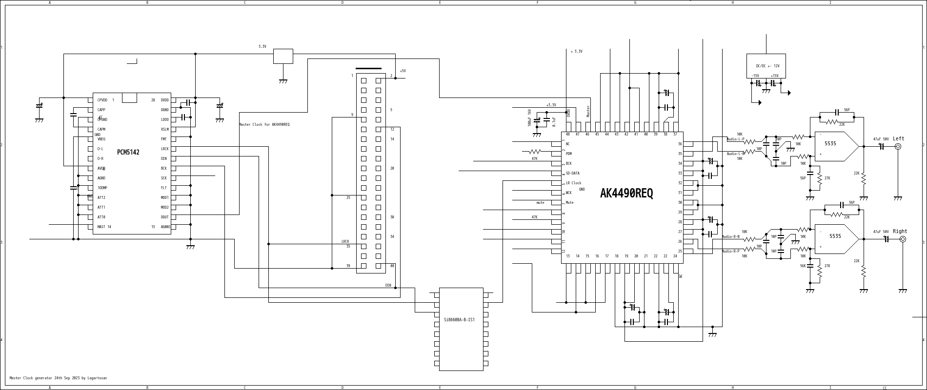
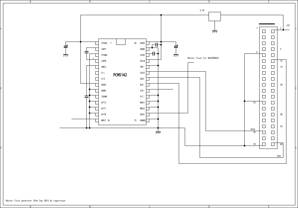
1) Create a master clock using a DAC with a master clock output such as PCM5144 as I2S mode then get master clock.clock into AK4490REQ.
2) How to use Si5351A
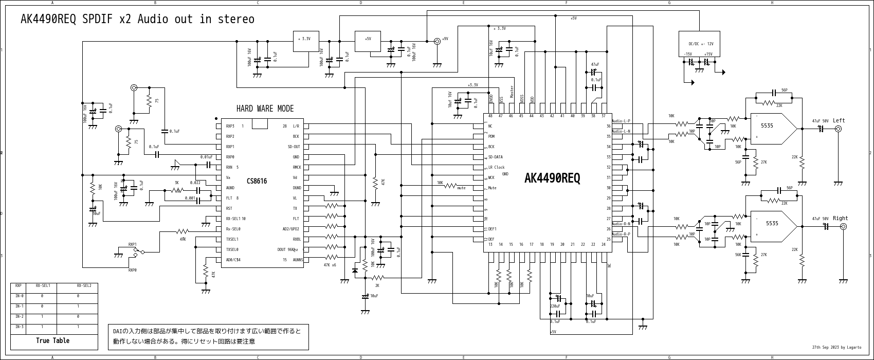
3) How to use CS8416, that is, use DAI
4) How to use Arm one-board CPU with master clock
etc. I think there is a better way. Think without using my head too much. There is also the issue of SKILL.
I would like to introduce a circuit diagram of a DAC that I made in the past.
Parts can be obtained cheaply, but from now on it will depend on your skills.
Even if you can get the parts, you will not be satisfied with this, so you will need to study individually.

Next,
When I pushed the driver binary, the Nanopi-neo2 OS broke. It seems that alsa updated it.
That's when I couldn't stand up. The driver is in Boot, so I guess that's why it can't be restarted. What I found here is
In the latest version, alsa cannot be installed because it requires Python 3.11. It would be good if alsa with py 3.11 or higher was developed. The same goes for ninja.
Since there is no sound in this state, the OS has been updated to a minor version. The DAC will be a DAC using the orthodox DAI. I just got another one, so
I would like to output sound using another method, that is, I2S. It takes time,



Ref: Akitsuki compo

AK4490REQ Data
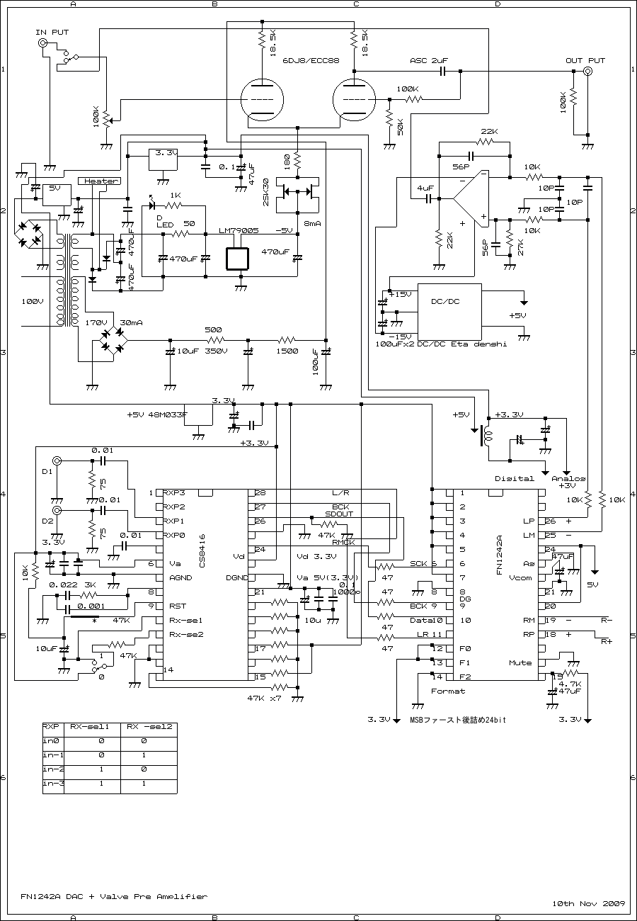
DAC

Idea 1 using SPDIF input DAC



M9000 DAC

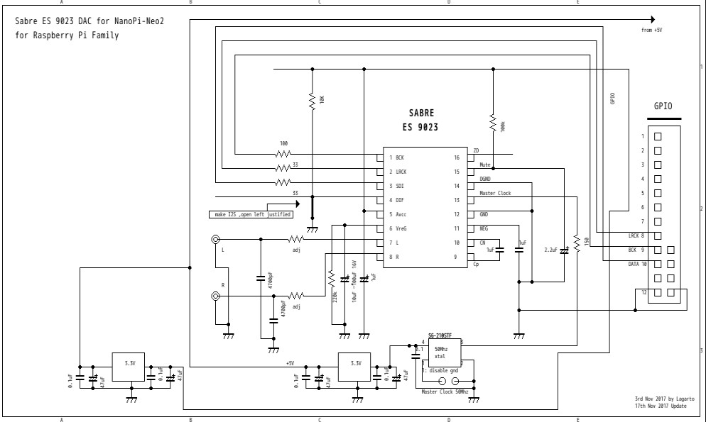
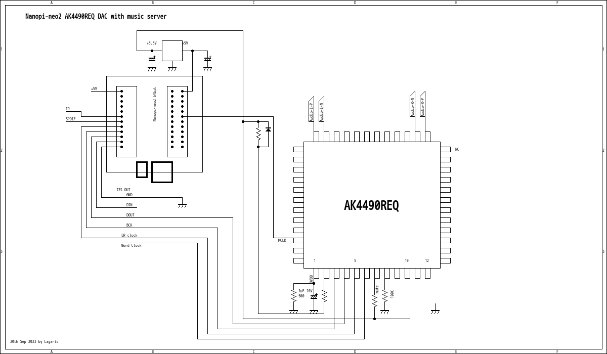
nanopi-neo with dac

this one is using with nanopi-neo with master clock unit



PCM5142 and interface

often using this type of interface for AK4490REQ or the other DAC need master clock




It's just the beginning. I have about 10 vacuum tube amplifiers pending construction, so I'm finishing them up, but I'm currently using a Chinese-made SPDIF DAC that costs about $30.
I'm here. The sound is not bad, but I don't feel satisfied with it, so I will hurry up and make the AK44090REQ DAC. If you're young, you can probably do it in no time.
Due to my age, I can't finish it easily. I would like to take your time.
Please come again if you feel like it.



si5351A

Master Clock unit


unit

sold out they said


Ref : DAC

DAC nanopi-nneo2


DAC valve


DAC for AK4490


Master Clock Get from PCM5144 small IC is digital isolator


Since on 27th Sep 2023 and update 30th Mar 2024 Yachiyo Chiba Japan

7th Avenue


Single Ended Amplifier D.I.Y

How to build up Amplifier Single Ended Amplifier 2004-2024