This counter started 20th July 2012
Some one said RCA 71A arquitecture is very similar of RCA50.
many audiofile like sound of 45 single ended amplifier.45 made good sound on high range
frequency but low range is not enough.
71A single ended amplifier sound is just like 300B sound at high volts use. 71A single ended amplifier
makes around 0.7 W rms. but enough to use at home with over 91db/m/w speaker system.
What do you think ?
Please see with Firefox better see on your PC Real Audiophile no use Push Pull Amplifier
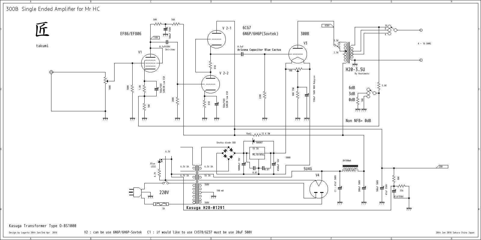
Small Power Single Ended Amplifier with 71A and 300B
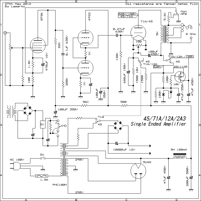
Going to 12A/71A SET /// please use high effiency speaker at least need 96dB/m/w
Small Power 71A/300B Single Ended Amplifier circuit
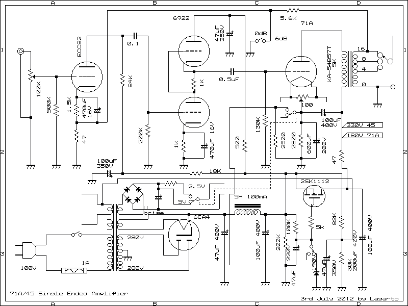
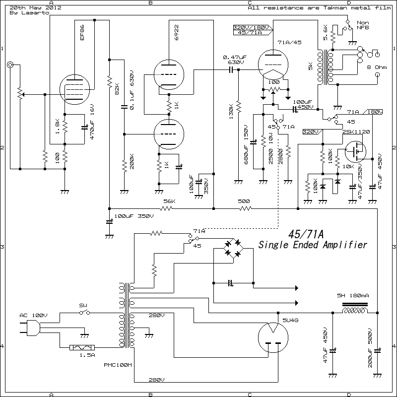
71A and 45 Compatible Single Ended Amplifier
71A/12A/45/2A3 compatible Single Ended Amplifier
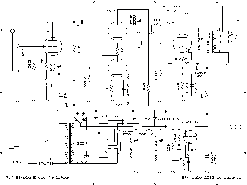
71A Single Ended Amplifier schematic diagram
United 71A x 2
45/71A Single Ended Amplifier on 2012 July
Last up date 26th Apr 2016
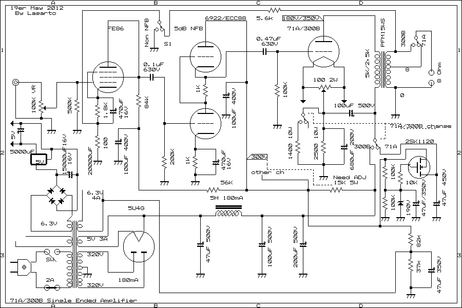
Since 300B SE Amplifier circuit on 3rd July 2012 Sakura Chiba Japan
Single Ended Amplifier D.I.Y
How to build up Amplifier Single Ended Amplifier 2016