*  5998/5998A Single Ended Amplifier D.I.Y
アクセスカウンター
This counter started 16th Feb 2014 Please see with Firefox better see on your PC
Real Audio file no use Push Pull Amplifier
5998/5998A Single Ended Amplifier, Just try to Test

WE300B and Amplifier

Western Elctric WE300B Single Ended Amplifier



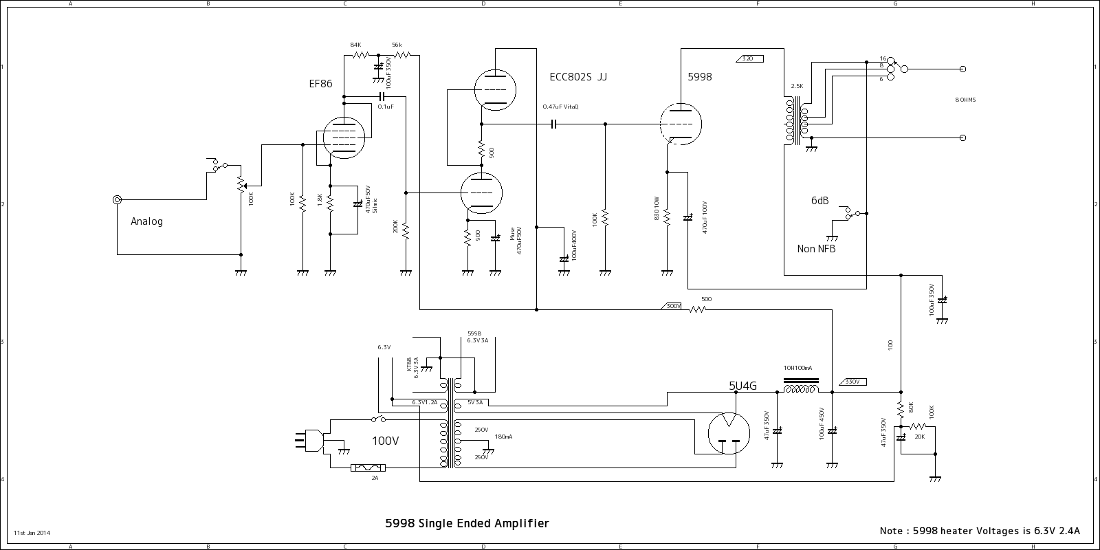
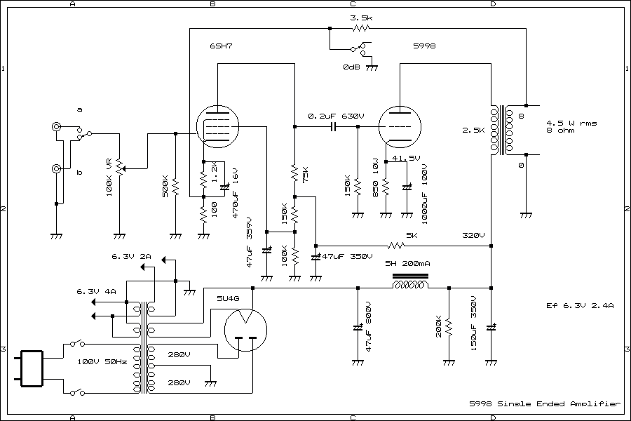
5998 Single Ended Amplifier

Triode 5998 Single Ended Amplifier's schematic


Testing 5998 Single Ended Amplifier from 2A3 Single Ended Amplifier


schematic is indicated above.sound is good like 2A3 but more powerful.
indirect heater is sound not same like 2A3.2A3 is 2A3.recently 2A3 get more than
3.5W rms. so depende on you.one thing does not need ham balancer.
5998A is different rate. 5998 is 250V and 13W and 5998A is 270V and 15W. 5998 family has 2 type of construction ,ST and GT.
both , parallel mode made up almost 8-9 W rms as Single Ended Amplifier.one tube has 2 indirect heating triode. each one made up around 4 W rms.


New Testing 5998 Single Ended Amplifier from 2A3 Single Ended Amplifier

Pins

Test Amp circuit

Above is Testing Amp Circuit ,just modifier from 2A3 Single Ended Amplifier on 11st Jan 2014


5998 SET

5998A Single Ended Amplifier from 2A3 Single Ended Amplifier (modifier) 11st Jan 2014




charly lloid plays by 5889 (W triode) Single Ended Amplifier at home 3.0 W rms with Tango XE20S




Above 2 movie are same circuit using. just only valve is different. 5998A and KT88 single ended.same music same circuit.. Triode indirect heater and indirect heater but Tetrode .
KT88 is just like 2A3 sound stage getting . very clear and good bass.almost indirect triode tubes sound is just like these kind of sound when choose to use single ended amplifier mode.
I think therefore many people with or not of being preferred the sound of the 2A3, 45 trends and the sound of KT88.
You must use the output transformer good characteristics to get a good sound.


Which an Amplifier is worth ? I like sound charactor of 2A3 and 45 single ended amplifier.even 300B single ended amplifier is much better for me.
my reference amplififer is 2A3 Single Ended Amplifier.My Main Amplifier
2nd my Amplifier is 300B Single Ended AmplifierMy 2nd Main Amplifier is 300B Single Ended





Since 12nd May 2012.Last up Date 29er Oct 2021 Yachiyo Chiba Japan



7th Avenue


Single Ended Amplifier D.I.Y

How to build up Amplifier Single Ended Amplifier 2010-2021