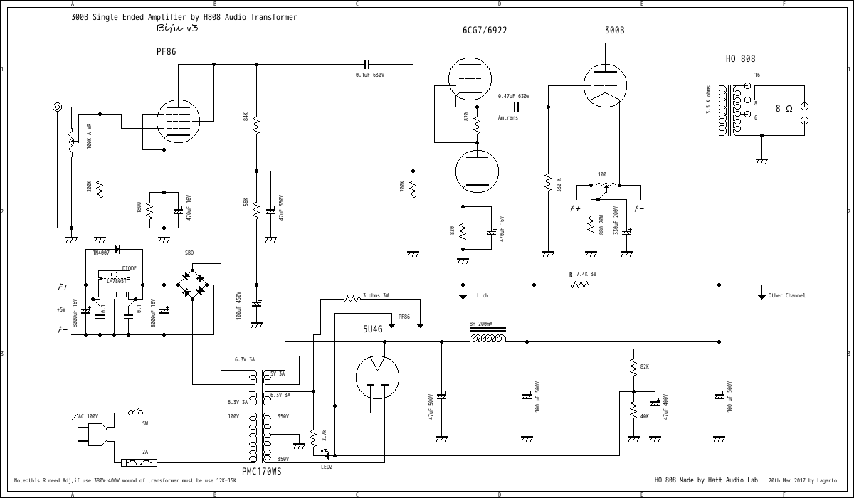
Clients (Owner)said, "he has a lot of ECC82 "so first stage is using ECC82 in parallel .Just same as Kayra 2A3 Single Ended Amplifier. Kayra 2A3 show
at link.Audio Transformer are clone of U808 ISO Tango.actually charactor is same like XE-20S of ISO Tango.pair of Audio Transformer is around USD $400
Dollars.the band Type of Transformer is USD $ 250 Dollars.next shown schematic of HO-808 300B Single Ended Amplifier.Owner said does not important input
voltages line of AC 100V .AC 100V Type of Transformer are more economic price than 220V/240V Transformer.
probably use PMC264M Noguchi Transformer Co.or 264HG,3520HG .HG type is Silver painted.HO-808 is one of product of Hatt Audio Lab Co Japan.
コメント:2A3 シングルからの改造になりますので何とも言えませんが、U-808がどの様なトランスか不明ですし、東栄のOUT-20Sとも違いがあります。HO-808 がU-808のクーロンと言われていますが
旧 XE20Sの音がします。強いて言うとかなり綺麗な音です。低域も良くなっていますし高域がかなり伸びている様にも思えます。このトランスはもう2年位前(2015)に購入しておりほっておいたものです。
大変重いトランスです。片手で持ってうっかり滑ってしまい落としてしまいました。でも何ともありませんでした。外装がキャシヤですがまあ特に問題はありませんでした。
とても近代的な音です。何のジャンルでも行けるのではないかと思います。Jamesや橋本は低域よりですが、これは低域も良いが中高域も良く何か300Bなんですが、2A3みたいな音になります。
これから使い込んで行こうと思います。Cetron、Westernの球も持っているのでこれで聴きたいと思いますが、当分はEHで試そうと思っています。時間を追って特性をとってみます。
合わせケースの同様トランスがかなり低価格ですのでこれで300Bシングルを自分用に欲しいと思います。Hatt Audio Labのトランス価格表はこのサイトに紹介してあります。
本当に良いトランスです。尾身 氏にはこのサイトでお礼を言っておきます。まだ火をいれたばかりですのでもっと良くなると確信しています。
初段はPF-86と言う4.5VのヒーターのEF86互換の真空管です。1本2000円程度で購入したものです。NOSですので価値のある真空管です。EF86は1本1万円ほどします。2本用のヒーター電圧に
3オームの抵抗を入れて6.3Vの電圧を4.5Vに落としてあります。信号系の抵抗はすべてニッコームを使っています。赤い四角い抵抗です。最近金属皮膜を使っています。
その後
そうですね、音が硬く、2A3 シングルアンプからの改造であった為、少しグリッドリークの値を変更しましたら、大変落ちついた音に変わりました。300B シングルなんですが2A3 シングルの音が
出てきます。個人的な好みなので何ともどんなアンプを作っても私の音が出てきます。帯域の広い音です。中高域よりですが、締まった低域が良いと思います。グリッドリーク抵抗値の変更で良かったと
思います。
HO-808 300B Single Ended Amplifier
Very much Modern Sounding 300B Single Ended Amplifier on 20th Mar 2017
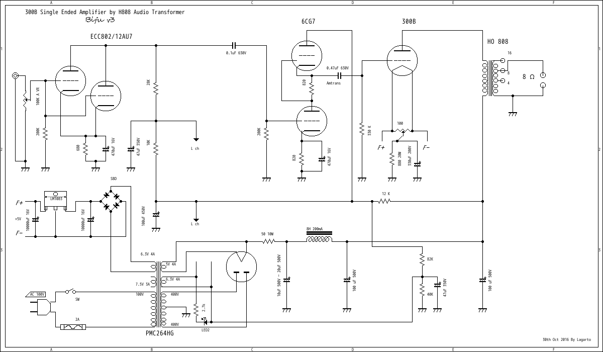
Schematic Diagram for HO-808 Hatt Audio Lab 300B Single Ended Amplifier