*  1626 Single Ended Amplifier

1626 Single Ended Amplifier D.I.Y



カウンター
This counter started 16th Dic 2011

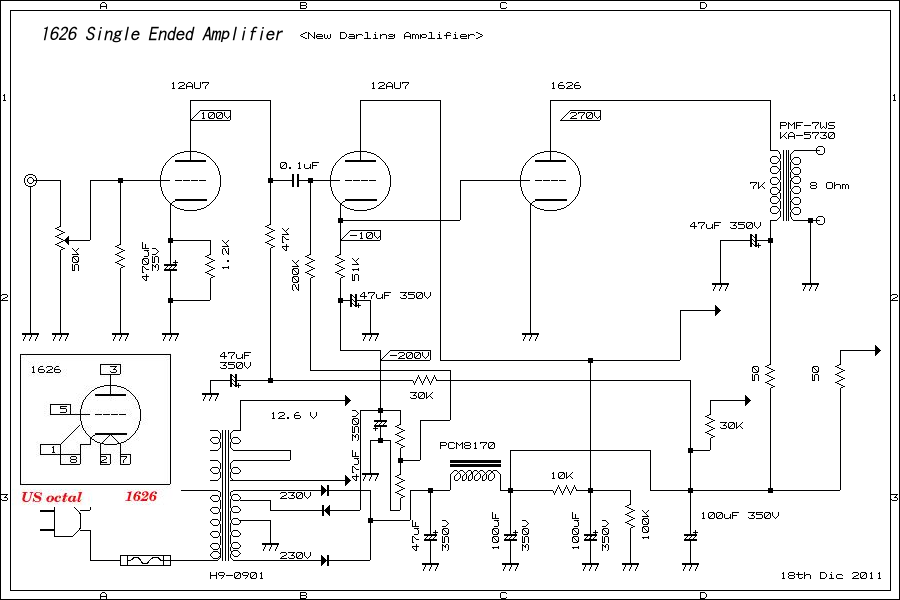
This 1626 Single Ended Amplifier is modificated from EL3N Single Ended Amplifier


el3n

1626 US Navy

VT-137 Mfg by Hytron Made in USA



charactor 1626

Charactor of 1626 Just look like Transmitter tube



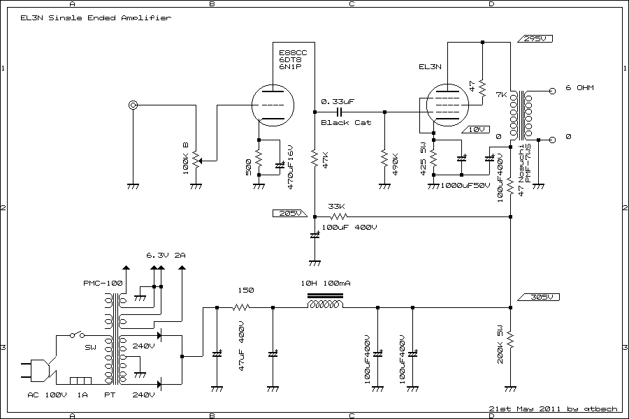
EL3N Single Ended Amplifier 2011

EL3N Single Ended Amplifier



EL3N Single Ended Amplifier

Basic circuit is EL3N Single Ended Amplifier



EL3N Single Ended Amplifier

This circuit will modificate then next



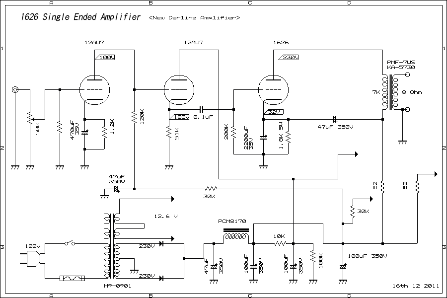
Version 1   1626 single ended amplifier

1626 Single Ended Amplifier Ver 1 on 25th Dic 2011 for Test



1626S v1

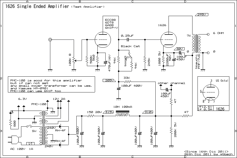
Test Amplifier circuit for 1626 Single



So I will modificate above schematic to 1626 Single Ended Amplifier,and Test
how is sound from 1626 Single Ended Amplifier.1626 is USA Navy Transmitter tubes.
finally will be brew one of next circuit.then modificate EL3N single ended amplifier.
charactor of curve is just like transmitter tube same as VT62(801)so I think
depend on how to drive will be get more than 1 W rms.will be good by Shishido type drive and
dircet positive grid drive.but very small tubes.but many case said around 0.75 W rms
will be get.sound is very good, same kind of sound of VT 25/VT62 Single Ended Amplifier.
getting good bass and mid and high range is just like VT62 single ended Amplifier's sound.
later I will give you some data for this amplifier.but enough to listen Music in small room.
I would say to getting nice tone with ECM recordings any disks.
---sound is just incredible!!! getting from small tubes----
I did try to use few driver different,6DT8,ECC88,6BN7,6AQ8 and 6N1P. only 6N1P is
different heater current than 4 tubes, same way you can use 6CG7 and 6FQ7 too.
6AQ8 and 6DT8 are so nice tone with high range and good bass.ECC88 is good too
6N1P is super good about Bass and mid range, high range both of,


1626 SET



1626Sシングルの音は???どうかな? arcive is very old 26th Dic 2011


1626 は、数年前に購入してあった、Hytron Cop VT-137 (1626)US Navyと言う真空管です。
とても綺麗な真空管です。US octalです。傍熱管の3極管で、とても小さな真空管です。45を1回り小さくした形の真空管で
0.5ワット位は出るであろうと思われます。EL3 シングルアンプを壊して、1626 シングルアンプとします。
特に注意することは、カソード抵抗とプレート電圧です。回路図はDarling の回路図とほとんどにておりますが、
カソード回路共通とはしておりません。カソード回路は通常の分離型です。さて音はどうでしょうか?
たった 0.5 ワットで91dB/m/wのスピーカーを駆動出来るでしょうか? 2011,25th Dic記載
ところで、南米のあるマニアからDarling 1626シングルをテストして欲しいと言われて、だいぶ前に購入しておいた
1626 ペアを使ってテストしてみましょう、さて音はいかがでしょうか?
多少+Bが高めですが、送信管ですので、大丈夫でしょう。音が良かったら、プラスの領域まで振ってドライブしてみる
ことにします。音は?どうだったのか? プリのゲインがあるので、何かこれで、十分な気もします。
91dB のスピーカーで聴く限り、私としては十分な音量です。とてもクリアな音で、良く調整された、2A3 シングル
の音がします。低域もしっかり出てきます。中高域はVT62シングルの音にも似ていますがパワーは確かに小さいの
ですが、6畳位の部屋で聴くのにはかなり良い音です。1ワット以下のアンプ十分です。
ジェネラル・トランス・販売社 の PMF-7WS が1626を良くを鳴らしてくれています。いままで、一番 良い鳴りかたです。
EL3N シングルも良い鳴り方でしたが、これはもっと良いですね、ジャズが良いですね、ベースの音が素晴らしいです!!
信じられないほど良い音が出るのですよ!
なお、H9-0901を使う場合は、6N1P,6N1P-V などのロシアのハイカーレントのヒータの真空管は使用できませんので、。
野口のPMC-100の使用を推薦します。H9-0901の場合は6.3V 1A のヒータートランスを付加して下さい。
6DT8,6BF7,ECC88,6DJ8,6AQ8,6CG7,6FQ7,6N1P,6N1P-Vなどなんでも使うことが出来ます。
音は6DT8,6AQ8が大変綺麗な澄んだ音と言いましょうか、勿論 しっかりと低域も出ます。
6N1Pは、素晴らしい低域と共に澄んだ高域、低域がとても良いと思います。




small amplifier 1626

very nice tone getting from 1626 Single Ended Amplifier



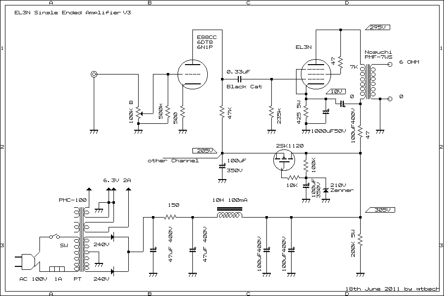
以下はこれから変更する為の参考回路図です


V3 1626 Single Ended Amplifier

1) 1626 Single Ended Amplifier




参考回路2

2) 1626 Single Ended Amplifier




回路図はここを参考に
しています。JA1WBYと言えば、ハムですが、私もパソコン通信が流行る前まで、JH1DAS/WB4ACI と言うハムのライセンスを持っていました。
引っ越しやら、色々な事があって、今は廃局しています。電信マンでかなり電信には今でも自信があります。
勿論、第1級アマチュア無線技士を保持しています。これとて、たかが、ハムですし、何の役にも立ちません。
ところで、2012年 6月 JH1DAS としてハムを再開局しました。


ソースはパイオニアのDAT,ヤマハ CDP、パソコン USB -> SPDIF 自作FN1242A真空管バッファー付きDAC
CDPのソースはほとんどがECMのCDです。ECM は、レコード盤の時代から、クリアな音で有名ですが、
LPでの比較でもそれほど、違いを感じ取れないほどの再現性の良さです。レコード再生はSRPPのRIAAユニット
カプセルはデンオンのDL-103,オーディオテクニカのAT-3をタムラの昇圧トランス(TKS-83 x2)で昇圧して使って
います。


Souce are Digital soundfrom Pioneer DAT D-06, Yamaha old CDP ,MP3 from PC by
Hand Made FN1242A(DAC) + SRPP PreAmplifier. USB by PCM2704 SPDIF converter.
LP plays by Panasonic SL-1200MK3 and DL-103 Denon with TKS-83 Tamura,Home Made SRPP RIAA.
CD soft are using many of ECM disc and almost Keith Jarrett and Bobo Stenson plays.
this amplifier plays so nice tone with ECM disk.





[C]Copyright 2011-2016 www.single-ended.com 


since 16th Dic 2010(last up date 6th Mar 2024)
This part isAll of SET and SEP Single Ended Amplifier D.I.Y